Fórum témák
» Több friss téma |
Fórum » Tápegység készítése
Köszike az infókat, egy ellenállás+LED eddig tiszta, a sönt fogalma tiszta, de a műveleti erősítő és hogy hogy kapcsolná, az már nem. Egy karikatúrát dobnál róla? Próbapanelba összedugdosom, nem forrasztgatok, meg nyák sem, mert az nekem nehezebben elérhető.
Ejnye! A hozzászólás módosítva: Dec 28, 2017
Moderátor által szerkesztve
Érdeklődöm, hogy van-e valakinek elvi rajza a mellékelt tápegység KIT-ről. Kínából rendeltem, érdekelne rendeltem, érdekelne a kapcsolási rajza. Előre is köszönöm.
Tessék, elvileg ez az: 0..30V DC 0..3A PSU DIY kit.
A hozzászólás módosítva: Aug 25, 2018
Sziasztok!
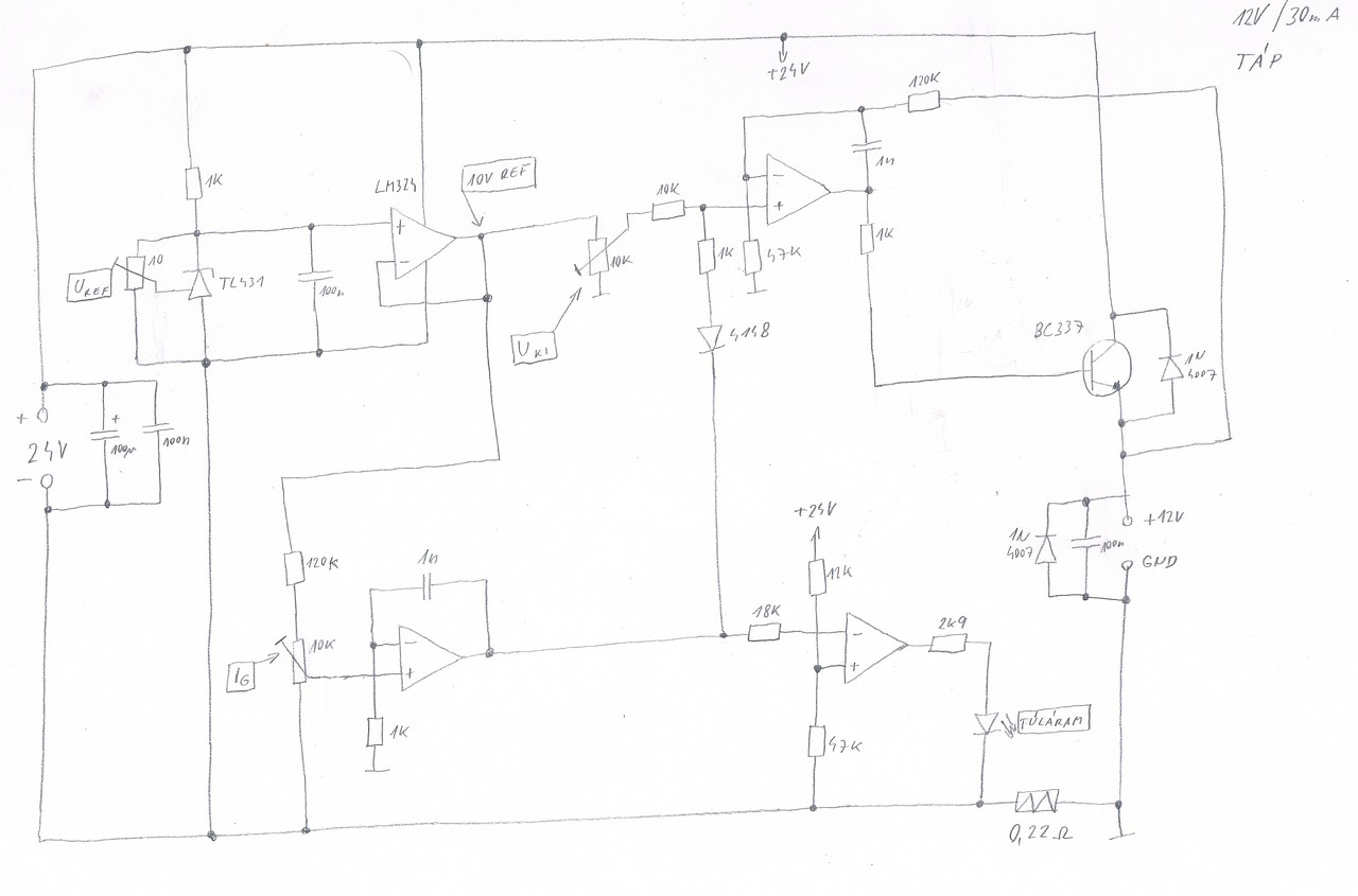
Egy céláramkör ellátására szükségem van egy aránylag speciális tápra. Stabilizált 12V-ot kell előállítania, de ha a kimeneti áram eléri vagy meghaladja a 30mA-t akkor át kell váltania áramgenerátoros üzemmódba és erről LED-el visszajelzést kell adnia. Ez tipikusan labortápszerű működés, de alacsony kimeneti áram mellett ezért átrajzoltam Alkotó 2.7.4 labortápját (remélem nem haragszik meg érte). Mivel a tápnak fixen 12V-ot kell előállítania ezért a negatív segédtápot elhagytam. Az alacsony kimeneti áram miatt a teljesítmény tranzisztorok is el lettek hagyva, csak egy BC337 maradt. A 10V-os referenciát is átalakítottam, mivel egy másik áramkörben is szükségem lesz rá, ott viszont magasabb stabilitási követelmények vannak mint amit az eredeti 6,8V-os zener tud. Kérlek nézzetek rá nekem, hogy rendben van-e a mellékelt rajz, megfelelően fog-e működni? Ami egy kicsit aggaszt az az, hogy a BC337 el fogja-e tudni fűteni a 0,75W hőt ami a 30mA átfolyásakor keletkezik. Vagy használjak inkább BD135-öt? Utóbbit ki fogja-e tudni a műveleti erősítő, vagy kell egy köztes vezérlő tranzisztor? Előre is köszönöm!
Szia!
Inkább BD135-öt tegyél be kis lemezkével, mert a 337 esetleg meg fog halni ( normál max terhelésnél 12*30, azaz 360 mW ). A meghajtástól pedig ne félj, a 30 mA max kimenethez bőven elég bázisáramot fog kapni. "Aránylag speciális " felhasználásnál ne sajnáld a +pár Ft-ot.
Sziasztok,
Valakinek van ötlete, hogyan lehetne összerakni egy 218VDC 20A CCCV tápegységet? Jó nekem készen is A 20A lehet 10A is.Tudom, hogy ez nem egy hétköznapi 5V-os dugasztáp, de hátha valaki pont tudna valamit mondani. De van egy 218V-os ólomsav akku töltőm, ami akár jó is lenne, ha megtudnék szabadulni a csepegtető fázistól. Esetleg erre ötlete valakinek?
A csepegtető fázis alá tegyél vödröt!
A többire sajnos nem tudom a választ. ![]() Mi lenne a célod vele? Mert a körítésből az derül ki, hogy nem akkutöltés. A hozzászólás módosítva: Jan 9, 2019
Mondanám hogy olvasd végig a 230V-os kapcsitápos topikot, mert abban kb. minden szükséges információt megtalálsz hozzá, de a kérdésed alapján az sem biztos hogy elegendő lenne.
Három fázisról már hallottam, de hogy az a csepegtető milyen lehet azt nem tudom. Egyébként meg íródott valamikor egy cikkem UKT néven, még talán azzal is megoldható lenne a dolog.
Tegyél fel valami rajz-félét a töltődről és a végcélról egy blokksémát legalább..
A float chargingra nem találtam jobb magyar szót (lebegtető töltés hülyén hangzik szerintem), nem akartam fancyskedni ilyen angol szavakkal
De szívesen veszem, ha elárulod, hogy magyarul hogy nevezik.erbe: Egy CC-CV tápegység készítése a cél. Az SLA töltő 3 fázisból áll, amiből az első kettő a CC-CV. Tehát ha megtudnék szabadulni a floating charge fázistól, akkor az tökéletes lenne nekem. ferci: A végcélom egy rögzített feszültségű és maximalizált áramú tápegység. Ha hazamentem, akkor töltök fel képet a tápegységről.
Szia!
A cseppöltésre gondolsz. Ha megszűnik a hálózati táplálás, akkor automatikusan az akkumulátor veszi át az áramforrás szerepét, normál esetben viszont egy fix feszültség van az akksin, ami kompenzálja az önkisülést. Időnként érdemes egy kisütési (discharging) periódust bevinni az ólomakkumulátoroknál a szulfátosodás csökkentése miatt.
Ugyan én csepegtető töltést írtam fentebb, de azért rám szóltak többen is, hogy olyan nincs, vettem, a töltés csepp, de nem csepeg
![]() SLA aksit nem szeretnék tölteni, nincs is ilyen jellegű akkumulátorom. Csak a töltőt szeretném felhasználni pici módosítást követően.
Ha már van egy működő töltőd, miért akarod módosítani? Ha elérte a töltöttségi szintet, lekapcsolod.Nem okoz bajt az a csepptöltés funkció.
Oké, lelövöm a poént. Lítium akkumulátort szeretnék tölteni, azt pedig CC-CV módon kell. Az ólomsav akkutöltőben van egy harmadik fázis a csepptöltés, amiről egyáltalán nem találtam még infót a neten, hogy mennyire tolerálja a lítium aksi. A tippem az, hogy nem igazán. Illetve az ólomsav akkutöltőknek szokott lenni egy kiegyenlítő fázisa is, amikor túltölti a cellákat szándékosan. Na ezt viszont nagyon nem viseli el a Lítium aksi. Mivel egyértelmű leírást nem találtam sehol eddig, ezért marad a teszt. Összerakok egy megfelelő méretű akkupakkot, amire ellenőrzött körülmények között ráengedem a meglévő SLA töltőmet és rögzítem a mért adatokat.
A többieknek ígértem képet a töltőről, csatolva. A hozzászólás módosítva: Jan 11, 2019
Tudoom, az angolban lead-acid (ólom-sav), de a magyarban savas ólom. Ragaszkodj ehhez a névhez.
A hozzászólás módosítva: Jan 11, 2019
Azt mondjuk nem nagyon értem, hogy a 218V meg a 20A igénye miből fakadt, mert a kép alapján az a táp kb. a PC táp kategória, tehát olyan 3-400W lehet a megcélzott 4kW helyett. Hát, ilyet nem nagy kunszt építeni, építeni sem kell csak átépíteni. Egy átalakított PC táp (van topikja) éppen ennyit tud, ha akarom CV ha meg akarom CC. Csak nem jön ki belőle 218V hanem valamivel kevesebb.
Plusz még ott van az, hogy ennyi lion akkut nem tudsz csak úgy sorba kötve töltögetni, ahhoz balanszer is kell.
Igen, teljesen jól látod. Ez egyébként egy 218V4A töltő, ebből van kettő párhuzamosan kötve. Ez még ugyan mindig messze van a kitűzött 20A-től, de el lehet vele indulni. A 20A igény abból fakad, hogy maximum ennyivel szeretném tölteni a pakkot, azaz cellánként maximum 1A-rel (52S20P az akkumulátor felépítése) így ha duplázok, akkor is marad cellánként 500mA, ami még mindig elég. A BMS másik topikba való, de megnyugtatásul írom, hogy van, így nem probléma a cellakiegyenlítés.
Akkor elég bő a lehetőségek tárháza. Ha vigyáz rá az ember hogy ne zárja rövidre, akkor még egy mezei analóg labortáp, vagy áramkorlátos feszültségszabályozó is megfelel a célnak. A töltőáram meg egy dolog, legfeljebb tovább tart a töltés.
Igen. Töltésre maximum 5 órát határoztam meg magamnak, azaz legalább 400mA-t el kell érjem cellánként. A tápegységen van egyébként egy UC3846N vezérlő, néhány STW11NK100Z n csatornás MOSFET, pár darab STTH812 dióda, és néhány FES8AT dióda. Minden más hűtőborda meg passzív alkatrészek.
A 3846 egy szuper kis IC, azzal a legegyszerűbb megvalósítani egy ilyen dolgot.
Sziasztok! Szeretnék készíteni egy negatív testelésű tápegységet!
+35v a ground és kellene -35 és -12 volt. Extra lenne ha lenne még egy 5v váltó is(kijelző fűtéshez) Egy orosz elektronika órához szeretném megcsinálni. Egy régi nokia töltőt gondoltam alapul(trafós), abból az 5 volt váltót másnem egy ellenállással megoldanám, arról a trafóról(hirtelen nem tudom hány voltos) egy step up tápegységel még a 35v körüli érték meg is lenne, de ugye kellene a 12v is. Itt akadtam meg. Gondolkoztam egy 12 v tápegység+step up 35v-ra, de ugye ott a +ot nem tudom közösíteni... Valaki valami egyszerű megoldást nem tudna? Linkelem az óra kapcsolási rajzát. Bővebben: Link Idézet: „Szeretnék készíteni egy negatív testelésű tápegységet! ” Semmi gond! Idézet: „+35v a ground” No éppen ez az! Valóban - a rajz szerint - pozitív testelésű tápról van szó, ami az orosz területen szinte általános. A (testhez képest) -35V-ból csinál áteresztő tranzisztorral -12V-ot. A VFD fűtésnek megfelel az 5V AC, ha nincs közép, akkor ellenállás-osztóval kell megoldani és a -35V-ra kötni.
Köszönöm!
Esetleg valahogy lerajzolnád? Vagy miből, hogyan csináljak -35v-ot, milyen tranzisztorral -12-t és az egyen -35-ből hogy az ac 5v? És minek nincs közepe?
Sziasztok,
Horgászat témakörben etetõhajóra halradart szerelek. A radar wifi-n küldi az adatokat a partra, de elég gyenge a teljesítménye, ezért teszek a hajóra egy kibelezett (eredetileg konnektorról működő) tplink "wa855re" repeatert, de abból csak a lapot és az antennát. (Radart is lehetne "belezni", de azt nem akarom szétszedni, mert ismerek rosszul végződött buherákat). A repeater eredetileg 4,5 voltot kapott a belső tápegységről. Kérdésem: hogy lenne érdemes megcsinálni a tápot a repeaternek ? 1. Első lehetőség: a hajó egy 2S lipo aksival megy, aminek 7,2-8,4 között van a feszültsége. Elvileg lehetne erről tápolni a repeatert, de nagyon régen volt már az iskola (35 éve), és egyszerűen nem tudom, hogy ehhez most mire lenne szükségem. Elvileg 5voltos fesszab IC jó lehet, de egyrészt bizonytalan vagyok, hogy a 4,5 és az 5 közötti 0,5 V nem gond-e a repeaternek, másfelõl nem tudom, hogyan kell ilyen IC-ket használni (anno még nem tanultuk...) A másik, hogy AA elemekből 3 darab pont hoz 4,5 V-t, de ez elég komoly túlsúly lenne a hajón, ezt csak akkor csinálnám, ha nincs más megoldás. Harmadik lehetőség, hogy egy minor kapacitású powerbankot teszek a repeater dobozában - ez még mindig könnyebb (tömegben), mint 3 AA elem, de itt ugyanaz a bizonytalanság, mint az első esetben: a kimenő fesz 5V, ez több, mit a lap eredeti tápfeszültsége. Kérlek, akinek hasonló témában van tapasztalata, legyen szíves segítsen dönteni. Előre is köszönöm Üdv Zs.
DC-DC konverter kell neked a 2S konfiguráció mellé: STDN-3A24-ADJ.
Ha jól látom, ezen a legközelebb az 5V - ezek szerint a repeater lapnak 5V-al is mennie kell ? (Igazából nem értem a 4,5 voltos tápfeszt, a szükséges alkatrészek alapján nem lehet mérhető különbség a két verzió ára között)
Szia,
A Bakman által linkelt modul alapértelmezetten állítható kimenetű, a rajta lévő trimmerrel be tudod állítani a 4.5V-ot. Utána érdemes lehet egy csepp ragasztóval rögzíteni, nehogy használat közben elállítódjon.
Szia, nagyon köszönöm a segítséget, így fogok tenni.
Kicsit utána olvastam, és úgy látom, hogy a DC/DC panelek kapcsoló üzeműnek vannak feltüntetve; gondolom ez alapvetően a bejovonel magasabb kimenő feszültségre vonatkozik; azért kérdezem, mert ha jól sejtem az ilyen pufferelő üzemmód üresjáratban is fogyaszt egy minimális áramot, és mivel aksis üzemmódról lenne szó, minden mA számít. Ez a step-down módnál is így van ? |
Bejelentkezés
Hirdetés |







A 20A lehet 10A is.







