Fórum témák
» Több friss téma |
Igen, tényleg sokat segít egy jó elektrolitkondi a ventillátor zúgásán.
Én mondjuk egy 470 µF-os kondit szoktam kötni közvetlenül a ventillátorhoz (nem ahol a nyákba bemegy a vezeték a tápon, hanem közvetlenül a forgó rész "alá"). Szinte teljesen megszünteti a zajt. Próbáljátok ki. (ha esetleg így sem lenne elég halk, akkor 2 db 22uH-s fojtóval szoktam bekötni a tápegység paneljába. Az is szűr még valamit.
Alakul. De nem szeretném hatszázhuszonegyedszerre is ismételni magamat, hogy még min kellene javítanod. Találd fel magad, vagy ami mégjobb, olvasd vissza, eddig miket írtam. Üdv.
Nem is kell. Elég egyszer is. SAA1057-es PLL hez van nyákterved?
Egy tapasztalatot osztok meg: a BSS oldalán a rádiós részben vagy fm adó 4. nevű kapcsolás. megépítettem, és nagyon szépen szól, működik tökéletesen! Nem bonyolult, alacsony az alkatrészköltsége! Nagyon boldog vagyok, hogy sekirült végül is (eddig) két adó közül az egyiket feltámasztani (a 400mW-os majd ezután jön). A hatótáv sztem nagyon nagy! ház falán is simán átvisz. megsaccolni nem tudom. Nagyon meg vagyok vele elégedve!
S ha megfogod az antennát elhangolódik?
Én úgy csináltam, hogy az adó RF részét felraktam a tetőre s a "beltériből" adtam a modulációt és hangoltam is, hasonlóan ahogy a Te rajzodon van, egy vezetéken, HF volt az AC komponens, az ül egy DC szinten ami a frekit határozta meg.
Szia!
Természetesen elhagolódik, de engem ez nem zavar, mert mikor elengedem, visszáll. A lényeg, hogy szépen "ad"
Sziasztok rádiósok!
A segítségeteket szeretném kérni! Egyik fórumtársunkkal ránk tört az ötlet egy másik témában (Hangtechnikák, hangosítások), hogy olyan "vezeték nélküli gitárkábelt" (nem tudom mi a rendes neve, mi felénk csak úerhának hívják ) kéne építeni. hNosza, utánna is néztem, milyen frekire, hogyan lehetne kivitelezni. Ezt találtam: SRD Rádiómikrofon 146.000 - 149.900 MHz 20 db 200 kHz-es analóg szögmodulációs csatorna, 10 mW (kézi) vagy 50 mW (testen hordott) ERP Itt az a szó idegesít, hogy szögmodulációs. Mert ha ez nem lenne, azt modanám, nosza, keressünk egy minőségi fm adót, meg egy fm vevőt (esetleg gyári tunert???), alakítsuk át erre a frekire (adónál kristályvezélrelt poloskára gondoltam), ás Rock'nRoll. Tehát a kérdésem: mit jelent ez a szögmoduláció??? Olyan hozzászólást köszönöm, nem kérek, hogy "feletsd el, semmi értelme, vedd meg boltban, stb." TUDOM, hogy nem lesz egyprofi cucc, csak a kihívás kedvéért hobbielektronikai projektként csinálnám....
Ravaszul szűkszavú ez a kifejezés. A szögmoduláció lehet fázis és frekvenciamoduláció is.
Bővebbet innen de készülj fel a legrosszabbra!
Remélem az a válasz, hogy mindkettőt lehet legálisan üzemeltetni
. De azt mire érted, hogy készüljek a legrosszabbra??? Egyébként meg: Ha fázismodulációt lehet csak ebben a tartományban használni, és én csinálok egy 10/50 mW-s miniadót, ami frekvenciamodulált, szerinted 1: észreveszi ezt a kutya is? 2: fejemet veszik érte?És végül, de elsősorban: hálás köszönet a pdf-ért. Majd ha frisssebb leszek, nekiugrok!
Szügmodulációról:
"Matematikai módszerekkel kimutatható, hogy a fázismoduláció és a frekvenciamoduláció „rokonságban” vannak egymással, és fm frekvenciájú, szinuszos moduláló jel esetén a ΔΦ fázislöketű fázismodulált jel azonos a Δf = fm ΔΦ frekvencialöketű frekvenciamodulált jellel. Ezért a fázismodulált jel időképe, spektruma, sávszélessége az egyenértékű frekvenciamodulált jelével azonos. Ez esetben a modulációs index (m) megegyezik a fázislökettel: m = ΔΦ" Forrás: 3. Műszaki ismeretek 8. Rádióadás és rádióvétel Ez annyit jelent, hogy a vételkor nem döntheted el, az adó fázist vagy frekvenciát modulált-e.
1: észreveszi ezt a kutya is?
Nagy valószínűséggel nem. De rossz helyen és frekvencián akár egy megye pl. szemetesautói hallhatják ha az átjátszójuk felmenőjébe találsz be. ( A lejövőt máshol hallod. ) Persze nem 50 .. 100 kHz-es lökettel, hanem 5 kHz-essel. A TV S7-es csatorna ( is ) itt van ( csíkok ). Egy rádióamatőrnek 10 mW már komoly teljesítmény ![]() 2: fejemet veszik érte? Csak szabálysértés. Először figyelmeztetés és készüléklefoglalás, utána 50k birság. A legalitáshoz rádióengedély kell. Be kell méretni az NHH-nál.
Nem a moduláció miatt vesznek elő, hanem azért, hogy azt ráültetted egy vivőre. Szóval a birságnál lényegtelen, a moduláció milyensége.
Köszönöm szépen mindkettőtöknek a felvilágosítást!
DE: ha a moduláció milyenségéért nem ütöm meg a bokámat, akkor nem látom be, magáért az adó használatáért miért történne meg. Hiszen rádiós mikrofont illetve ilyen kis testre szerelhető jelátvivőt működtetni csak nem illegális!?! Azért meg ne büntessenek már meg, mert nem boltban veszem, hanem megépítem! Szóval a kérdésem lényege az volt, hogy a miatt érhet-e baj, hogy frekvenciamodulációt használok fázismoduláció helyett, de akkor ezek szerint ebből nem lesz gáz. Azt tudom, hogy ezt a sávot nem szabad elhagynom, mert akkor már zavarhatok másokat... A kukásautó meg csak nem a rádiós mikrofonok sávjában dolgozik
Boltban is lehet venni FM rádió adót pár ezer Ft-ért, melynek segítségével az autóban is lehet hallgatni a rádión pl. az mp3 lejátszó zenéjét. Akkor ez is illegális?!?! Ha nem, akkor az általam épített adó SEM az!
Modulálatlan jel is zavarhat más szolgálatot.
Külön szabályok vannak a rádiók gyártására, forgalomba hozatalára, üzemben tartására. Gyári készüléket ( távirányító, PR27, PMR446, zsebtelefon, wifi ) a gyár méret be. A készülék tudja a műszaki paramétereket. Te nem módosíthatsz a készüléken. Cserében engedély nélkül üzemben tarthatod. Ha te építesz készüléket, akkor be kell vizsgáltatnod az NHH-nál. ( Persze az egész a frekvenciakijelölési határozattal kezdődik... ) Engem nem a műsorszórás, hanem a kísérletezés érdekel, ezért tettem hatósági vizsgát és van rádióamatőr engedélyem, ami feljogosít rádió építésére, módosítására, üzemben tartására, forgalmazásra - rádióamatőr sávokon, kísérletezési céllal. Máshol semmire nem jogosít. Biztos, hogy elhagyod a sávot, egy-két felharmonikusoddal
A forgalmazása, megvétele, eladása legális.
Üzemben tartása Magyarországon illegális. Az FNFT-ben nem szerepel. Rádióberendezés építése, módosítása önmagában is engedélyköteles.
Gondoltam, megosztom veletek a bss által közölt 300m hatótávolságú fm adó SMD-s nyáktervét. aki megépíti (és rak fel róla képet), meghívom egy sörre!
![]() Néhány plusz infó: a tekercsek 5menetesek, 0,5-ös rézhuzalból, 5-6mm-es átmérőre tekerve. a potival a frekvenciát lehet finoman behangolni. Bemenő jelnek elég kicsi jelet fogad csak el a kapcsolás... A nyák méretei: 3,5cm*2cm.
Ehhez a kapcsoláshoz kapcsolódik, hogy high_pass_filter nélkül nagyon hamar betorzított a kimenő jel, és túl sok mélyet sugárzott le, ezt kiküszöbölvén raktam az adó bemenete elé 68nF-ot sorosan, majd ezt földre húztam le 22kohmmal, és ezt megismételtem még egyszer. Ezáltal a mély hangokat olyan szépen halkan adja le az adó, hogy csak na. Így a bemenő jelet sem kell nagyon halkítani, egy mp4 lejátszó 90%-on torzítás mentesen kihajtja teljesen (előtte max. 40%-ig lehetett felhangosítani az mp4-et, mert utána már torzított az adás).
Heló én még nagyon kezdő vagyok adó épitésben de találtam egy egyszerünek tünőt lehet ehez alkatrészeket beszerezni?(léteznek még?) ja és sokba kerülne?bocs ha hülyéket kérdezek de uj vagyok még a témába. a válaszokat előre is köszönöm!
Szia,
az egész kapcsolás kb. 200 Ft-ból kijön, és működik is. De túl sokat ne várj tőle. A hangminősége nagyon gyenge lesz, és a hatótáv is csak 10 méter körül. Szerintem nem érdemes bele munkát ölnöd. Keress egy 2 tranzisztoros kapcsolást (pl 2 BC547), azzal sokkal több sikerélményed lesz, és megépíteni sem nehezbb, mint ezt!
bocs de egy linket tudnál róla felrakni mert nem találom
(mármint a kapcs rajzot)
Eszembe jutott egy régi kapcsolás, amit már vagy 2-3 éve építettem meg. Ha még nem építettél FM adót, akkor ezzel a legjobb kezdeni. A kezdők általában a tekercs készítésével csúsznak el...
A hozzászólásom végén belinkelt oldalon ott van egy FM adó. A hangja szerintem kiváló, a hatótáv is megvan vagy 100 méter (nyílt terepen), és csak egy tekercs van benne, az is a nyákra marva, szóval elkészíteni is egyszerű. Konkrét nyákterv nincsen az oldalon, de egy beültetési rajzzal kombinált van. Egy 10 perces Paint vagy akár Photoshop munkával egy nyomtatható nyákterv lehet belőle (vagy kézzel is megrajzolhtaod). A méreteket ki lehet következtetni a képek alapján (9V-os elemhez viszonyítva). Tapasztalataim alapján az "utolsó" tranzisztor, a BC557-es és környezete abszolút felesleges. Nekem legalábbis semmit sem javított a teljesítményen. Szóval a BC557-et, a 47kohmos és a 330 ohmos ellenállást valamint az 1nF-os kondit ne ültesd be. Az antennát pedig kösd oda, ahová az 1nF-os kondit kéne ültetni. Nekem így tökéletesen működött! Link: ITT VAN NI
Köszi szépen a választ igy mostmár elkezdem.
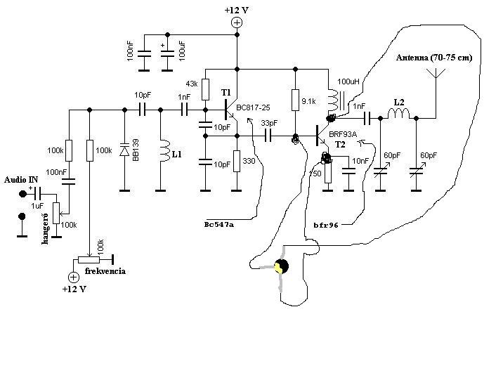
Heló megépitetem ezt az adót http://www.hobbielektronika.hu/forum/files/82/82e2ba44599c1c3df6105...4e.jpg és müködött de a hatótávolság max 15m most ezen dolgozok http://www.elektronika.iweb.hu/keret.cgi?/400mwfmtx.html de az lenne a kérdésem hogy a bfr 96-os tranzisztort igy kötötem be ez igy jol van ?(már mint a lábkiosztás)egyébként meg van hozzá minden alkatrész kivéve a varicap dióda de holnap az is meglesz remélem.
-Szia, a hosszabbik kivezetés a kollektor, vele szemben van a bázis, szóval szerintem baj van.
Heló lenne még egy nagy problémám a bb139-es dióda hejére nem lehet más diódát rakni?modjuk germánium vagy zéner diódát abból van itthon sok mert boltba mennés nem jön ösze.
|
Bejelentkezés
Hirdetés |






) kéne építeni. hNosza, utánna is néztem, milyen frekire, hogyan lehetne kivitelezni. Ezt találtam:









