Fórum témák
» Több friss téma |
Ilyen kis áramon már nagyon kicsi a nyitási szög. Lehetséges megoldás, hogy sorba kötsz a test kábellel néhány méter 2-es vashuzalt. A hosszal kísérletezve eltalálhatod az áramhoz megfelelő értéket.
Köszönöm, ez jó ötlet, ki fogom próbálni. Bár jobban belegondolva valószínű, hogy igen komoly teljesítményt kéne eldisszipálni ahhoz a huzalon, hogy érdemi változás történjen. De egy próbát megér.
Helló.
Kicsit sok a 15l/perc,230 Amperen is bőven elég a 10l/perc (napi 8 órában próbálgatom :rolleyes .
Kipróbáltam, működik. Rendkívül parasztos megoldás, de nagyon szépen hegeszt. Köszönöm a tanácsot.
Nálam sajnos relékattanás után lemegy ez 12-re. Vacak a mérő vagy a nyomáscsökkentő.
De csak így tudom nézni. 12-re állítva már oxidálódik (gondolom, ilyenkor - óra szerint - alá esik 9-nek).
Nem tudom mit értesz oxidálódik alatt?A 10l/perc ,hegesztő mérnökök,írják elő,ami mindig fel van tüntetve a hegesztési dokumntációban,a többi paraméterrel együtt.Nem hasravágva írtam .Itthon saját építésű TIG-et használok,ahol a 10l/perc számomra pazarlás(max 5l/perc),a gáz utánfutása inkább lényeges tényező,hogy a még izzó Wolfram ne érintkezzen levegővel!Piros jelzésű Wolfram kerülendő,az összetétele miatt,valamint meg sem közelíti a sárga,vagy szürkével jelölt elektródák tulajdonságait,ugyanazt az anyagot hegesztve mindhárommal.
Az alu felszíne csúnya, szürke, redves. Kék elektródát használok. Esetleg lilát.
Mivel csak hobbiból hegesztek - így keveset, ezért a gázfogyás nem kritikus. Nem gondoltam, hogy hasra ütöttél volna. Lehet, hogy a reduktorom nem jól mutat, így csak "helyi egységben" mér
Üdv. A piros végű volfram mit tartalmaz, nem is lehet egyáltalán használni? Be szereztem belőle egy pár darabot.
A hozzászólás módosítva: Okt 7, 2019
Üdv! Én is használok piros végű wolframot, hobbi célra megfelel. Azért nem ajánlják, mert tartalmaz 1-2% tóriumot, ami ugye sugároz. Főleg köszörülésnél jelent veszélyt, de a többi fajta wolfram porját sem sokkal egészségesebb belélegezni.
Sziasztok!
Van egy TIG-130R típusú hegesztőm. A gyártó nincs megjelölve rajta, de pofára a workzone-ra hasonlít. Ehhez keresek rajzot. "Hegesztés közben megállt" tünettel kezelem, látszólag bekapcsol. Hátha valaki felismeri és tud segíteni. üdv A hozzászólás módosítva: Feb 21, 2020
Az utókor kedvéért.
Ez az elvileg ha még keresed a kapcsolást!
Sziasztok!
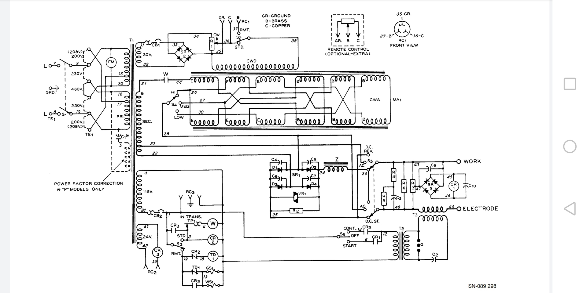
Vettem egy Miller Dialarc Hf-p típusú awi hegesztőt! A hálózatra kötés számomra kicsit ködös! Két fázist kell a gépre kötni. A leírás a gépet egyfázisúnak írja mégis. Különböző hálózati fesz is működteti, de jumperolni kell hozzá! Szerintetek a 230 vagy a 460 beállítást használjam? Esetleg valaki el tudná magyarázni miért két fázist használ? Mi ez a 460 volt? Mellékelek képeket és rajzokat! Előre is köszi a válaszokat!
Egy fázisról használva nagyobb a primer áram, ami csak egy fázist terhel. Ha van két fázisod, a nagyobb feszültség miatt kisebb az áram és megoszlik 2 fázis között. Ha nincs, nyugodtan használhatod egy fázisról.
Ha a mellékelt kép szerint kötöd be az áthidalást, jobban illeszkedik a hazai feszültséghez. 460V-os bekötéssel alacsonyabb lenne a gyújtófeszültség és egy picit a hatásfok is.
Szia!
Köszi a választ! 3x32 A áll rendelkezésemre a műhelyben, erről üzemeltetném a készüléket! Úgy gondolom, hogy két tetszőlegesen választott fázist fogok rákötni a masinára. Szerinted akkor az általad javasolt (a gyáritol eltérő) jumperolás megfelelő lesz két fázis esetén is? A 230 V os feszültség nem megfelelő? Hiszen ez a hálozati feszültségünk! Az áramfelvétel szerint melyik kötési modban igényelné a legkevesebb Ampert? Jo lenne minél kevésbé terhelni a hálozatot! Bocsi a sok kérdésért, de nem csak megoldani lenne jo a problémát hanem érteni is! )Elnézést kérek Tőletek a helyesírásért, de sajnos nem működik a "hosszú O" a laptopon! ![]() Köszi még egyszer!
Mellékelek még egy pár oldalt egy régebbi kezelésiből, hátha segít még valamit!
Szerintetek fogom tudni max teljesítményen használni 3x32 Amperről? 32 Amperes a dugaljam 5x6mm2 kábellel!
Az utolsót elküldöm több darabban mert egyben pici lett, nem lehet olvasni!
Egy fázisról is használhatnád maximális terheléssel 32 A-es kismegszakító esetén. Két fázisnál kisebb az áramfelvétel. Inkább ezt ajánlom, így, hogy van rá lehetőséged. 4*4-es vezetékkel elég bekötni. 350-400 A-es gépeknél használnak 4*6-ost vagy ha kel a nulla, 5*6-ost.
És akkor mehet úgy a jumper ahogy rajzoltad? Vagy használjam valamelyik gyári beállítást?
A gép működtet egy vízszivattyút és a védögáz szelepét is! Ezek minden beállítás mellett is megfelelő feszt kapnak? Köszönöm hogy segítesz!
A segédberendezések csak megfelelő beállítás mellett kapnak jó feszültséget. A segédtrafók is a főtrafóról kapják a táplálást. Két fázishoz emiatt azt az áthidalást kell használnod, amit rajzoltam.
Értelek!
A szivattyú 115 voltos, a gázszelep 24! Látszanak is a kapcs rajzon! Elméletileg amúgy EU piacos volt a masina, hogyhogy nem tudjuk használni a gyári bekötéseket? Mi a gond pl a 230 vagy a 460 voltos bekötéssel? Azt a rajz alapján értem hogy a tekercsek hogyan kapcsolódnak, de hogy ez min hogyan változtat nem! Nagyon megköszönném ha segítenél megérteni!
A 230 V-os bekötést nyugodtan használhatod, ezt leírtam. A 32 A-es kismegszakítód elbírja. A 460 V-os bekötés nem megfelelő, mert nálunk 400 V a vonali (két fázis közötti) feszültség. Emiatt a 115 V-os szivattyú 100 V-ot, a 24 V-os szelep ~20,9 V-ot kapna. Elvben ez hibahatáron belül lenne, de mivel minden a főtrafóról működik, terhelés közben akár gondokat is okozhat.
Volt gondom olyan gázszelepet vezérlő relével AWI gépnél, ami pontosan 24 V-nál még meghúzott, az alatt nem. ![]() Az EU-ba tartozó (vagy tartozott, Anglia) országok szabványai nem egységesek. A hozzászólás módosítva: Okt 11, 2020
Szia!
Tehát ha jó az értelmezésem, amikor sorba "csillagba" vannak a tekercsek akkor azt két fázisra kötöm, amikor pedig párhuzamosan akkor egy fázisról üzemel?! Ha egy fázison lenne akkor gondolom a két betáp kapocs közül az egyikre a nulla menne ugye? Holnap megyek zegre, ott a gép a melóhelyen, viszem a lakatfogót és megmérem az áramokat meg a feszt több helyen! Kíváncsi vagyok hogyan alakul átkötés után! Ha érdekel, megosztom a végeredményt! Nagyon köszönöm addig is!
Béla, én úgy nézem hogy 1 fázisról fázisjavítással is 76A az áramfelvétel, fázisjavítás nélkül 90A. Ez hogy fér bele a 32A-ba? Én inkább a 400V-os megoldással próbálkoznék, hiszen erre is adott a lehetőség. Nagy eséllyel még így sem lehet használni a gép felső teljesítménytartományát.
A hozzászólás módosítva: Okt 12, 2020
Szia Pisti!
Igen az adatlap alapján én is ezt olvastam ki! De erbe - Béla, azért megnyugtatott, hogy mégis használható lesz a készülékem teljes értékűen! Az már el van döntve, hogy két fázisra 400 V-ra lesz kötve a masina, és ahogy Béla legelőször javasolta, a 200 V-os tekercseket fogom sorba kötni a kapocslécen!!! Szerintetek így az áramfelvétel tekintetében is jobban fogok járni mint a 460 V-os sorba kötéssel??? Erbe szerinted a valóságtartalma mire van alapozva? Valami nagyon szélső értékeket írhattak oda? Mi alapján gondoltad hogy az áramfelvétel nem lehet ilyen magas??? Köszönöm hogy foglalkoztok a kérdéseimmel!
Ja és Pisti, az én gépem a fázisjavítással rendelkező variáció, úgyhogy ezt kalkuláljátok bele!
A táblázat alapján a 200 V-os bekötéssel 84 A az áramfelvétel!
Elméletileg akkor 400 V-os bekötéssel 42 A lenne az áramfelvétele? Jól logikázok??? Ez fázisonként lenne ennyi, vagy a két fázisra összesen jutna ez?
Elég ronda dolog, az tény, mert 75 V üresjárati feszültség mellett U1 / U2 = 3, az 83 A primer áramot jelent 230 V-on (+hatásfok). Gyakorlatban nem sok helyen találkoztam a valóságban ekkora hegesztőáramokkal (váci, balatonfüredi hajógyári részleg, alu konténer és csónaktest). Két fázisról nem hinném, hogy gondot okozna, de rövid időre egy fázisról is bírná.
Nekem is 3x32A áll rendelkezésemre, eléggé sok gépet kipróbáltam már (mivel javítom a hegesztőgépeket) de meg egyetlen 400A-es, hagyományos 50 Hz-es trafós gépből sem sikerült kivenni a maximális teljesítményt úgy, hogy ezt a megszakítók tolerálták volna. Tavaly vastagabb(14-20 mm)vasakat kellett volna eldarabolnom, kölcsönkértem egy 50/75A-es trafós plazmavágót. 75A-es állásban nem tudtam vele dolgozni,mert folyton leverte vágás közben a megszakítót.
Most van nálam javításon egy 250-es AC/DC-s Trakis TIG hegesztő. Bekapcsoláskor 10-ből 3-szor leveri a megszakítókat. Hozzáteszem, minden gépnél látom a fázisonkénti áramfelvételt, mert mérem, és néha meglepően magas értékeket látok, különösen újabb gyártású gépeknél. A régi nehéz masinákba inkább több vasat tettek, de nem gerjesztették feleslegesen magas értékkel a teljesítmény érdekében. Persze , ez nem jelenti azt,hogy az ominózus gépet ne lehetne használni , de azért el lehet hinni amit a gyártó ráír, hiszen a gyártó is mért értékeket ír az adattáblára. |
Bejelentkezés
Hirdetés |





. 























