Fórum témák

» Több friss téma
Fórum » Elektronikában kezdők kérdései
- Ez a felület kizárólag, az elektronikában kezdők kérdéseinek van fenntartva és nem elfelejtve, hogy hobbielektronika a fórumunk!
- Ami tehát azt jelenti, hogy a nagymama bevásárlását nem itt beszéljük meg, ill. ez nem üzenőfal!
- Kerülendő az olyan kérdés, amit egy másik meglévő (több mint 17000 van), témában kellene kitárgyalni!
- És végül büntetés terhe mellett kerülendő az MSN és egyéb szleng, a magyar helyesírás mellőzése, beleértve a mondateleji nagybetűket is!
Lapozás: OK   3528 / 4047
(#) kendre256 válasza slimcolt hozzászólására (») Nov 7, 2020 / 1
 
Jelfogót fog kapcsolni, nem nagy frekvenciás PWM-ben működik, szerintem semmi baj nem lesz belőle. Egyébként ez a "tankönyvi" ajánlás a kapcsolótranzisztor vezérlésére.
Kapcsolóüzemben pedig a bázisárammal történő vezérlés szerintem teljesen jó. Ha egy közbenső munkapontot kellene beállítani, adott kollektorfeszültséggel, adott emitterfeszültséggel, vagy egy áramgenerátort, én is a bázisosztós beállítást javasolnám. Itt viszont szerintem a bázisosztó nem indokolt.
(#) usane válasza slimcolt hozzászólására (») Nov 7, 2020 /
 
Relét kapcsol nem PWM jelet.

Közben kendre256 válaszolt is.
A hozzászólás módosítva: Nov 7, 2020
(#) gyula66 válasza slimcolt hozzászólására (») Nov 7, 2020 /
 
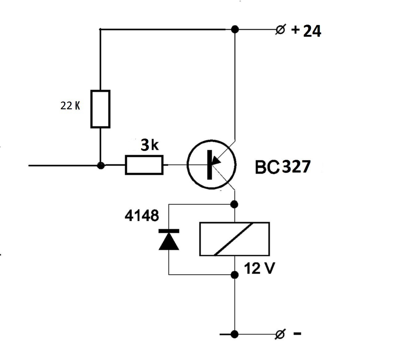
Ezt a bázis osztó vezérlést részleteznéd nekem ha megkérlek. Ha maradok ennél a kapcsolásnál akkor a 22k legyen 100k? A 10k maradjon 10k? Mennyire fog melegedni a tranzisztor?
A hozzászólás módosítva: Nov 7, 2020
(#) gyula66 válasza slimcolt hozzászólására (») Nov 7, 2020 /
 
Ha a válaszod alapján számolok akkor ha 120 ohm a relém ellenállása, 200 mA a kollektor áramom, amihez kell 20 mA bázis áram. Ez akkor 1,2k bázis ellenállás? A 10k növeljem 22k?
A hozzászólás módosítva: Nov 7, 2020
(#) kendre256 válasza gyula66 hozzászólására (») Nov 7, 2020 /
 
Az én válaszom szerint ez jönne ki. De az előbb megnéztem pár 24V-os relét, jellemzően 1-2-3 kOhm-os a tekercsük, abból pedig 24 mA-nél kisebb áramok jönnek ki. Milyen relét szeretnél kapcsolni?
(#) gyula66 válasza kendre256 hozzászólására (») Nov 7, 2020 /
 
A képen is látható sima 24 voltos teherautó relét. Most megmértem, 310 ohm az ellenállása. ez alapján a bázis ellenállás 3k? Járó motornál a feszültség 28V ezért inkább 3,6K.
A hozzászólás módosítva: Nov 7, 2020
(#) proli007 válasza samtron77 hozzászólására (») Nov 7, 2020 / 1
 
Hello! Jó lesz. De a D1 diódát el kell hagyni, mert a relének is szűrni kell.
(#) kendre256 válasza gyula66 hozzászólására (») Nov 7, 2020 / 1
 
A 3,6k kb. jó lesz.
(#) pucuka válasza gyula66 hozzászólására (») Nov 7, 2020 /
 
A relék behúzó árama általában 10 - 20 mA körül van, még ennek a "brutális autós relének" is csak 40 mA. (12/310) Mivel a tranzisztort a bázisának földre húzásával kapcsolod be, a bázisáramot az ábrán leginkább a 3 kΩ -os ellenállás korlátozza. ebből az jön ki, hogy a kollektor áram 600 mA, az ehhez tartozó bázisáram 600/100=6 mA. A tranzisztor nyitó feszültsége 5 V, tehát (24 - 5)/6 =
A 3 kΩ -os ellenállás maximális értéke 3,2 kΩ lehet. Ennél valamivel kisebb értéket kell választani, a 3,1 kΩ már jó választás.
A BC327 kollektor árama 800 mA (csúcs 1 A), de a hőmérséklet függvényében degradálni kell és ez az érték 50°C esetén 81 %, ami már nem biztos, hogy elég lesz, én nagyobb áramú tranzisztort választanék, ha gk -ban lesz használva. BC638
Ha 28 V -ra felmegy a tápfeszültség javul a helyzet, nagyobb áram fog folyni a relé tekercsén, biztosabban, gyorsabban meghúz.
A hozzászólás módosítva: Nov 7, 2020
(#) gyula66 válasza pucuka hozzászólására (») Nov 7, 2020 /
 
Ez a relé 24 voltos ezért 24/310 az 77 mA.
(#) pucuka válasza gyula66 hozzászólására (») Nov 7, 2020 /
 
Bocs, akkor számold át, ahogy írtam. (újratervez)
min tápfeszültség -1,5 V/ relé ellenállás =relé (kollektor) áram. Rb (3 kΩ) = (min tápfesz - tranzisztor UBE) / kollektor áram/hFE
A hozzászólás módosítva: Nov 7, 2020
(#) kendre256 válasza pucuka hozzászólására (») Nov 7, 2020 /
 
Egy kis keveredés van a számításodban.. A relé 24V-os, 24V-on 77 mA folyik át rajta. A tranzisztor kollektorárama is ennyi lehet maximum. 77 mA-es (28V-on 90 mA-es) kollektoráramot 100-as áramerősítési tényezővel 0,77 mA (28V-nál 0,9 mA) bázisárammal lehet létrehozni. Kapcsolóüzemben ennek a tízszeresét szokták beállítani, ez 7,7 mA (28V-nál 9 mA) lesz. A tranzisztor nyitófeszültsége 0,6V. A bázisellenállás ebből (24V-0,6V)/0,0077A=3k körül lesz.
A tranzisztoron maximum 90 mA kollektoráram fog folyni (28V/310 Ohm), ezért nem kell nagyobb áramú tranzisztor, bőven elég a 800 mA-es BC327.
(#) pucuka válasza kendre256 hozzászólására (») Nov 7, 2020 /
 
Igazad van, mikor rájöttem, már nem tudtam törölni.
Rájöttem, ezért írtam le inkább a számítás menetét részletesen, számolja ki magának.
A hozzászólás módosítva: Nov 7, 2020
(#) Epu2 válasza slimcolt hozzászólására (») Nov 7, 2020 1 /
 
A relé kapcsolási sebességéhez képes nem.
(#) slimcolt hozzászólása Nov 8, 2020 /
 
Hi!

Használni szeretnék egy RC-S2LP-868-HA RF modult, amin van kicsi helical antenna is.
A kérdésem annyi lenne, hogy hogyan tudom meghatározni pontosan mekkora GND felület kell az antennához? Mivel negyedhullámú, a negyedhullám kb 86mm-re jön ki. Akkor most egy 86x86mm-es GND felület kell? Vagy hogy..?
(#) kendre256 válasza slimcolt hozzászólására (») Nov 8, 2020 /
 
Az ilyen modulok antennáit csak annyira méretezik, hogy ne menjen tönkre az adója, meg azért valamennyire sugározzon is, de nyereséggel, karakterisztikával nem nagyon foglalkoznak. Külön ellensúly nélkül is működnie kell a modul földhálózatával (árnyékoló lemez, fólia földsávjai). Az antenna különben nem helikális, csak egy egyszerű tekercsantenna. Veszteséges antenna, viszont kicsi, és nagyjából az adóhoz illesztett.
Ha valamilyen plusz ellensúlyt kapcsolsz rá (felületet, huzalt) bármi lehet, előre megmondani nem lehet. Javulhat, romolhat vagy változatlan is maradhat a térereje. Ha lehetne találni a panelon az antenna csatlakozás környékén egy 50 Ohmos impedanciás pontot, lehetne hozzá külső, rendes, nyereséges antennát csatlakoztatni. (Bár az meg valószínűleg szabálytalan lenne...)
(#) gyula66 hozzászólása Nov 8, 2020 /
 
Köszönöm a segítséget mindenkinek!
(#) slimcolt válasza kendre256 hozzászólására (») Nov 8, 2020 /
 
A kimenete 50 ohmra illesztett. Van belőle olyan változat is amin egy pici SMA csatlakozó van az antenna helyén. Gondoltam rá, hogy veszek belőle egy SMA csatlakozós verziót, azt leforrasztom, majd 50ohm-os micro strip-el egy SMD antennát kötök rá. Az SMD antenna adatlapjában szerepel egy Gnd (és nyák) méret, amivel elérhetem az adatlapban írt értékeket. (return loss, mintázat, stb), de először kiszerettem volna próbálni ezt a kis antennás verziót.
Akkor hálózat analizátor nélkül full zsákbamacska az egész?
A hozzászólás módosítva: Nov 8, 2020
(#) kendre256 válasza slimcolt hozzászólására (») Nov 8, 2020 /
 
Műszerek nélkül vakrepülés, de műszerekkel sem egyszerű. Az antenna talpponti impedanciáját viszonylag egyszerű műszerrel is be lehet állítani (nekem pl. egy NanoVNA-F van, azzal be lehet). De az adó kimenetéhez illesztés csak egy dolog, az semmit nem mond a kisugárzott jelről. (A legjobban illesztett egy jó műterhelés, csak az meg szinte semmit nem sugároz.)
A sugárzási jellemzők méréséhez viszont szabad tér, lehetőleg mérővevő, jó mérőantenna kell. Ekkora frekvenciára antennát csinálni műszerekkel is nehéz, és sok idő.
Nem tudom, hogy pontosan melyik SMD antennát gondoltad, én találomra ezt néztem. Az adatlapján a megfelelő kialakítás esetén -1 dBi-től -4 dBi-ig lehet a vesztesége. Érzésem szerint a panelra szerelt tekercsantenna hasonló veszteséges lehet. Az SMD antenna előnye az, hogy gépesítetten szerelhető, jobban kézben tartható a mérete, és nem "lóg ki" a panelből. Mindkettő "szükségantenna", messze vannak a nyereséges antennáktól, de ha az alkalmazáshoz ez is elég, akkor ezeket kell használni.
(#) Udvari Zsombor hozzászólása Nov 8, 2020 /
 
A "HESTORE.HU" témába nem enged írni a rendszer, mert szerinte 02-16-ig korlátozva van a felhasználói fiókom! (o_O) Így kénytelen vagyok itt kérdezni. :|

→ Az lenne a kérdésem, hogy ez az LCD kijelző az USB csatlakoztatása esetén megkapja-e a működéséhez szükséges tápfeszültséget is, vagy az csak az érintőfelület miatt kell és a tápot máshogyan kapja? Valamint mellékelnek-e a kijelzőhöz kábeleket is?
A hozzászólás módosítva: Nov 8, 2020
(#) bbalazs_ válasza Udvari Zsombor hozzászólására (») Nov 8, 2020 /
 
Megkapja. Van két USB csati, szóval extra igény esetén párhuzamosan kötött USB is táplálhatja.
Nekem is ilyen van, de a nagyobb felbontású.
(#) Udvari Zsombor válasza bbalazs_ hozzászólására (») Nov 8, 2020 /
 
Nekem ennyi is elég lenne. Windows 8.1 asztali számítógépen lenne másodlagos kijelző, hogy mehessen egyéb tartalom is, miközben valamit csinálok...
mellékelnek-e ehhez USB és HDMI kábelt is, vagy ezeket külön kell megvennem hozzá? Ha igen, akkor kb. milyen hosszúak a kábelek?
(#) Bakman válasza Udvari Zsombor hozzászólására (») Nov 8, 2020 /
 
Mellékelnek hozzá két rövid, kb. 20 - 20 cm-es kábelt is.
(#) Gabó válasza Udvari Zsombor hozzászólására (») Nov 8, 2020 / 1
 
Ennyi pénzért már lehet kapni normális méretű monitort is, és nem kell egy bolha méretű kijelzőn nézegetni amit akarsz.
A hozzászólás módosítva: Nov 8, 2020
(#) Udvari Zsombor válasza Bakman hozzászólására (») Nov 8, 2020 /
 
Köszönöm. Utolsó kérdésem. Mi az USB kábel típusa? (pl. USB-C)
A hozzászólás módosítva: Nov 8, 2020
(#) tbarath válasza Gabó hozzászólására (») Nov 8, 2020 /
 
Ennyi pénzért akár több normális méretű monitort is lehet venni. Most néztem meg egy árlistát (nem akarom reklámozni a bolt), bruttó 9 körül kezdődnek a monitorok, 20" fölötti az összes. OK, használt, szépséghibás, meg minden, de akkor is.
(#) Udvari Zsombor válasza tbarath hozzászólására (») Nov 8, 2020 /
 
Ha már a HEStore-tól rendelek, akkor miért ne? Úgyse kell nekem "HD", alacsony felbontás is teljesen megfelel (videókat is csak 480p-ben nézek).
(#) Lamprologus válasza Udvari Zsombor hozzászólására (») Nov 9, 2020 /
 
Na álljon meg a gyászmenet!
Az előző hozzászólásokban ezt ígérted:
Idézet:
„Utolsó kérdésem.”
(#) pucuka válasza slimcolt hozzászólására (») Nov 9, 2020 /
 
Én még sohasem láttam SMD antennát, (ahhoz öreg vagyok) de az adatlapokból nekem az jött le, hogy ez az SMD valami, csak egy antenna illesztő. Csak az nem világos, akkor miért nem annak nevezik, ami. Ha az antenna lenne maga, akkor az SMD után nem lenne semmi, pedig az adatlapján látható módon van. Az a sugárzó rész. Azt nem tudom, hogy ez az SMD micsoda sugároz-e valamit, valószínűleg igen, mert a szabad terület felett van, sokkal inkább tűnik valamiféle felületi hullámszűrőnek, mint antennának.
Jó lenne megismerkedni vele, de ahhoz egy jó kis labor kéne.
(#) Bakman válasza pucuka hozzászólására (») Nov 9, 2020 /
 
Lehet SMD antennákat kapni, pl.: Bővebben: Link vagy Bővebben: Link. "Csak" az 50 Ω-os illesztést kell megoldani.
Következő: »»   3528 / 4047
Bejelentkezés

Belépés

Hirdetés
XDT.hu
Az oldalon sütiket használunk a helyes működéshez. Bővebb információt az adatvédelmi szabályzatban olvashatsz. Megértettem