Fórum témák
» Több friss téma |
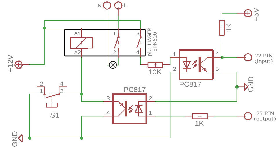
Bocsánat igen azt le felejtetem a rajzról(10-es PIN 3,3V-ra egy 10K ellenállással)
Az impulzusrelé vezérlése hálózati feszültségű lesz nagy valószínűséggel így is kellene zavarvédelem oda?
A másik érintkezőpártól, a behúzótekercstől, az oda tartó hálózati vezetékektől, valamint magától a 3.3 V-os vezetékektől is lehet zavar a rendszerben. A 3.3 V-os vezetékek, mint egy antenna fog viselkedni. Ha nem megszakítással olvasod ki a relé állapotát, kevesebb gondod lesz.
A 10 kΩ első pillantásra is kevésnek tűnik, erősebb felhúzást használj, menj le legalább 1 kΩ-ig. Az igazi az optocsatolós leválasztás lenne, egy LED-et már nem tud felvillantani akármilyen zavar.
Egy picit átalakítottam és bővítettem.
A PC817-et ki lehetne cserélni még LTV827-re így kevesebb elemből állna
Hello! Az alsó opto tranyó kollektor-emittere fordítva van. Meg kell nézni az opto CTR paraméterét, hogy megtudja-e húzni a relét ekkora diódaárammal..
A jobb oldali optocsatoló LED-jének ellenállása is határeset, inkább 1 kΩ körülit válassz.
Sziasztok!
Lehet volt már valahol a fórumon, de nem tudom hogyan kéne keresnem... Szóval egy elektronikát vagy relét szeretnék, ami két impulzus bemenetről kapcsolna egy kimenetet, úgy, hogy az egyik bemenet csak bekapcsolni tud, a másik pedig csak kikapcsolni. Alsó felső szintérzékelő használatával szeretnék vezérelni egy mágnes szelepet, ezzel a módszerrel kizárandó a hullámzás miatti több impulzusból adódó ki-be kapcsolgatás problémáját. Segítségeteket köszönöm.
Hello! Alapvetően egy RS tárolóra van szükséged, amit számtalan módon lehet megvalósítani. De erre a feladatra, már készült komplett áramkör is, itt.
Azt elfelejtettem írni, hogy magával a relével is lehet öntartó kapcsolást készíteni, ha ezt az áramkört kerested volna..
Olyan DIN -es relét keresek, ami figyeli, hogy van-e feszültség a hálózaton.
Áramszünet esetén behúz és egy szünetmentessel megtáplált szivattyút elindít. Hogy keressem?
Bármilyen, hálózati feszültségről működő relé, amelyiknek van NC érintkezője.
A behúzótekercs a hálózatra kötve. Amíg van feszültség, addig a relé behúzva, az NC - COM érintkezők nyitva. Áramszünet esetén a relé elenged, az NC - COM érintkezők zárnak.
A biztonság kedvéért egy időrelét még javasolnék a konfigba, mer a rövid idejű áramszünet rángatja majd a rendszert.
Ami szintén beesik, ha a hálózat beesik. Ez ellen talán egy adapter után kötött jelfogó lehet jó megoldás, egy jó nagy pufferkondenzátorral. Bár némely adapter is elég sokáig tartja a kimenő feszültséget kis fogyasztás esetén, igy az utólagos kondenzátor akár el is maradhat..
A hozzászólás módosítva: Júl 4, 2020
Egy meghúzás-késleltetésű relével, amely a tápfeszültséget a szünetmentestől kapja, és egy kis relével, amely a hálózatra van kötve, megoldható a késleltetés. Viszont kevés adat van, nem tudni szükséges és elégséges feltételeket.
Sziasztok,
olyan sínre szerelhető 220V relét keresek, ami egy adott impulzusra bekapcsolja és a következő inpulzusra kikapcsolja, illetve olyat ami ez egyik érzékelőn történt impulzusra be a másikra ki kapcsolja a vezérelt áramkört. Hogy keressem? A hozzászólás módosítva: Aug 26, 2020
Az elsőt impulzus relének hívják, a másikat pár reléből össze lehet rakni. Utóbbihoz az öntartó áramkör kell, ahol a nyomógombokat egy-egy relé helyettesíti. Már ha nincs ilyen készen, ezt nem tudom.
Sziasztok
Egy szauna vezérlőt szeretnék építeni és a cekász kapcsolóval kapcsolatba lenne egy kérdésem. Amit tudni kell: 380V betáp, 3x2000W teljesítmény. Fázisonként szeretném vezérelni és a következő relét gondoltam: 5V-ról vezérelt vagy 12V-ról vezérelt. Elviekben tudja kapcsolni a szükséges áramot de nem tudom, hogy hosszú távon mennyire lesz stabil. Szívesen fogadnék véleményt vagy ötletet. Előre is köszönöm
400V van már régóta
...ha a "cekászok is "380V"-oltosak, akkor kevés a 250Vac-t bíró relék.Ha 3x230V-osak, akkor bekapcsoláskor "hidegen", 10A-nál is több lehet a pillanyatni áramfelvételük.
Igazad van bocsánat, 400V. A cekászok egyenként kapcsolhatóak, a fázisok külön vannak cekászonként és a nulla van gyűjtve egy pontba. Szóval lényegében 3 cekász van benne 3x230V-oltosak és szeretném hőmérséklet függvényében ki illetve bekapcsolni egyesével.
Az a 10A-nál is nagyobb áramfelvétel mit takar? 12 vagy16A?
Most leltem a következő relét, ez már jó lehet? Bővebben: Link
Én is néztem az SSR-ket csak nagy helyet foglal, a csattogás nem zavar (bocsánat, a klattyogás, a csattogás már igen) de szükség szerint az ár sem annyira. 3 fázisra azért már 5000 Ft felett van per darab. Arra is gondoltam, hogy kintről meghozatom de az is idő és nem biztos hogy idén még megérkezik.
A hozzászólás módosítva: Okt 27, 2020
Meggyőztél, ideiglenesen megrendeltem a reléket amit utoljára linkeltem és ebay-ről az SSR-ket az itthoni ár töredékéjért.
Köszönöm a segítségedet.
Még lehetne ezt tovább ragozni...: Bővebben: Link
A helyi sörfőzőben is 3db digitális kijelzésű kütyükkel állítják be a 3 nagyteljesítményű cekászok teljesítményét...0-100% közötti állítható. Bár nem írtad le, hogy automatán(termosztát) vagy csak manuálisan óhajtod távolról kapcsolgatni a cekászok tápját... A hozzászólás módosítva: Okt 28, 2020
Nagyából úgy épül fel a dolog, hogy egy PIC figyeli egy DS18B20 segítségével a hőmérsékletet egy HMI-n megjeleníti illetve itt kezelhető is a dolog és hőmérséklet függvényében kapcsolom a cekászokat majd a kívánt hőmérséklethez közelítve egyesével lekapcsolom mindet. A teljesítménnyel egyenlőre nem akarok játszani (bár nem rossz ötlet) amíg ki nem tapasztalom, hogy mennyire szükséges a 6m3-hez a 6kW teljesítmény. Amennyiben erős lesz a túlfűtés, lehet elkezdek valami hasonlóval kísérletezni de még egyenlőre építkezek, még sok apróság van hátra, mire be tudom izzítani a cekászokat.
Én is egy hasonló kapcsolást szeretnék készíteni szaunához.
Egy 3kW-os cekász esetén kell számolni az SSR melegedésével? Kell hozzá hűtőborda?
Kiszámolod az átfolyó áramot és megnézed, mit ír az SSR adalapja.
Szia
A borda felszerelése erőssen javallott. Az ebay-n 6400Ft-ért rendeltem a 3SSR-t és a 3 bordát. szerintem ez elviselhető és legalább biztos. Amúgy korábban készítettem SSR vezérelt elektromos kazán (3x2000W) és ott is kellemes meleget ad a borda, szóval, igen kell.
Sziasztok. Segítségre lenne szükségem. Adott egy kínai szivattyú öntözéshez, ami a beállított idő alapján kapcsol egy DC 5V-os szivattyút, az eszköz betápja usb fali adapter. Ezt ki szeretném egészíteni egy 12V-os kiegészítő szivattyúval, amikor a programozott időszakra bekapcsolna a másik szivattyúval együtt. Próbáltam DC-step up konverterrel, de gondolom kevés a kakaó, a gyári szivattyó betápjára ment a DC stepUp, onnan meg a 12V szivattyúra. De a 12V szivattyú bekötése esetén a konverter előre beállított feszültsége leesik 3V-ra. Ki mivel oldaná meg? Relézni kellene?
A válasz függ a szivattyúk felvett teljesítményétől. Amíg ezt nem árulod el, addig csak barkochbázni lehet. Sokat segít, ha azt is felfeded, milyen vezérlőről van szó.
A hozzászólás módosítva: Nov 24, 2020
|
Bejelentkezés
Hirdetés |






...ha a "cekászok is "380V"-oltosak, akkor kevés a 250Vac-t bíró relék.




