Fórum témák
» Több friss téma |
Mielőtt kérdezel, a következő két dolgot ellenőrizd!
I. A helyes tápfeszültségek megléte.
II. A kimeneten van-e egyenfeszültség.
Élesztés.
Köszi!
Persze nézegettem az adatlapját is.. Fura , hogy több kapcsolásban is 350-400 volt feszt kapnak a rácsok a vezérlőrács kivételével!
Üdv!
Az MTP3055 NFET-et mivel tudom helyettesíteni? Az IC-t látom TL072-vel helyettesítetted.
Konkrétan IRF530 került beültetésre, de ennek egyetlen oka, hogy ez volt a fiókban. Bármi lehet ami N-es és a relé áramát elviseli.
A műveleti erősítő is szabadon helyettesíthető.
Ok. Köszönöm!
A hozzászólás módosítva: Jan 13, 2021
Üdv! Még egy utolsó kérdés. Mindent találtam kivéve 10M Ohm ellenállást, de van 1M Ohm-os. Ha a kisebb értékűt használom, akkor a C4 kondenzátor kapacitását megemelve mondjuk 470 vagy 1000µF-ra, működhet a dolog?
Igen működik, az időzítés az ellenállás és a kapacitás szorzatával arányos.
Szia!
Egy kis pro és kontra: Igaz, hogy GU50 segédrács feszültsége maximum 250V az adatlap szerint, de ne felejtsük el, hogy ott van hozzá közel a harmadik rács, amit pentóda kapcsolásban katódpotenciálra kötnek. De trióda kapcsolásban ez a rács is anódpotenciálra kerül, tehát csak a vezérlőrács közelsége lehet gond. Ez viszont úgy látszik az építők szerint, hogy simán bevállalható. Kontraként viszont megemlíteném, hogy az SE végerősítő ha 450V anódtápról üzemel, az ideális esetben 900V csúcsfeszültséget jelent az anódon. Ráadásul ilyenkor a vezérlő rács éppen a legnegatívabb, amihez a bias feszültség is párosul, ezért a cső első és második rács között akár 1000V is lehet. No ez már nem piskóta.
Üdv!
Megépítettem, de valami gond van. A bekapcsolás pillanatában behúz a relé, úgy hogy nincs rajta vezérlés. El soha nem enged, amíg le nem kapcsolom. Az áramfelvétel 50mA köröli.
Mérd meg a műveleti erősítő lábain a feszültséget!
A reléd hány Ohm-os?
Sziasztok . T.amp ta 2400 . Ról lenne kérdésem. Hozzám került egy viszint ,,fehér zajos " sistergő ciripelő hang hallatszik belőle. Kondik mind újak ! Elkó szűrök egyaránt. A kapcsolási rajzon van egy R117 es egy C33 rc tag. Gyárilag be sincs ültetve. Ez okozhat e ilyen problémát. Másik kérdés a rajzon CD12 polarizált elkó. Benne viszont bipoláris volt . Én polarizáltat tettem . Ez okoz e ilyen gondot ?Bővebben: Link
Ic 4 és 8 között 12,8V.
1-es:12,1V 2-es:4,65V 3-as:6V 7-es:1,44V 6-os12,1V 5-ös 5,66V A testhez viszonyítva mértem a műveleti erősítőket. relé: JS1-12V-F, Ha jól nézem 400Ohm Ha a c4 kondit leveszem, akkor a relé nem húz be, viszont ha hozzáérek a FET G pontjákoz akkor elkezd kerregni persze levett kondival.
A D1, D2 diódának 1N4007-et használtam, esetleg az lehet gond?
A 2-es lábhoz tartozó elkót rossz polaritással ültetted be.
Nyák meg kapcsrajz szerint is helyesen van benn.
Amit még észrevettem, ha kézzel kisütöm a C4 kondit az áramkör beindítása után, akkor a relé bont és bontva is marad. A bemenetre kapcsolt jellel vissza be tudom kapcsolni a relét de nem bont újra soha.
A C2 kondenzátornak fel kéne venni az 1-es láb feszültségét. Vagy szivárog és cserélned kell, vagy szennyezett a panel és ott kúszik el az áram. Az 1 és 2 lábaknak követni kell a 3-as láb feszültségét. Amíg ezt nem rendezed, nem működik helyesen.
Sziasztok!
Van egy régi, 1987-es sztereó erősítőm (luxman lv 100). Nekem nagyon tetszik a hangja, szép tiszta, kicsit se sistereg vagy búg, kellemes hangja van, teljesítménye bőven elég, szinte még sok is a szobába, viszont van vele egy kis "probléma": távolról nem lehet vezérelni, standby funkciója sincs. A bementeket is csak az erősítőn lévő gombokról lehet váltani. Létetezik valamilyen okos eszköz, amit a TV távirányítójával, saját távirányítójával, okostelefonnal lehet vezérelni? A kikapcsolás és a bemenetváltás lenne a legfontosabb, hangerőt a TV-n is lehet szabályozni. (Ez adna az erősítőnek tápfeszt és RCA kábelen keresztül jelet) Esetleg újonnan létezik TV-hez olcsóbb, de mégis tiszta hangú erősítő? Nyilván nem kell audiofil legyen, 2x15W is elég, de ezektől a 2.1 Genius, Somogyi szettektől megkímélném magamat. 20 ezer ft-nál többet nem szeretnék rákölteni. Ahogy elnéztem a használt piacot, ami tudja ezt a funkciót vagy nincs meg a távirányítója, vagy 50-60 ezer ft fölött vannak. TV-n és TV okosítón (Xiaomi mi box s) HDMI, optikai és jack csatlakozók vannak.
Sziasztok! Próbálok megoldást keresni, de nem vagyok szakember csak lelkes hobbysta. Adott egy Akai AM-U310 erősítő. Amennyire látom gyári állapotban, talán valamikor a végfok IC ( valamelyik STK típus) cserélve lett már, de nem tudom,mert már ebben az állapotban jutottam hozzá. Amire megoldást keresek az egy hol halkabb,hol kicsit erősebb, kis mértékű torzítás a magas hangok tartományában. Először hangszóró problémára gyanakodtam, de azt már ki lehet zárni. Nem akarok felelőtlenül és esetlegesen felesleges kondenzátor cserélgetésbe belekezdeni.
Sziasztok!
Egy projekt miatt előkerült néhány TPA3118 modul. A master/slave szinkron miatt teszteltem ezt az opciót, mert úgy szeretném szinkronban üzemeltetni a modulokat, hogy a gnd nem közös. Vagy transzformátoros csatolással, vagy egy külső mester oszcillátor bevetésével. A moduljaim 400kHz körüli kapcsoló frekvenciával dolgoznak, és ilyen szapora rezgésen a gyári ajánlás szerinti csatolással ami 10kOhm és 1nF, -30dB jelcsökkenéssel csatlakozok a master a slave IC-hez. Ez nagy csillapítás, valami nem kerek. Hát persze. A szinkron jel nem a 400kHz, hanem a negyede. 100kHz esetén már nem akkora a csillapítás, simán billegtethet egy hiszterézises cmos kaput. Ezek szerint ha 400kHz kapcsoló frekvenciával szeretnék üzemeltetni kettő vagy több TPA3116/18 IC-t, akkor mester órajelként 100kHz-et kell használnom. Másik észrevétel. Az erősítést, és az üzemmódot egy ellenállás osztó határozza meg, de nem lehet üzem közben váltani, mert az IC feszültség alá helyezéskor beolvassa az osztó állapotát, majd a tápfeszültség megszűnéséig ezt az állapotot tartja meg. A tervem egy sorbakapcsolt hidalt végfok, ami azt jelenti, hogy ebből az olcsó modulból két lebegő táppal 100Vpp kimenő feszültségű erősítőt építek egy 8 Ohmos mélysugárzó meghajtására.
Szia! Ilyen korú készüléknél a kapcsolók és potenciométerek érintkezése messze jár az ideálistól, járasd meg a kezelőszerveket!
Sziasztok!
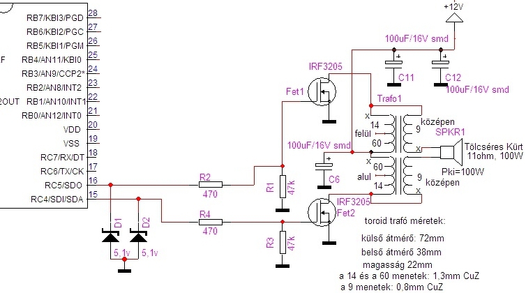
Amatőr kérdésem lenne, ha nem baj ![]() Sziréna erősítő végfok résszel kapcsolatos, van egy működő áramköröm (Watt féle 100W-os sziréna kapcsolás), amit meg szeretnék változtatni. Az eredeti, csatolt képen is látható végfok részt kellene picit módosítanom, mivel egy másik PIC lenne rákötve. Egy bibi van csak, hogy ennek a másik PICnek csak 1db kimenete van. (Nem értek a programozásához, meg le is van védve kiolvasás ellen) Gondolom kellene valami kis illesztő, amin keresztül meg lehetne hajtani a dupla FET végfokot. Mi lenne célszerű idetennem? Köszönöm szépen a segítséget!
Üdvözlet
Hűtőbordámon van 1-2 menetes lyuk ami rossz helyen van. Valakinek van bevált ,egyszerű javítási módszere ? Pl :Vas csavart beleragasztok?
A Zener-ekre nincs szükség a CMOS IC bemenetén.
Elnézést, kicsit elkapkodtam... így jobb lesz.
Nagyon szépen köszönöm a segítséget!
Mit jelent a javítás? Szeretnéd a lyukat befoltozni? Nincs szükség rá, el van a lyuk ott, akár a tranyó alatt is, de ha nagyon akarod a megfelelő méretű alu szegeccsel be lehet tömni. A lapka hőmérséklete ettől még ugyanúgy a vezérlés ütemében változik. A fűtött katódé nem.
Utólag még eszembe jutott, hogy nyilván nem mindig szirénázik ha tápfeszültség alatt van. Az egyik FET viszont ilyenkor is nyitva van és le fogja égetni a trafót, ezért a tápot le kell kapcsolni a CD4093-ról.
|
Bejelentkezés
Hirdetés |

















