Fórum témák
» Több friss téma |
A klónok CH340 Soros-USB illesztőjének drivere (Letöltés)
Csak átfutottam gyorsan, nem számoltam vissza a timert. Ha annyi, akkor annyi
Az ICR1 regiszterbe írt értékkel tudod változtatni a frekvenciát.
De a tömb, ami a timer kitöltési tényezőjét állítja, 1600-as ICR értékhez használható. Ha például csökkented a frekvenciát és beírsz az ICR1 regiszterbe 3200-as értéket, akkor a tömbben definiált értékekkel nem tudsz elérni 100%-os kitöltési tényezőt, hanem csak 50%-ot, mert 3200-as ICR1 értékhez 3200-as OCRx érték lesz a 100%. Tehát minden frekihez más értékeknek kell lennie a tömbben. Tudom, hogy a hardver csere a gyengék fegyvere, de egy LGT8F328D-vel ez az egész könnyebben megoldható lenne, mert van benne 2 darab 8 bites DAC. Arduino IDE alól használható és olcsó is. A hozzászólás módosítva: Máj 19, 2021
Valahol van egy az említett típusból de valamiért oprendszer csere óta nem látja a gépem....
Még azt is meg lehetne oldani, hogy a timer1 működik ugyanilyen frekvenciával, mnt most és a táblázat tökéletes lesz. De a megszakítást, ami a frekvenciát állítja, azt átdrótozni a timer2-re. Sajnos, az csak 8 bites, ezért vélhetőleg nem tudod majd olyan finoman állítani a frekit. Ha szükséges a freki nagyon finom állítása, akkor át kell állni olyan MCU-ra amiben van 2 darab 16 bites timer. (atmega328pb, lgt8f328p, esetleg atmega2560)
Elvileg akkor lényegében elég lenne a "táblázat" beolvasási sebességét változtatnom , minden más maradhat ugyan az?
Megpróbálom az LGT8F328P-t üzemre bírni amint hazaérek melóból.
Az 1-es timert ugyanazokkal a paraméterekkel kell indítani, mint eddig, de a megszakítást nem kell beállítani. A megszakítást LGT8F328P esetében a 3-as timerre kell beállítani, aminek a frekijét kell állítani ugyanabban a beállításban (fast pwm). Ahogy növekszik a freki, úgy egyre gyorsabban változtatja a kimenetén az 1-es timer a PWM jelet.
Ha meg LGT8F328D van otthon, akkor ott egészen más program kell, mert ott a DAC csinálná a szinusz jelet a kimeneten.
Egyenlőre még gondolkozok akkor mert a program módosítása elég nehézkesen megy.
Szia, nem sikerült végül az LGT-t működésre bírni, az alapprogram fut a gép látja de programozni nem tudja, még ICSP-n keresztül sem.
Nem tudom milyen lapkád van, de ha nem bootloaderen keresztül akarod programozni, akkor a "larduino hsp" kulcsszóra keressél rá.
Szerk: illetve a "larduino isp" kulcsszóra is. A hozzászólás módosítva: Máj 20, 2021
Két dolog kell hozzá: az alaplap felvétele és a könyvtárak telepítése.
Ezen az oldalon megvan hozzá minden. Gondom volt a könyvtárak telepítésével az Arduino/library mappába, ami a mellékelt ábra szerint már működik.
Próbálkoztam egy ideig, havertól kölcsönkértem az övét az egyből megy, ergo ez a lap hibája lesz, mivel az enyém nála se megy...
A telepítés jó lett de a lap lehet hibás. Annyi még hogy esetleg MSP430 van G2553-as procival.
Ha korrekt frekvencia változtatást szeretnél, akkor ne megszakítással időzített tábla kiírásban gondolkodj, hanem a pollingolás (loop) ágba tedd. Az előnye, hogy sokkal nagyobb frekvenciát is elő lehet állítani, hátránya, hogy minden módosítás után újra ki kell számolni a loop ciklus idejét.
De ha ez nem megy, akkor a másik tanács, hogy a megszakítást a legnagyobb frekvenciához tartozóan állítsd be, majd ezen belül egy frekvenciából számított érték fogja meghatározni, hogy az adott megszakításban a tábla melyik értékét kell kiírni, így nem kell a megszakítás számlálóját változtatni.
Szia, a maximum olyan 150Hz környéke lenne, korábban gondolkoztam a 400Hz-en is ami az itthoni egyik 3F frekiváltóm csúcsa, de letettem róla, révén 1F motornál ez elég komplex feladat lenne, és egyenlőre ezt ilyen tanulmányi projectnek szántam.
Ha a loop-ba rakod, azzal 1K fölé is el lehet menni 256-os táblával. Cserébe már nem lesz elég időd az analóg port olvasására, viszont encoderrel megoldható a gyors változtatása a frekvenciának.
Az ADC lassú, de szerencsére elboldogul egyedül is.
El kell indítani a mintavételezést, és nem pollozni a ready flaget, hanem interruptot tenni rá. Mikor készen van, akkor az ISR-ben kiolvasni, beállítani a következő csatornát, és indítani. Így a main loop minimális zavarásával mindig lesz ADC adat.
"Annyi még hogy esetleg MSP430 van G2553-as procival."
MS430G2553 esetén vigyázni kell a PWM-mel, mert nincs kettős bufferelés, azaz a kitöltési tényező beírását szinkronizálni kell. Ha "lekésed" a kis kitöltési tényező beírását, akkor egy egész periódusra bekapcsolva marad a kimenet. Amúgy neked nem egy analóg VCO áramkör kellene inkább?
Nrm, frekvenciaváltót akar késziteni villanymotorhoz.
Ez elvileg jó, csakhogy a polling időzítésnek az a lényege, hogy mindig ugyanannyi a ciklusidő. Ha időközönként beleveszünk egy érték beolvasást, akkor már nem lesz azonos. Ezt lehet korrigálni azzal, hogy amikor nincs még új érték az ADC regiszterben, akkor üres ciklusokat hajtunk végre, de ezzel késleltetjük feleslegesen, amivel a felső határfrekvenciát hozzuk lejjebb. A kérdés, hogy ez mennyire számít. Viszont ha enkóderrel változtatunk értéket, akkor csak az egyik fázis le- vagy felfutó jelére lesz a loopban késleltetés.
Hát ami biztos rendesen összezavarodtam, van itt aki komolyabban ért az arduino programozásához, én annyira nem teljesen, így ezért is komolyabb bonyodalom nekem egy program megírása erre a platformra.
Ami biztos hogy a jelenleg működő programmal legalább annyit elértem hogy nem nyit össze semmi IGBT, így végül elválasztón keresztül kapott 320V egyenfeszültséget a híd és egy mosógépmotor (320W-os régi Hajdu motor) szépen ment, és erő is volt benne, ezt már viszonylagos sikernek könyvelem el. A kérdés további része hogy kiként tudnám változtatni az alap frekit úgy hogy a motorom akár egy 10Hz-120hz között is forgatható legyen? Utánna olvastam és arról amit korábban írtam hogy 150Hz -et is kicsit már sokallom azok után hogy a kondenzátorosoknak nehezebb a szabályozása, ha a segédfázison marad a kondenzátor.
Még azt is vedd figyelembe hogy 50Hz alatt a feszültséget, azaz a max pwm kitöltést is arányosan csökkenteni kell.
Igaz, mivel 50hz alatt a motor feszültségfelvételét csökkenteni kell mert leég....
Ezt a programot Githubon találtam ( Link ) , ezen már tudom változtatni a PWM frekijét, az viszont jó kérdés hogy a kimeneti freki mekkora? Ami másik fura hogy a szkópon néha mintha nem ellenfázisú jelet mutatna hanem azonost? Ez lehet a szkópom egyik mérőkábelének hibája is de lehet a kódé, az előző fix 50hz-es kódnál stabil volt a képem, itt ugrál kicsit.
A0 a bemenet a potmétertől 10-13-as láb az SPWM jel kimenet, elvileg ellenfázisban egymással.
Sziasztok!
Szeretnék egyszerre több eszközt programozni arduinoval. Blue-pill, Black-pill, ESP. Megoldható hogy egy sketch betöltésekor jöjjenek a beállítások, hogy ne kelljen mindig újra írni? Köszi Szabolcs
Hali! Gondolom nem szó szerint egyszerre, hanem egymás után
![]() Én úgy csináltam hogy több arduinó van különböző mappába téve portable változatban (kell egy portable mappa bele, és abba bele a preferences.txt) Minden telepített arduinónak saját külön indító parancsikonja van a saját project mappámba téve. Igy a megfelelő parancsikont indítva a hozzátartozó beállítások a preferences.txt-ben megmaradnak, sajnos menüből kell az ino fált megnyitni, vagy rendszeresen szórakozni a win-ben az ino fájl társítással az aktuális arduinóhoz. Külön csináltam az esp32-nek, az esp88266-nak, és a 3d nyomtatómnak... a library-k így nem vesznek össze A hozzászólás módosítva: Máj 25, 2021
Sziasztok!
Valaki alkotott már valamit az AS3935-re épülő villámdetektorokkal? Nem vagyok képben, melyik lib melyik panelhez való, kb. mindenki módosított valamit rajta akinek valami megoldása fellelhető. Ami eddig megy: Ez egy CJMCU-3935 AS3935 lap. A Digispark hangoló progijával (és libbel) fel tudom éleszteni, megy is 500kHz környékén. Egy másik megoldás (másik libbel) kódját feltöltve működik is amíg nem veszem el a tápot. Újraindítás után nem indul el, semmi életjel. Megint hangoló progi és működik, de ez terepen kivitelezhetetlen, a telepítés helyére évente megyek, jó lenne ha egy ott élő ismerős cserélni tudna benne mondjuk akkut ha az tönkremenne. Eddig a körítés, valójában tapasztalat érdekelne, ki mivel oldotta meg? (ha nem marad más, akkor megismerkedem mélyebben a lelkével, de épp mással vagyok elfoglalva)
500kHz nem egy jó választás ... mellette zörög a Kossuth ...
500kHz az egyetlen választás, lévén mellette zörög és nem ott. Néhány napig kutakodtam, hogy mit merre és miért, az AS3935 adatlap 500kHz±3,5%-ot nevez meg működési frekvenciának, mert ezen a sávon nincs aktív adó (már a közvetlen környékén is alig). Ennek ismeretében építették ezt a csipet, így ezt nem én döntöm el és elég találat van a neten a működésére. A két kondit lecseréltem 680pF és 270pF-re, azóta ±2%-on belül tudom hangolni, tehát akár hangolás nélkül is tartományban van. Tegnapelőtt voltak villámok is, észleli is a próbapanelen, ez már jó is lenne. Most ahogy elnézem, meg kell ismerkedjek valamelyik libbel és meg kell írjam a sajátom, mert amint írtam, ami jó lenne az reboot után nem kel életre valamiért (mondjuk nem is ehhez a modulhoz írták a libet, hanem SparkFun (rossszul Digisparknak írtam korábban) vagy PWFusion. Nem értem a miértet, de ha nincs kész megoldás, akkor összehozok egyet. A cél a kimeneten egy buzzer, amit resetelni lehet, akár egy reboottal, akár egy gombnyomásra. Talán egyszer a jövőben lekapcsolhatja az egész műhelyét az ismerősömnek, aki elég gyakran szenved villámkárt, de addig még tesztelni kell). Amúgy nagyon korrekt kis holmi és elég bolondbiztos.
A hozzászólás módosítva: Jún 6, 2021
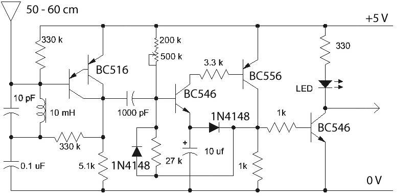
Ha van hozzá kedved, próbáld ki a mellékelt analóg villámdetektort. Az időjárásjelzőmben dolgozik egy ilyen, nekem nagyon bejött. Mivel zavart is összeszedhet, ablakos figyelést kell programozni hozzá. Nálam akkor figyelmeztet, ha az elmúlt öt perc alatt öt vagy több jelzés érkezett a detektortól.
Igaz, lakóházak közelében megvan a veszélye a téves riasztásnak is. A szomszéd valamit hegesztett az udvaron tegnap. A lekapcsolást nem bíznám rá.
Jól néz ki a grafikon! Nem nagyon szeretnék már panelt építeni csak ha nagyon muszáj, levegőben meg sosem szerettem építkezni, de mindenképp meggondolandó!!!
|
Bejelentkezés
Hirdetés |













