Fórum témák

» Több friss téma
Fórum » Motorgyújtás
 
Témaindító: Peti.Janka, idő: Nov 2, 2006
Lapozás: OK   25 / 206
(#) mex válasza chiefyeager hozzászólására (») Júl 1, 2008 /
 
Igen ez elég sok időt felemészt.
A babszi mágnesnek egyébként másik jeladót kellene késziteni,ezzel együtt új alaplapot is...
(#) chiefyeager válasza mex hozzászólására (») Júl 1, 2008 /
 
Ezt kifejtenéd? Tuom a múltkor számolgattad, hogy nem nagyon lehtne vele sokat állítani.

Amúgy itt van a nyákterv. Kis módosítással a jeldó résznél, gondolom nem gáz, hogy 1N4148 van a BY299 helyett.
(#) mex válasza chiefyeager hozzászólására (») Júl 1, 2008 /
 
Nem biztos,hogy jó ötlet volt az 1N4148. Lehetnek ott kóbor tüskék is,csak idő kérdése mikor üt át záróirányban.
Ami a jeladót illeti: olyan U alakú vasmagot kell késziteni aminek a két szára egymástól~15°-ra van a babszi mágnes kerületéhez viszonyitva. Tegyük fel a jeladó kis mágnese odaér a forgásirány szerint közelebb eső vasmagszárhoz,és itt generál egy pozitiv impulzust,majd továbbhaladva eléri a másik szárat aholis természetszerűleg a negativ impulzus fog generálódni. Az impulzusok polaritását a tekercskivezetések cseréjével tudod megforditani,ha esetleg szükség lenne rá. Ez a két 15°-ban eltolt impulzust aztán már felhasználhatod a szabályzásra-mondjuk a korábban feltett kapcsolások valamelyikében.
(#) chiefyeager válasza mex hozzászólására (») Júl 1, 2008 /
 
Tehát mégsm jó az a 4148. Esetleg valami más hasonló méretű gyorsdióda?

Hmm, így belegondolva nem is tűnik olyan megvalósíthatatlannak az a vasmag. Gondolom valami lemezelt cucc kellene oda is...

(#) mex válasza chiefyeager hozzászólására (») Júl 1, 2008 /
 
BA 157-8-9 közül bármelyik.
Igen lemezelt vas kellene,ezt alkalmas méretű zsebrádiótrafóból a legkönnyebb kialakitani,bár én sk.reszeltem egy hasonló magot....
Tekercsmenetszám nem kritikus max 1000...
A bemenetet legjobb ha megvéded zenerrel.
Ha kialakitottad a felfogatását érdemes a tekercs köré egy sablont késziteni és műgyantával nyakonönteni.
Igy gyakorlatilag örökéletű a cucc.
A kivezetéseknél viszont nagyon ajánlatos a huzal anyagát összesodorva,majd ezt még egy 0.5-0.75 keresztmetszetű vezetékre kötve kihozni,mert az álltalam javitott jeladóknál 99%-ban ez volt a kontakthiba forrása.
(#) simsonos_dodi hozzászólása Júl 1, 2008 /
 
Helló!

szeretnék tölletrek kérdezni valamit!Volna egy honda dio gyujtásom malossi elektronikával, de nem tudom hogyan kel mit hova köti!nem tudtok ebben segíteni?
(#) simsonos_dodi hozzászólása Júl 1, 2008 /
 
Helló!

Nem tudja valaki a honda dio kapcsolási rajzát?
(#) simsonos_dodi válasza (») Júl 1, 2008 /
 
tudnál segíteni?
(#) chiefyeager válasza mex hozzászólására (») Júl 1, 2008 /
 
Hi

Remélem jól értelmezem.

Elméletileg: van egy egyenes vasmagom, amire tekerek x menetet. Ezt az egyenes vasmagot hajlítom meg U alakban igaz? Tehát kapok két egyforma tekercsfelet a két száron. Nem is kell trükközni semmit a tekercselési iránnyal sem.
Gyakorlatilag fogom az U vasmagot, amire úgy tekercselek, mintha egyene lenne. Tekerési irány szempontjából.

Ha jól számolgattam, akkor egy ~10mm szártávolságú U maggal más kiad ~16fokot. (Babszi lendkerék kerülete 219,28mm.) Gondolom a mágnes mérete is befolyásolja a dolgokat, ugyan úgy, mintha szimpla vasmagom lenne.
(#) chiefyeager válasza (») Júl 1, 2008 /
 
Hi

Valami ilyesmi?
(#) simsonos_dodi válasza chiefyeager hozzászólására (») Júl 1, 2008 /
 
a gyujtáselektronik a malossi ami 20,000prm nél tilt le és 5lába van!Az lenne a jó ha az egész motornak a kapcsolási rajza lenne! de nekem elég a feszabájzó és a gyujtás bekötésrajz!Ez az egész simsonon lesz rajta!
(#) chiefyeager válasza simsonos_dodi hozzászólására (») Júl 1, 2008 /
 
Hi

Tudom, találkoztunk sztem a benzinkútnál...

Itt keressgélj hirtelen: motelek.net
(#) simsonos_dodi válasza chiefyeager hozzászólására (») Júl 1, 2008 /
 
ismerjük egymást?Köszi az oldalt!rem megtralálom köszi!Helló!
(#) mex válasza chiefyeager hozzászólására (») Júl 1, 2008 /
 
Ennél jóval egyszerűbb.
Mint már irtam: zsebrádió kimenótrafók,vagy hasonló kisméretű lenezmagos trafót keress,ennek,ha megfelelő a két szélső szártávolsága akkor az E mag középső szárát kivágva máris tekerhetsz rá. Nem kell hajlitgatni semmit. Egyébként meg a tekercset teheted valamelyik szárára is,nem muszály a kettő közé betekerni,mert az jóval macerásabb. De mindkét szárára is kerülhet tekercs,csak a menetirányra kell ügyelni.
(#) chiefyeager válasza mex hozzászólására (») Júl 1, 2008 /
 
Hi

Akkor ezek szerint csak nekem volt világos.

Szóval az egész hajlítgatós mizériával csak a tekercselési irányra próbáltam rájönni. Elkezdem az egyik száron mondjuk fentről lefelé, majd a másik száron lentről fölfelé fejezem be? (Mintha egy egyenes vamagot hajlítottam volna be, persze szigorúan csak elméleti síkon.)

De ha középre is mehet a tekerés, akkor nem szórakozok a két szárral...
(#) mex válasza chiefyeager hozzászólására (») Júl 1, 2008 /
 
Jól gondolkoztál...
Ha két szárra is tekercselsz a menetirány azonos.
Egyébként ha a menetirány azonos akkor nincs jelentősége annak,hogy a második száron a tekerést a vasmag végén,illetve a tövében kezded el.
(#) chiefyeager válasza simsonos_dodi hozzászólására (») Júl 1, 2008 /
 
MOL kút, zöld simson...
(#) chiefyeager válasza mex hozzászólására (») Júl 1, 2008 /
 
Okés, így már kristálytiszta.

Mennyire legyen lemezelt a mag? Elég néhány lemez, vagy minél több annál jobb. (Van egy spéci kistrafóm, aminek kb papírvékony lemezei vannak, de sajnálnám szétbarmolni.)
Gondolom a gyárival megegyező vasmagvastagság már elég nem?
Itt is kell lakkozni bőven igaz?
(#) mex válasza chiefyeager hozzászólására (») Júl 1, 2008 /
 
Ha a mágnes keskenyebb mint a két szár távolsága akkor kettő+ és kettő- jeled lesz...
Éppezért javaslom,hogy a képen látható verziót épitsd meg,ezzel tutira csak 1-1 jelet kapsz. Az anyaga ugyancsak a trafólemez,viszont jóval több menet kell rá:~2000 0.1 huzalból. jól ki lehet alakitani egy megfelelő méretű E magból,ha levágod a két szélső szárát. A magassága a vasmagnak kb. annyi legyen mint a mágnes magassága. Ez tulajdonképp a gyári kivitelű jeladók megforditása,ugyanis ott a forgórészen helyezkedik el a 15° bütyök és a tekercs vasmagja mögött van a mágnes. De igy is működik,ugyanúgy.

Babszi.jpg
    
(#) FREDDI válasza chiefyeager hozzászólására (») Júl 1, 2008 /
 
Szia!

Megnéztem ezt a rajzot, és két alapvető gondot látok rajta:

Az első: a varisztor nem jó helyen van, a D4-es dióda elé kéne legyen kötve. Így gyakorlatilag csak akkor léphet működésbe, ha a diódát már záróirányban átütötte.

A második: a D5-ös diódának a tirisztor mellett kellene lennie pont fordítva, záróirányban a pozitív (trafó szál) felé, védve a tirisztort.

És lenne még egy harmadik is így ahogy nézem, a gerjesztő tekercs felől kéne legyen még egy soros korlátozó ellenállásnak lennie, ami kb. 10 és 50 OHM közötti érték, mondjuk egy watt.

A trafó másik fele elvileg testre kell kötve legyen. Ha így van felépítve nem veri szét a tirisztort, mert most valószínűleg szétverte. És a leállításnak ehhez semmi köze.
(#) chiefyeager válasza mex hozzászólására (») Júl 1, 2008 /
 
Hát a mágnes 5,6 mm széles... Akkor valszeg nem a legjobb az U vashoz.

Marad sztem ez a T alakú. Köszi a tippeket.

Már csak azt kéne megfejteni, hogy simsonnál hogy is kéne állítani az előgyújtást. Honnan, meddig?
(#) FREDDI válasza chiefyeager hozzászólására (») Júl 1, 2008 /
 
Nyilatkozzak a diódákról is? Az sem mindegy.

Egyébként ha így megcsinálod ahogy írtam, szerintem stabil lesz. Próbáld ki! És akkor nem kell variálni. A tirisztort a hibás kapcsolás miatt veri szét, az a csoda hogy nem előbb.
(#) chiefyeager válasza FREDDI hozzászólására (») Júl 1, 2008 /
 
Hi

A varisztor a gerjesztőtekercs feszültségét korlátozza. + és - irányban is. A D4 elé van kötve, ha megnézed a rajzot.

A D5-ös a trafót hivatott söntölni a kondi + irányú töltésénél. Így a kondi a diódán keresztül töltődik, nem a trafón.

A gerjesztővel párhuzamos ellenállást hivatott kiváltani a varisztor.

Több kapcsolást is láttam ezel a nagyfesz topológiával, általában varisztor helyett inkább diódát használnak, hogy a gerjesztő negatív impulzusát megfogják. Ehhez azonban vastagabb huzallal tekert gerjesztő kellene.
(#) chiefyeager válasza FREDDI hozzászólására (») Júl 1, 2008 /
 
Diódáknak BY299-et használtam.

A nyáktervben van egyedül 1N4148, de mint kiderült nem a legjobb megoldás.
(#) FREDDI válasza chiefyeager hozzászólására (») Júl 1, 2008 /
 
Nos a gerjesztőtekercsel nincs semmi probléma, azt nem kell korlátozni, pláne nem egy 400V-os varisztorral!

Amit védeni kell az a tirisztor, méghozzá a gyújtótrafó okozta nagy feszültségimpulzusoktól. és a másik dióda amit írtam a tirisztort kell hogy védje az átforduló feszültségbtől a gyujtási impulzus alatt olyankor az már kikapcsolt állapotban van, de a rezonancia folyik tovább. A BY299 az jol hangzik már, de ott kell legyen ahol írtam. És a betápot sem árt korlátozni legalább egy tíz OHM-mal, mert így a gyújtótekercs (gerjesztést) gyakorlatilag a tirisztornak rövidre kell zárnia ha gyújtani akar, ami bazi nagy áram lehet, és teljesen felesleges vele terhelni, csak feleslegesen kínlódik emiatt és melegszik mint az állat!

Itt egy gyári rajz! Ebbe épp most botlottam bele, mert a programozható (microkontrolleres) gyújtásvezérlő IC-t keresem. Jó nyomon vagyok.

És higgyétek el én értek az elektronikához, egy egyszerűbb rajzra csak elég ránéznem.

Itt egy komplett gyújtás

Nos itt is megnézhetitek hogy van. Ezen a rajzon is be lehet (sőt kell !!!) tenni egy 10 OHM-ot sorosan a D1-el. Némely része a kapcsolásnak túl lassú, azt is módosítani illik. A D4-et ezen a rajzon meg el kell felejteni, az csak arra jó, hogy a gyújtótekercset melegítse a semmiért.

Ha a gerjesztőt fogni akarjátok valamivel, egy diódával sorbakötött 100 OHM elég. Ott nincsenek impulzusok, tehát feszültségcsúcsok sem. Az eredeti megszakítós elrendezésben viszont igen! , ugyan is a gerjesztőtekercs is része a rezgőkörnek, itt viszont a dióda leválasztja és csak egy sima dinamótekercs és kész. A kondenzátor és a gyújtótrafó között rezeg az energia, ugy adja le a szikrát. Ha elhiszed ha nem ez így van.
(#) chiefyeager válasza FREDDI hozzászólására (») Júl 1, 2008 /
 
Tudtommal a gerjesztőtekercset meg szokták fogni valamivel, hogy a negatív félhullám nehogy átüsse a tekercs szigetelését. Ha nincs korlátozva, akkor nagyon megszaladhat a negatív fesz.
Általában diódával (negatív félhullámot söntöli, vastag huzal kell, a gerjesztő melegszik.), varisztorral (mindkét félhullámot vágja, kevésbé terheli a gerjesztőt, vékonyabb huzal esetén), párhuzamos ellenállással (sztem nem a legjobb megoldás, meg melegszik is).

A tirisztornál lévő dióda amiről beszélsz velszeg jó ötlet, de szerintem inkább csak a kondit tölti vissza egy bizonyos szintig. Bár lehet védő szerepe is van.

Akkor ezek szerint te sorba kötnél a gerjesztővel egy ellenállást. Lehet benne valami, de eddigi üzem közben a tirisztor egyátalán nem melegedett. Pedig nincs hűtése. Szerintem sokkal jobban melegedne az a soros ellenállás.
(#) FREDDI válasza chiefyeager hozzászólására (») Júl 1, 2008 /
 
Nem szalad az a fesz a gerjesztőn úgy fel. Te kevered azzal amikor eredetiben van kötve, akkor igénybe van véve több száz voltra valóban, de csak a gyújtási pillanat alatt. Ezért van az, hogy a megszakítós indukciótekercses megoldás olyan érzékeny a párára, most már remélem világos. A gyujtótekercset nem tudja leszigetelni az átüthet, de a trafó az zárt és nem kap párát, ez a különbség.

Így viszont csak egy sima táp, akár egy elemet is tehetsz a helyére és menni fog, próbáld meg! A dióda fesze lejön belőle, ugy hogy legalább hat voltot adj neki. És soros ellenállás legyen egy tíz OHM-os. Persze helyesen bekötve az elektronika, nem a régi kapcsolás, az nem jó! De ha szeretsz tirisztort cserélni hagyd úgy. Nekem mindegy, én nem értek hozzá.

A tirisztor nem melegszik: mert lehet hogy pont olyan helyen gyújt, amikor a tekercs éppen polaritásváltáson van és nincs fesz és ezáltal áram ami follyon, erre nem gondoltál? De ez csak szerencse.

A tíz OHM meg nagyon fog melegedni, mert csak azt az egy mikrot kell töltenie egy teljes fordulat alatt, az aztán hatalmas energia, nemde?

Gyujtáskor pedig a tirisztor testre köti a kondit, a betápot le is lehetne kapcsolni róla. Komolyabb kapcsolásoknál olyankor leveszik a tápot amikor gyújt, csak utána töltik a kondit. A tíz ohm-on meg bőven feltöltődik az a nyomvadt kondi, már az első mágneses áthaladásakor a tekercsnél, a többi impulzus már csak díszítés amíg átfordul odáig hogy ujra gyújt. Nézd meg a linken amit adtam, de én nem onnan tudom. Ott a piros meg a zöld nyíl a rajzon, hogy charge és discharge. a discharge a gyújtás pillanata A töltéshez is csak a soros diódát rajzolta a magyarázó rajzra, mert a másiknak semmi szerepe benne, nem is értem miért zárta az ellenkező fázisban rövidre. Valószínű a mágneses tér lebontásának segítésére, de így csak feleslegesen fűti a tekercset és fékez, száz ohm + dióda azt kabát, hidd el. Rakj egy kétvattost és nézd meg, biztos jó lesz. na ezt a témát lezártam, de azért válaszolj. A kodik a trafóra meg gyosak és legalább négyszáz voltosak (ha kettőből van)
(#) simsonos_dodi hozzászólása Júl 2, 2008 /
 
helló!

Tudtok segíteni honda dio gyujtásbekötésben?
(#) simsonos_dodi válasza chiefyeager hozzászólására (») Júl 2, 2008 /
 
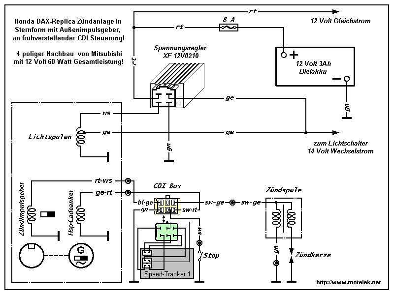
helló mex!

az oldal jó találtam is egy képet!de teljesen német és nem értek semit!nekem csak kéne egy kapcsolási rjaz magyarul mi hova megy?esetleg le tod fordítani?
(#) simsonos_dodi hozzászólása Júl 2, 2008 /
 
itt egy kép a malossi elektronikárol

esetleg így nem tudjátok?
elöre is köszi mindent!

DSC01606.JPG
    
Következő: »»   25 / 206
Bejelentkezés

Belépés

Hirdetés
XDT.hu
Az oldalon sütiket használunk a helyes működéshez. Bővebb információt az adatvédelmi szabályzatban olvashatsz. Megértettem