Fórum témák
» Több friss téma |
Mielőtt kérdezel, a következő két dolgot ellenőrizd!
I. A helyes tápfeszültségek megléte.
II. A kimeneten van-e egyenfeszültség.
Élesztés.
A névleges feszültségig nyugodtan használhatók az elkók, általában kicsit többet is kibírnak (+ 5...10% belefér).
Tegyél a másik kettő mellé valamilyen Texas IC-re épülő D osztályú végfokot.
Sziasztok!
Van egy Philips SW5123/12 házimozi hangprojektorhoz tartozó mélyládám. Sajnos a magassugárzós része, az "agya", az nincs meg. Semilyen bemenet nincs rajta, csak egy "connect" gomb. (így vettem a piacon.. ) Van benne amúgy egy 2x29-Voltos kapcsolóüzemű tápegység, egy "D" osztályú végfok TAS5342A és egy processzor 5508C.Valószínű blouetooth-on kommunikálna a fő egységgel, mert van rajta egy arra hasonlító modul. Az lenne a kérdésem, hogy simán mélyádának lehetne esetleg használni kisebb átalakítással? Köszönöm! Képeket csatolok a következő hsz-hoz.
Képek
63V-os kondival maximum 55V (40V-os szekunder a trafón). Ha erre ráteszed a +10%-ot, akkor még belül vagy a 63V-on. A 60V már sok lesz, ahhoz 71, vagy 80V-os kondi kellene.
Csak egy ötlet. Be tudod kapcsolni magát az elektronikát? Ha igen, keresd meg a "D" osztályú végfok bemenetét. Válaszd le a bluetooth egységet, és a bemenetet vezesd ki egy RCA aljzatra. Ha beválik, van egy működő mélyládád.
Nem analóg bemenete van sajnos..
Akkor nyűgösebb a helyzet. Mondanám hogy dobd ki a belét és építs bele egy combosabb erősítőt. Hely biztosan van benne elég.
Sziasztok!
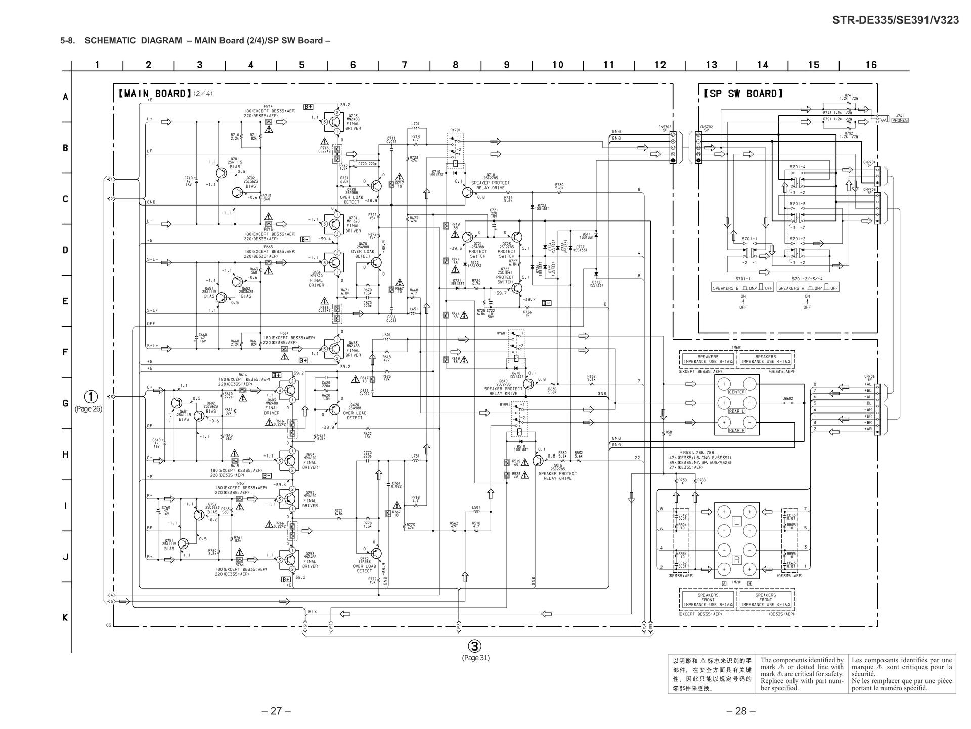
Tegnap az unokaöcsém "meglepett" egy SONY STR DE335 erősítővel. Szó szerint - (hótt szutyok, teteje behorpadva, gombok hiányoznak...), hogy meg tudnám-e neki javítani? Kapásból kérdeztem: "Honnan kukáztad?" Na, így legyem ötösöm a lottón... Tényleg kuka mellől szedte fel. Csináltam már neki egy Bluetooth-os TDA2050-es kütyüt, otthon azt hallgatja az Öcsi(17), de ez "bulizásra" kellene neki. Googliztam kicsit, hogy képben legyek. Service Manualt tudtam letölteni, most már tudom hogy elég komoly a kütyü. Akár három jó kis sztereó erősítő is kijön belőle. Az eredeti formájában felejtős, nincs rá szükség, inkább bontanám és az alkatrészekből több (valóban kihasznált) erősítőt szeretnék építeni. Most jön a kérdés ill. kérés: uPC2581V IC-k vannak benne. Valaki tudna-e kapcsolási rajzot és NYÁK rajzot adni hozzá? Dataset adatokat nem találtam, amit mégis azt mellékelem, de abból nem könnyű működő erősítőt összehozni... Pedig ez a cucc tetszene.
Ezeket találtam. Hátha valakinek sikerül részletesebbet.
De ha csak ez van, akkor a kapcsi, a panel, és ennek segítségével összerakható egy normális rajz. Meg egy link. A hozzászólás módosítva: Okt 21, 2021
Na és a "valószínűleg bluetooth modul" -nak nincs analóg hangkimenete?
Keresgess arrafelé egy kicsit. Ha van, nyertél, ha nincs, akkor cserés lesz...
Ennek nincs olyanja.
![]() A Texas létrehozott egy full digitális környezetet az audio vizuális tartalmak kezelésére. Minden komponens digitális, a bemenetektől a végerősítőig. Egyedül a hangsugárzó ami analóg. De ez is csak addig, amíg az agyba ültethető digitális interface nem veszi át a helyét.
Köszi! Megnézem, hogy esetleg van e rajta valami bemenet, a többivel nem jutottam semmire, talán be tudom azonosítani..
Szia!
Letöltöttem a kütyü SM-jét, de "buta óvodás" vagyok hozzá hogy ebből a legegyszerűbb (csak a feltétlenül szükséges alkatrészeket tartalmazó) kapcsolást összehozzam. Olyan egyszerűt, mint amilyet fentebb feltettem. Azt az "Alin" árulják cca. 20000-ért/csat.
Ez az Alin talált modul egy komplett sztereo végfok.
Próbáltad bekapcsolni a SONY gépet? Ad életjelet? Esetleg az erősítő része? Ha tényleg ennyire nem értesz hozzá, akkor felejtsd el az egész SONY kütyüt, és nézz valami kész modult a Hestoreban. Bulizáshoz nem igazán kell audiofil, high end erősítő, egy sima kis "D" osztályú bömbölő is jó. Például ez. De ha ott körülnézel van olyan ami bluetooth-os, buliban azt szeretik a népek.
Hi Mesterek!
Kérnék egy kis segítséget, adott egy Toshiba_sy-c15 típusú régi élőfok. Hiba jelenség hogy az egyik oldalt erős sistergés jelentkezik, a másik csatorna rendben van. Amit eddig elkövettem, új hangerő potméter s az összes elko cserélése készüléken belül. Hangerő potméter tekerésénél menet/forgatás közben erősebb a sercegő hang, utána beáll alacsonyabb dB-vel, de megmaradt. Az érdekes még, hogy poti állástól függően jelenik meg a fehérzaj. Azaz kb: 30%-tól 90%-os állásnál, alatta felette semmi. Mellékletben csatolom a kapcsolási rajzát, s pirossal karikázva az erősítő fokozat. Van tippe valakinek mihez érdemes nyúlni első körben? Fólia kondi tönkre mehet, az idő előre hálatávval? kb: 40 éves a készülék. Segítséget válaszokat előre is köszönöm.
Szia! Bezajosodhat ellenállás, lehet oxidos a jel útban lévő kontaktus, bezajosodhat tranzisztor is.
Minden bemeneti állás esetén zajos? ( Phono, tuner, aux, stb.) Ha például csak phono, akkor az zajos. A bemenet választó yaxley is kontaktusok tömege. ![]() Fura ennek a csatornának a hangszín szabályozója. Mint ha külön kis öcsilapon lenne a rajz szerint. Ha ki-be kapcsolod a hangszín szabályozást, akkor sem változik? Ha van kontakt spray, kenegesd meg a kapcsolók kontaktusait, potikat.
" Az érdekes még, hogy poti állástól függően jelenik meg a fehérzaj. Azaz kb: 30%-tól 90%-os állásnál, alatta felette semmi."
A bemenettől a fet kapujáig DC csatolt az egész. Az egyik poti a hangerő, a másik a balansz lehet.
Amúgy rossz a rajz. A dual fet közös source ága nem a negatív tápfeszre megy, hanem a visszacsatoló ágra. Csak ennél a csatornánál.Én leválasztanám a potikat, a fet bemenetét egy 47k ellenállással letenném a földre. Ha úgy is zajos, akkor a fetek, vagy valami utána. Ha úgy nem, akkor a potik, vagy a kapcsolók. Most nézem az nem viszacsatolás, hanem ennek a fokozatnak az áthidalása. A hozzászólás módosítva: Okt 23, 2021
Szia, minden bemenetnél megvan a feher zaj, s ha az eq-t kikapcsolom akkor megszünik. Héten már nem tudok vele foglalkozni, de majd megnézem azokat a kapcsolókat, más nem fixen athidalom próba erejéig. rémalmom ezek a kapcsolok, szerintem amikor kitaláltak már akkor rosszak voltak. Szedtem mar par darabot, szörnyű. De legalább beszerezhetettlen
Köszönöm a segítséget
Úgy néz ki, hogy ennek a csatornának a hangszínszabályozója másik panelre nyúlik át. Ha a csatlakoztatás nem forrasztott, akkor akár ott is lehet zajforrás. Viszont így lecsökkent az átnézendő alkatrészek száma. Fólia kondik nem szoktak zajosak lenni.
A hangszín szabályozó potik viszont akár lehetnek. Poti csere előtt 2 db 47k ellenállással kipróbálhatod, hogy ha a poti helyére bekötöd, változik-e a helyzet.
Rendben, át nézem majd. Köszönöm a tippet.
Sajnos igazad van, tényleg nem lehet semmilyen analóg bemenetet találni rajta..
köszi
Sziasztok.
Segitségre van szukségem. Bell PSX6022 végerösitö védelem kimeneti dc figyelöt nem értem. Viszarajzoltam, hogyan muködik?
Hello! Remélem így már érthető.
Szépen megrajzoltad köszönöm.
Ha a kimenetet lehuzom testre- 0V, akkor is tilt egyik oldal védelme. Össze van kötve a két oldal védelme, ha egyik borul akkor megáll minden. Egyikkel van gubanc és a konkrét muködés érdekel. Ha adok +0,7-8 Voltot a védelem kimenetére, akkor kialszanak a tiltás ledek, behuz a kimenö relé.
Azért rajzoltam le rendesen, mert abból már érthető a működés.
- Amikor az erősítő kimenete "rendben van", akkor 0V-ot ad ki a kimenete. - A műveleti erősítő invertáló (-) bemenete, az R3-on keresztül 0V-on van. - A műveleti erősítő neminvertáló (+) bemenetét az R5 húzza felfelé, így az R4-en kb. 40mV van. - Mivel a (+) bemenet feszültsége magasabb mint a (-) bemenet feszültsége. az OPA kimenete magas szinten van. (A tranyó ekkor kinyit és meghúzza a relét, már ha az van rajta..) - Az R6-on keresztül egy pozitív visszacsatolás jön létre, így a (+) bemenet feszültsége, még magasabb szintre jut. (kb. 50 mV-ra nő) Ezzel biztosabb a billenés és az így létrejött hiszterézis határozottá teszi a relé átváltásait, - Ha az erősítő kimeneti DC feszültsége + irányban növekedik (mert valami megpusztult benne), akkor annak kb. 11-el leosztott feszültsége (R1-R2) a D2 diódán keresztül, felemeli az invertáló bemenet feszültségét. Amikor az meghaladja az 50mV értéket, az OPA kimenete átbillen, és elejt a relé. - A bemenet feszültsége ekkor ugyan 50mV, csak ahhoz a D2 diódának is ki kell nyitni. Ha a dióda nyitófeszültsége mondjuk 500mV, akkor az R2-őn ehhez 550mV feszültségnek kell lenni. - Az erősítő kimenetére nézve ez az R1/R2 osztó miatt 11-szer több, tehát ezen a ponton mérve 5,5V felett fog a relé elejteni. Ezt az áramkör melletti grafikonon láthatod is. - Ha az erősítő kimenete a negatív táp felé vándorol, akkor a D1 dióda fog kinyitni és a (+) bemenetet a 0V alá húzza. Így az OPA kimenete ismét 0V-ra megy, a relé elejt. Kb. ugyan az a helyzet, mert a (+) bemenet 50mV-ját kell lehúzni és persze kinyitni a D1 diódát. Így í billenési szint ismét 5V körül lesz, csak negatív feszültség szinten. (A grafikonon a hiszterézis nem látható, mert ahhoz -10..+10V között oda-vissza kellett volna szimulálni az erősítő (AMP) kimeneti feszültségét. - Nagyjából ennyi a működés. A maradék D3-R7-R8, csak megakadályozza, hogy a neminvertáló bemenet a tápfeszültség fölé mehessen. Ekkor a D3 kinyit, és megakadályozza a bemenet további növekedését. (Egyébként ezt két dióda segítségével megakadályozható lett volna a bemenet és a GND között. Már amennyiben ezek az alkatrészek tényleg ot vannak ahová rajzoltad.) Remélhetőleg így már érthető a működés és amit a grafikon mutat. Tehát a védelem, működik, akkor ha az erősítő kimenete valamelyik tápfeszültsége felé iparkodik. A hangjel a kimeneten nem befolyásolja a működést, mert azt a 47µF levezeti a GND felé, és csak az egyenfeszültséget engedi tovább a védelem felé.
Na így már érthető. Segítségemre lessz a készülék javításában meg a kapcsolás megértésében egyaránt. Hálásan köszönöm a részletes leírást.
Én abban látok kérdőjeleket, hogy miért a védelmet akarod megjavítani, amikor jó eséllyel az rendben van. Valószínűleg a végfokozat kimenetén lehet olyan mértékű egyenfeszültség ami aktiválja -helyesen- a védelmet, tehát a végfokozatot kellene vizsgálni.
Nem megjavítani, hanem magyarázatot kértem-megérteni a működését, amit meg is kaptam.
Így le tudtam ellenőrizni annak helyes működését. Nincs akkora DC a kimeneten ami aktiválná a védelmet. Egyébként egyik oldalat már beindítottam.
Üdv.
Ismét tanácsot - segítséget kérnék. Továbbra is a végerősítő. Egyik oldal megy, minden rendben. Limiter vág, DC védelem működik. Tiltás nincs. Másik oldalon egyik meghajtó tranyó (Q13) minden irányba vezetett. Továbbá egy kis tranyó a védelmi ágban aktiválta mindkét oldal védelmét. Ez hejre állítva. Na most az a gondom, hogy a végtranzisztorok egymásra nyitnak bekapcsoláskor. B-E közé 100ohmos ellenállásokon 1 Voltot mérek. Potméter állítással kb 0,8..V -ig ment le. Kimenet végtranyók nélkül kerek 0 Volton áll. Kivezéreltem színusszal, szépen kijön, limiter is levégja. Minden jónak tűnik. Merre kutakodjak hogy ezt a hibát orvosolni tudjam.? Kapcsolási rajz híján visszarajzoltam amennyire tudtam. Lehet benne hiba, kérdésre leellenőrzöm. Nem a teljes kapcsolás csak az erő része. Felhasználói kérésre a melléklet törlésre került. A hozzászólás módosítva: Nov 5, 2021
Moderátor által szerkesztve
|
Bejelentkezés
Hirdetés |




) Van benne amúgy egy 2x29-Voltos kapcsolóüzemű tápegység, egy "D" osztályú végfok TAS5342A és egy processzor 5508C.
















