Fórum témák
» Több friss téma |
Esetleg TL866-al lehet fel tudom programozni viszont ott ugye nem lehet olyan spec. beállításokat megejteni amit mondjuk a sima programozójával meg lehet.
Amúgy egy kérdés, mivel itt ez az ebay-es csodakütyü, ennek valahogy nem tudom pótolni az LCD-jét? Van itthon arduinohoz való 2.2-es TFT-m.
Mi lett a kijelzővel ?
Sajnos nem dobozolt volt és egyszer nagy valószínűség mellett leeshetett, a kijelző kifeküdt a tokból és elrepedt. A panel és minden más ép de a kijelző használhatatlan.
Milyen színű volt kijelző zöld?
Ha ilyen volt , akkor már tudod is , hogy milyen kell hozzá. A hozzászólás módosítva: Nov 25, 2021
Zöld volt igen , még régen rendeltem olyan 5 éve kb.
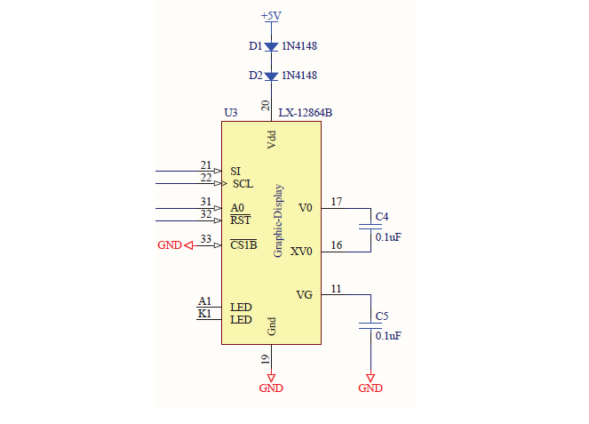
Egyébként a pontos típus LX-12864B
Ő lesz az
Bővebben: Link
A csatlakozó más az enyémnél keskenyebb és lába is alig van.
Van ebből sokféle , de a típus biztos hogy az , és biztos , hogy lehet is kapni.
Néztem hogy elvileg kompatibilis az 1.8-as TFT-nek a driverével a bennelévő, lehet valahogy bele lehetne szerelni a 2.2-est is? Maximum nem használ annyi pixelt.
Hát ezt csak úgy , ha a karakter készlete , és a programozottsága is jó, ami az avr be meg van írva , mert ha nem kompatibilis , akkor nem lesz jó. Ezt az adatlapjukat összehasonlítva esetleg kideríthető.
E szerint mindent megépítettem , viszont nekem nem 1.8-as az LCD hanem 2.2-es, és nem teljesen azonosak a lábak elnevezése. Elvileg ugyanúgy kell menjen vele ha minden igaz? Az én műszerem is ugyan ez. Kérdés mit hova kell kábelezzek.
Na holnap megpróbálom hozzá vezetékelni az LCD-t ha összejönne akkor nem szükséges építeni, de vész esetére találtam itthon egy panelt amiben van egy PIC16F628A.
![]() Mod.: És olybá tűnik hogy képes a TL866CS-m is írni ugyan úgy mint a gyári írója, így legrosszabb esetben marad ez a megoldás hogy építek egyet. A hozzászólás módosítva: Nov 25, 2021
Ez a teszter teljesen alkalmatlan kis értékű kondik és induktivitások mérésére, arra inkább LCM3-at kéne venned vagy építeni, vagy valami gyári multimétert. Hozzáteszem, az LCM-mel is az az egyik probléma, hogy oszcillátort hangol a mérés, és igazából adott alkatrészt fix frekin kéne mérni, mivel az adatlapjukon lévő érték is adott frekin van megadva, úgy mint pl. ESR az 100kHz-re az elkók veszteségi tényezője pedig 100 vagy 120Hz-re.
Valamint vasmagos tekercsek mérésére az összes efféle műszer alkalmatlan. A teszter ugyan képes mérni valamit, de az is van hogy 50-100%-os eltérésekkel mér, az LCM3 meg még többel. Van egy fickó aki építi és árulja, vettem tőle egyet, az 5,7H-t 1,8H-nek mérte, szerencsére megértő volt és visszavásárolta, csak a szállítás költségét buktam el. Na utána vettem a DE5000-et. Van külön gyári kapacitásmérőm is, az is egész jól mér, ráadásul fix frekikkel, de az nem tud mást csak az értéket méri. A teszter egy jó dolog, de messze nem precíz műszer ami a képről is látszik, két féle módon tud elkót mérni, és eltér az eredmény. Kiír ugyan valami veszteséget is %-ban de annak nem sok köze van a D-hez amit egy precíz műszer mér. Rossz elkót meg diódának látja.
Nekem többnyire RF technikában használt polarizálatlan pF-nF értékeket kellene mérni, légmagos tekercseket. Más elvárásom nem nagyon lenne felé.
Akkor LCM2 vagy LCM3 vagy valami gyári kapacmérő. Mutatok egy viszonylag pontos 10pF-et 3 műszerrel mérve, a DE-5000-rel 10kHz-en mértem, az LCM2 nem tudom éppen milyen frekin megy, az LCR 310 1kHz-en méri. Az alkatrészteszter nem tudja megmérni, azt írja hibás vagy nincs alkatrész.
Légmagos tekercset mérni?
Nem látom sok értelmét! Megnyomódik és már köze se lesz az eredeti értékhez! Légmagost lehet számolni képlettel, aztán majd hajtogatja az ember a meneteket... pF-nF tartományban egy értelmesebb multiméter is tud mérni! Komolyabb nem is kell, úgyis hat az "összkapacitásra" az elhelyezés, nyákterv, stb... Erre specializált gyári műszerrel mérnék, ha nagyon fontos a pontosság, és napi többszöri a használat. LCM3 meg elfér minden amatőr fiókjában... A hozzászólás módosítva: Nov 26, 2021
Köszönöm, akkor valószínűleg ez lesz a megoldás hogy a PIC-el építek egy LCM-et. (a 2-es és 3-as közt nem ismerem a különbséget milyen típusváltozás történt).
dB_Thunder: Igen mivel fix csévén vannak, igazából amire kíváncsi lennék a rezonancia, de tény számolni is lehet. Itt különféle tekercseket kellene mérni ergo nem csak sima csévére tekert rézhuzalt, hanem litze huzalt háló tekercsben példának. Ha meghatározó értéket tud mutatni a műszer már annak örülök, persze nem számítok tű pontosságra, akkor gyári készüléket vásárolnék.
A 2-es és a 3-as alapjaiban ugyanaz, csak a 3-as ki lett egészítve hogy tudjon mérni 1µF-nál nagyobb kondit is, 100mH-nél nagyobb induktivitást is, meg tud mérni ESR-t is, de az a része nem pontos. Illetve mint írtam, vasmagos tekercset sem mér pontosan, mert nagyon nagy az alkalmazott freki, azt csak 50-100Hz körül működő műszerrel lehet korrektül mérni.
LCM3-at tudsz venni készen. Én az LCM2-vel ha jól emlékszem még 8-10 menetes apró kis FM tekercset is meg tudtam mérni.
Köszönöm, inkább maradok egyenlőre az építésnél, valószínűleg az LCM2 kerül megépítésre, annak "feladatköre" nekem teljesen megfelel.
A "sárga" teszter kicsit tág fogalom. Nekem volt már szerencsém kijelzóhibás teszterhez, találtam hozzá megfelelő kijelzót és megjavítottam. A teszter és a kijelző képét csatolom.
Nem az enyém sajnos nem ilyen. Arduino alapú ebay-es kütyü és a kijelzője vékony szalag kábellel csatlakozott az alaplaphoz amire felforrasztva volt.
Ez is Arduino alapú, e-Bayről rendelt "kütyü", de a Tiédről még nem láttunk képet, csak azt tudjuk, hogy sárga.
A hozzászólás módosítva: Nov 26, 2021
Idézet: „vész esetére találtam itthon egy panelt amiben van egy PIC16F628A” Ha az LCM3 építést nevezed vész-nek, akkor abba a talált PIC nem jó! Oda 16F690 kell! A hozzászólás módosítva: Nov 26, 2021
Valószínűleg LCM2 lesz a kiválasztott, és a topicjában láttam több megépített kapcsolást a 628A-val.
![]() vargaf: Teszek este fel képet hogy látható legyen melyik "verzió vagy típus".
Ez mitől lenne Arduino alapú? Mint ahogy szikorapéter tesztere sem az jó eséllyel.
Ugyan versenyezhet a világ leghomályosabb fotójával de a telóm most ennyit tud. Az márpedig egy 328P ami benne lakik....
Végül szerintem maradok az LCM2 építésnél mivel sajnos hiába végeztem el a módosításokat, a 2.2-es TFT-t meg sem mozdítja. Tény az úriember aki a sajátját "módosította" ő 1.8-as TFT-vel csinálta.
Van arduino nano-val is teszter , hogy legyen erre is egy példa.
|
Bejelentkezés
Hirdetés |




















