Fórum témák
» Több friss téma |
Mielőtt kérdezel, a következő két dolgot ellenőrizd!
I. A helyes tápfeszültségek megléte.
II. A kimeneten van-e egyenfeszültség.
Élesztés.
Olyan mintha az STK nem kapna testet!
A ondi középhez nemcseng ki a 3 - 16 láb. Ha kondi küzéphez mérek, akkor a kimeneten 5V van, ha akimeneti csatlakozón mérek, nics rajta fesz. Elég sok forrasztás nyom van a panelon, ki tudja, mi lehett már evvel az erősítővel...
Úgy nézem elment a test a kábelek levételétől, vagy rossz testpontról mérsz.
A műveleti erősítő tápjának szimmetrikusnak kéne lennie, a 4066 7-es láb test kéne legyen. Ha test szakadás van, nem csoda ha nem áll fel a rendszer. Szerk.: kicsit elcsúsztam a válasszal, most látom a 17:17 bejegyzésed. Áttekintem az abban foglaltakat. A hozzászólás módosítva: Jan 16, 2022
Válaszolsz, amikor tudsz. Gondolom más témában is benne vagy, és mással is foglalkozol, mint a fórum. Köszön a segítséged!
Kondi középhez, avagy táp középhez mértem. Az a baj, hogy így hétvégente tudok pár órát foglalkozni vele, egy kis író asztalon a saját tápjáról, avagy be van dugva rendesen az erősítő. Nuku védelem. Úgy meg necces piszkálni benne, mert összezárok valamit és leölöm, akkor még plusz hibát viszek be... Pár napot itthon leszek, vagy tán a hetet, kicsit tudok még foglalkozni. Ha nem jutok előbbre vele, akkor összerakom és így adom el.
A kondi középtől a bemeneti/kimeneti csatlakozóig egyértelműen folytonos vezetésnek kéne lenni, ide számítva az STK 3, 16 lábait is. Szemrevételezéssel, csipogtatással keresd meg a szakadás helyét!
Az a legérdekesebb, hogy az átkötés amit levettem, annak a végpontja sem cseng össze az stk 3, 16 lábával.
Jó kis bogarászós dolog lesz megkeresni a gnd szakadást. Én valami átkötés hiányára gondolok. Első körben átmérem az összes átkötést.
Az STK közel van a pufferhez, szerintem azon a viszonylag kis szakaszon lehet a szakadás.
Elképzelhető, hogy a 3, 16 láb ne legyen testen? Valami speckó, untipical kapcsolás?
Ott van a greatz közvetlen mellette és két puffer is igen, de a 3, 16 láb vezetősávja hátra kanyarodik a trafó lemez alá, ahhoz meg nagyon szét kellene már terítenem. Erre meg nincs módom, mert nem tudom úgy hagyni, újra és újra el kellene pakolnom, elővennem, stresszelve evvel különböző kötéseket, amiknek nem használ. Illetve lehet az stk is döglött már, mert hanhangszórót teszek rá, akkor erősen szívja. Illetve pár volt változó feszkót mérek a kimeneten, mind dc, mind ac módban. Szkópönélkül meg nem tudom, mi van a kimeneten. Innen okafogyottá vált a dolog, mert ez már kinőtte az íróasztal és multi szintet. Érdekes és tanulságos lett volna életre kelteni, illetve a csatorna váltást és egyéb mást egy arduinoval, de nincs szükségem az erősítőre, a beletett munkám meg nem fizetődne ki. Azt hiszem erre mondják, hogy gazdasági totál kár. Van rá vevő jelölt, eladom. De nem fogok unatkozni, mert van egy fél döglött kici kínai d osztályúm, amit pár éve már emlegettem itt. Most elővettem azt is. Az is lesz ilyen jó móka! Köszönöm a közreműködésedet, és remélem az új projektben is számíthatok a segítségedre! És a többiekére is!
Sziasztok! Szeretném kikérni a véleményeteket, a híd, illetve a szimpla erősítő kapcsolásokkal kapcsolatban. AB osztályról és elég magas teljesítményről van szó, ami kissé megfűszerezi a dolgot, a magas feszültségek, illetve nagy, eldisszipálandó teljesítmények miatt. Hosszú távon melyik lehet üzembiztosabb megoldás? Egy szimpla kapcsolás, mondjuk 5 pár fettel és 90 volt körüli tápfeszről járatva, vagy egy híd kapcsolás, mondjuk erősítőnként 3 pár fettel, és max 60 voltos tápfesszel? Egyébként is érdekelne, hogy melyik kapcsolás a jobb. Emlékeim szerint a híd kapcsolásnak például jobb a táp terhelése, mint a szimpla kapcsolásoknak.
A hídkapcsolásnak (ha jól van megvalósítva, akkor) nagyon sok előnye van működési osztálytól függetlenül, a hátránya pedig, hogy kb. 2x annyi alkatrészből áll a végfok. Ha nagy teljesítmény kell, akkor hídkapcsolás....
Az AB osztály megint érdekes kérdés. Nagy teljesítményre (n*100W felett) nagyjából minden szempontból jobbat lehet készíteni D osztályban. (Sőt manapság lehet, hogy ez a határ lejjebb van, inkább n*10W körül). Talán egyetlen előnye van az AB osztálynak, mégpedig az hogy egyszerűbb a felépítése - azaz házilag könnyebb megépíteni. De ha nem gond pl. egy SMD IC beforrasztása, akkor ott vannak Texas D osztályú céláramkörei, pl. a TAS5630 (ha jól emlékszem a típusra) ami a legtöbb átlagos felépítésű AB osztályúnál jobb hangminőséget produkál, és max 2x300W-ot. Felette meg vannak cél IC-re épülő, de diszkrét FET végű erősítők (IRS sorozat) ahol csak a felépítésen múlik a teljesítmény - ilyenből egy hídkapcsolás kW-okat tudhat. Persze lehet teljesen diszkrétből is építkezni, de nem biztos, hogy érdemes...
Ami még kissé kérdéses a számomra, az a megfelezett damping factor, mivel pont a mély tartomány lenne a cél. Gondolom, ez okozhat problémát egy olyan erősítő esetén, ami eleve kis df értékkel bír. Igen, azt tudom, hogy a d osztály ma már temérdek lehetőséget nyújt, de valahol van egy varázsa az a,b osztályoknak, ha hobbizik az ember. Nekem kifejezetten tetszenek a class ab, illetve class h elrendezésű végfokok.
Még egy lényeges tényezőt javaslok mérlegelni.
Ha hídba kapcsolsz két erősítőt akkor meg kell duplázni a hangszóró impedanciát. Ha az eredeti erősítők 4-4 ohmal voltak terhelhetőek, akkor ezeket hídba kötve már csak 8 ohm-al tudod terhelni a hidat. A mélysugárzók ritkán 8 ohmosak, ezért a probléma nehezen orvosolható. Megoldás lehet 2 db 4 ohmos sorba kötése, de akkor már közel ugyanott vagy mintha 2 erősítőd lenne 1-1 hangszóróval. pl. egy ilyen panel önmagában is nagy teljesítményt ígér. A hozzászólás módosítva: Jan 19, 2022
Bocsánat, azt kihagytam, hogy 400w/8ohm lenne a megugrandó teljesítmény. Ilyen mélyem van és azért lehet találni bőven 8ohmos hangszórókat 15" méretben. Tudom, hogy duplázni kell hídnál az alap erősítő minimum impedanciáját. Viszont még mindig érdekelne, hogy azonos felépítésű áramkörök mellett, a híd, vagy inkább a jóval nagyobb feszültségen járatott szimpla megoldás lehet a hosszabb életű, illetve stabilabb megoldás?
Szerintem az élettartamot nem ez befolyásolja. Ha jól van méretezve, teljesítményre, hűtésre, megfelelő védelmek beépítve, és garantált minőségű alkatrészekből van felépítve, akkor mindkét verzió lehet "örök" életű. A hídnál esetleg az növeli a bizonytalanságot, hogy gyakorlatilag dupla mennyiségű alkatrész problémájától lehet tartani.
Tessék. A 400W még nem nagy falat egy mezei AB végfoktól sem. A VF2 modom évek óta működik, bár nem tökéletes, a meghajtáson kéne még variálni hogy a teljesítmény sávszélessége is meglegyen, de 200Hz-en még szinte tápig kivezérelhető. Aztán van a tankönyvi kapcsolás, az is létezik ekkora teljesítményre, itt a fórumban valami ST vagy mi csúfnéven fut. Az is jó, csak annak nagy a maradékfeszültsége, közel sem vezérelhető ki tápig. Aztán van gyári is, ami ráadásul kvázi komplementer, így elég egyetlen típusú végtranyót venni ami egy esetleges későbbi javítás során előny lehet. Van még valami 400W-os gyári szintén kvázikomplementer végű is amit sok amatőr diszkós használt régebben, de annak most a neve se jut eszembe és a rajza sincs meg, olyat javítottam is, annak is 8db NPN tranyó a vége.
Köszönöm! Persze szoktam olyan erősítőkkel találkozni amik @1400-asok, és tudják 8 ohmon a 400W körüli teljesítményt, viszont sokkal több az olyan, aminek ekkora impedancia mellett a 300W a vége. Minden esetre a Phase Linear, a maga +-100Voltos tápfeszével, illetve az 5 pár tranzisztorával elég meggyőző, illetve megnyugtató.
A kérdésed így leegyszerűsíthető arra, hogy mi jobb a félvezetőknek:
- Alacsonyabb feszültség, és nagyobb áram. vagy... - Nagyobb feszültség, alacsonyabb áram mellett. Ha így nézzük, akkor elég egyértelműen az első az üzembiztosabb.
Nos, igen, valahogy így néz ki a dolog. Az volt a lényeg, hogy a kívánt 400W/8ohm mellett nem járok-e a megbízhatóság határán, a magas fesz miatt... Illetve, hogy ilyen körülmények mellett, a két verzió közül melyik az ésszerűbb választás.
Ha már így szóba került a híd kapcsolás, akkor én is kapcsolódnék a témához pár kérdéssel.
Mennyire van létjogosultsága a szimpla sztereóval szemben, ha a teljesítmény nem releváns? Mert sok esetben azért alkalmazzák a híd kapcsolás, mert elvileg könnyebb dupla akkora teljesítményt létrehozni, mint egy szimpla végfokkal. Avagy dupla teljesítményűre méretezni. Bár ez inkább a régi idők szele lehet, mikor még nem nagyon forogtak közkézen, nagy áramú félvezetők, nehezebb volt nagyobb teljesítményű erősítőket építeni. Ma már ez gond nélkül megvalósítható, főleg a Skori által említett D osztályokkal, negyed akkora méretben és hűtéssel, dupla olyan jó hatásfokkal. Lásd, nekem is van egy IRS-re épülő 2x125/1x250W 8ohm D osztályúm. Van 2db gyári erősítőm, ami hídba kapcsolható. Talán valakinek ismerős lehet a Rotel RB960BX. Nem mai darab. Szimpla sztereó üzemmódban 8ohm terhelésen 60W szinuszos teljesítményt tud. Hídban ugye ennek a duplája. Elvileg? De ennek a teljesítménynek a közelében sem szoktam járni. Mármint a 60W-nak. Valóban dinamikusabb így az erősítő? Mert ilyenkor ugye mind két periódus vezérelt. Ilyenkor van egy negatív "szívó" erő is a hangszórón, ami a vezérlés ütemében, mértékében húzza vissza a hangszórót, nem a saját tehetetlenségéből tér vissza.(?) Persze ez könnyen eldönthető lenne, mondhatni, hallgassa meg így, majd úgy, de sajnos az ember könnyen be tudja csapni magát... Ezért elméleti, szakmai oldalról közelítem meg ezt a kérdést.
Az elméleted néhány helyen erősen sántít, de inkább nézzük azt, hogy mi értelme lehet a hídba kapcsolt erősítőknek:
- Nagyobb teljesítmény azonos táp és terhelés esetén. - Megfelelő kivitel esetén kisebb a torzítása, ugyanis a torzítási komponensek egy része azonos fázisban keletkezik, és kioltódik a hangszórón. - Jobb jel/zaj viszony (megfelelő kivitel esetén). A kimenő feszültség duplája lesz, de a zaj kisebb mértékben növekszik. - Mivel a teljesítmény és a jel/zaj viszony is jobb lesz: nagyobb dinamikatartomány - D osztályú erősítő esetén kisebb "vivőmaradék" - D osztályú erősítő esetén: nincs úgynevezett busz-pumpálás (ez általában egy káros jelenség, ami félhidas D osztályú erősítőben fordulhat elő, bizonyos feltételek fennállásakor) - Az erősítő veszteségei több félvezetőre oszlanak szét. A hozzászólás módosítva: Jan 23, 2022
Részletezd kérlek, hogy mely ponton tévedtem? Nem kötekedésből mondom, vagy mert kétségbe vonnám szavad! Hanem, hogy akkor e tévhitekkel tisztában legyek és többet ne mondjak, írjak hülyeségeket.
Nem igazán van sok ismeretem az erősítők ilyen fajta mibenlétjében. Akkor igen is sokban van jelentősége a szimpla erősítővel szemben! Ez megnyugtató, mert akkor nem fölöslegesen költöttem el egy jelentősebb összeget a két erősítőre, és nem csak valami hit béli meggyőződésből, placebóból hallom jobbnak!
Hídban kétszeres kimeneti feszültség mellett négyszeres a kimeneti teljesítmény.
Elméletileg. A gyakorlatban valamivel kisebb a veszteségek miatt.
Sztereó erősítő minimum 2 külön erősítőt jelent (jobb, és bal oldal)
Ha a két erősítődet hídba kapcsolod, akkor csak egy erősítőd lesz, a Skori, és Karesz 50 által írt előnyökkel. Hídba kapcsolt sztereó erősítőhöz 4 db egyedi erősítő kell, ahogy több integrált erősítőnél is láthatod. Idézet: „Ez megnyugtató, mert akkor nem fölöslegesen költöttem el egy jelentősebb összeget a két erősítőre, és nem csak valami hit béli meggyőződésből, placebóból hallom jobbnak!” A teljes hidas végfokoknak az az előnye, hogy szimmetrikus a kimenet. Minkét félperiódusban azonos jellemzőkkel rendelkező alkatrészeken folyik át a hangszóróáram. Pozitív táp > npn végtranzisztor > hangszóró > pnp végtranzisztor > negatív táp. Ebből következik, hogy a földpontban nem keletkezik zavarjel. Ahogy Skori is írta, ha teljesen szimmetrikus a felépítés és a bemenet vezérlése, akkor csak páratlan számú felharmonikusokat termel.
Elsősorban abban tévedtél, hogy úgy értelmeztem a sima félhidas erősítőt, hogy az nem ellenütemű. Egy félhíd esetében is van nyomó, és van szívó periódus. Ebből a szemszögből nincs eltérés a félhíd és híd között.
Kicsit ha elmélyedsz a topológiák között, találsz érdekes megoldásokat. Van az úgynevezett szimpla, ez a félhíd. Ebből is van a klasszikus földelt tápegységű, van földelt kimenetű. Hidaltból van a földelt kettős tápú, ahol kivezérlés nélkül nincs DC a kimeneten, kivezérelve pedig ellenfázisú jel van a két csatlakozón. Van a szimpla tápos híd, ennek nyugalmi állapotban féltáp van a kimeneti csatlakozón. Hangosítós berkekben ez nem engedélyezett, mert úgy emlékszem 48VDC felett már nem törpefeszültség kategóriába tartozik. Érintésvédelmi szempontból ez már probléma. Van lebegő tápos földelt kimenetű híd topológia, ahol nem a tápegység közepét, hanem az egyik kimenetet földelik. Ennek van egy érdekes hozadéka. Mégpedig az. Hogy két ilyen topológiájú híd erősítő tovább hidalható. Gyakorlatilag négy erősítő kimenő jele kapcsolódik sorba. Elméletileg egyetlen erősítő jó nagy tápfeszről is tudná ezt, de bipoláris tranzisztoroknál a másodfajú letörés korlátozza a tápfesz felső határát. De van más ok is. Nagyobb tápfesz esetében nagyobb jelváltozási sebességre van szükség, vagy még kell alkudni a lassabb erősítővel. Ez "D" osztályra is igaz, mert amíg 20-50Vpp esetén akár 1MHz is lehet a vivő, addig egy 2X90V tápfeszről járó végfoknál 180Vpp lesz a vivő nagysága. Ez közel négyszeres az előzőnek. Ugyanannak a kapcsolóelemnek ugyanakkora frekvenciájú vivő esetén jóval nehezebb lesz a meghajtása. Ha jól tévedek, négyzetesen fog nőni, tehát 16 szorosra lesz. De ez nem is lenne baj, mert a kimenő teljesítmény is négyzetesen növekszik. Csakhogy 16 szoros teljesítmény esetén 16 szorozni kell a kapcsolóelemek terhelhetőségét, ezzel együtt a meghajtó teljesítményt is. Magyarul ez azt jelenti, hogy azonos frekvenciájú vivő esetén a tápfesz növelésének aránya négyzetesen nagyobb kimenő teljesítménnyel jár, de köbösen nagyobb igénybevételt a meghajtás részéről. Az is megoldás, hogy lemondunk a nagyobb jelváltozási sebességről. Mondjuk megelégszünk 150-250 kHz vivővel. PA technikában ez az út. Újabb nagysebességű kapcsolóelemek esetében van lehetőség nagyobb tápfesz alkalmazására minőségvesztés nélkül, de nem minden sarkon árulnak SIC feteket.
Bemenet szimmetrikus vezérlésén mit lehet érteni? A hagyományos 2 pólusút, vagy a ténylegesen szimmetrikus 3 pólusút? Az erősítő hagyományos 2 pólusú rca bemenettel rendelkezik. Híd kapcsoláskor csak az egyik rca aljzat van használva, a másik ki is van kapcsolva olyankor.
Azért kérdezem ezt, mert a dac-on van rendes 3p szimmetrikus kimenet, és ha ez összehozható volna az erősítővel és jól értelmezem, akkor még jobb lenne a jel/zaj viszony. Viszont a szimmetrikus csatorna jelszintje meg nagyobb a vonal szintnél. Kb. kétszerese, ha jól tudom?
A szimmetrikus bemenet mindig XLR csatlakozó: invertáló (2), neminvertáló (3) bemenettel és a GND (1). Ha csak aszimmetrikus bemeneted van (RCA) az nem "igazi" hídkapcsolás. Ilyenkor általában egy fázisfordító fokozat van az egyik félhíd bemenete előtt, vagy pedig az egyik csatorna invertáló bemenete van meghajtva. (Van még számos egyéb más megoldás is, de ez a kettő a leggyakoribb.)
A félhidak erősítése azonos mindkét csatornánál, tehát 6 dB-el nő a végfok kimeneti feszültsége, kétszer olyan hagos lesz hídban azonos szintű bemeneti jelnél - ahogy írtad is. Négyes hangerőszabályzó potival összehozható a DAC-kal, de illesztési problémák felléphetnek és bele kell farigcsálnod a végfokba az XLR aljzatot is. Szóval nem egyszerű. Ha így is jól szól, én nem piszkálnám. A jel-zaj viszony 3 dB-t javul hídban, úgy, mint a párhuzamosan kapcsolt bemeneti tranzisztorok esetében (főleg mc előerősítőkben alkalmazzák ezt a megoldást), de ezzel szerintem nem érdemes foglalkozni, hogy most 95- vagy 98 dB a jel-zaj viszony. Egyik sem jelentkezik füllel hallható zajként ha "rendesen meg van csinálva/tervezve" a végfokod.
Ez egy gyári erősítő, nem volt még szerintem a fedele sem levéve, nem hogy bele nyúlva, és hi-fis berkekben eléggé dicsért. Persze mint minden ilyen dolognak, megosztott a véleményezése, van aki egy lyukas garast sem adna érte, van aki nem hajladó mást elismerni. Talán általánosságban kiegyezhető annyiban, hogy a Rotel tett már le ezt - azt az asztalra, nem egy Skytec szint, Tehát mondhatni, hogy egy rendesen megtervezett/csinált erősítő.
Maga az XLR csati bele fabrikálása még nem is lenne lehetetlen, és az erősítő belső elrendezése is lehetővé tenné. Elérhető a teljes dokumentációja, meg van a kapcsolási rajza. Megnézzük, hogy elméleti szinten mekkora munka lenne átalakítani szimmetrikus bemenűre?
Nekem az LP játszóm volt Rotel. Szerettem.
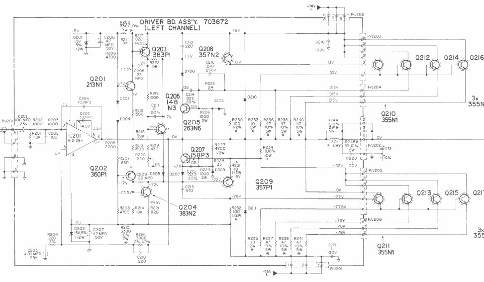
Kitennéd a szervíz könyvét, vagy ha nincs a kapcsolási rajzát? Megnézzük, aztán hátha kiókumlálunk valamit.
Máris rakom, egy pillanat.
Akép úgy van össze ilesztve, mert a gyári doksiban két külön oldalon van. De felrakom a teljes doksit is mindjárt. A hozzászólás módosítva: Jan 23, 2022
|
Bejelentkezés
Hirdetés |











