Fórum témák
» Több friss téma |
Frekikétszereső kapcsolás... Bővebben: Link
![]() Az 555-ös "integrált időzítő" leginkább időzítési feladatokra lett tervezve. Szerintem frekikétszerezést nem tud. ( Viszont két lévezérelt MMV-vel talán megoldható. Az egyik felfutóére, míg a másik a lefutóélre kell, hogy indítsa az időzítést a kimenetén. Majd összedobok egy rajzot ha kell. De szerintem a linkem kapcsolási sémái egyszerűbbek... )
sziasztok...ugy hallottam hogy lehet egy villogot ilyen fbi stilusut 555 tel kesziteni..de lehet tevedek...de ha lehet,szeretnem kerdezni nem e tudtok egy ilyen kapcsolasi rajzot??nagyon hallas lennek ha segitenetek kicsit...koszonom elore is!ilyenre gondoltam
Helló
Egy kis segítséget kérnék tőletek. A következőről lenne szó. Adott egy magnó, amiben az auto stop-ot kellene megoldani. Van egy optós impulzusadó, ami ha a kazetta megy akkor jeleket ad ki. De ha a kazetta a végére ér, akkor megszünik az impulzus. Ilyenkor kellene egy elektromágnest behúzni, ami kikapcsolja a magnót. Arra gondoltam, hogy csinálni kellene 555-össel egy monostabil kapcsolást, ami vezérelné az elektromágnest. A reset lábára lehetne küldeni a jeleket, amik állandóan resetelné az IC-t, így nem tudná meghúzni az elektromágnest. Ha viszont megszűnik a jel, akkor meghatározott idő múlva meghúzná az EM-t. csak mi van akkor, ha úgy áll meg az opto, hogy állandóan reseteli az IC-t és ilyenkor nem fog kikapcsolni. Ezt mivel lehetne megoldani egyszerűen? A másik kérdésem: Itt az oldalon van a segédprogramoknál a számító rész. Ott van jelölve, hogy a kettes lábra kell adni indító jelet. Ezt én honnan adjam neki? Vagy fixre nem lehet bekötni tápra, vagy esetleg földre? Mivel az áramkör csak akkor kap tápfeszt, ha a magnót bekapcsolom. Előre is kösz. Ricsi
Hello! itt láthatsz jónéhány megoldást a problémára: Missing pulse detector...
Helló
Kösz a linket. Megtaláltam a rajzot. Ki is próbáltam, de amit először kérdeztem, arra még nincs megoldásom. A rajzon lévőt megcsináltam, ideiglenesen egy nyomógombbal próbálom, a kimenetre pedig egy ledet kötöttem. ha feszültség alá ,helyezem a kapcsolást, akkor a led nem világít. Ha megnyomom a gombot bekapcsol a led és világít míg a kondi fel nem töltődik. Viszont ha folyamatosan nyomom a gombot, akkor állandóan ég a led. Szóval hogy oldjam meg, hogy az opto ne folyamatosan zárja a gomb helyét, hanem mindig csak egy impulzussal indítsa. Kép majdnem lemaradt.
Ha <<< ITT >>> nemtalálsz megfelelőt, akkor nem tudom hol lehetne keresni!
De ITT EZ a kapcsolás, pont jólenne neked.
Na ma megcsináltam normálisan a kapcsolást, most már az optóval. De még mindig nem tudom hogy oldjam meg, hogy folyamatosan indítsa, ha úgy áll meg tárcsa az optónál. Próbáltam a kondit is, de nem jó.
Itt a mostani állapotról a rajz. Egy kicsit mórickás lett, de a lényeg látszik. Idézet: „Itt a mostani állapotról a rajz” aha :smoke:
Cewa mindenki!
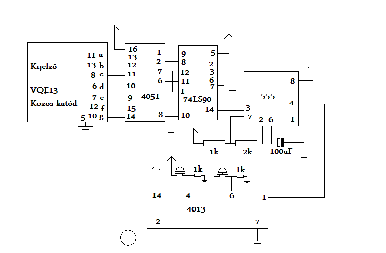
Elég új vagyok itt de máris egy kérdéssel fordulnék hozzátok. ![]() Arról lenne szó, hogy szeretnék egy olyan áramkört csinálni ami egy 7 szegmenses kijelzőn számol felfelé. A lényegi rész meg is van és az áramkör működik is csak az a baj, hogy az IC ami vezéri a számolást (74LS90) csak órajellel tud működni és én úgy akarom megcsinálni az áramkört, hogy az gombnyomásra számoljon. Ez nem is lenne nagy gond mert végül is nekem úgy is jó ha nem egy gomb lenyomására számol hanem pl. úgy, hogy lenyomok egy gombot és addig számol amíg a másik gombot meg nem nyomom, hogy álljon meg. Ezt így megpróbáltam megcsinálni de sajnos nem sok sikerrel. Az a lényeg, hogy van két IC az 555-ös ami az óra jelet generálja kb. 3 HZ és van egy Set Reset Latch IC CD4013 ami arra kéne, hogy két gomb nyomogatásával tulajdonképpen ki illetve be kapcsolja az 555-ös IC-t. Csak az a baj, hogy ez így nem akar menni. Úgy próbáltam, hogy az 555-ös IC (+) lábát egy tranzisztor emitterjéhez kötöttem és a tranzisztor kollektorát az ellem (+) végéhez. A bázist még nem kötöttem be a latch IC-hez csak megnéztem, hogy mi történik ha egyszerűen rákötöm az ellem (+) kimenetére. Az eredmény: Egyet lép a számolás és utána semmi. Nem tudom, hogy mi lehet a gond. Illetve csak tippem van. Valószínűleg nem így kéne ki illetve be kapcsolni a 555-öst?! De ha nem így akkor, hogy? Mindenkinek előre is köszönöm a válaszát! Bye!
Jó napot kivánok Spepe!
Használj NPN tranzisztort, emitter a testen, kollektor az 555 negatív tápján. A + fixen az 555-ön.
Pedig roppant egyszerű a megoldás! :yes:
A 4013-as SET - RESET bemenetét egy-egy ellenállással GND (Vss) re húzod. A Vdd-re és a SET - RESET bemenet közé kerül egy egy nyomógomb. A Q kimenetet az 555-ös engedályező lábára kell kötni ( DIL-8 nál a 4. láb) Így ha a SET gombot megnyomod, akkor az 555 engedélyezve lessz az engedélyező ( 4. ) láb magasszintre húzásával és eltud ingulni a rezgés. Ha a RESET gombot nyomod meg, akkor a Q kimeneten alacsony L szint jelenik meg. Ekkor az 555 levan tiltva s a kimenetén tartós logikai színt lesz jelen. (Nincs oszcilláció.) Tahát így az egyik gombal elindítod a léptetést s a másik gombal leállítod azt... FONTOS!!! A CD4xxx sorozat nemszereti ha a nemhasznált lábak a "levegőben lógnak!!! Azokat vagy le kell húzni GND-re, vagy felkell húzni tápfeszültségre! Ellenkező esetben hibás bizonytalan működés lehet a végeredmény! Szélsőséges esetben az IC tönkre is mehet!!! (S hogy hova célszerű kötni!? Ezt mindíg a kapcsolás jellegétől és a könyeb huzalozáson múlik...
Nem muszály a tápját rángatni az 555-nek
!!! Mert van egy engedélyező bemenete is amivel azt le lehet tíltani, vagy engedélyezni lehet!
Hello mindenki!
Nagyon szépen köszönöm az összes tippet és ötletet! Bevallom nektek nem vagyok túl jó az 555-ös IC használatában. :vigyor2: De most már ezt is tudom hála nektek! Amint tudom kipróbálom a leírtakat és leírom az eredményt. ![]() Bye!
Cewa mindenki!
Na kipróbáltam azt amit mondtatok. Nagyon jó már csak egy-két dolog van ami nem tökéletes. ![]() Még egy LED-et kötöttem a latch egyik kimenetére a másikat rákötöttem az 555-ös IC 4-es lábára. Ha benyomom a gombot akkor a led világít ezzel jelezve, hogy a számolás nem megy. Ha megnyomom a másik gombot akkor pedig elkezd számolni az IC. Az a baj, hogy amikor nem számol az IC akkor a kijelző furcsán ugrál. Pontosabban számol össze vissza de nem áll meg csak villog. Szerintem ez csak az ellem miatt van mert valószínűleg gyenge de azért gondoltam bekérdezek hátha valami más. Ha kell majd feltehetek egy kapcsolási rajzot bár nem tudom, hogy mennyire érdekes ez a cucc nektek. ![]() Bye!
Próbált meg egy rendes 5V-os tápegységről beüzemelni az áramkört. Ha továbbra is villog akkor valamelyik lábon zavarjelet vesz fel a számláló (gondolom). Nameg az aktuális állapotról egy rajz is sokat segíthetne a hibakeresésben...
Hi!
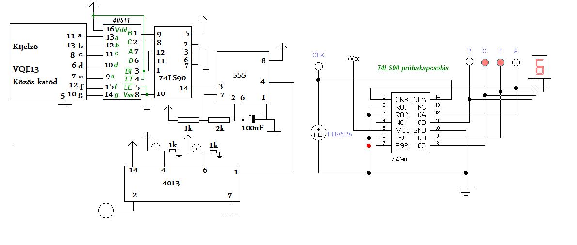
Arra gondoltam, hogy lehet, hogy az zavarja, hogy a latch eggyik óra jelet vevő lába (3) nincs sehova se kötve és szerintem az vesz valamilyen jelet. Elég közel van a kép nyomógomb az IC-hez és lehet, hogy a kezem miatt vagy nem tudom. Még azt megpróbálom lehúzni egy ellenállás-al hátha bejön. Egyébként mellékelek egy nem rég készült kapcsolási rajzot is. Remélem, hogy nem sok benne a hiba. ![]() Sajnos régebben nem csináltam és így forrasztás után már egy kicsit nehéz kibogozni, hogy mi hova is van kötve. Bye!
Szia!
Bocs. DE a 4051-et kicsit más célra készítették! Idézet: „8-Channel Analog Multiplexer/Demultiplexer” Meg a 4013 másik (nemhasznált) tároló bemeneteit is határozott logikai szintre kell kötni! ( Minden nemhasznált CMOS bemenetet! ) Jobblenne PLD 4511-et használni a kijelző dekódolására - meghalytására...
Cewa.
Bocsi. Biztosan én néztem el valamit. Én erre gondoltam: cd4511 Csak az IC-n meg valami ilyesmi van írva: V40511D A CMOS-t miért kell mindig lehúzni? A másik latch rész az nem egy külön áramkör? Bye!
Szia!
Az össze nemhasznált bemenetet célcserű "elkötni!!! Én egy villogó áramkörrel jártam úgy (Nem salyát készítés!), hogy a 4001-nek a felnemhasznált kapuinak a bemeneti-lábai nem lettek elkötve. / Pedig abban csak négy kétbemenetű kapu van.../ S Ez elég érdekes hibajelenséget okozott. Amint a lábai GND-re le lettek húzva megszünt a hibajelenség. Bár nemsoká mégis kikellet cserélni. De azóta rendesen működik ! Azt pontosan nem lehet tudni, hogy sztatikus töltés ütötte ki, vagy a lógó láb keltett egy vadrezgést a 4001-es belsejében. (Az IC által termelt hő egyenesen arányos az üzemi frekvenciával. Tehát minnél nagyobb annál több hőt termel. Egy vadrezgésnél a kristály pillanatok alatt túlhevülhet, mert az gyakorlatilag a 120%-on próbál üzemelni, s nem erre tervezték! De az is lehet hogy csak később jelentkezik a káros hatás, s addig maradnak a rejtályes hibák... )Enyit a lógó CMOS lábakról. Na igen a 4051 az nem egyenértékű a _40511_-el! Bár ez utóbbiról nemsok infót találtam eddig. ![]()
Irtad h gond van a számolással is..
Ellenőrizd le a 7490 es bekötéseit. ( Ha a kimeneteket felcseréled akkor a számok sorrendje is felcserélődik! Bár alaposabban megnézve elkötés nincs a rajzon! ) Valamint a 40511-nek a vezérlőlábára is rákel kötni a megfelelő logikai szintekeket!
Cewa.
A számolással alapból nincs gond. Rendesen megy. Illetve néha furcsán megy mert pl. 6-os helyett e meg f betűt ír de szerintem az azért lehet mert túl sok áramot kötök rá. ![]() Csak akkor kezd el ugrálni ha megnyomom a gombot, hogy ne számoljon. De ez is csak akkor van ha túl sok áramot kötök rá. Megpróbáltam 3V-al. Úgy jónak tűnik csak az a baj, hogy amikor megnyomom a gombot akkor a számolás nem mindig ott áll meg ahol kéne. Pl. 3-nál nyomom meg és vissza ugrik 2-re. Vagy össze vissza is ugrál néha. Fura. Még megpróbálom lekötni a 4013-as IC lábait és hátha úgy megy. Bye!
Jaaa! Az elégtelen tápellátás lesz a fő gond!!!
Ha tisztán CMOS alkatrészeket használnál akkor nem is lenne gond ((MIN: 3V) 5V-15V-ig mehetne) a tápellátás. DE mivel van egy TTL (és ráadásul a hagyományos) IC, ezért CSAK STABIL 5V-ról fog rendesen működni a kapcsolás! Tehát, be kell szerezned egy 7805-ös IC-t, és építenikell egy kis stabilizátort. (Akár próbakapcsolás szinten) Vagy keresni kell a 74LS90 helyett egy CMOS megfelelőt. Szerintem az nem okoz gondot. De egy új 4.5V-os laposteleppel is lehet próbálkozni.
Igen, ilyesmi lesz a megoldás.
A vége a Fet-tel már megvan, de az eleje még mindig nem ok. Erről a műveleti erősítős fűrészgenerátorról tudnál leírást küldeni? (erről nekem is van valami, de ahhoz 2 mv erősítőt kell szembekapcsolni) Odáig megvan, hogy műveleti erősítővel csinálok egy négszögjelet. Sőt még a frekvenciáját is lehet állítani, de sajnos kondicsere nélkül nem fogja át a tartomkányt. Azt is meg lehet oldani hogy változzon a kitöltése, de akkor 2 potit kell úg egyszerre, ellentétes irányba tekerni, és közben elmászik a frekvencia is. Nos arra a következtetésre jutottam, hogy mindenképp több lépcsőben kell megoldani és ehhez mindenképpen szükség van egy váltakozó jelre. ezt egy 555-tel megcsinálom úgy, hogy kb 50%-os legyen és a frekvencia felső határa legyen (abból már lehet visszaosztani). Na itt tartok. Ezután kellene egy fokozat amivel a frekvenciát állítom, majd utána a kitöltést. A kitöltés lehetne komparátorral, ahogy említetted, de akkor fűrészjelet kell csinálni a négyszögből. A frekvenciaváltoztatós fokozatra meg fogalmam nincs mivel kellene! Kapukkal, meg ilyenekkel osszam le? Az nem jó mert nem folyamatosan állítható.
Sziasztok!
Segítséget szeretnék kérni, mert sajnos az elektronikához elég sötét vagyok, de az olvasgatásom alapján talán ez az 555-ös IC lenne a megoldás. Kellene valami, ami 9V (hálózati adapterből) megjelenése esetén adna egy +9V-os impulzust, majd amikor a 9V megszűnik, akkor egy -9V-os impulzust. Segítségeteket előre is köszönöm.
Szia kifejtenéd bővebben hogy mit szeretnél vele csinálni, hogy mihez kell? Lehet hogy így könnyebb dolgunk lenne.
Van egy locsolóórám, ami +9V-ra indul be (nyitja a csapot), és -9V-ra zárja. Ezt szeretném vezérelni.
Értem.. Bár szerintem egy 4013-as jobban megfelelne neked, az tulajdonképpen egy billenőkör, két kimenete van (amennyiben az órád vezérléséhez is kettő bemenet van, vagyis polaritás váltással történik a zárás és nyitás) viszont még kellene tudni hogy mennyi áramot vesz fel a vezélréshez. (mA)
Amugy egy kétállású kapcsolóval szeretnéd megoldani a dolgot, vagy simán gombnyomásra be és gombnyomásra ki? Nagyon nem tudom, hogy hogy néz ki az órád és hogy mik a paraméterei, viszont a vezérlésében tudok segíteni megépíteni. |
Bejelentkezés
Hirdetés |






Itt a mostani állapotról a rajz. Egy kicsit mórickás lett, de a lényeg látszik.

!!!








