Fórum témák
» Több friss téma |
Ma már nem, de holnap összerakom annyira, hogy tudjam tesztelni jellel is. Ha 3 csövet hagyok az eredeti panellel és egyet külön ezzel a kis meghajtóval, akkor elvileg a kép egy részén kell látni valamit, ha jól sejtem.
Hát a három nem fog menni , mert az elektronika tiltani fog .De az a külön egy amit a kis meghajtóval fogsz működtetni az fog világítani , kérdés mennyire .Illetve kép az lesz valamennyire .
Ebben reménykedem. Akkor már csak a panelt kellene valahogy megjavíta(ttat)ni.
Melyik panelt ?
A gyári panelt, ami ezek szerint hibás.
Nem valószínű , hogy ott lesz hiba .Inkább a csövekkel lesz gond.
Kössz az eddigi tippeket, holnap folytatom a próbálkozást.
Ha LCD monitorról van szó, itt a helye!: https://www.hobbielektronika.hu/forum/lcd-monitor-problema
Az EEL-22W inverter trafót (sec) kéne kimérned... A hozzászólás módosítva: Feb 16, 2022
Ma jutottam hozzá, hogy kipróbáljam. A külső kis panelról hajtva egyesével a csöveket, látszik a kép, tehát szinte biztos a gyári panel hibája.
Ennek javítását már hozzáértés és felszerelés hiánya miatt nem tudom megoldani
Idézet: „A primer kb. 0.3Ω, a szekunderek 936Ω és 934Ω.” A trafó *eyess* fórumtárs szerint is jónak tűnik.
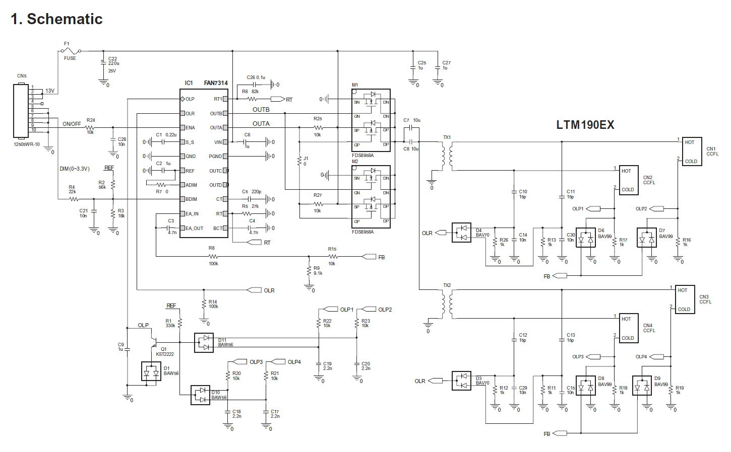
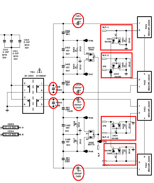
Nos ne add fel ilyen hamar .Ha rendelkezel némi kitartással ,és alapvető műszerezettséggel , akkor meg lesz a hiba oka.Teszek fel neked egy kis segítséget, és a rajzon bejelöltem , hogy melyek azok az alkatrészek amelyek elsősorban felelősek ezért a hibáért.illetve azokat az áramköri részeket , amik ugyan csak beleszólnak, egy ilyen jelenségbe.Pirossal jelöltem az ominózus helyeket.Ezeket a méréseket áramtalanított állapotban kell elvégezni.Tehát alkatrész mérésekről van szó. Nyilván ha kimérsz minden alkatrészt az lenne a tökéletes , de ezek amik be lettek jelölve elsősorban . Ha minden egyforma , és értékre is megfelelő , akkor jöhet a többi be nem jelölt alkatrész kimérése.
A hozzászólás módosítva: Feb 19, 2022
A kondenzátorokat már végigmértem, mind jó. Az 1kΩ ellenállások is rendben, a dióda-páros alkatrészeket nem néztem, rajz híjján nem tudtam, mi lehet az.
Az inverternek bármelyik része , ami hibás , arra egyből tiltani fog az elektronika .
Kössz az eddigieket, holnap folytatom a felderítést.
Folytattam a méréseket: minden félvezető külön és a párjával (pl. D401-D404) összehasonlítva is jónak találtatott.
Találtam egy rajzot hozzá, ez elvileg csak 4 ponton csatlakozik (+, -, ON, DIM). Ezt így külön be lehet indítani, illetve az ON lábra ha 5Voltot kötök, az jó? A hozzászólás módosítva: Feb 20, 2022
A lényegen nem változtat , hogy egy külső tápról indítod , vagy a saját tápjáról üzemel , ha az inverter hibát érzékel leállít .Kérdés , hogy tényleg jó e a táp rész , mert ha minden jó , akkor máshol kell keresni a hiba okát.Össze kell rakni , és beüzemelni , és ha lekapcsol a háttérvilágítás , akkor kell méregetni , hogy meg van e minden feszültség , ami kell.Ezek után nem zárnám ki a táp hibáját sem.
Jó felvetés, a táprészt nem ellenőriztem, viszont feltételezem, hogy jó, mert képet láttam a kis külső inverterrel hajtva egy csövet.
Egy táp sokféle feszültséget szolgáltathat , és onnan további táprészek is lehetnek.Akár 1,8v-32 v ig .Szóval lehet akár 3v os rész is , vagy 12 , vagy 5, vagy 24 az inverterhez pláne.Ezeket kellene megmérni , hogy a hiba jelenség alatt mi hiányzik.De az is lehet , hogy az inverteren lévő ic lesz a ludas .De mind ehhez méregetni kell.
OK. holnap tovább méricskélek, a táp nem lesz túl nehéz, van 5 Volt és 22 Volt a panel felirata szerint.
A tápfeszültségek rendben vannak.
Ma végre hozzájutottam egy rendes inverterhez, tudtam ellenőrizni a csöveket is. A négyből egy jó, kettő csak félhosszan világit, egy meg teljesen döglött. Kérdés: itthon hol lehet ilyeneket beszerezni, és ki lehet ezeket cserélni házi körülmények között? (nagyon egybe van építve a kijelzőpanel)
Építsd át LED-esre: ebay-en lehet kapni átalakító kiteket.
Nem biztos, hogy szeretnék belekezdeni egy ilyen átalakításba. Sok buktatója lehet: vezérlés, mechanikai - optikai különbségek.
Csak egy ötlet volt, nem kötelező használni.
Nekem van egy LG FB915BP monitorom, ami egyszer csak úgy döntött, hogy nem kapcsol be. Nem csinál semmit, nem jön be semmilyen kép, menü se. A bekapcsoló gomb villog. Még mikor élt, apám szétszedte, hátha a relé rossz, de nem az volt. Van ötletetek arra, hogy mi a baja? Esetleg van Sirok környékén aki megnézné?
Sziasztok! Kedvenc monitoromon vízszintes fekete csíkozódások keletkeznek. Ha változtatom a képméretet függőlegesen a csíkozódások helye állandó marad. A sorok párosodnak vagy ilyesmi.
A nagy panelen nem találtam hibás vagy repedt forrasztást. Egy ellenállás van elszíneződve R307 1 ohm a rajzon az IC 301 környezetében. Még nem mértem ki. Olyan is előfordul, hogy a sorméret összeugrik és párna alakot vesz fel a kép. Valakinek van valami elképzelése. Tudom nem mai darab, de évente kifújtam belőle a port, stb. De még mindig jó képet adott idáig. Köszönök minden segítséget.
Látom, hogy Elektrotanyán már megválaszolták a kérdést.
Igen, de számomra nem teljesen kielégítő a válasz. Azért próbálkozom ezen a felületen is.
|
Bejelentkezés
Hirdetés |
















