Fórum témák
» Több friss téma |
- Ez a felület kizárólag, az elektronikában kezdők kérdéseinek van fenntartva és nem elfelejtve, hogy hobbielektronika a fórumunk!
- Ami tehát azt jelenti, hogy a nagymama bevásárlását nem itt beszéljük meg, ill. ez nem üzenőfal! - Kerülendő az olyan kérdés, amit egy másik meglévő (több mint 17000 van), témában kellene kitárgyalni! - És végül büntetés terhe mellett kerülendő az MSN és egyéb szleng, a magyar helyesírás mellőzése, beleértve a mondateleji nagybetűket is!
Két fajtát szoktak használni. A 3,5mm-es, és a 2,5mm-es jack csatikat. Aztán hogy a 3 pólusú, vagy a 4 pólusú kell, az a telótól függ.
Vagyis a vékonyat úgy keresd, hogy 2,5mm jack csatlakozó.
3,5-es.
A hozzászólás módosítva: Márc 24, 2022
Akkor nézd meg ezt a linket. Itt láthatod antiktelefon által javasolt hosszított dugót. Ennek a nyakánál van egy rövidebb rész, ami kisebb átmérőjű, mint a csatlakozó teste. Kifejezetten azért, hogy a süllyesztettebb aljzatokba is be lehessen dugni.
De én a nevére vagyok kíváncsi, hogy kereshessek. Nem veszek jack csatlakozót 1200-ért. Amúgy ilyet még nem is láttam, ennek akkor szintén más neve kell, hogy legyen. Én olyanokat láttam, amik végig olyan vékonyak, mint ezen a rövidebb rész.
Ez a neve: 3,5mm jack dugó. ( angolul connector ) Aztán azon belül a gyártói típusszám, vagy az üzlet egyéb megkülönböztető elnevezése, hogy öntött, vagy szerelhető, stb segít az eligazodásban.
De most lett felsorolva 2 különböző fajta 3,5mm-es jack dugó, ami fizikailag, és használatában eltér. Van ahova mindegy, ott mindegy, meg van amibe csak az egyik fajta fér be. Az öntött nem segít az eligazodásban, mert van normál vastagságú öntött is, plusz a linken se öntött van, mégis belefér.
Ezt nézegesd. Láthatod, hogy nincs külön neve mindegyiknek.
A hozzászólás módosítva: Márc 24, 2022
Idézet: „ilyet még nem is láttam” Mivel fényképet nem tettél fel, honnét tudjuk milyen csatlakozóról írsz? Szokásod szerint a hiányos információk alapján vársz pontos választ! Ez nem működik és Te vagy megsértődve, ha erre figyelmeztetnek. Ne csodálkozz, ha erre a válaszodra is annyi negatív jelölést kapsz, hogy törlik. Részemről ezt a témádat lezártam. A hozzászólás módosítva: Márc 24, 2022
2.5 jack csatira tippelnék
Konkrétan egy oldallal visszább ajánlottam neki a Kácsát ÉS az Amphenol KS3PC sorozatot, csak trollkodni jár ide, fölösleges írni ezek szerint.
Tudom. Én is az általad javasoltat mondtam, hogy nézze meg. De falra hányt borsó.
Attól függetlenül kár, hogy nincs 90 fokos Amphenol dugó 3.5mm kivitelben meg 4 pines sincs, annyival jobb minőségű, mint bármi más. A rombuszmintás alu házas jackdugók geometriája rossz és konkrétan be sem lehet dugni csomó modern jack aljzatba olyan erő nélkül, amitől kb kitörik az érintkező belőle, az olcsó hatszög műanyagházas jack meg ugyan jó méretű, de még JBC pákával forrasztva is néha meglágyul a műanyag annyira, hogy a gyűrűk elforognak rajta. Persze audio jelnek nem árt az a pár ohm, de engem zavar, meg ha megcsavarodik a kábel, egymásba tudja forgatni a pineket, ami nekem nem baj, mert zsugorcsövezem erenként, de csomószor látok olyat, ami belül rövidre van zárva emiatt.
A Kácsa kis fekete 4 pines jackdugója is elég jó, de abba csak kör alakú kábel fér be és vékony, a 2 eres+külön árnyékolt meg a professzionális kábelek sajnos nem. Viszont náluk kapni a legjobb és legolcsóbb (ami a Kácsánál nagy szó ) kb leoni eres fejhallgatókábelt méterre.
Sziasztok!
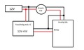
Van egy Arduino Mega amit akkumulátorról hajtok meg, ami 11-12-13 V is lehet. Persze a betápot az Ardu egy feszültség stabilizátor IC-n keresztül kapja meg, ami ~12V-ról állít elő 5V-ot. Viszont szükségem van arra is, hogy pontosan képben legyek hogy mennyire merült az akkumulátor, ezért egy feszültség osztón és egy hülyebiztos graetz hídon keresztül az Arduino egyik analóg lábán mérek referencia értéket, majd azt felszorzom egy összeggel, így megkapom a tényleges feszültségszintet. Ez a része működik is tökéletesen. Nyilván nem a legpontosabb, de a célnak megfelel. Kérdés az, hogy a graetz híd után, a feszültségosztó ellenállások előtt a GND-t összekötöttem a feszültség stabilizátor utáni GND-vel. Működni működik, csak kérdezem, hogy jól jártam-e el? Okozhat-e ez bármi gondot a későbbiekben, kell-e egyáltalán ide a közös GND? Illetve ami még fontos lehet: a feszültség stabilizátor IC kikapcsolható, míg a feszültség mérő áramkör folyamatosan él. Ez bonyolíthat-e dolgokat? Gondolok itt az IC ki-be kapcsolásánál. Pl. hogy az ardu analóg lábán feszültség van (az ellenállásoknak hála 0-5V között) de az ardu nem üzemel. Illetve lehet hogy üzemel? mert fizikailag a betáp felől GND-t nem bontom, az analóg bemeneten meg feszültség van A hozzászólás módosítva: Márc 25, 2022
Nem jártál el jól. A diódák miatt a két GND más-más potenciálon van és a diódák meghamisítják a feszültségmérést mert nem lineáris alkatrészek. A helyes sorrend:
Akku - polaritás védelem - feszültségstabilizátor. A fesz.stab. előtt egy leágazás a feszültségméréshez. Védelemhez egy cikk, itt: Egyperces: Polaritás védelem MOSFET-tel. Idézet: „Persze a betápot az Ardu egy feszültség stabilizátor IC-n keresztül kapja meg, ami ~12V-ról állít elő 5V-ot.” Az kevés lesz. Az arduino megának minimum 7V betáp kell, tehát ha rám hallgatsz egy 7809 stabilizátor IC-n keresztül hajtod meg. A hozzászólás módosítva: Márc 25, 2022
Sajna ezt a sorrendet nem tudom megvalósítani, mert én az eszközömmel már a fesztab után kapcsolódom be.
Az hogy nem teljesen pontos a feszültség mérés nem probléma. Azt hittem egyébként, hogy mivel egy közös tápról megy az egész, a GND mindenhol ugyan a potenciálon van. Tehát a mostani megoldásnál az is jobb, ha egyszerűen megszüntetem a közös GND-t a feszültség osztó és a betáp GND között?
Ha VCC lábon táplálnám akkor igen, de van rajta direkt 5V-os ág, tökéletesen működik róla.
Elég sok bajt okozhat ha kihagyod az arduino saját LDO-ját. De ha bátor vagy akkor hajrá.
Ez érdekel. Milyen tapasztalatod van ezzel kapcsolatban?
HA a fesz.stab után kapcsolódsz be, akkor hogyan jutsz hozzá a 12 V-os ághoz?
Csak egy diódát használj polaritásvédelem gyanánt, a GND-ket ne hurkold. Így nem az igazi a feszültségmérés de ha neked így megfelel, akkor ennyi elég. A GND-ben is jelen lévő diódák eltolják a GND pontot.
Nem kötelező a beépített feszültségstabilizátor használata ha a külső is ellátja a feladatát.
Idézet: „A GND-ben is jelen lévő diódák eltolják a GND pontot.” Aham... Jól értem, hogy amit a stabil feszstab IC-ről kapok GND, mivel arról megy az egész ardu, és a többi eszköz az a tényleges "0"? Míg a Graetz híd+feszültség osztó részről beérkező GND már "0,5" (csak példaszám) ? És mivel ezt a kettőt egy helyen összekötöm így az egészen megemelkedik/leesik picit a feszültség? Kezdő vagyok, bocsi
Valamit nem értek. Ha akkumulátorról jár, ( DC ) akkor minek bele graetz?
Az akku negatív sarka a föld, a pozitíról jár az arduino stabilizátora gondolom. Még polaritás védelem sem kell nagyon. simán a DC bemenetre teheted az osztót, amivel méred az akku feszültséget. Egy 100k/20k osztóval jól számolható végeredményt kaphatsz.
Vagy a teljes táplálás megy a graetz után? És így mindegy, hogy milyen polaritással rakod rá az akkut? Ez így érthető. De akkor két diódányi feszültséggel lesz nagyobb az akku fesz a DC bemeneten mértnél.
Ez abban az esetben megoldható lenne, ha a teljes projekt az enyém lenne. De ez egy összetettebb dolog. Írtam is, hogy a feszstabhoz sem férek hozzá. Kvázi kapok egy 5V-os szálat és egy 12V-os szálat. Összevonni sem tudom, hogy a 12V-on mérek feszültséget és az 5V-ot is abból állítom elő közvetlenül, mert voltak ezzel problémák. A graetz is kell, mert azon az egy ponton fordulhat elő fordított polaritás emberi hiba miatt.
Emiatt is, és egyéb okok miatt is ennek a két iránynak maradnia kell. Ezért is nem erre irányult a kérdésem, mert a teljes rajz nélkül úgyis csak találgatni tudtok. Így is nagyon sok hasznos infót kaptam hála nektek. Kezdésnek a két bejövő szál közös GND szálát meg fogom szüntetni. Utolsó kérdés: Az esetleg okozhat-e gondot, hogy az Arduino megkapja szakítatlanul a GND-t, és az analóg lábán feszültség van, de maga az Arduino nem kap tápot? A hozzászólás módosítva: Márc 25, 2022
Ha a mérendő feszültség nem direkt kapcsolódik a kontrollerre hanem úgy mint a jelen esetben, feszültségosztó ellenállásokon keresztül, nem lesz gond.
Egyébiránt probléma lehet a kontrollerben lévő védődiódák miatt.
Hello!
Elkészítettem egy ilyen kapcsolást: https://circuit-diagramz.com/wp-content/uploads/2019/01/Soft-AC-Line-Start-Schematic-Circuit-Diagram.jpg ...de nem működik. Változás a kapcsolásban nagyobb terhelés (600W) miatt: 1N4004 helyett BY550-400 390R 5W helyett 10W TIC106S (700V) helyett TIC106M (600V), mert csak ezt lehett kapni Az elkón 0,06V van állandó jelleggel, nem változik. A 390R ellenállás forr, a kimenet 5-től 10V-ig durván 5-7mp alatt ér el, noha 2-3mp alatt 220 voltig kéne eljutnia. Többször ellenőriztem a rajzot és a megépítés nem tér el tőle (a fentieken kívül). Mi lehet a hiba? Illetve, mivel elektronikában nem annyira vagyok otthon, ha ez alkalmatlan a 600W/230V lassú indítására, akkor mi az, ami egyszerű és képes rá? 2-10mp lassú indítás lenne a cél. Köszönöm!
Az a 100μF véletlenül csak 100 nF. Vagy fordítva.
|
Bejelentkezés
Hirdetés |




) kb leoni eres fejhallgatókábelt méterre. 





