Fórum témák
» Több friss téma |
Fórum » Kapcsolási rajzot keresek
Témaindító: Kallai Csaba, idő: Márc 11, 2006
Témakörök:
Sziasztok sherwood eq-1330 keresek kapcsolás rajzot tudna esetleg valaki segíteni ebben?
Tisztelt tagok !
Keresek,Parkside 1200W -os generátor ,inverter kapcsolási rajzot. Köszönöm ! Üdv-:qcy
Tisztelt tagok!
Olyan HE taggal szeretném felvenni a kapcsolatot, aki javított már REGENT 50b1 erősítőt és tudna segíteni annak újra élesztésében. Köszönöm előre is.
A közvetett áramvisszacsatolásos mérőerősítő az differenciálerősítő? És a differenciálerősítő kivonó áramkör, ami a szimmetrikus jelből asszimetrikusat csinál? Állítólag ez jobb, egyszerűbb, és olcsóbb megoldás. Tud valaki ilyennel megoldott asszimetrizálót mikrofonnak? A terv az lenne, hogy raknék a gépbe egy szimmetrikus alaplapi kivezetést, vagyis kettő bemenetet minimum. Nem igazán tudom, hogy miket lehet rákötni az alaplapra. 22. oldal A GND MIC2 L+R OUT2 L+R oké, csak a többi nem. Szóval a PC táp 12V lenne a fantomtáp, és asszimmetrizálás után menne az alaplapra. Esetleg kapcsolóval lehetne ki-be kapcsolni a fantom tápot, esetleg lenne csatlakozó jobb tápnak, és azt is ki lehetne választani. A J sense gondolom bedugott jack érzékelése, vagyis XLR esetén kapcsolni kell. Kábelben ugye mindegy milyennel van összekötve? Úgy tudom a mikrofonkábelben egymás mellett van a 2 jelvezeték, de a másik kábelnél is csak fél centire van. Bár mindenek előtt felmerül egy fontos kérdés. A mikrofon bemenetre kapcsolva minden gépnél úgy emlékszem, hogy zaj volt. Ez a mikrofonjaim miatt volt, vagy érdemesebb lenne a LINE IN-re illeszteni a kisebb zaj miatt?
Szevasztok !
Keresem a VST 3 - 48/16 típusú akkutöltő rajzát . A Híradótechnika Vállalat gyártotta 1978-ban . Köszönöm .
Hello! Van topikja. Bár infó nincs benne, mert aki tudta már nincs itt..
Ott dolgoztam diákként, nyári munkán a meo- ban amikor meghozták a minta darabot. Ilyet fogtok gyártani. A mérnökök nézegették. Terta kocka, tirisztor.
Következő nyáron már láttam a sorozat gyártást. S még a seregben is visszaköszönt.
Szervusztok !
Keresem az ORION T32 DLED TV szervizmanuálját vagy kapcsolásirajzot. Köszönöm.
Szervusztok!
GÜDE MBS 125V szalagfűrész villamos kapcsolási rajzát keresem (fordulatszám szabályzós). Előre is köszönöm segítségeteket!
Sziasztok!
Monacor HPB-806 autós erősítő kapcsolási rajzát/szervízkönyvét keresem. A hozzászólás módosítva: Márc 22, 2022
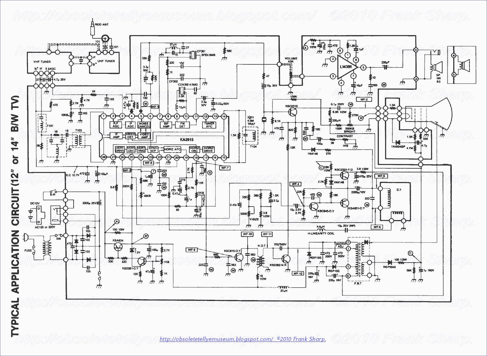
Sziasztok, egy AudiTon BWTV 112R-hez keresek kapcsolási rajzot.
Kép: Link Ez egy aprócska fekete-fehér tv. Működőképes, de csak antenna bemenete van és szeretnék videó bemenetet rá. Ha jól tudom az AudioTon távolkeleti gyártók termékeit importálta saját brandként, így elképzelhető, hogy más márkanév alatt is előfordul ugyanez vagy nagyon hasonló tv, de sajna nem találtam róla infót. Idézet: Én is hallottam olyat, hogy Ausztriában vettek valahol egy AudioTon TV -t, és a belseje egy az egyben lengyel Unitra volt. Tényleg át kell bogarászni, milyen IC-k vannak benne, esetleg azok adatlapjából többet megtudsz. „Ha jól tudom az AudioTon távolkeleti gyártók termékeit importálta saját brandként”
Köszi a választ, szétszedem és kikutatom.
Vannak rajzaim de kell hozzá az ic típusszáma.
Nah sikerült kiderítenem, az IC egy KA2915.
Sikerült is megtalálnom a videó kimenetet az 5. lábon. Egy jumper köti össze a nyák többi részével, így nem nehéz leválasztani az IC-t és saját videó jelet küldeni rá. Sajna itt elakadtam, mert hiába próbáltam composite videó-t rákötni, a kép nem működött, gondolom a jel nem volt megfelelő.
Jó eséllyel ez a kapcsolás http://www.datasheet39.com/PDF/389550/KA2915-datasheet.html
Itt van egy másik ebben cd5151 ic de megegyezik a ka2915 itt megnézheted az audió videó csatlakozást
Sziasztok
keresek panasonic sa ht 340 házimozihoz kapcsolási rajzot ha valaki tud légyszi küldje el A segitségét elöre is köszönöm
Akkor tedd fel a kérésedet a kapcsolási rajzot keresek topicban.
Sziasztok. Tanácstalan vagyok. Mikro számítógépeimhez ( 6502-6510-8088-Z80-8085-8080) szeretnék egy "univerzálisan" címezhető terminál áramkört.
A főbb feladatai egy monokróm kompozit kimenet, saját karakter készlet (nagybetűk, néhány + karakter és ennyi) és billentyűzet kezelés igény szerint de ez nem szükséges csak opcionális. A fontosabb az volna hogy a számítógép x üzenetet küldve az áramkörnek azt a karakter készletéből "kifordítva" megjelenítené a kijelzőn. A billentyűzetes opciónál képes legyen az angol billentyűzet kezelésére, de nem teljes querty-re. Szerintetek milyen áramkörrel (akár cél akár TTL) valósíthatóak meg ezek az igények egyszerűen? Nem nagyon akarok programozható eszközt bele (ide nem értve ramot és epromot). Válaszokat előre is köszönöm.
Hali!
Ez a szükségleteid alapján egyértelműen mikrogépes feladat. A feladatod részletességétől függően egy kisebb mikrovezérlő is jó lehet, emlékem szerint pic16f84-ből is csiholtak ki videojelet...
Szia, végül keresgéltem elég sokat a témában így mindenképp kelleni fog bele valamilyen mikroprocesszor ami a képelőállítást és a karaktergenerálást végzi.
AVR közelebb áll ugyan hozzám de pic-et is gond nélkül tudom programozni ha muszály...
Nyilván amelyik proci legszimpatikusabb... De ugye ahogy az igényelt képpont felbontásod növekszik úgy kell egyre erősebb/gyorsabb proci, memória igény... parallax propeller procival viszonylag egyszerű hw környezettel jópofa dolgokat lehetett csinálni, nem tudom mennyire elérhető még. Nem kis feladatot találtál ki, a legegyszerűbb lenne a fenn említett számítógépeid közül "beáldozni" egyet
esetleg Bővebben: Link viszonylag olcsó, erős proci
Kedves Fórumtagok,
Egy VEB/RFT SPM101(TYP00006) zajszintérőnek keresném a kapcsolási rajzát. Csatolok egy képet arról, hogy is néz ki a műszer. (A kép internetes forrás)
Szevasztok!
Keresem az ERSA páka nyák rajzát. Ez egy analóg 60 pákaállomásban található. Köszönöm a segítséget. Üdv. M.
Hi!
Keresem a szovjet FIL 11 vaku kapcsolási rajzát, de eddig csak fényképeket találtam róla. Ha valaki tud, légyszi segítsen. Üdv, Rukh A hozzászólás módosítva: Jún 4, 2022
Illesz egy UART -ot a mikroszámítógépedhez, valósítsd meg a TTL - RS232 szintillesztést, a PC -n futó terminál emulátor (Hecules) lehet a megjelenítőd.
Pont a számítógép nem kellene hozzá.
|
Bejelentkezés
Hirdetés |














