Fórum témák
» Több friss téma |
Mielőtt kérdezel, a következő két dolgot ellenőrizd!
I. A helyes tápfeszültségek megléte.
II. A kimeneten van-e egyenfeszültség.
Élesztés.
Szia!
Első körben nézd meg nincs-e protectben a gép, nem villog-e a kijelzőn valami. A hangszóróvédő relék kapcsolnak bekapcsoláskor? Próbáld ki a fejhallgató kimenetet is. Elég bonyolult cucc, végig kell követni a MUTE-ot és a PROTECT vonalakat.
Inkább 100Hz az, 50Hz sehogy sem lehet ott. Mutatok egy mérést, PCL86 SE szintén brummos picit mert ebben sincs fojtó csak egy RC szűrés, az R tagon 13V esik. A jelet a trióda katódján mértem a csatolókondi után. Ez akkora brumm hogy 0,25W-nyi zenénél már nem is hallható.
Szóval nem kéne ott akkora brummnak lennie, akkor se ha trafó van a közelében.
Köszi! Nem gondoltam volna hogy az RC és a LC szűrés ennyire számít.
Akkor a tápon módosítok. De akkor mi csinálja ezeket a tüskéket? Csatolok képeket szkópról. A trióda anódjáról lejövő kondit nézem miközben csak egy 470K-val van a vezérrács földretéve és más nincs rajta. Nagyítottam a tüskét..
Az az 5us széles félhullám vagy valami gerjedés vagy ha jól látom az éppen 10ms-onként van, akkor az valami egyenirányítás vagy trafó probléma, arra hasonlít mint amikor el(túl)gerjed a trafó egyik irányban. Azt kéne megnézni, hogy milyen a trafóból kijövő áram jelalakja. Nem hibás valamelyik egyenirányító dióda?
graetz-t használok, valami 20A-es 1000V-os új darab volt... bár már elég sokat használtam, kb 3-4szer volt ki-be forrasztva... Megnézem a trafót is.
Szia!
Egy jó tanács: Ha elvi rajzot készítesz, akkor az áttekinthetőség kedvéért jobb, ha a szabványos rajzjeleket használod. Ha ezek helyett a négyzetek helyett szépen megrajzolod a szabályos műveleti erősítő szimbólumokkal ugyanezt az áramkört, akkor sokan első ránézésre fognak tudni válaszolni.
Szerintem akinek ez akadály, az nem tudna ránézésre válaszolni.
Nekem úgy tűnik mintha rosszul lenne vezetékezve a táp és megkerülné a Graetz árama a puffert. Két vezetékkel rámegyünk a pufferkondira és két vezetékkel eljövünk róla.
Nincs protectben. Relék kapcsolnak bekapcsoláskor.
Tuti, hogy mute-be megy állándóan mert lekapcsolja a reléket is, meg az előerősítőt is (egy tranzisztor földre teszi a bemenetet). Valószínű a dsp panelnek annyi.
Nekem pl. akadály, mert bogarássza ki "Veisz Gizi".
(Egyébként csak utána kellene nézned kicsit.)
Ebből nem tudtam meg, de rá van írva, hogy mi mi, nem kell bogarászni.
Tessék.
Karesz például ránézésre tudott volna véleményt, tanácsot mondani, ha te nem kötöd magad buta módon önkényes rajzjelekhez. Aki már sok ezer elektronikai kapcsolást tanulmányozott, ( Amiket érdekes módon mind szabványos szimbólumokkal szoktak megrajzolni. ) annak a szeme, agya egyből rááll a lényegre. A te rajzodra ránéz valaki, és már lép is tovább, pláne ha látja az értelmetlen makacskodásodat. Ha szerencséd van, egy angyali türelmű jótét lélek átrajzolja korrekt formára. De te már annyiszor rondítottál bele mások segítő szándékú igyekezetébe, hogy nem tolonganak.
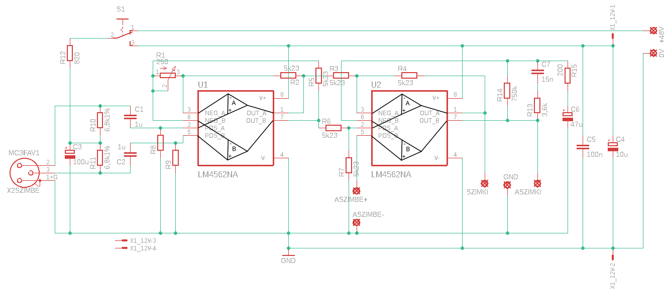
Csatoltam a nyáktervét a tápnak.
De ezen mindenképp változatatok..
Erről beszéltem, ez így nagyon nem jó!
A szöveget már nem mentette el...
Berajzoltam hogyan kéne a vonalakat vinni, az 560/50W helyére meg ha nincs fojtód és van a fiókodban 500V-os FET akkor próbáld ki a fetes áteresztőt azzal tudsz késleltetni is, relé sem kell.
Van fojtóm elvileg, bár elég régi és nem tudom bírja-e ezt az áramot.. Délután megkeresem őket..
Milyen nagyságú kéne ide? 2H? 5H? De ha az nem lenne jó akkor a fetes megoldást is megpróbálom. Köszönöm a segítséget!
Azon a rajzon azt se látni, hogy mire megy a 2 ellenállás az INA bal oldalán, még lábszám sincs. De ha lenne sem tudtam meg az ég világon semmit abból, hogy berakott egy képet az INA adatlapjából. Pont arról van szó, hogy nem azt nézte hogy jó-e, hanem megmondta nekem, hogy nézzem meg, hogy jó-e. Ha biztos lennék abban, hogy jó, nem kérdeztem volna. De nem csak úgy dísznek tettem be semmit, meg az értékeket sem. Nem tudom, minek kéne még utánanéznem azokon kívül amik alapján ezt megrajzoltam. Nekem egyértelmű, hogy a PosA micsoda, viszont a jelzés nélküli bekötés meg nem. Amúgy meg a Kezdő kérdésekben pont azt kérdeztem, hogy nem-e jobb az ilyen, pl. ami a képen van, ami direkt arra készült, de senki nem mondott semmit, hisz előtte már megmondta valaki, hogy az a legjobb ami az én rajzomon van, azért ezzel rajzoltam...
Azon a rajzon minden egyértelmű. Ha fogod magad, és pepötyögöd a böngésződbe az INA217 datasheet kereső kifejezést, akkor feldobja neked a Texas Instruments oldaláról ennek a mérő erősítőnek az adatlapját. Ott láthatod hogy ez egy tipikus Instrumentation Amplifier, aminek nagyon alacsony a zaja, és torzítása is, tipikusan kiválóan használható szimmetrikus jelek erősítésére, így mikrofon erősítő céljára is.
És ott is a szabványos műveleti erősítő szimbólumokat használják. A rajzáról láthatod a kérdéses elemek bekötését. De te tudod, hagyd így a rajzodat, én nem fogom helyetted átrajzolni.
Semmi új infót nem írtál le nekem most ezzel, sőt, ha elolvastad volna amit én írtam, beszéltem erről is. De kiegészítettem.
Idézet: „R8, R9-nek milyennek kell lennie?” Idézet: „Ebből nem tudtam meg,” Pedig oda van írva, hogy 2k2. De ha mindent tudsz akkor mi a kérdés?
Ha egy jó tanácsot megfogadsz, nem tudom milyen programban dolgozol, és miért négyszögre
sikerült a műveleti erősítő, (talán csak beállítás kérdése...) de gyanítom ha jobban körülnézel benne, esetleg találhatsz olyat ami normálisan tünteti fel a rajzjelét, még ha a típusszáma nem is az, de lábkompatibilis, a típusát biztos át lehet írni a neked megfelelőre. És ha már magad miatt nem is, de legalább a közszemlére tett rajzaidban mutathatnál egy kis igényességet... Mondjuk úgy, hogy: -a vezetékeket nem húzgálod át alkatrészek alatt/felett, -az alkatrészeket ne egymás hegyére/hátára dobáld, -az érték és pozíciószámozás ne lógasd rá a vezetékekre. Ez által sokkal áttekinthetőbbé válik a rajzod is, és nem utolsó sorban magadat jobb fényben tünteted fel, aki nem csak úgy kókányolja a terveit, hanem némi esztétikumot is belevisz. A hozzászólás módosítva: Júl 1, 2022
Szerintem ő nem erre gondolt, hanem az erősítés beállító trimmer-ellenállás párosra.
Nem biztos, hogy így jó (nem szimuláltam le és nem fogom kipróbálni).
Megtartottam az eredeti elképzeléseid egy részét - az instrumentális erősítőt LM4562-vel - az átkapcsolható fatomtápot De felhúztam féltápra az opamp bemeteteit, hogy egyáltalán működjön a kapcsolás. És kihagytam a negyedik opampot, mert feleslegesnek tartom. Igaz így figyelni kell arra, hogy ne menjen ki a fantomtáp az aszimmetrikus bemenetre, pl. reteszelni kell az átkapcsolót, vagy ilyesmi.
Az első hsz-ben ezt kérdezte: "..Jó ez így? R8, R9-nek milyennek kell lennie?... "
Nem szeretnék ezzel tovább foglalkozni. Idézet: „Azon a rajzon azt se látni, hogy mire megy a 2 ellenállás az INA bal oldalán” Viszont ez a te általad javasolt kapcsolásra adott kérdése. De igazad van, hagyjuk. Nehéz vele dűlőre jutni.
Nem. Ez a te válaszodra adott válasz, miszerint jobban látható azon, hogy mi mi, miközben azon nincs jelölve ami ezen van. Mert ugye nem arról beszéltünk senkivel most sem egy pillanatig sem, hogy a kapcsolással van-e baj, és mi, és miért. És persze meg lehetne rajzolni olyan alkatrészt, meg lehetne keresgélni olyan lábkiosztást, és lehet, hogy lenne olyan, de ez mind sokkal tovább tart, mint elolvasni, hogy out_a. És direkt így rakom, nekem így tetszik, direkt nem a vezetékeken húzgálom keresztül, ha tudom, nem véletlenül megy alkatrészeken keresztül.
A hozzászólás módosítva: Júl 1, 2022
Így igaz, de az INA erősítő, az először Karesz hozzászólásához mellékelt rajzon jelent meg, és te azon morogtál, hogy azon nem látod az INA bal oldalán a lábszámozást.
Idézet: „Azon a rajzon azt se látni, hogy mire megy a 2 ellenállás az INA bal oldalán, még lábszám sincs. De ha lenne sem tudtam meg az ég világon semmit abból, hogy berakott egy képet az INA adatlapjából.” Karesz által berakott rajz egy világbajnok mikrofon erősítő rajza. Az INA217 egy professzionális mérő erősítő, differenciális jelek erősítésére. Sokkal komolyabb akusztikus szenzorok jelfeldolgozására alkalmas mint akármilyen mikrofon. Csak gondolj a szonár rendszerekre.
Hiába idézed, akkor is jobban tudom, hogy mire írtam, nem azért írtam, hogy mire írtam, mert elfelejtettem. És És nem tudom miért mondogatod, hogy jó erősítő. Senki nem mondta, hogy rossz, a kérdés hetekkel ezelőtt is az volt, hogy jobb-e, és az nem válasz, hogy jó. És én is ismételhetem, hogy nekem meg erre nem válaszoltak, viszont háborogtak, hogy miért nem jó az LM4562, mikor már megmondták, hogy az a legjobb erre...
Teljesen jó a rajzod, gratulálok hozzá! Csináld meg. R8, R9 legyen 2.2k.
Ha eleinte mégsem működne valami miatt, majd később lenne mondjuk 46 dB mély emelése az aszimmetrikus fokozatnak majd segítünk megoldani a problémákat, mert megérdemled. Nyugodtan rajzolhatod kersztbe-kasul eligazodunk rajta... nem egy bonyolult szerkezet. Amúgy a net tele van működőképes mikrofon erősítőkkel (is). Félve jegyzem meg, hogy a műveleti erősítők lábkiosztása szabványos, de ezt neked még nem kell tudnod. Izgatottan váruk a fejleményeket |
Bejelentkezés
Hirdetés |


















