Fórum témák
» Több friss téma |
Az ilyen szuper poénokat sütögessétek el áprilisban. Egyébként a Sgnetics rengeteg újítást hozott és ez nem tréfa.
Úgy olvastam valahol, hogy egy ottani mérnök poénja volt, hogy betette a katalógusba, aztán csak figyeltek, mikor jöttek a megrendelések...
Volt humora a srácnak! "Write Only Memory" és a többi marhaság. Le a kalappal.
Meeegtaláltam: http://www.tavir.hu/cikk-wom/
Sziasztok!
Kenyérsütőben mi lehet ez az alkatrész, és hidegen szakadást, vagy folyamatosságot kell neki mutatni? Nekem szakadást mutat, lehet ezért nem melegszik a fűtőszál, ami kimérve jó. Előre is köszönöm a válaszokat!
99.9% az esély hogy hőbiztosíték és szakadt .
Szerintem a hőbiztik nem ilyenek, ellenben például a KTY83 sorozatú hőmérő szenzorok igen. Ha nem szakadt, akkor 1 kOhm körül kellene lennie.
Lehet hogy van még egy hőbiztosíték is valahol, ami szakadt.
Azt kéne megnézni hogy a képen szereplő alkatrész az hogy van bekötve, illetve a fűtőszállal sorosan van-e olyan alkatrész, ami a hőbiztire hasonlít. Ha a szenzor szakadt, akkor még az is lehet, hogy a vezérlés tiltja le a fűtést a szakadt szenzort érzékelve.
Ha levágod róla a kabátot lehet hogy nem kell tovább találgatnunk ...
Igen, van kettő hőbizti, mind kettő jó.
Ez akkor termisztor lehet. Szobahőmérsékleten a kép szerinti értékét mértem. Vajon jó lehet?
Elvileg létezhet olyan termisztor, ami szobahőfokon 84 kOhm.
Próbáld ki, hogy pákát közelítve hozzá mennyire változik a mért ellenállás.
Melegítve 40kOhm-ot mutatott.
Létezik, hogy azért nem indul meg a felfűtés mert nem jó értéket ad?
Nem valószínű. Hogy szűnt meg a kenyérsütő normális élete? Volt valami villámlás a környéken? Vagy egyszer csak kikapcsolt, és azóta se kép se hang?
Ez egy Hauser BM 801 gép. Idősebb, de használva nem volt soha sem. Gondoltam beüzemelem. Az állástól a bordás szíjak tönkrementek, kicseréltem. Jött a próbasütés, teljesen végig ment a program, csak semmit nem melegített a gép. Hát ennyi a története.
Ez érdekes. Lehet hogy soha nem is volt jó, csak ez most derült ki.
Dokumentáció, szervizkönyv, kapcsolási rajz gondolom nincs róla. Csak akkor fogj hozzá, ha rengeteg időd van megfejteni az áramkört, a vezérlést, az egész logikáját. Sok sikert!
Sziasztok!
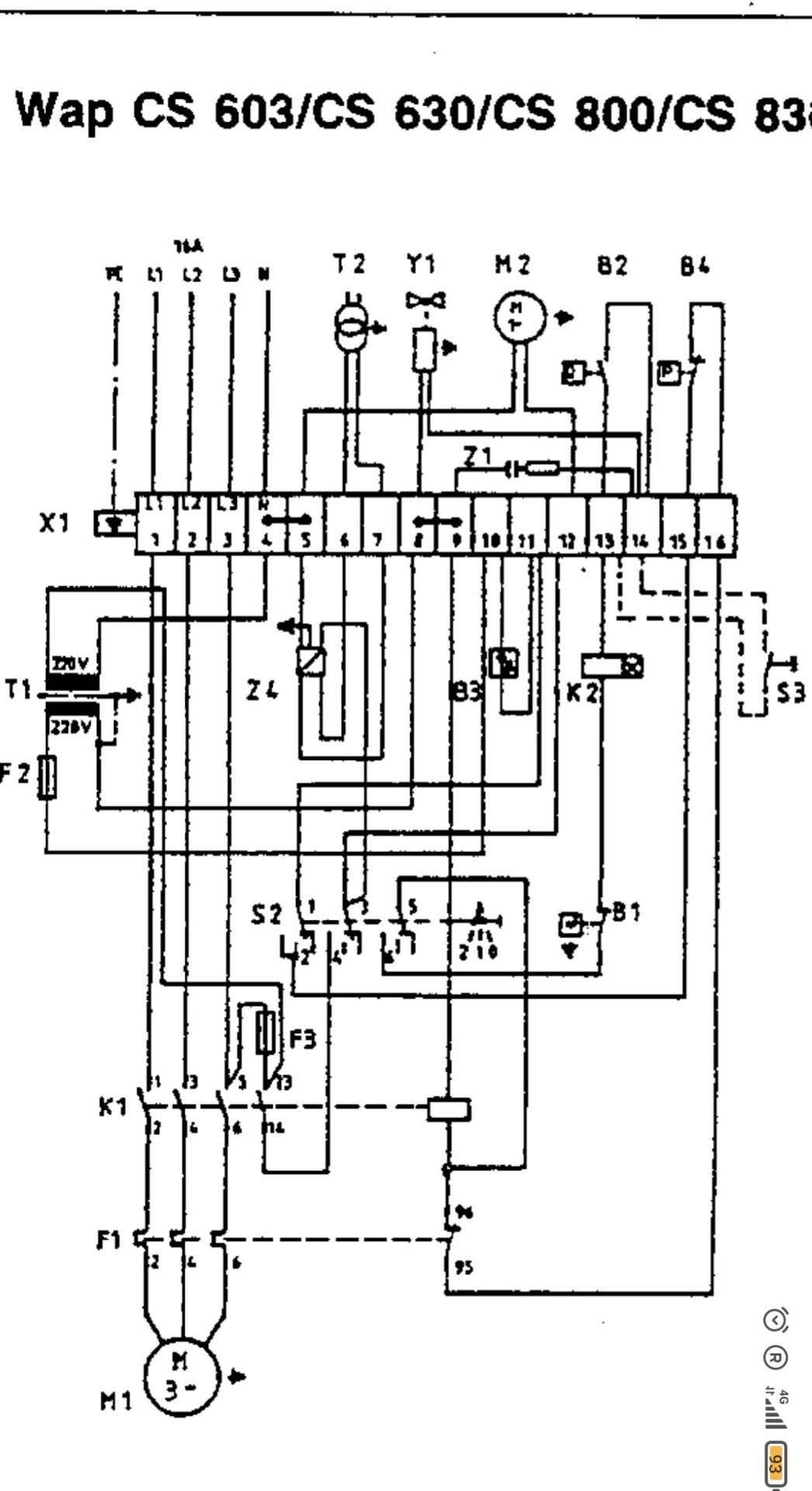
Van egy régi WAP 800cs magasnyomású mosóm. Amit,ha fűtés üzemmódba kapcsolok, akkor levágja a kismegszakító egyik fázisát a háromból. Az alkatrészeket szisztematikusan kikötve a zavarszűrőnél volt a hiba, vagy esetleg utána. A gyárin kívül (80-120euro) hol találhatnék másik alkatrészt ebből? Mellékelem a képet. A gép kapcsolási rajzát is megadom. Köszönöm előre is!
Ha ezt kihagyod belőle is el kell indulnia, egyébként azt hiszem "Ferci" fórumtárs hirdetett nemrég az apróban több darabot is, hasonlót..
Megy az anélkül is, de ha nagyon akarsz bele ilyesmit, van választék: Bővebben: Link.
Írtam is neki. Ha kihagyom az alkatrészt, akkor mi lenne a helyes bekötés sorrendje? Sw-Rt, Sw-Bl?
Igen. SW-rt rövidzár és SW-BL is. Ha akkor is leveri a kismegszakítót más baj van.
A hozzászólás módosítva: Aug 7, 2022
C95 talán: SN74LVC1G34DCKR
9qs-re ötletem sincs. Milyen áramkör ez? Analóg, vagy digitális alkatrészek lehetnek?
Köszi, nagy valószínűséggel ez lehet, tranzisztort hajt meg. A készülék vegyes-felvágott, de főleg digitális a dolog.
Sziasztok,
Tudnátok segíteni, hogy a csatolt képen látható alkatrészt mivel tudom kiváltani? Köszi!
Pont ezt néztem én is. Köszi.
Hali!
A képen látható, a 154 es ellenállás alatt, tranzisztornak vélt alkatrészt szeretném beazonosítani. Nem tudom értelmezni a feliratot. Kérem, akinek egyértelmű, segítsen. A hozzászólás módosítva: Aug 13, 2022
Ez milyen panel pontosan és Q a pozíciószáma? Felülvonással lehet még mps gyártású ic is, de nem valószzínű. Ha egy nagyon kis hővezető pasztát beledörgölsz, olvashatóbb lenne a felirat, X0MV vagy XOMV?
Fölötte az egy tekercs? 2 vastag, 1 vékoyn vezetősáv lehet inkább tranzisztor, de ha visszarajzolod, könnyebb lesz, eléggé leszűkíti a keresést, ha tudni lehet tranzisztor/fet vagy valami táp vagy referencia ic. De tényleg tranzisztor gyanús. A hozzászólás módosítva: Aug 13, 2022
|
Bejelentkezés
Hirdetés |


















