Fórum témák
» Több friss téma |
Köszönöm Ferci és Skori!
Most már a gerjedésig el sem jut, hanem a teljes U_FŐTÁP-ot átengedi Q3 a kimenetre. Valamilyen szinten működik, mert ha Q1 E-B-t rövidre zárom, akkor Q2 és Q3 is teljesen lezár, U_KI persze 0V lesz. Próbaképpen R1-et kicseréltem 100kOhmra, Q1_U-EB lement 630mV-ra, U_KI nagyjából 5%-ot csökkent. A valóságban U_FŐTÁP közel 19V, RT 100 Ohm. Ha megvan a megoldás jelentkezem. Jó éjt, és köszönöm szépen!
Remélem, azt a kis diódát nem fordítva raktad be..- ha van, tegyél oda egy kis schottkyt, a katódja ( a gyűrű ) a P_U_Ki poti felé nézzen.
Valahogy ez az érzésem az utolsó beírásod után.... mintha ott se lenne ( TUTI! ). "... R1-et kicseréltem 100kOhmra, Q1_U-EB lement 630mV-ra" - kevesebb bázisáram, kisebb Ube és nem dolgozik ellene a diódás kör. A hozzászólás módosítva: Jan 26, 2022
Sziasztok!
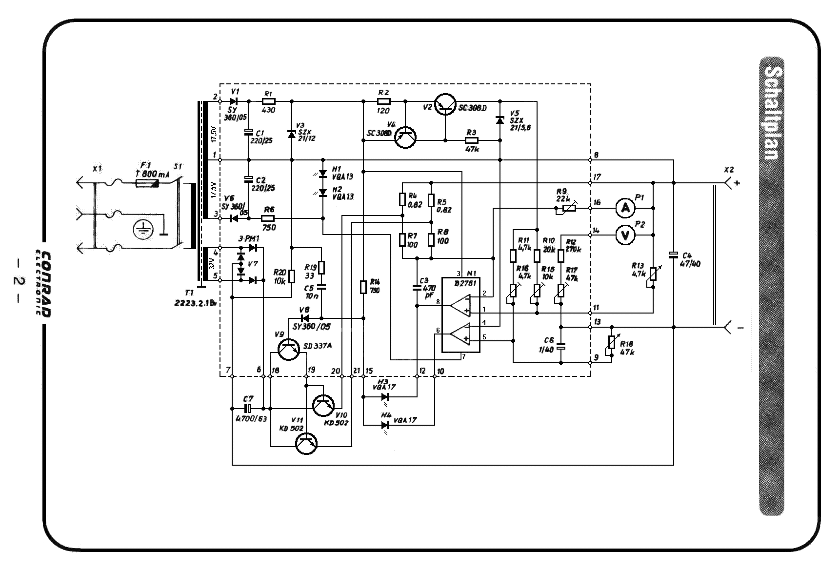
Egy Mátrix 3005L-3 labortápnak a rajzát felteszem ide is. 4 hibásból 1 jó lett ennek a rajznak a segítségével. Mindenki használja egészséggel. Többire még idő nem volt! A hozzászólás módosítva: Jan 26, 2022
Igazán nincs mit!
Egy-két dolgot még megemlítek: - a biztosítékot tartalmazó panel ki került a készülékből ami igen nagy hiba! Amivel javítás során találkoztam és szomorúan tapasztaltam hogy 2n3055 zárlatba ment és vitte magával a 4db diódából álló egyenirányító hidat. Mivel nem volt benne biztosíték így a legvékonyabb fólia égett el a dióda hídtól nem mesze. +15V a -15V meg volt. Hibajelenség hogy a táp nem szabályoz se feszültségre se áramerőségre. -a relék huzamosabb idő után megoldanak. -A ICL7107 helyett találtam más hasonló lábkiosztással ic-t beforrasztva, vagy deprez műszer volt a helyén. -valamelyik pozíció szám megegyezik a panelen lévővel, valamelyik változott a 30 év távlatából. Értékre viszont rendben volt. Egyenlőre ennyi, ha valami eszembe jut akkor írok. A hozzászólás módosítva: Jan 26, 2022
Idézet: „-a relék huzamosabb idő után megoldanak.” Ez mit is jelent pontosan?
A relé minősége igen gyatra vagy alul van méretezve.
Találkoztam 5A típussal,igen alul méretezett. Én csere esetén kaptam 10A típust.
Megolvadnak.
![]() A megnövekvő átmeneti ellenállás miatt az érintkezők kivezetése a műanyag házat megolvasztja.
Üdv mindenkinek!
Van egy Voltcraft ? számú labortápom (rajzot csatoltam), amiben tönkrement a trafó. Azt terveltem ki, hogy a 30V-os tápot egy kapcsolóüzeművel helyettesítem, míg a 15V-os feszt egy kistrafóról megkapja. Utóbbi a vezérlés csak, ahogy nézem már mA árammal. (Ha nem tévedek.) Viszont valamit félreköthettem, vagy tönkrement még valami benne, mert nemhogy nem szabályoz, hanem a következőt műveli. A hibajelenség az, hogy bekapcsolás után a rajz szerinti D4 és D5 világít, majd 1-2 másodpercet követően kialszanak s a kimeneten megjelenik -20V és kb. 200mA. (Nem mért értékek, a műszerei szerint.) Nem mertem addig bekapcsolva hagyni, hogy megnézzem, valaki melegszik-e a panelen. Megkockáztatom, hogy rosszul kötöttem be a vezetékeit, de az is lehet, hogy a trafója sem véletlen ment tönkre. Kis távgyógyítást szeretnék kérni, eljátszom a kéz szerepét. ![]() Mit mérjek, merre? Köszönöm szépen, előre is!
Kapcsüzemű táp nem hiszem hogy jó lesz ehhez alkatrészcserék nélkül.
5 szekunderes trafót helyettesítesz 1 trafóval + táppal ?
Rajzold már be mire gondolsz?
Hello!
- A két Led-nek nem szabadna elaludni, mert az állítja elő az Ic negatív tápját. - Kösd ki a D7 katódját. Ha ezek után is van a kimeneten feszültség, akkor a végfok rossz. Ha nincs, akkor a szabályzó fokozat. - A kapcsoló üzemű tápod kimenete földfüggetlen? Nem kötötted be fordítottan? - De egy rajzot valóban feltehettél volna a módosításról. (Egyébként a rajzon az alkatrész értékek nehezen olvashatók.)
Nekem ez a táp TNG35-nek tűnik...
A hozzászólás módosítva: Júl 1, 2022
Szia!
Amit írtál, az mindd helyes felvetés. Van egy főtápod, ami nagyáramú, ide jó a kapcs. üzemű DC-vel. Szerintem a bemeneti puffert is elhagyhatod. A 8,9,10-es kivezetésre mehet a kistrafód. A D4, és D5 nem aludhat ki! Lényegében azok "zéner dióda" szerepét játszák el, és ahogy Proli is írta, az állítja elő a - tápfeszt az IC számára, hogy le tudjon szabályozni 0-ra a táp. Ha Proli007 javaslata után van kint tápfesz a kimeneten, akkor TR1,TR2,TR3 közül valamelyik, vagy több, vagy mindegyik rossz. Egyébként ezen felül sanszos, hogy a vezérlő IC-d meghalt. Ahogy a bekötését nézem azn IC-nek ez nem valami kommersz műveleti erősítő. Lehet érdemes lenne ezt a tápot valami korszerűbb, átgondoltabb tápegységgel kiváltani, mert egyébként a doboza meg egész elfogadható volt ezeknek. (nem rég alakítottam át egyet én is) Bővebben: Link
Próbáld átnézni a kondikat, meg van egy56K a visszacsatolásban, nekem anno az volt szakadt.
Hello! Ha ez tavaly februártól nem oldódott meg, akkor nincs is rá szüksége..
Attól még másnak jól jöhet hasonló tipp.
Ebben teljesen igazad van..
Sziasztok,
Belemásztam kicsit a FOK GYEM TR9253 javításbaba. Nagyobb feszültségek mérhetőek a kimeneten a beállított értéknél, és a DC on/off kapcsoló nem működik, mert off állásban is folyik áram. Teljesítmény tranzisztorra gyanakszom, a kiforrasztásuk nélkül tudom valahogy ezeket vizsgálni? Próbáltam csipogtatni őket a helyükön de nem igazán hozott eredményt. (ASZ1018)
Proli007 labortápját próbálom összerakni, de sajnos nem úgy működik ahogyan kellene. Tudom hogy nem egy bonyolult áramkör de valahogy nem bírok rájönni a hiba okára. Valaki tudna kicsit segíteni? Nem működik az áramkorlát, a feszültségállítás pedig csak részben: 12V alá tekerve hirtelen nullára csökken a feszültség.
Hello! Esetleg előfordulhat, hogy nem TL072 Ic-t használsz a tápban?
TL072CP, rajta a TI logója is. Van egy tartalékom, úgyhogy ki tudom cserélni. De nem akarnám tönkretenni az újat addig, amíg esetleg más is meg nem erősíti hogy tényleg azzal lehet a gond.
A hozzászólás módosítva: Szept 3, 2022
Sajnos úgy tűnik manapság elég sok az átcímkézett, vagy paraméteren kívüli alkatrész van közkézen. Nem ez az első eset, amivel "találkoztam".(Nálam nem, mert 2000 utáni dolog nagyon kevés van. Igaz én nem is építek semmit..)
Szerdán eljött tanult kollégám más okból, de ha már itt van, kérdezte hogy nincsen-e egy rendes nagyítóm, mert ő nem tudja elolvasni a "harmadik kéz" nagyítójával a felíratot, ami az Arduinóhoz vett modulon van.
Merthogy valamit csinál, csak nem úgy, mint kellene az adatlap szerint. ![]() Kis morgolódás után megnéztük mikroszkóppal. Úgy le volt sikálva a teteje, hogy a sarok jelölés is láthatatlanná vált. De minden oldalon látszott a sorja a chip szélén...
Szia! Kimondhatatlanul hálás vagyok! Még tavaly bekrepált a Mátrixom. Felvettem a telefonom és nem figyeltem, rajta maradt egy kb. 1,5A-es terhelés. Mire észrevettem már átégett a táptrafó, meg magábal rántott ezt azt.
Kb. ezerszer feltúrtam a netet oda-vissza, de nem sikerült kapcsolási rajzot találni róla. A trafót lefejtettem és újratekercseltettem. Most ott tartok, hogy egyelőre 0-30V helyett csak 0-17V-ig szabályozható és a relék nem kapcsolnak, szóval még további feltárandó-javítandó hibák vannak. ![]() Ha van ötleted, esetleg tapasztalatod és persze időd ezt megírni, azért szintén nagyon hálás lennék! Köszönet még egyszer a rajzért! A hozzászólás módosítva: Szept 6, 2022
Egy apró észrevétel az utókornak, hogy a rajz tetején levő szövegben el lett írva a T27 és T28 valójában R27 és R28. Persze teljesen egyértelmű, csak nehogy valaki nekiálljon keresni a nem létező cikkszámú alkatrészeket.
Szia!
Ha jók a trafó szekunder értékek és ténylegesen sikerült vissza állítani a trafót gyári állapotra akkor nagy valószínűséggel az előszabályzó részed nem működik. A előszabályzó +15V -15V +24V megléte, fő szabályzó részből és még valahonnan van visszacsatolva hogy tudja hány volt van a kimeneten. Ha jól emlékszem természetesen, mert nem ma volt.
Egy labortápot próbálok megjavítani. Valahol kontakt hibás az egyik panel, de nem tudom megtalálni hol. A panel mozgatásával jön elő a hiba, de a csatlakozót meg a kártya szélén lévő érintkezőket is többször megtisztítottam de semmi változás nem történt. Az IC-ket is egyszer kivettem a foglalatból de az sem vezetett eredményre. A forrasztások jónak tűnnek. A két poti aminek az érintkezője szabadon van azok is. Még a viákra gondoltam esetleg, de azokkal meg mit lehet kezdeni?
|
Bejelentkezés
Hirdetés |




















