Fórum témák
» Több friss téma |
Ha szkóp-képet teszel fel, legyen látható a kezelőszervek beállítása, vagy add meg a beállításokat!
Helló!
Megvannak a feszültségek a képcső nyakán. Ezelött valószínű a sokszorozó terhelt be neki, kiszedve OK. Most csinálnom kellene egy sokszorozót. Milyen értékű alkatrészeket ajánlasz? Köszi!
Hello!
Hát sajnos fogalmam sincs, mert többek között nem tudhatjuk, hogy hányat sokszoroz a soszorozó. Szóval, hogy hány tag van benne egyáltalán. Ha úgy is mindegy neki, esetlsg vágd szét, és nnézd meg belül, Ha óvatosvagy felfedezhetők benne a diódák és a kapacitások. Mindenki biztos nem rossz benne. Egyébként három lába van? Vagy próbálj bele valami TV sokszorozót nézni. De vigyázz, a csőfeszültség ne legyen több az előírtnál. Először próbáld meg megmérni a kjövő feszt. üdv! proli007
Ismét én!
üdv. 150BYB31 típusú Matsusita képcső adataira lennék kíváncsi, hátha valaki tud segíteni, anódfeszültség értékére lennék kíváncsi. A betük és a számok mit jelentenek a tipus jelzésben? Írnak róla egy holland oldalon, de nem tudom leforditani: Ola, foutje, dat geldt voor de 3208, de 3209 zou 12.5 kV moeten hebben. Hmmm........in dat geval vermoed ik dat er ergens bij de cascade iets mis gaat, ik trek daar beslist geen vonkjes groter dan een millimeter. Köszönöm előre is!
Ola, slip-up, which applies to 3208, 3209 12.5 must kV. Hmmm ........ that case suspects I that there somewhere at the cascade something wrong enter, I draw there definitely no vonkjes larger than a millimeter.
A sokszorózak 12.5kV-ot kellene előállítania, de valami nem tiszta neki sem, hogy ezt hogyan....
De akkor annyi kellene, csak nem jön ki annyi rajta?
Helló
Szükségem lenne egy PM3055-ös szkóp képcsőpaneljának a rajzára, nincsen meg esetleg valakinek? Találtam a neten egy rajzot de abból a képcsőpanel rajza kimaradt. Köszi
Helló
PM3055-ös ügyben senki nem tud segíteni, vagy csak büdös vagyok? ![]() üdv
Hello!
Ha büdösül használtad volna a keresőt, akkor láthattad volna, hogy Miklosch-nak van ilyen szkópja, őt kellene zaklatni, hátha kötélnek áll. üdv! proli007
Szia nekem a 3230 asom van ennek van meg a teljes doksija, esetleg használhatod, hátha segít
Nekem egy 1,7MB-os 51 oldalas pdf van, és ez sem teljes. Ha kell, elküldöm.
Helló
Használtam, de 2N3055-ös találatokon kívül nem igen találtam használható infót. Igaz nagyon sok kísérletet nem tettem a témában (gugliban nem adom fel 2-nél de itt több találatra számítottam...). Azért köszi a segítséget! Üdv
Helló
Ha nem megterhelő akkor szívesen várom a pdf-edet, hátha az a rész van meg benne ami nekem kell! Üdv ui.: murcicomp@gmail.com-ra légyszíves! THX
Helló
Szerintem sok hasonlóság nem lehet a kettő közt, de azért köszi! Üdv
Helo!
Én csak itt a He keresőre gondoltam. Miklosch-val nem vetted fel a kapcsolatot? Ha hajlandó szétszedni, megtudhatod amit akarsz. üdv! proli007
Üdv mindenkinek! Nincs meg valakinek az EMG1555 oszcilloszkóp kapcsolási rajza? Különösen két fiók rajza érdekelne: az egyik: TYPE1589-U-52, a másik: TYPE1589-U-592 Merthogy szereztem két ilyen fiókot, mindkettő működik, és szeretnék kezdeni velük valamit. A válaszokat előre is nagyon köszönöm!
Hy!Van egy régi elektroncsöves oszcilloszkópom ami kivezérlésjelzőnek van bekötve előfokra...És van egy olyan baj vele hogyha kb fél órát megy a kép elekezd a képcső tetejére menni és már alig látni.Mitlehet ezzel kezdeni?Vagy ennyi időt nem is szabad folyton használni?
Konkrét típus nélkül - általánosságban - azt mondom: a függ. erősítő DC munkapontja vándorol. Csöves szkóp esetén ez a teljes felfűtés eléréséig teljesen normális jelenség.
A füügő helyzet potival nem érhető el az elvándorolt vonal látótérbe hozása?
Szerintem nézd meg a tápfeszt, ami a bemenőfok csövét táplálja, hogy nem ingadozik-e? A tápfeszeket amúgy is érdemes leellenőrizni és beállítani, ha már egyszer kinyitod a műszert.
Ha ott minden rendben van, akkor nézd meg, hogy melyik Y fokozattól kezdve tapasztalható az elmászás. Elindulhatsz a bemenettől vagy az eltérítőelektródáktól is, a lényeg, hogy behatárold a fokozatot, ami a jelenséget okozza. Általában egyencsatolt differősítős fokozatok szoktak lenni (hacsak nem valami nagyon egyszerű műszerről van szó), ami azt jelenti, hogy ha egy fokozat elmászik, akkor húzza magával a többi utána következőt is. Ha megvan a ludas, akkor esetleg érdemes lehet egyszerűen csőcserével megnézni, hogy megszűnik-e a probléma. Ha differősítős a fokozat, érdemes lehet mindkét csövet kicserélni. És ne feledkezz el a biztonságodra odafigyelni!!!! Itt szinte mindenhol nagyfesszel fogsz dolgozni! (Bocs, ha már öreg róka vagy, csak azért mondom, mert nem ismerlek és jobb félni, mint megint enni.... )
Hát öregróka nemvagyok én mégcsak most kezdem a műszerész szakmát de van egy ismerősöm aki már kb 40éve foglalkozik ilyen műszerész dolgokkal majd vele megnézetem.......A csőcserét érdemes lenne lehet kipróbálni bár nembiztos h lesz bele ilyen cső....
Potival am nemlehet már visszahozni mert már fullra van állítva......
Szasztok,
van egy Advance Instruments 2 csatornás szkópom és a vízszintes eltérítő fokozatban valami elromlott. Minden időalapon, mindkét csatornán pontosan egyformán. Tettem fel egy videót (kb. 5M), amin lehet látni, hogy mi a gond. Dokumentáció van hozzá, de annyira nem értek a szerkezethez, hogy magamtól kitaláljam, mi a hibája, merre keresgéljek. Az előlapi kapcsolókat és potikat végigtekergettem/kapcsolgattam, nem azok KH-sak. Ha esetleg valaki tudna kicsit segíteni, megköszönném. ivicz A video itt
Ránézésre tényleg nem kezelőszervi kontakthiba.
Kapcsold át külső X bemenetre, és ha akkor is jelentkezik az ugrálás, akkor szinte biztosan az X erősítőben lesz a gond, ellenkező esetben meg a fűrészgenerátor (sweep gen.) lesz a ludas. Ha a tápfeszeken nincs mérhető zavar (valószínűsítem, hogy nem lesz, mert akkor sokkal durvább hibákat produkálna), akkor fokról-fokra meg kéne nézni, hogy honnan kezdve jelenik meg az ugrálás. Haladhatsz pl. visszafelé, az X fokozat végétől az elejéig, majd tovább a fűrészgenerátorig. Ha sima kontakthiba, akkor esetleg óvatosan (!!!) egy szigetelt csavarhúzó nyelével kocogtasd meg a paneleket és nézd a képet, hogy változik-e az ugrálás, és hogy melyik fokozatnál. Valószínűleg kell majd hozzá egy másik szkóp, anélkül nem sokra mész szerintem, de már egy egyszerűbb is megteszi. Ha van rajz hozzá, akkor az nagyon sokat segít. Meg persze a HE-s fórum.
Szia, Ballage,
köszi a választ. Kezdem a sajnálatos hírrel, nevezetesen a vízszintes eltérítés teljesen megszűnt. A két csatorna két pontja az ernyő szélén megvan - és szépen ácsorog. A manuál az X panelen néhány tranzisztor ref. feszültségét (némelyiknek az emitterét, másoknak a kollektorát) megadta, az eltérítőelektródák előtti utolsó tranzisztorpárokat kivéve az értékek nagyjából helyesek. A táp feszültségek pedig teljesen jók. Kocogtatásra nem változik semmi, korábban sem változott, amíg a jel csak zavaros volt. Az X-panelen lévő potik mozgatására sem változott/-zik semmi (tehát korábban sem azok voltak kontaktosak). A fűrészgenerátorról levett, referencia "ramp" is mozdulatlan. Másik szkópom van. A tudásom egyelőre ("vén" fejjel autodidakta módon próbálkozom az elektronikával) kevés ahhoz, hogy a rajz alapján pl. leteszteljem a fűrészfoggenerátort. Őőőő.... Esetleg megkérhetlek, hogy segítenél ezt behatóbban kideríteni? Kapcsolást és a vonatkozó leírást (angolul) bírom prezentálni. eik ivicz Idézet: „Kapcsolást és a vonatkozó leírást (angolul) bírom prezentálni.” Ezt mindenképpen érdemes lenne csatolni! Akár kép, akár PDF formátumban, vagy amiben van. Csak előrébb viheti a dolgot, nem beszélve arról, hogy a későbbiekben másoknak is segíthet!
Szívesen, bár az anyag papíron van és alapból csak a vonatkozó dolgokat szkennelném be; de persze ha igény van rá, beszkennelhetem és kitehetem az egészet, ami kb. 30-40 oldal.
ivicz
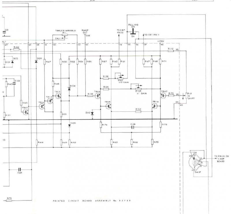
Íme a kérdéses rész kapcsolása és a referenciaértékek. Mondjuk elég rosszul látható
Itt pedig némi leírás...
Ez esetben az X fokozat szerintem jó. Valószínűleg azért nem mérsz névleges feszültséget, mert a sugár nem középen áll (egyencsatolt diff. erősítő).
Ha a sugár a szélén áll és látszik, akkor valószínűleg nem indul el a fűrészgenerátor, de szerintem nem a triggerjel hiánya miatt, mert akkor nem lehetne látni semmit a kioltás miatt. A doksi szerint multivibrátoros az időalap, tehát ebből gondolom, hogy valószínűleg nem kezdi el tölteni az áramgenerátor az időzítőkondit. Ez lehet azért is mert a TR110 söntölő tranyó nem kapcsol ki (pl. zárlatos), vagy azért, mert az áramgenerátor (TR111-113) áramkörben van valami bibi. Vagy az is lehet, hogy a multivibrátor nem billen át. Ellenőrizd le, hogy a C111-en keresztül megjön-e triggerjel, illetve, hogy a TR108 és TR109 közül (ez két tranyó maga a multivibrátor) melyik vezet (elvileg a trigger megérkezése utáni állapotban, amikor tölt, a TR109-nek kéne). Szerintem nézz körül ezen a részen, hátha valamelyik alkatrész rossz, ellenőrizd le, hogy a TIME/CM kapcsoló vezetékei és forrasztásai rendben vannak-e, jól érintkezik, stb. Mérd meg a tranyókat diódavizsgálóval, nézd meg, hogy az ellenállatok nem szakadtak-e. Elsőre kb. ennyi ötletem van. ![]() (Csak egy megjegyzés: nem nagyon érdemes megpiszkálni a paneleken a potikat, hacsak nem akarod a teljes hitelesítési procedúrát végigcsinálni. Bár az is igaz, hogy ha rendesen szeretnéd használni a gépet, akkor mindenképpen érdemes lesz hitelesíteni, persze ha van hozzá megfelelő műszerezettség).
Köszi, sokat segítettél. Megpróbáltam beüzemelni a kis szkópomat (kis szovjet cucc), de teljesen kh-s mindene. Be kéne áztatni egy napra egy lavor wd40-be
Köszi még1x Majd beszámolok, mire jutottam. Rossz esetben teszek még fel kérdéseket ivicz
Szívesen.
Majd írd meg, hogy mire jutottál.Hamar bele lehet jönni, és is menet közben jöttem rá egy csomó mindenre, meg innen, a HE-ről is kaptam sok segítséget, amikor én küzdöttem a sajátommal. ![]() Ehhez, amit most írtam, nem is nagyon kell szkóp, az alkatrészek ellenőrzésére elég egy multiméter is, amíg ázik a másik szkóp a lavórban. |
Bejelentkezés
Hirdetés |









Majd beszámolok, mire jutottam. Rossz esetben teszek még fel kérdéseket





