Fórum témák
» Több friss téma |
Fórum » RIAA korrektor
Témaindító: Ghost Rider, idő: Aug 25, 2006
Elkészült a doboza is, két fedelet is csináltam, még nem tudom melyiket használom...
Köszönöm.
Előlap ötlete, alu. hiánya miatt adódott, kétkedve fogtam hozzá, főleg a feliratok miatt.
Nekem ez nem tűnik "fának"...inkább fautánzatatú fóliás farostlemeznek. (Laminált parketta is lehetne-de nem az) Az éleit be kéne borítani...
Pedig fa vékonyra vágott dió,látszat néha csal..
A hozzászólás módosítva: Nov 25, 2022
Annyira fa, hogy vasalásnál problémát okozott, deformálódott hő hatására.
Vizezve, szorítóban tudtam csak kiegyenesíteni. A hozzászólás módosítva: Nov 25, 2022
Sziasztok. Na megcsináltam életem első csöves erősítőjét ami egy riaa előfok. Remélem mindenkinek tetszik a kapcsolást a neten találtam de itt is fent van.
A hozzászólás módosítva: Nov 27, 2022
Lényeg, hogy neked megfelelő hangzást biztosítson.
Remélem nincs brumm és az erősítése is elegendő...
Szia. Hangja elsőre már tetszik úgy, hogy biztos jó lesz. Erősítés is elég. Brumm nem hallatszik egy kis zúgás van ha nagyon nagy hangerőre tekerem de ezt más gyári és általam epitett riaa is csinálta ugyan így. De normál hangerőn nem csinálja ahol kb. hallgatok zenét majd kipróbalom masik lejátszóval is hátha azzal van valami de addig is hallgatozok zenét rajta köszi.
Szia!
Zajra azért kérdeztem rá, mert úgy látom árnyékolást nem tartalmaz a doboza. Kicsatoló 22nF kondi értékét nagyon alacsonynak tartom, jelentősen korlátozza a mély átvitelét. Nem tudom miért építettél be hangerő szabályozó potit.? Ezzel lerontod a kimeneti impedanciáját és az összekötő kábel kapacitásával egy szabályozott szűrőt alkot, átvitele a potméter állásától függően változik. A hozzászólás módosítva: Nov 28, 2022
A mancsot nem jóváhagyásnak, hanem egyetértésnek szántam a hozzászólásod végéhez. Mivel én nem szoktam csövest építeni, Te meg otthon vagy ebben, kérdezném, a kis jelű fokozatnál nem kellene a trafót árnyékolni, a szórása miatt?
Szia. Ezért irtam ide mert tudtam, hogy nálam sokkal jobban értetek ehez mint én. Hangerő poti nekem sajnos kell ide mert egy jlh erősítőt hallgatok és azon nincsen semmilyen poti. Minden hasznos és fontos hozzászolást elfogadok én csak hobbiból építgetek és csövest még nem is mertem csinálni csak kaptam egy félig készet és úgy döntöttem megkprobálkozok eggyel.
A hozzászólás módosítva: Nov 28, 2022
Köszönöm, nem csak a trafót érdemes árnyékolni, ebben az elrendezésben lényegesebb lenne a dobozát belülről árnyékolni mivel fa.
Potit érdemesebb lenne az erősítőbe építeni.
Milyen értékű potmétert használsz? Gondolom nem több 100k-nál. JLH erősítő bemeneti impedanciája sem több, ezért a 22nF kondi, 20Hz közelében kb 10dB-t vág. Meg kéne növelni 10-20x ra.
Nálam dobozon belül elhelyezett trafó is árnyékolva van, transzformátor lemezzel körbevéve.
Nem is okoz zavart, faoldallapok kétoldalas nyáklemezzel védve a külső zavarforrások ellen.
Ha jól emlékszem 100k-os de ha minden igaz még van egy 50k-os tarcsiban mindegyik alps. Van olaj papír kondom itthon 1uf, 4uf, es 4.3-as ugy emlékszem. Ezen kívül ha jól értem árnyékoljam is belülről a dobozt azt mondod?
50k val még nagyobb vágást okoz.
1u már bőven jó lesz, érdemes belül árnyékolni, ne legyen érzékeny külső zavarokra. Így beépítve már nem lesz egyszerű, mivel nem férsz a fedél alá. Fedele és az alsó takarólemeze lenne lényeges, fedélen belül jobb megoldás lett volna ha foglalatokat alu.lapra rögzíted. A hozzászólás módosítva: Nov 28, 2022
Köszönöm szépen a segítséget megcsinálom amit írtál ugy emlékszem 100k van benne de megnézem. mek-elek is azt ajánlotta csináljam meg másképp a belső elrendezést ha kikötők mindent úgy nem lesz nehéz árnyékolni. Azért nem foglalkoztam ezzel mert először ki akartam próbálni csak, ha nem jó akkor mindegy hogy néz ki. De most mar atepitem mert van értelme ugy néz ki. Köszönöm szépen a segítséget mondenkinek.
Segítséget szeretnék kérni:
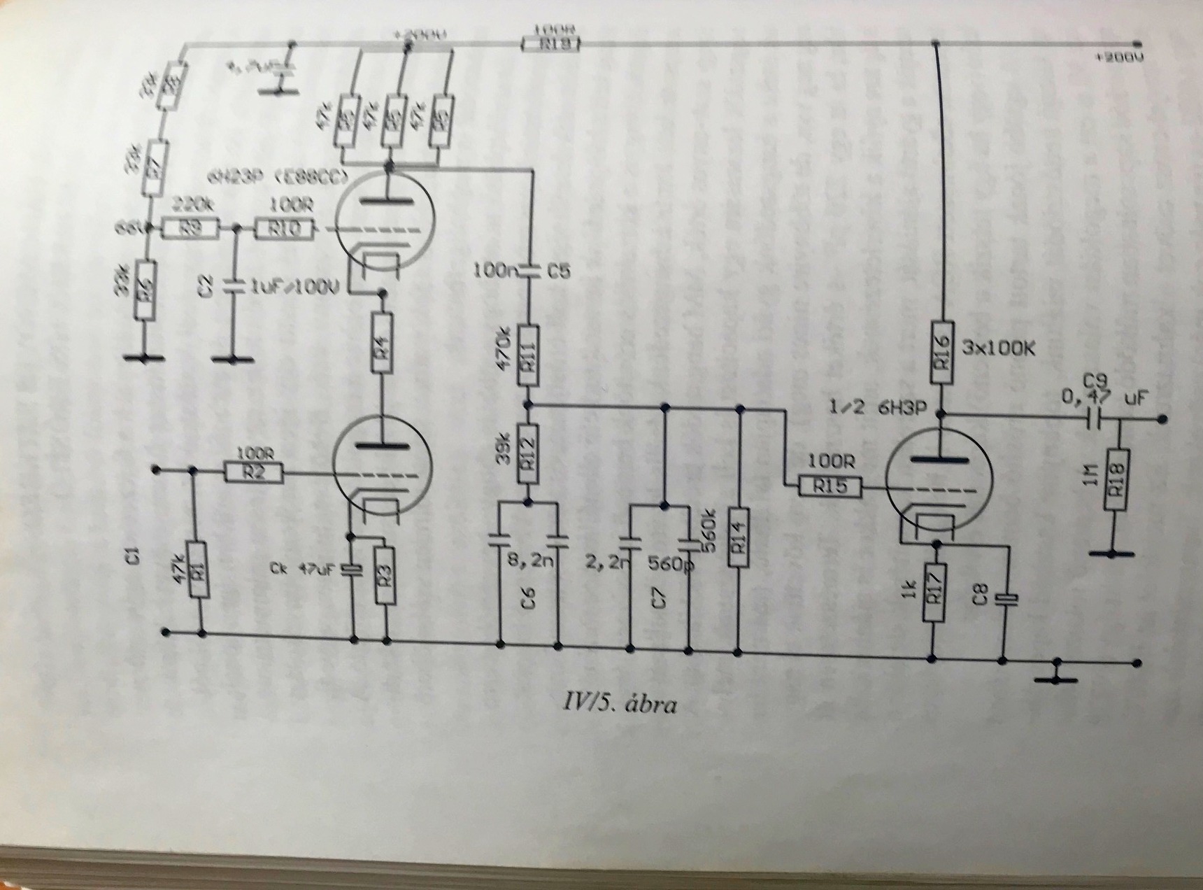
Hozzájutottam egy csöves RIAA korrektorhoz és szeretnék kapcsolási rajzot keresni hozzá. Valakinek esetleg ismerős a kapcsolástechnika? A 2 egymás mellett levő cső E88CC TESLA, a különállón sajnos nem látni határozottan a feliratot, de valami ciril betűs lehetett.
Szerintem Ágoston Lajos könyvében megjelent (Előerősítők fejhallgató erősítők 141 oldalon) kapcsolás.
Esetleg be tudnád szkennelni nekem ezt az oldalt, ha megvan neked a könyv?
Köszönöm
Szerintem ez nem ugyanaz a kapcsolás. A bemeneti hálózat a megvalósított nyákon egészen más topológia. Lehet hogy a készítője továbbgondolta, módosította a kiadott kapcsolást?
Elképzelhető. Vissza kellene rajzolni a kész nyákról. Annyira nem bonyolult. A hozzászólás módosítva: Márc 23, 2023
Kapcsolása azonos, nyákterv kicsit módosított.
Valami akkor sem stimmel.
![]() Az elvi rajzon csatornánként 10db kondi van, a nyákon 12db. Az elvi rajzon meg az R3, R4, R14 értéke nem szerepel. Lehet hogy a könyvben a szövegből ez kiderül, de akkor is elég hanyag dolog így kiadni egy elvi rajzot. Nekem végül is mindegy, csak nem szeretem az elnagyolt, pontatlan dokumentációkat.
A szerzőt négy éve veszítettük el. Munkásságát becsüljük meg és kezeljük a helyén! Bővebben: Link
Igen, ismerem a munkásságát. De azt gondolom tudod, hogy egy könyv kiadásakor a szerző, miután leadta a kéziratot, már nem csak az ő felelőssége , hogy mi kerül a boltokba.
Úgy hogy ez nem Ágoston Lajosról szóló kritika. Az hogy egy zseniális szerző munkája ilyen trehány módon kerül ki, az inkább a könyvkiadás kritikája, és azt nem menti fel az sem, hogy a szerző maga egy szuper szakember volt amúgy. Amúgy, ha egy mégoly tisztelt szerző által publikált dokumentáció hibás, akkor nem azzal tisztelgünk előtte, hogy onnantól hibásan készítjük el az áramkört, - tiszteletből. A hozzászólás módosítva: Márc 23, 2023
Köszönöm a rajzot.
Az R1 ellenállás esetemben nem 47, hanem 50 KOhm. A hangszedőhöz 47K ajánlott. Befolyásolja a hangzást valamiben az a 3K eltérés, vagy nem lényeg? |
Bejelentkezés
Hirdetés |


















