Fórum témák

» Több friss téma
Fórum » LED-es clip áramkör
 
Témaindító: Dzót, idő: Dec 5, 2005
Lapozás: OK   14 / 15
(#) Davidd hozzászólása Nov 19, 2019 /
 
Sziasztok! Szia reloop! Segitségedet szeretném kérni, mégpedig: az altalad készitett ledes clip áramkört szeretném használni, úgy hogy ahol van a led, a leddel sorba szeretnék kötni egy LDR -t . Azaz mintha két led lenne sorba kötve, kérdésem pedig az hogy valamit máshogy kell számolni? A LDR "másik oldala'' az erősitő bemenetén lenne, és húzná le a testre a bemenő jelet, az-az egy egyszerű limiter lenne, ami védene a nagy clip csúcsoktól, neked mi a véleményed erről?
(#) reloop válasza Davidd hozzászólására (») Nov 19, 2019 /
 
Szia! Mehet sorba a két LED.
(#) teddysnow válasza Davidd hozzászólására (») Nov 19, 2019 /
 
Szia,
lassú az LDR. Osztástól függően 5-10ms attack és 50-100 release időkkel kell számolni. Kompresszornak gyors, limiternek lassú.
(#) Davidd válasza teddysnow hozzászólására (») Nov 19, 2019 /
 
Őszintén egy aktiv mélysugárzóban lenne egy valamilyen védelem szempontjából. Konkrétan nsl 32 ről lenne szó. Igy is óvva intem a felhasználót, hogy nem karácsonyfa villogó a mélyláda, de csak segitene valamennyit, nemde?!
(#) teddysnow válasza Davidd hozzászólására (») Nov 20, 2019 /
 
Segítene.
(#) david87 hozzászólása Dec 18, 2022 /
 
Sziasztok!
Meg építettem a képen látható kapcsolást a szignál jelzőt a felsőt a képen.
Diódát mivel lehet kiváltani 1n4009 mert ilyen a fa sorba sincs itthon.
én 1n4148 raktam bele de azzal nem működik.Bár én telefonról küldtem meg diódára raktam a jelet.
(#) dB_Thunder válasza david87 hozzászólására (») Dec 18, 2022 /
 
Idézet:
„Bár én telefonról küldtem meg diódára raktam a jelet.”

Ott a baj!!
A telefon az kb. lepkefing! Nem elég nagy jele!
(#) eyess válasza david87 hozzászólására (») Dec 18, 2022 /
 
Az 1N 4009 helyett mehet oda az 1N 4007 es is nyugodtan. De egy telefon kimenete valóban kevés az áramkör meghajtásához.
A hozzászólás módosítva: Dec 18, 2022
(#) erbe válasza david87 hozzászólására (») Dec 18, 2022 /
 
Feszültségviszonyok alapján 1N4001 tökéletesen megfelelne. Ha a feszültség a hangszórókon soha nem lépné át a 45 V-ot, akkor még az 1N4148 is. De ezt könnyen ki lehetne védeni, ha a dióda elé kötnénk még két diódát, egyiket az erősítő táp "+", másikat a "-" felé záróirányban.
(#) david87 válasza erbe hozzászólására (») Dec 19, 2022 /
 
Tda 7294 után fogom rakni +-38 ról jár.
(#) david87 válasza david87 hozzászólására (») Dec 19, 2022 /
 
Megcsináltam 1 n 4007 de a villogása nagyon lassú meg nagy hangerő kell neki. már a keverőn a 0 szinten járok és még alig villog.
(#) Alkotó válasza david87 hozzászólására (») Dec 19, 2022 /
 
Talán éppen ez lenne a "szignál" funkció lényege.
Ha nem ezt akarod, akkor a kivezérlést jelző áramkört célszerű választani.
(#) david87 válasza Alkotó hozzászólására (») Dec 19, 2022 /
 
akkor nem bántom így marad
(#) Massawa válasza david87 hozzászólására (») Dec 19, 2022 /
 
A keverön a 0 szint kb 0,775 V-ot jelent ( esetleg ennek a dupláját, ha 1,5 V a referencia). Ezt a 1N400x dioda simán lenyeli, hiszen kb 0,6 V kell, hogy nyiljon a kondi felé.
Ráadásul a 10 µF kondi mint LP szürö is müködik, azaz a magas hangok ( amik szintje amugy is alacsonyabb) nem is igen töltik fel igy arra a LED nem is igen tud reagálni.
(#) reloop válasza david87 hozzászólására (») Dec 19, 2022 /
 
A szignál LED-nek hozzávetőlegesen -40 dB-nél kell indulnia a végerősítő teljes kivezérléséhez képest. Az általad épített, építeni szándékozott áramkör tökéletesen illeszkedik egy 2-3 kW-os erősítő kimenetéhez. Ezért is indokolt a legalább 200 V feszültségtűrésű dióda.
A kapcsolás TDA7294 mellett sajnos nem tudja ezt a funkciót betölteni.
(#) david87 válasza reloop hozzászólására (») Dec 19, 2022 /
 
akkor kár volt megépitenem
(#) reloop válasza david87 hozzászólására (») Dec 19, 2022 /
 
Szereztél egy tapasztalatot, az sem lebecsülendő.
(#) david87 válasza reloop hozzászólására (») Dec 19, 2022 /
 
Igen csak én szeretem volna használni az erősitőmbe.
(#) Massawa válasza david87 hozzászólására (») Dec 19, 2022 /
 
Esetleg ha az 1N400x diodát kicseréled egy Ge vagy Shottky tipusra, lehet, hogy több fényt tudsz majd kihozni a kapcsolásból.
(#) david87 válasza Massawa hozzászólására (») Dec 19, 2022 /
 
keresek diódákat ami egy kicsit is hasonlít rá
(#) reloop válasza david87 hozzászólására (») Dec 19, 2022 / 1
 
Rajzoltam neked.
(#) david87 válasza reloop hozzászólására (») Dec 20, 2022 /
 
köszönöm majd ha lesz alkatrészem meg időm akkor ezt is meg építem
másikon annyit módosítottam hogy a 10µF kondít ki cseréltem 2,2µF jobb lett az eredmény. így hagyom egyenlőre.
(#) gordonfreemN hozzászólása Feb 25, 2023 /
 
Sziasztok!

Gondolkodom egy ilyen egy LED-es klip áramkör megépítésén. Tudnátok ajánlani jó kapcsolást ehhez? Esetleg van ajánlott technika? A bemenetre vagy a kimenetre érdemesebb kapcsolni?
Elkerülhető az erősítőre és a hangra gyakorolt visszahatása, vagy minimalizálható valahogyan?
(#) reloop válasza gordonfreemN hozzászólására (») Feb 25, 2023 / 1
 
Szia! Példa.
(#) gordonfreemN válasza reloop hozzászólására (») Feb 25, 2023 /
 
Köszönöm! Tetszik az egyszerűsége, csak két dolog nem (de még lehet megbarátkozom vele): azt írod, ha 8Ω-os a terhelés, akkor nem fog időben jelezni 4Ω-os terhelésnél. Mivel a hangsugárzónak impedanciamenete van és ott eléri a 4Ω-os értéket is, akkor érdemes ide állítani (ezt is írod egyébként).
A másik gondom, hogy ez csak a negatív félhullámot figyeli, ha jól értem?
Idézet:
„Amikor a kimeneti jel ?referencia feszültségnyire? megközelíti a negatív tápot, akkor megkezdődik a tranzisztor lezárása, így az R2 ? R3 ellenállásokon folyó áram a LED-en halad keresztül.”

Olyat keresnék, ami mindkét félhullámot figyeli.
(#) reloop válasza gordonfreemN hozzászólására (») Feb 26, 2023 / 1
 
Megépítettem az áramkör tükörképét a pozitív tápra is, de pontosan akkor jelez mint a párja, teljesen feleslegesnek bizonyult. Ha számottevő eltérés lenne, akkor a kimenő jel DC átlaga eltolódna és leoldana a hangszóróvédelem.
Tudok ajánlani sokkal precízebb eljárást a clip figyelésére Bővebben: Link Polaritástól, amplitúdótól függetlenül kinyit a T5, vagy T6, ha a kimeneten nem áll elő a visszacsatolásnak megfelelő jel.
A gyakorlatban ugyan úgy teljesít mint az egyszerű clip indikátor. A műhelyben használom, ahol látnom kell a túl alacsony terhelő impedanciát, vagy a kimeneti rövidzárat hangsugárzó tesztelés során.
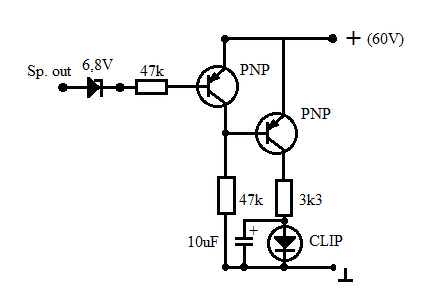
(#) firstman hozzászólása Ápr 17, 2023 /
 
Sziasztok!
Mi a véleményetek erről a megoldásról? Meglátásotok szerint lehet valami hátránya?

Clip.PNG
    
(#) Cinema válasza firstman hozzászólására (») Ápr 17, 2023 / 1
 
A tápfeszültség miatt nagy határfeszültségű tranzisztor kell hozzá.(BC640, BD140, MJE350, hasonlók)

Üdv!
(#) djkoko hozzászólása Ápr 29, 2023 /
 
Sziasztok!
Elkészítettem ezt a kis clip áramkört.
Tápfesz 37,5DCV, alkalmazott ellenállások R1=82K, R2=8,2K, R3=820Ohm, tranzisztor BC182, referencia fesz 3,8volt, viszont a led folyamatosan világít. A nyákrajzolat jó, többször alkalmaztam már, de most nem tudok rájönni mi a gond.
Köszönök minden segítséget!
(#) djkoko válasza djkoko hozzászólására (») Ápr 29, 2023 /
 
Közben rájöttem a BC182 CBE kiosztásra. Bocs!
Következő: »»   14 / 15
Bejelentkezés

Belépés

Hirdetés
XDT.hu
Az oldalon sütiket használunk a helyes működéshez. Bővebb információt az adatvédelmi szabályzatban olvashatsz. Megértettem