Fórum témák
» Több friss téma |
Sziasztok!
Sajnos ilyenekhez nem értek, de remekül összeépítek kottából bármit ezért szeretném a segítségeteket kérni.Nekem olyan kapcsolási rajzra lenne szükségem, ami két helyen méri a hőmérsékletet (’a’ és ’ b’ helyen), ha az ’a’ helyen lévő szenzor hidegebb mint a ’b’ helyen lévő szenzor de nem melegebb mint x fok, akkor kapcsoljon be egy szívagyút. Előre is köszönöm a válaszokat.
Van ilyen már a hobbin, csak más "néven"... meg kellene keresned.
Mielőtt beírtam volna, 2 órán át a fórumot túrtam és nem találtam. Te melyikre gondolsz, mert még most sem találom.
![]() Ja egy hőfokkülönbségeset találtam, de nekem nem hőfokkülönbséges indítás kell, és max hőmérséglettel.
Szia!
Itt: Egyirányú hőfokkülönbség kapcsoló találtam meg ezt a kapcsolást: hokapcs.jpg. Mivel nem elég csak a kükönbséget érzékelni, hanem egy megadott hőfokot is figyelembe kell venni, ezért egy hőfok-kapcsolót ( termosztátot, hőfok-szabályzót ) is sorba kell kötni a rendszerrel. Igy csak egy megadott hőmérséklet felett élne a hő-kükönbség kapcsoló. Remélem valami hasonló megoldásra bondoltál.
Esetleg ebbe is bele lehet sasolni! : Feszültség komparátor.
S, hamár meglett: termostatsch.JPG
Idézet: „ha az ’a’ helyen lévő szenzor hidegebb mint a ’b’ helyen lévő szenzor de nem melegebb mint x fok, akkor kapcsoljon be egy szívagyút” Ez azt jelenti, hogy ha az "A" szenzor hidegebb a "B"-nél, ráadásul még egy beállított x érték alatt is van, csak akkor menjen a szivattyú? Csináltam egy rajzot, szerintem azt teszi, amit elsőként leírtál. KTY83-110-es szenzorokkal (25 °C-nál kb. 1000 Ohm) készült, a maximális hőmérsékletet, ahol még meghúzhat a relé, a potméterrel állíthatod be. Ha tévedtem, bocs...
MINDENKINEK köszönöm a válaszokat!!!
_JANI_: Én is ezt a témát találtam meg korábban, de nem fekszik 100%osan az elvárásaim alá. De különben ilyesmire gondoltam, azzal a különbséggel h megadott hőmérséklet alatt kell a hőkülönbséget figyelni, és minél egyszerűbb legyen összeépíteni. ![]() K1ll3rghost: Majdnem. Szolár fűtés szabályozó lesz medence vízhez.kobold: Te értesz a nyelvemen! PONTOSAN erre van szükségem!!! Ráadásul olyan egyszerű a kapcsolási rajz, hogy még egy h*lye is össze tudja rakni, hát még én!!! A szenzoroknak milyen hosszú lehet a kábele? Milyen programmal rajzoljátok a kapcsolási rajzokat?
A vezetékhossz gyakorlatilag mindegy, elég jelentősen változik a KTY ellenállása a hőmérséklettel (kb. 7 Ohm / °C), ha nincsenek kontakthibák, a vezeték nem fog észrevehetően beleszólni a dologba. Esetleg egy-egy 100 nF-os kondenzátort feltehetsz még a panelra, a szenzorok csatlakozóival párhuzamosan, hogy az összeszedett zavarokat csillapítsa.
A táp bemenetére nem tettem kondikat (kicsit összecsaptam a rajzot), oda is kellene, és az LM393 táplábai mellé is, amik szintén nincsenek a rajzon (8 a Vcc, 4 a GND). A tervezőprogram egyébként, amit használok, az Eagle.
Sziasztok!
Nekem egy nagyon hasonló kapcsolásra lenne szükségem... a következőre gondoltam: 2 hőmérő-szenzor lenne bekötve egyik "a" másik "b" helyen lenne. 2 db 230V-os ventillátort kapcsolgatna, úgy, hogy akkor kapcsoljanak be a ventillátorok ha "a" helyen 10-15 fokkal melegebb van mint a "b" helyen. A 2 ventillátort szeretném szabályozni, megfelelne, manuálisan is, ha csak potméterrel tudnám szabályozni. Ilyet szeretnék építeni, ehhez szeretnék kapcsolási rajzot kérni, hátha akad valakinek ilyen, én is szeretnék az egyszerűségre törekedni. Előre is köszönöm a segítségeteket! Ha valakinek lenne hasonló, komplettebb rajzza, azt sem utasítom vissza. Hasonlóra gondolok: Jó lenne, ha azt a 10-15 fokos differenciát valami szabályzóval tudnám állítnai, esetleg 2X16-os LCD-n (HD44780) - on kiírná az "a" és a "b" hely hőmérsékletét, és ventillátorok fordulatszámát.
Holnap be is szerzem a dolgokat hozzá és elkezdem összeépíteni.
![]()
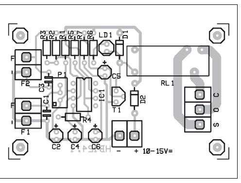
Itt van egy másik kapcsolás, ezt én már két három éve használom, lassan húsz helyen. Megbízhatóan üzemel, és ami a fő nagyon olcsó alkatrészekből épül fel
Egy kis magyarázatot kérhetek hozzá? Tudod, ez nekem olyan tyúk-ABC-s dolog.
(Mit vezérelsz ezzel a kapcsolással?
Hello!
Persze én nem tudom mire használja, csak, hogy mi ez. Egy differenciál hőmérséklet termosztátról van szó, beállítható kapcsolásipont értékkel és hiszterézissel(visszabillenési szinttel), melynek Led-es kijelzője is van. Egyébként valóban korrekt a kapcsolás. Szellemes, hogy a Led kijelző, mindig a differencia pillanatnyi helyzetét mutatja a kapcsolási ponthoz képest. üdv! proli007
Eredetileg ez a kapcsolás egy kis szolár rendszerhez készült. A működése röviden: A felső termisztor volt a kollektorban az alsó a tároló tartályban. A mikor a hőmérséklet a szolárban nagyobb lesz mint a tárolóban ( ez a hőfok állítható a P1-el) a relé behúz és a szivattyú keringeti a melegvizet a tartály felé. A keringetés hatására valamelyest csökken a szolár hőmérséklete, majd, hogy ne forduljon meg a hőátadás bizonyos beállított hiszterézis alapján aszivattyút leállítja a relé ( ez a P2-vel állítható).Az IC1.D részétől elhagyható a többi alkatrész az csak az "áttöltött energiát méri az IC4 segítségével. Ha nincs szükség a különbség kijelzésére akkor (mint általában) ez el is hagyható.
Ennyi a működés röviden.Én fűtésvezérlésre is használom több helyen, mivel ha van a fűtésben puffertartály a hőmérséklet összehasonlításos mérés szinte elkerülhetetlen, vagy indirekt melegvízelőállítás esetén is nagy haszna van az áramkörnekHa van kérdésed még akkor írj.
Helló Zoli!
Melegvíz lőállító solár rendszerhez szeretném megépíteni a kapcsolásodat, de néhol nehezen olvasható az alkatrészek értéke. Tudnál feltenni nyákrajzot vagy egy jól látható kapcsolást? Engem csak a vezérlés része érdekel a hőfokkülönbség kijelzés nem. Köszi, Csaba
Sziasztok!
Tök jó hogy van kapcsolási rajz,de az olyanoknak mint "én" tudna valaki felrakni esetleg nyák tervet ill. beültetési rajzot?Nagyon hálás lennék.
Hello!
"Tök jó hogy van kapcsolási rajz" Tényleg tök jó, csak szerintem fogalmunk sincs miről beszélsz!! Nem lehetett volna célszerűbb egy utalást tenni - linket adni - esetleg egy válaszgombot nyomni? üdv! proli007
hali!
Én egy hasonló (kicsit egyszerűbb) áramkörrel kínlódok. A boltban Lm741 ic-t kértem, és müa 741-et adtak helyette. A kapcsolás nem működik, és nem értem miér . Most vettem csak észre ezt a különbséget az icén. Helyettesítheti egymást a kettő alkatrész, vagy csak egy véletlen csere történt?
Hello!
Ezt az IC-t számtalan gyártó gyártja, különböző prefixumokkal. Tehát mind jó egymás helyett. Még a 14lábú tok helyett is be lehet rakni, a 8 lábú IC-t gond nélkül. Viszont, inkább a kapcsolási rajzot tetted volna fel, akkor meg lehetne mondani, hogy mit mérj (próbálj) rajta, hogy működjön.. üdv! proli007
Az áramkörrel két különböző helyen lehet hőmérsékletet mérni, és a különbségtől függően relét működtetni. A kapcsolási érték precíz orsós trimmerpotméterrel állítható. Bekapcsolás jelzés LED-del.
Az előző üzenetről ez véletlenül lemaradt...
Hy all!
Megépítettem _JANI_ és Oldorca kapcsolását is. Valaki meg tudná mondani, hogy mi a célja a relével párhuzamosan kötött diódának? Mert ha bekötöm a diódát nem működik egyik kapcsolás sem. Kiveszem, működnek. Fordítva is próbálta. Válaszotokat előre is köszönöm!
Hello!
A relé kikapcsolásakor létrejövő ellenindukált feszültség (Lenz törvény) elvileg tönkre teszi a kapcsoló tranzisztort. Ezt az áramot söntöli a dióda. De az áramkör működéshez köze nincs, így valami más gond lehet. Viszont az indukált feszültség értéke jelentősen függ a kapcsolt áram sebességétől (dI/dt). Amit viszont Oldorca kapcsolásban a C8 kondi jelentősen csökken. Vagy is itt alig van ellenindukált feszültség. Tehát itt ha van D1 dióda, ha nincs a tranyó nem sérülhet le. A fordított dióda bekötés, az nagy hiba, mert akkor ha a tranyó kinyit, a diódán keresztül a tranyó rövidre zárja a tápot. És az erősebb győz. üdv! proli007
Sziasztok!
Egy hasonló áramkört keresek, mint amilyet BPuma keresett. Szintén két helyen kellene mérni a hőmérsékletet, amiket én "Külső" és "Belső"-nek neveznék és lenne egy "Cél". A logika pedig az, hogy ha a "K" - vagy a "B" és az "C" között van, - vagy a "C"-hez nézve a "B" ellentétes oldalán van akkor bekapcsol (egy szellőztető ventilátor), egyébként kikapcsol. Ennek működnie kell - ha a "B" a "C" alatt van és - ha a "B" a "C" fölött van. Hétköznapibb megfogalmazásban: mindaddig menjen a ventilátor, amíg a "K" hőmérséklet befújásával a "B" közelíthető a "C"-hez. Jó lenne, ha a "C" hőmérséklet - akár csak belső, pici potival - állítható lenne. A határértékek környékén a ki-be kapcsolgatás elkerülése miatt, ha egyszer bekapcsolt, akkor néhány percig ne kapcsoljon ki. Kikapcsolásnál hasonlóan: ha kikapcsolt, akkor néhány percig ne kapcsoljon be. Extraként egy kijelzőn valamilyen formában (egy sorban váltakozva, vagy több sorban) kijelezhetné a "C", a "B" és a "K" hőmérsékletet. Ha jól sejtem ez jócskán bonyolítja a kapcsolást, ezért e nélkül is jó. Hálózati áram van. A fenti kapcsolási rajzokat sajnos nem látom át annyira, hogy megítéljem, hogy erre alkalmasak-e vagy sem. Abban kérném a segítségeteket, hogy egy ilyen kapcsolási rajz összeállításában segítsetek. A javaslatokat, segítséget előre is köszönöm.
Hello!
Kissé logikusabban is leírhattad volna. Még jó, hogy "hétköznapibban" is megfogalmaztad, így legalább úgy tűnik, megértettem. Én minden esetre megrajzoltam egy analóg megoldást, aztán hogy működi-e, az az én bajom, hogy elkészíted-e az meg a tied.. A várható működést "pár szóval" leírnám.. - A külső és belső hőmérsékleteket egy-egy LM35-ös szenzorral mérjük, ez 10mV/°C jelet szolgáltat, vagy is 20°C-on 200mV feszültséget. Ezt a jelet, az U1a és U1b erősítővel felerősítjük a tízszeresére. Így a "K" és "B" mérőpontokon 20°C esetén 2V mérhető. Ezt egy digit kis műszerrel mérni tudod, ha veszel, vagy készítesz egyet. (Ezt nem rajzoltam a rajzra.) - A "cél" hőmérséklet alapjelét a P1 potival állítjuk elő. Jelenleg ez 2..3V között állítható, ami megfelel a 20..30°C tartománynak. (Mivel nem írtad mekkora hőfokra használnád..) A "C" ponton a beállított "cél hőfok" szintén mérhető a digittel. - A hőmérő szenzorok, és a cél alapjel feszültségét a TL431 stabilizálja 5V feszültségre. - Két hőmérsékletet hasonlítunk össze. A külsőt a belsővel, valamint a belsőt a célhőfokkal. Ezt a két összehasonlítást és egyben a különbségi jel erősítését végzi U1c és U1d áramkör. Ezek kimenetén, már a különbségi hőfok felerősített jele mérhető, a 6V középfeszültséghez képest +- irányban. - A hőmérséklet különbségek komparálását, és egyben a relé meghajtását a két 555-ös áramkör végzi. Az 555 küszöbfeszültsége 2/3-ad és 1/3-ad tápfeszültség. Mivel 12V tápfesz mellett ez 8 és 4V, a hiszterézis értéke az 555 bemenetén 4V-nak felel meg. - Ha megnézzük, az erősítés mértékeit, a hiszterézis kiszámolható. Pld. U1c erősítését R14/R12 határozza meg. Au=220k/4.7k=46,8. Az U1a fokozat erősítése Au=1+(R6/R5)=10,1. (1% hiba van benne, mert a 91k nem 90k, de szerintem elhanyagolható) Az összerősítést a kettő szorzata adja. Au=46,8*10,1=472,8. Mivel az 555 váltásához 4V feszültség szükséges a bementi érzékenységet Uh=4V/472,8=8,46mV. Mivel az LM35 kimenti feszültsége 10mV/°C ez 1°C belüli komparálálást vagy is hiszterézist eredményez a két-két hőfok között.. A komparátorok kimenetéhez egy-egy Led-et helyeztem el, hogy még is lehessen tájékozódni. A Led mellé odaírtam mikor világít. - Az áramköri kimenet logikája cseppet érdekesen, viszont igen egyszerűen alakul. Vagy is működni kell a ventilátornak, ha a belső hőfok nagyobb, mint a cél, és a külső alacsonyabb, mint a belső. Ekkor hűtünk. B>c & K<B ha a belső hőfok kisebb mint a cél, és a külső hőfok nagyobb mint a belső. Ekkor fűtünk. B<C & K>B - Ha megvizsgáljuk a komparátorok kimenetének logikáját, akkor látható, hogy a relét egyszerűen a két kimenet közé kapcsolhatjuk és már is fennáll a kívánt logikai összefüggés. Hiszen a relé akkor fog húzni (ventilátor jár), ha a két kimenet között eltérő feszültség van. De nézzük a logikát. Ha a külső hőmérséklet magasabb mint a belső. Akkor U1c kimenete pulsz irányba megy fel. Ha eléri a 8V feszültséget a felerősített különbség, az 555 átvált. Mivel az 555 az 555 gyakorlatilag invertál, a kimenet ekkor alacsony vagy is "L" szintű lesz. Vagy is ha K>B=L. Természetesen fordított helyzetben a kimenet magas szintű lesz. A másik fokozat, ami a belső és a cél hőmérsékletet hasonlítja össze analóg módon működik a külső-belső komparátorral. A logikai állapotokat odaírtam az 555-ök kimenetéhez. - Én a két perces működés-leállás késleltetését nem tartom indokoltnak. Mert a hőmérséklet változás lassú, és lassítani is lehet, ha az érzékelőt egy "hűtőtömbre" szereled fel, mert annak hőtehetetlenségével lassul az érzékelés. Az érzékelők elhelyezésének célszerűségével amúgy is el kel játszani, az majd a gyakorlatban kiderül. Minden esetre a különbségképző és a komparátor bemenete közé egy integrátor fokozat került, R22/C5 és R23/C6 személyében. Ennek késleltetési ideje 5..10 másodperc között van, vagy is megakadályozza a relé indokolatlan "kattogását". Szerintem ennyi elég védelem gyanánt. Ha nem majd Te elkészíted.. - Az áramkört célszerűen egy kis 2..3VA-es dugasztápról el lehet járatni, ami 16V feletti szűrt egyenáramot ad. Nos, kb. ennyi lenne a működés. Ilyenkor mindenkinek beindul az agya, és mindenféle egyéb kívánságai vannak. De azt vedd figyelembe, hogy ez alapvetően egy analóg áramkör, ahol sok változtatásra nincs lehetőség, a működési logikája is meglehetősen adott, pont ezért egyszerűre sikerült a felépítése. Vagy is ez nem egy digitális majális. Ha azt szeretnél, akkor ahhoz mikrokontrollert kell használni, és ahhoz programot írni.. üdv!
Helló!
Köszönöm a gyors választ. A "Cél" hőmérséklet valahol 5-23°C között lesz majd, de gondolom, hogy ez kb annyit jelent, hogy R11-et lecserélem egy 470 ohm-ra és a P1-et egy 2,5 kohm-ra. A késleltetés helyet elegendő az amit javasoltál. Az elkészítéssel megpróbálkozom, bár még soha nem csináltam ilyesmit. Úgy látom a hestore-on, hogy nem túl drágák ezek a cuccok, még ha egy-két fontosabbnak vélt kütyüből kettőt is veszek az sem lesz vészes. Köszi! üdv! |
Bejelentkezés
Hirdetés |




ezért szeretném a segítségeteket kérni.


. Most vettem csak észre ezt a különbséget az icén. Helyettesítheti egymást a kettő alkatrész, vagy csak egy véletlen csere történt? 








