Fórum témák
» Több friss téma |
Fórum » Skoda Octavia elektromos probléma
Segítséget kérek (Octavia 2002)!
Elromlott egy gyújtótrafóm, kicserélték. Előtte diagnosztizálták, a szoftver jelezte a vízhőmérséklet érzékelő hibáját is, de lévén, hogy eddig nem okozott galibát, ezzel a szerviz nem foglalkozott. A gyújtótrafó cseréje után hazavittem, természetesen megszűnt a "háromhengeres üzem" rángatása, a műszerfalon hibajelzés sem volt többé. Ámde:Másnap nehezen, csak harmadszorra indult az autó, melegen már persze könnyen. A szervizben azt mondták, hogy lehet ez a vízhőmérsékletmérő hibája, mert melegnek érzékeli a motort, ezért nem ad az elektronika hidegen dúsabb keveréket. Magam is láttam, hogy a vízhőmérő hol mér, hol nem, menet közben képes volt a mutató "leesni" (50 fok Celsiusra, tehát minimumra), mejd visszatért és látszólag jó értéket mutatott. Kicserélték a hőérzékelőt, másnap hidegen az autó ugyanolyan rosszul indult. Az érzékelő amit kivettek itt van a a kezemben, négy érintkezője van, ellenállásmérővel két NTC-t látok benne, megmértem néhányszor, hűtőgépbe téve is, semmi szokatlant nem mutat, látszólag helyesen működik. Még egy info: A legutolsó nehéz indítás után a szervizben a diagn. szoftver nem jelzett semmilyen hibát. Köszönöm előre is, ha valakinek van jó ötlete, mert jelenleg a szerviznek sincs.
Lehetséges talán az is, hogy a hőmérőszenzor kábelja nem teljesen kóser...
Lehetséges, de szenzor csere óta nem produkál hőmérsékleti hibát. A szervizben hagytam az autót, holnap reggel együtt fogjuk vizsgálni.
Hülye kérdésem van:
csak 1 hőgomba va az Octavia-ban? A Fiatomban külön hőgomba méri a szívás-zajtompítóban a levegő hőmérsékletét és külön gomba a motorét. Az üzemanyagkeverékre mindkét jeladónak befolyása van (most voltam zöldkártyán, jó 20 percet szívtunk a levegőgomba miatt; a Fiat pedig 93-as)
Nem, itt is van külön beszívott levegő és vízhőmérséklet szenzor. Ez utóbbit cserélték, ennek a hibája megszűnt. Amúgy nem hülye a kérdésed, hanem logikus.
Szerintem is a kábellal lehet a hiba, vagy a csatlakozókkal.
Mindenképp érdemes ellenállás mérővel megmérni a kábelt, mérés közben pedig mozgatni. A csatlakozókat is érdemes lenne átnézni.
Milyen fordulaton járatjátok a motort menet közben?Valamint a gyujtás mudult is cserélték?
Az alapjárat kb 700, ha jól emlékszem, és csak egy gyújtótrafót cseréltek.
Szia!
Az alapjárat biztos, hogy 800 rpm. Hidegen 1200, majd ahogy fokozatosan melegszik a motor, úgy a motorvezérlő-számítógép csökkenti egészen 800-ig. Az általad leírt jelenséget több minden okozhatja. Nem biztos, hogy (csak) a hőmérséklet jeladó az oka. Ilyen hibát okozhat még pl a légmennyiégmérő. Az egy fényes tükörszerű valami. A lényege, hogy a beömlő levegő mennyiségét megmérje és az elektronika ennek megfelelően állítja elő a keveréket. Erre egy hideg motor sokkal érzékenyebb, mint egy meleg. Visszatérve a légmennyiségmérőre. Ha nem cseréled megfelelő időközökben a levegőszűrőt, vagy nem gyári minőségűt teszel bele, akkor az a fényes tükör bemattul és nem mér potosan. Ekkor a számítógép nem tudja meghatározni potosan a levegő-üzemanyag mennyiséget és nagyon nehezen fog beindulni a masina. (levegőszűrőnél az 5 mikron alatti porszemek a legveszélyesebbek erre az eszközre. Az utánépítettek nem igazán szűrik az ez alatti átmérőjüeket. Az info a BOSCH-osoktól származik.) Ha a hőmérsékletjeladóknál minden rendben, szerintem ebbe az irányba is érdemes szétnézni.
Köszönöm az ötleteket, most megyek a szervizbe, majd beszámolok.
Igazad van, ha már nagy nehezen beindult, az alapjárat valóban úgy alakul, ahogy írtad. A szervizben éjszaka az udvaron állt az autó, és szintén nehezen indult. A diagn. szoft. nem látott hibát, a hibatároló üres volt. A lambda szonda 1,54 V-ot mutatott, gázadásra-elvételre ez az érték változott, de pl. folyamatos magas gáznál is visszaállt erre az értékre. Még egy számomra furcsa adat: Levegőmennyiség: 240 mbar (igen, mennyiség, és mBar).
A szerelő állított (szoftveresen) a fojtószelepen, hétfő reggel, hideg motorral újból megpróbálom.
Ha a hőmérséklet jeladó a hibás, akkor erről a legkönnyebben úgy tudsz meggyőződni, hogy a kocsit rögtön üresbe teszed és nézed a motorfordulatszámot. Ha megemeli az elektronika 1250-re akkor ez okozza a galibát. Ha viszont marad 800-as fordulaton, de a kocsi teljesítménye érezhetően elmegy, akkor szerintem a levegőmérleg környékén kell(ene) szétnézni. Az ahogy írtam nem más, mint egy prizma(szerűség). Ha az bemattul okozhat ilyen hibát, és azt a számítógép nem is mutatja hibajelzéssel. Amit (legalábbis én) furcsálok, hogy ezekben a kocsikban a gyújtótrafó a gyertyapipába van beleépítve. Ha az egyik elszáll (általában gyertyahiba miatt), akkor mind a négyet cserélni szokták a gyertyákkal együtt.
Egyébként a benzinszivattyú jó? Esetleg a főnyomóágban a nyomástartó szelep? Benzinszűrő nincs eldugulva?
Köszi, ha kell, hétfőn ezeket is meg fogjuk nézni.
Nézzétek meg a kocsi pillanatnyi fogyasztádát is. Ha magasabb, mint amit megszoktál, akkor levegőmérleg, vagy lambdaszonda. Bár ez utóbbit jelzi az elektronika, ha hibás. A levegőmérleget szerintem mindenképpen tisztítsátok meg! A szerelővel csináltasd meg, mert qrva drága. :papakacsint: (mármint, ha tönkre megy és cserélni kell)
mint kezdő autószerelő. azt kijelenthetem hogy a lambda nem működik amíg hideg a motor annak kell 10 perc mire felfűt és figyelembe veszi a comp. Az escortomba viszont 2-3 hőérzékelő van, és azt is merem állítani hogy a műszeré más mint ami a kompira megy, nekem ami a kompit állítja a torokba van hátul betekerve, amikor nekem ez elromlott az autó nem ment és eccer csak elkezdett remegni, megnéztük az olaj szintet kb 10 lityi volt benne. remélem tudtam valamit segíteni. apropó német német sok eltérés nem lehet
Szia Secret!MIvel csak azt tudjuk, hogy Skoda és Octávia így csak körölbelül szeretnék tippet adni: A hütőfolyadék höm.adó az 4 kivezetéses,feltételezés: az 1.-3. láb között 0C.-nál5000-6500 Ohm,20C-nál:2225-3000,40C=1000-1500,60=550-700,80=275-375 Ohm az ellenállás. a lamda fütés:az 1.-2. között 2,7-3 ohm széthúzott csatlakozónál. De irtad a 1.5V os szonda jelet ez benzinben szegény keverékre utal,de melyik szondánál ,mert nemtudjuk milyen autó?azért van motorkód, alvázsz. A müszeres diagnosztika és az öndiagnosztika azért nem jelez hibát mert elektromosan rendbenlávőnek találja, a diagnosztikai készülékkel a mértadatokat kellene megnézni, hogy az üzemállapotnak megfelelőek-e?A javítás során biztos minden vissza lett dugva? egyébként a kollégák által felsoroltak közül bármi lehet,de javitás előtt indult most meg nem, ezért alaposan a csatlakozásokat ellenörizni,a szívórendszernél is!
Elnézést 1.5v = dús keverék,indulás után van-e valamilyen szag a kipufogóból? Üdv!és sikert!
Még egy én az üzemi fordulatot a váltásoknál kérdeztem volna.Sajna a katalizátornak ell kellene érni egy bizonyos höfokot ahoz, hogy normálisan dolgozzon.A majdnem alapjáraton dolgoztatott mocik szoktak igy viselkedni(néha ki kell huzatni a motort 4-5 ezerig is).Hidegen a lamda érzékelhet szénhidrogént is.Hozzáteszem, hogy ennél a tipusnál esös idöben elöfordul idöszaki gyujtáshiba.De ez nem állando hiba.Kissé tulérzékeny a Siemens vezérlö.
Mindenkinek minden ötletét köszönöm, holnap fogjuk folytatni a hibakeresést. A motorszámot most nem tudom megmondani, mert a szervizben maradt a forgalmi, de egy 2002-es, 1400 köbcentis, 75 LE motorról van szó. BCA típus.
Ma reggel normálisan indult az autó, talán a fojtószelep állítás használt? Ki fog derülni a köv. napokban.
Helló Secret ! Nekem is van egy ugyanilyen octáviám / BCA kód, 55 Kw .1.4 16v 2002-es /és sajna hasonló problémákkal küzdök.....Az a kérdésem ,hogy mi lett a javítás sorozat vége ? Mi volt a hiba ? Kööösssszzzzzz !!!!!
Sziasztok! Nagyon hasznos dolgokat olvastam,a skoda octaviaval kapcsolatban.Nekem is lenne egy hasonló problémám.Én egy 1998-as 1.6-os AEE-s motorkódu skodával szenvedek.A probléma úgy kezdődött,hogy csak a gázpedál enyhe benyomásával indult az autó,az alapjárat kb.550 s ha elengedtem a gázt az autó megállt.Ha már bemelegedett,lehetett vele autozni.A szervizben valamit ügyködtek a kollégák,most annyit változott ahelyzet, az autó gázadás nélkül indul,az alapj. 1200 és 2100 között ingadozik.Ámde ha lehuzzuk a fojtószelep csatlakozoját,a hiba ugyan az mint amivel kezdtem,és az autó 2500-as fordulaton rángat.Sem alatta ,sem fölötte. Remélem valaki tud nekem segiteni. Köszönöm!
Rá mernék tenni egy romlott üveg sört, hogy az alapjárat-állító motor, vagy annak érzékelői szórakoznak, egy hónapja volt nálam egy ugyanilyen motorkódú, '97-es Octavia ugyanezzel a jelenséggel.
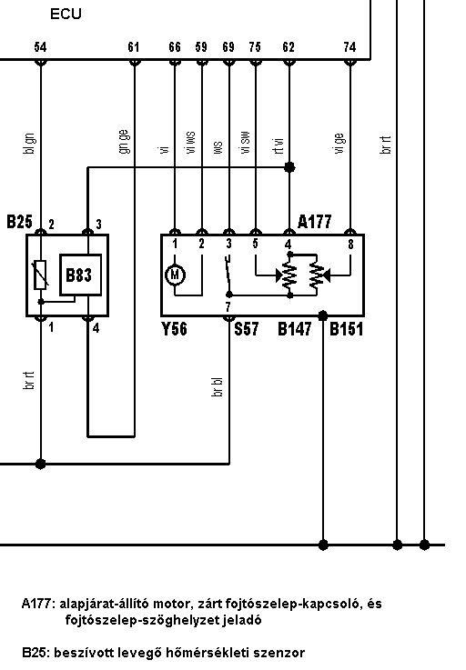
Az egész egységet megtalálod akörül, ahol a gázbowden a motortérben végződik, a rajz alapján felismerhető a csatlakozó. Legvalószínűbbnek a zárt fojtószelep érzékelőjét (CTP switch) érzem, ellenőrizni kellene a kapcsoló működését (nulla gáz mellett a 3 és 7 pontok között rövidzár, egyébként szakadás), a csatlakozási pontok stabilitását, illetve a bekötő vezetékeket is meg lehet nézni. Ritkábban előfordul a szöghelyzet-jeladó (TP sensor) meghibásodása is, ezeket pedig ellenállásméréssel ellenőrizheted.
Köszönöm szépen ellenőrizni fogom! Valószinüleg rátapintottál a lényegre,hiszen ha minden csatlakozó a helyén van,és ráadom a gyújtást az alapjárat-állitó motortol egy sipolo hang jön folyamatosan,de a pillangoszelep nem mozdul
Azt hiszem, végül is megoldódott.
Vettem egy gyújtótrafót, és elkezdtem sorban cserélgetni őket. A második csere után megjavult, hónapok óta elsőre indul, így már ki merem jelenteni, hogy ez volt a baj. Az ötletet az adta, hogy eddig már kettőt cserélt a szerviz, valahol (talán itt?) olvastam, hogy hiba esetén mind a négyet cserélik a "nagy" szervizek.
Szia kobold! Ellenőriztem az általad javasolt hibalehetőségeketa zárt folytoszelep érzékelő tökéletesen működik,a szöghelyzet jeladónál is jók az ellenállás értékek,annyi különbséggel hogy az 5,7 láb között zárt folytószelepnél az érték csak 1300 körül van nem éri el az 1500-1600-as tartományt ,a csatlakozok jok ,vezetékszakadás sincs,az auto továbbra sem jó. még mit kellene ellenőrizni,mit tegyek . köszi a segitséget
helló mindenkinek,
van egy 1997-es octaviám, pár napja cseréltek benne fojtószelepet mert a fogaskereke elkopott és nagyon ingadozott az alapjárat. Ezt követően jöttek a gondok: eleinte csak hideg indításnál, de mostanra már édes mindegy, hogy mikor. A gond a következő (nemvagyok egy szerelő zseni, ezért kevés lesz a szakkifejezés): akár melyik fokozatba teszem, 1200-1400 rpm-nél azonnal vissza fojtja a motrot és nem reagál a gázra csak ha bele kuplungolok. Menet közben gondol egyet és akár milyen fokozatban is vagyok benyomja a motorféket ugy, hogy majd lefejelem a kormányt (rángat kegyetlenül) Boschnál bemérték, de a hibakód semmi rendellenességet nem lát pedíg mára már csak ugy tudok menni ha négyesben van az autó és nem pörgetem 1200 fölé ja és max.30 Km órával. Minden ötletnek örülnék mert a szerelők kifogytak az ötletekből! Köszönöm előre is.
Álló kocsinál, üresben ki tudod pörgetni magasabb fordulatokig is, és ha igen, azokban a tartományokban stabil?
Erre a hibára, ennyi infó alapján, fel lehetne sorolni a fél autót, de azt írtad, javítás után jött elő a hiba, tehát inkább onnan kellene elindulni.
Először is, elektromos csatlakozók, vezetékek ellenőrzése (nem számít, ha a szerviz esetleg megtette), illetve körülnézni mindenhol, nem maradt-e le egy vákuumcső, vagy nincs-e eltörve, és fals levegőt kap a motor. Ha minden rendben, akkor csinálhatnál egy fényképet arról, mit is cseréltek pontosan, illetve néhány hozzászólással visszább találsz két mellékletet, az alapján az alapjárati kapcsoló, és a szöghelyzet-adó kimérhető. |
Bejelentkezés
Hirdetés |






