Fórum témák
» Több friss téma |
Fórum » Csöves erősítő készítése
Ne feledd betartani a fórum viselkedési szabályait, és a topik megmaradásának feltételeit. [link]
A téma átmenetileg fagyasztva lett, hozzászólni nem tudsz!
Az analóg és digitális rögzítés csak egy dolog a minőség szempontjából. Komoly helyeken nem MAC van ma sem hanem célhardverek és analóg technika is. Amitől mégis sok zene rosszabbul szól, az az hogy a masterelési szokások változtak meg az utóbbi 20 év alatt nagyon. A jelenségnek a szakmában Loudness War a neve. Mégpedig hogy a mai zenéket maximális kivezérlés maximális hangerőre masterelik, Sőt bőven túlvezérelve masterelik, amivel rengeteg részlet elveszik viszont baromi hangos lesz. Ez főleg a popzene miatt van.
Nem akarom szétoffolni a témát, akit érdekel ez a dolog annak linkelek pár oldalt. wikipédia youtube
Ja tudom! ezért van az, hogy kis hangerőn rohadt jól szól a lemez, de "megküldeni" nem lehet, mert torzít ....
A magyar masteresek ennek nagy "szakértői", ritkán hallani jól szóló magyar rock/pop lemezt. na meg még a dobtriggertől van herótom, de ez már tényleg off
Mindenkinek elindult a csomagja, akinek ígértem!!!! Remélem hamar, és épségben odaérnek!
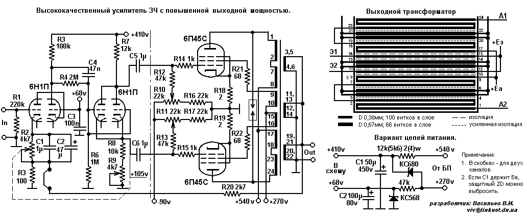
Igazabol EL 86 -al akartam a mostani kapcsolast megepiteni, ellenutemben, van is egy egyszeru rajz hozza. Igazabol a 6P45C jobban megtetszett, tudtam is olcson szerezni 2 db-ot. Aztan az ellenutemu trafo tekercselesi nehezsegei miatt maradtam az A osztalyu erositonel, ezt meg jobban birna szerintem a 6P45C, nagyobb tartalek van benne. Kivancsi vagyok a kapcsolasra
Nem rossz, de mostmar latom, hogy mindenkeppen meg kell baratkozzak a bonyolult kimenotrafo elkeszitesevel, vagy nem lesz erositom
![]() Ez legalabb tudna a megfelelo teljesitmenyt is, meg nem kell a legressel bajlodnom, csak a tekercselessel kell megbaratkozzak. Lattam valahol h egy ilyen trafot kb 20 -ert elkeszitenek... Lehet h celravezetobb lenne megrendelni?
Ez attól függ, mennyire szempont az, hogy az utolsó csavarig Te építed-e az erősítődet. Ha szempont, akkor igenis magadnak kell. Ha nem feltétlenül, akkor viszont rábízhatod hozzáértő szakműhelyre, de ebből kevés van.
Itt van egy másik érdekes kapcsolás.
Pozitív visszacsatolás? Azt hallottam jót tesz a csillapítási tényezőnek, meg negatív kimeneti ellenállás érhető el vele? Hallottad már hogy szól egy ilyen?
A csövek párhuzamos kapcsolása milyen előnnyel jár,nagyobb erősítés ? ( meg gondolom kisebb kimenő impedancia )
Sajnos még nem. Ilyet nem raktam egyik erősítőbe sem. Bár az elvet ismerem, meg a Plachtovics Úr is foglalkozott vele valamelyik (90-es évek beli) RT Évkönyvben.
Én is ezt mondtam
de nem maga az ellenállás teszi ezt, hanem az egész pozitív visszacsatolás .Pont emiatt, hogy "megfogja" a hangszórót, elvileg szép kerek, és gyors basszusok éhetők el, ezér gondoltam, hogy basszgitár erősítőbe belepróbálom egyszer, bár ott a sok herce hurca miatt, félek, hogy valami elállítódik, vagy mittom, aztán nem lenne valami jó, ha koncerten egy 100 wattos hangenerátor lenne hirtelen mögöttem ![]() Én is Plachtovics György, és Piret Endre Uraktól "tudom", hallani még nem hallottam
Esetleg EZ a kapcsolás? Van hozzá részletes leírás, igaz ruszki, de valamennyire lehet fordítani online. Én ezzel a kapcsolással foglalkozom. A kimenőmet pedig egy háztartásigép- szerelővel tekercseltettem 5E forintért! Bár még nem volt alkalmam kipróbálni...
Igen, ezt néztem először, teljesen jó és egyszerű, de még nem sikerült kivennem hogy mekkora tápról jár (az anódfesz 260 volt), valószínűleg csak egy kicsivel több mint az anódfesz kell neki, nyilván a trafón is esik. Vagy a tápfeszültség annyira nem kritikus, lehet h 260-ról tökéletesen fog működni?
A másik ami kérdés a primer oldali impedancia, mert majdnem biztos hogy ilyen vasat nem tudok szerezni. Igaz, beszéltük a fórumon, hogy vissza lehet számolni, de még ott nem járok. Igazából ez a kapcsolás az amit legszívesebben megépítenék, de sokak kételkednek a minőségében mert nagyon alacsony tápfeszültségről jár. Mindegy, megépítem, aztán meglátjuk, igaz mérni nem tudok csak legfeljebb a kimenőteljesítményt mert nincsenek műszereim, de csak akkor lesz tapasztalatom, ha kipróbálom ![]()
A vassal kapcsolatosan én nem tököltem, bár lehet, hogy ezzel rá is fáztam így utólag belegondolva. Le volt írva, hogy hányszor hányas vas kell. Az adja a vaskeresztmetszetet. Nekem volt itthon vékony EI lemezem és abból vettem a megfelelő vasmagkeresztmetszetnyit. Ugyanazokkal a menetszámokkal. Lehet hogy ez így nagyon nem jó, de majd kiderül. Ha a kapcsolás paraméterei viszont valósak, akkor én nagyon meg lennék vele elégedve! 15Hz alsó freki...
Azért annyira ne tarts tőle, mert ez nem feszültség visszacsatolás, hanem áram visszacsatolás. A hangszórón átfolyó árammal arányos a visszacsatolt fesz. Amit Zoli mondott, tényleg nem mindegy, hogy az ellenállás értéke mekkora. Plachtovics kis értékű trimmerrel állíthatóvá tette a visszavezetett jelet. Nem ártana itt is hasonló átalakítás, és akkor hallanánk, mit is csinál as csavarhúzónk. Ricsivel akartam összekalapálni a PL500 PP-t, de megint nem "ér rá". Abban kipróbáltuk volna ezt is.
Aha! Hát az tuti, hogy egyszer kipróbálom én is! Pl500-zal nekem is kellene már valamit alakítanom, mert egyre csak gyűlik
Most a 6AS7G PP lett volna porondon, de ugye eltörött (( Így lehetne most egy csővel stereo SE-t csinálni, de már "elegem van" az SE-k kis teljesítményével, most már falakat akarok döntögetni
Nagyon helyes, a PL500-ból 1. nekifutásra is kiszaladt 25W. Most azon töröm a fejem, hogy egy PCF 80-assal hajtom meg. Ebbe belepróbálom a PCF802-t is, mert abból aztán tényleg van 1-2 (FF TV sormeghajtó csöve, már összedolgoztak valaha, nem kell nekik ismerkedni
) Elvileg a triódában tér el a 80-astól, de egy katodin olyan mértékben visszacsatolt, hogy ott semmi torzítást nem várhatunk.
csak ugye az anódsapka, meg a foglalat ...
Mindegy 6-án hátha szerencsém lesz , az egyiket a gitár erősítőért, a másikat pedig a rádióért kaptad!
Köszi!
A másik két rádiot még nem is láttad |
Bejelentkezés
Hirdetés |




(( Így lehetne most egy csővel stereo SE-t csinálni, de már "elegem van" az SE-k kis teljesítményével, most már falakat akarok döntögetni
) Elvileg a triódában tér el a 80-astól, de egy katodin olyan mértékben visszacsatolt, hogy ott semmi torzítást nem várhatunk. 


