Fórum témák
» Több friss téma |
Lehet érdemesebb hangolászás helyett venni egy kész konvertert. Nemrégen (is) tárgyaltuk.
A lengyelek meg az oroszok is próbálkoztak vele, de a nem szabványos (6,8 MHz-es) középfrekvencia meglepetéseket okozhat. Persze a nyugati exportra készült modelleknél 10,7 MHz-es a KF. Bővebben: Link
Köszönöm a segítset!
Ez jó megoldás, csak ne kellene mindig kapcsolgatni! Laikusként kérdezem, hogy az Orion ST1025 tuner hogy van megoldva, hogy az FM 65.1 MHz-től 108.1MHz-ig folyamatosan hangolható, semmilyen kapcsolgatással? Vagy ez egy teljesen más dolog?
Szia!
Mivel a keleti sáv jóval keskenyebb volt, így kapcsolgatni kell. Mondjuk nekem 3 állású kapcsoló van a régen vett konverteren, így az -1 quartz ehhez képest. Az Orion kb olyan lehet mint a Dansk "magyar gyári" állapota, ahol a vevőt teljesen széthúzták, hogy egyben lefedje a keleti meg a nyugati URH-t, meg közte a senki földjét. Egy másik laikus magyarázata. ![]() Majd jön valami hozzáértő és elmagyarázza, hogy ez az egyéb paramétereken mennyit rontott. Valamit valamiért, az élet mindig kompromisszum... Viszont a te helyzeted annyiban nehezebb, hogy már valaki hozzányúlt a rádióhoz. A konverter akkor jó, ha a keleti sávos beállítások megfelelőek a rádión. Így mindenféleképpen kell hozzá egy hozzáértő szerelő aki megcsinálja az "ellenbuherát". A konverter csak utána lesz használható hozzá. Üdv.
Köszönöm a választ!
Akkor várjuk a szakemberek, és hozzáértők hozzászólását!
1. Az eredeti állapot ellenőrzését FM szignálgenerátorral lehet megtenni
2. Az OIRT áthangolása CCIR sávra necces lehet, mert a lényegesen nagyobb üzemi frekvencia miatt a lokál oszcillátor rezgése leállhat 3. Hasonlóan problémás, és ezért nem javaslom a két sáv egyben való teljes hangolását 4. Én is a konverteres használatot látom a legegyszerűbben járható útnak. TJ.
Jó és hasznos kérdés.
Nagyon egyszerűen, három szekciós, 3x4-40Pf. kapacitás értékű,forgókondenzátorral, amely még japán gyártmányú.. Tehát mechanikus hangolású, egyik a bemeneti kört, a másik, a mod.kört, a harmadik szekció az oszcillátort hangolja ki.
Köszönöm a választ!
Kipróbálom a konverteres megoldást, miután helyre lett állítva az eredeti állapot!
Köszönöm a választ!
Akkor ez egy újabb hangolási megoldás a sok közül! Gondolom minőségi romlást nem okoz ez a megoldás, mert akkor az Orion nem alkalmazta volna egy HI-FI tuner-ben!
Sziasztok Forumozók!
Szeretnék áthangolni egy Meridian 211 szovjet gépet OIRT ról CCIR-re. Esetleg valaki már hangolta át? Állítólag elég 2 kondit kivenni a tunerből.
Ez nem az a rádió, amit kondicserével át tudnál hangolni. Ennek vasmag hangolású (induktív) bemeneti egysége van. A hangoló tekercseinek menetszámát kellene lecsökkenteni. Az viszont elég problémás, mert az egész egység egy mechanikailag stabil tömb, amit elég nehéz szétszedni, és utána ugyanolyan stabilra vissza alakítani. Töltsd le a kapcsolási rajzát.
Ilyenkor jön a B terv, egy külső keverővel kell a sávot lekeverni. Ez is problémás, mert az OIRT sáv keskenyebb volt, mint az EBU (CCIR) sáv. Ha visszaolvasol a topikban, láthatod. A hozzászólás módosítva: Nov 7, 2023
Szia!
Valóban elegendő 4 db kondenzátort kicserélni a CCIR norma vételéhez. A rajz jobb oldalán a szöveg alatt vannak az értékek. A készülék egyébként varikap hangolású.
Na ezt jól benéztem. Mindenesetre elég furcsa hangolású. Az tévesztett meg, hogy a varikappal párhuzamosan a rezgőkörben csak egy trimmer van. Nem gondoltam volna, hogy a rövidítő kondenzátor cseréjével lehet átállítani. A táblázatot meg nem is láttam. Sajnálom.
A hozzászólás módosítva: Nov 7, 2023
Köszönöm szépen!
A jobb oldali értékek a rajzon, 130pf,91pf,6.8pf,150pf ezek akkor CCIR áthangoláshoz szükséges értékek?
Úgy van! A 212-es típus a nyugati exportra készült változat.
Fakezű kolléga részére egy elvi rajz a DIORA TARABAN 3 R 510 rádióról.
A hozzászólás módosítva: Feb 24, 2024
Üdv!
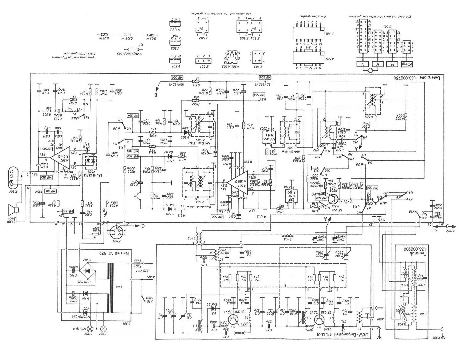
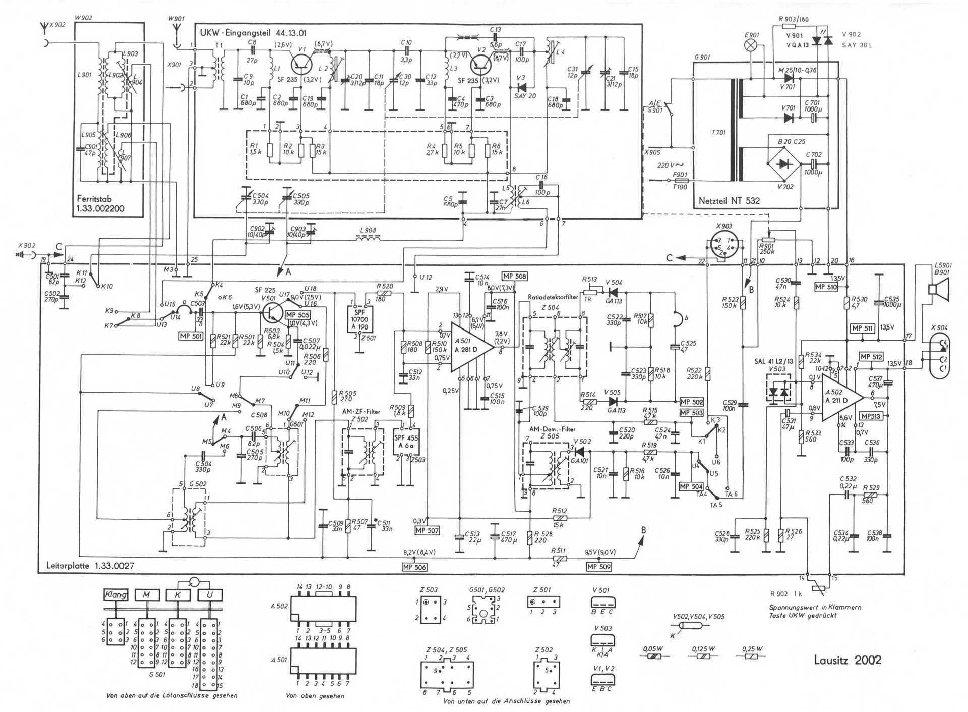
Van egy Robotron Lausitz 2001 rádióm ami az OIRT vételt tudja. Ezt szeretném CCIR-re áthangolni. Ennek a rádiónak van CCIR változata is Lausitz 2002. Hogyan tudnám a legegyszerűbben megoldani. A kapcsolási rajzaikat mellékeltem. Előre is nagy köszönet a segítségért.
A C11, és C15 kondenzátorok értékének csökkentésével, és vagy az L2, L4 tekercsek menetszámainak csökkentésével lehet feljebb hangolni, ha már a ferrit hangolómag teljes kitekerésével nem lehet. Az L4 oszcillátor tekercs leágazás arányait a lehetőség szerint meg kell tartani.
Köszönöm a válaszod.
A mellékelt 2002 rajz a CCIR hangolással gyártott rádióé, és ahogy néztem az OIRT hangolású 2001 rajz csak L 909 tekerccsel különbözik. (Ez csak egy nem hozzáértő által talált különbség a két rajz között.)
Bocsánat, mivel a két kapcsolás tuner része megegyezett, nem vettem észre, hogy az két különböző rádió tunerje, mivel az L2, és L4 menetszáma nem volt feltüntetve.
Az L909 tekercsnek (trafónak) nincs köze a vételi sávhoz, az a KF kicsatolását végzi (10,7 MHz). Mivel az oszcillátor, és modulátor köri hangolókapacitások ugyanakkora értékűek, a tekercskészletnek (L2, L4) kell másmilyennek lennie. Ezek menetszámának csökkentésével lehet a vételi sávot feljebb tolni. Jó lenne tudni azok menetszámát, de ahhoz bele kell nézni a tuner belsejébe, Ehhez le kéne forrasztani a tunert az alaplapról, és felnyitni. A tekercsek menetszámát a modulátor tekercsét (L2) 4, az oszcillátor tekercsét (L4) 3 menetre, 1 menetnél leágazással kellene újra tekerni. A hozzászólás módosítva: Ápr 25, 2024
Megpróbálok belenézni, és utána majd kérdezek még. Köszönöm az eddigi segítséget.
Sziasztok.
Van egy régi órás rádióm, aminek az FM része 65-108MHz. Ezt szeretném átváltoztatni 88-108MHz -re, mivel szinte lehetetlen egy állomást behangolni, olyan közel vannak egymáshoz. CD7613 -as IC van benne, plusz egy 2 tranzisztoros bemenő rész/oszcillátor/keverő. Kb megegyezik a rajz a csatolt képpel. Lehetséges lenne a sáv alsó felét összehúzni úgy, hogy a felső maradjon 108?
Szia! Vedd ki azt a két 20pF-ot és hangolgasd be tetszés szerint a nagy forgókkal párhuzamos trimmerekkel.
Köszi, megpróbálom.
Nekem úgy rémlett, hogy a tekercsekkel lehet a sáv alsó részét hangolni, de nem akartam összenyomkodni őket. Eléggé szana szét vannak húzva nyújtva.
Azzal még jobban szét fog távolodni a két vég. A frekiátfogás négyzetének kell lennie a kapacitás átfogásnak.
188/88=1,227. Ennek négyzete 1,5. Az eredeti átfogás: 108/65=1,66. Ennek négyzete 2,76. A kapacitás átfogást kétféleképpen lehet csökkenteni. További párhuzamos kondenzátor hozzáadásával, persze ekkor lefelé mászik a frekisáv, amit az induktivitások czökkentésével lehet kompenzálni. Vagy: Az induktivitásokat nem bántjuk, helyette a hangoló kondik kapacitását kell csökkenteni. Ez azt jelenti, hogy kell sorosan kapcsolni velük egy fix kondenzátort. Ekkor az átfogás frekisáv csökken, de egyúttal emelkedik is. Ezért a fix kondikat kicsit növelni kell. A pontos értékeket kellene tudni a forgókondi min/max kapacitását. Idegesítően javítja a helyesírást a telefon. Tehát nem én vagyok diszlexiás, hanem az android. A hozzászólás módosítva: Aug 1, 2024
Idézet: „A pontos értékeket kellene tudni a forgókondi min/max kapacitását. ” A forgókondi belül párhuzamos a trimmerrel nem? 10-50pF mértem mindkettőnél. |
Bejelentkezés
Hirdetés |