Fórum témák
» Több friss téma |
Fórum » Csöves erősítő készítése
Ne feledd betartani a fórum viselkedési szabályait, és a topik megmaradásának feltételeit. [link]
A téma átmenetileg fagyasztva lett, hozzászólni nem tudsz!
Megjött a csomag, mégegyszer köszönöm! Ha kell valami bátran szólj, h avan nekem küldöm
Gyorsan kiszaladtam az alsóépületbe, találtam is egy Color Starét, meg egy másik orosz félvezetős színesét, de mindkettő 0,5 körüli derótból van! Nekem kisebb kellene, viszont a minap szereztem egy ősrégi "hatalmas" fémvázas Tungsram fénycsőfojtót, abban volt négy kis tekercs 0.2-esből, sztem egy kimenőre elég
Olyan 30-ra saccolom a Color Starét
Ez aztán a sebesség tegnap kora délután adtam föl...
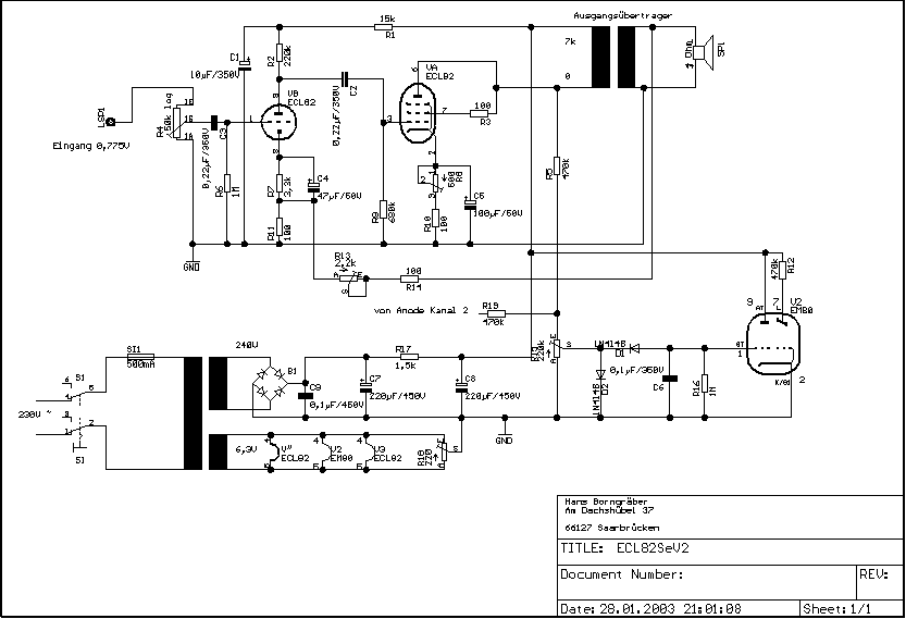
Csak a kívéncsiság kedvéért néhány kérdés: Az EM84-ek a hangerő függő kimenőjelet mutatják az anódról leosztva? Az a két tekerentyű külön-külön hangerő szabályzó? Yaxley vagy poti? Egyébként nagyon szép, a dobozolásról az jön le így fotón keresztűl nekem hogy van benne anyag bőven. Azért a puffer elkókhoz szívesen kölcsönadnám a matt fekete spray-met! Gondold meg, egy nap alatt odaér postával . De ez csak az én "írtsunk ki minden rikító kéket a világban" véleményem. Gratula. Mihez is lesz a kis hypersyl?
Szia!
Ez kezd érdekesebbé válni már :yes: De a csöveket sajna nem tudok szerezni.. A posta meg drága muri :no: De jelenleg nem is tudom hogy mitévő legyek Nem tudok választani a félfezetős és a csöves között. De én a félvezetősre jobban hajlok hisz az akárhol beszerezhető és nem is annyira költséges. Nem kell kimenővel bíbelődni stb..Bocsi hogy csalódást okozok neked(tek) üdv!
Igen az Em84-ek a kivezérlést jelzik majd, de a secunderről kapva a jelet csúcsegyenirányítás után. A Bal oldali az egy yaxley, bemenetválasztó, a jobb oldali az egy stereo poti, hangerőszabályozó. Nekem tetszik a kék, nem akarom lefújni
![]() A kis trafó az vagy egy basszusgitárelőfokhoz lesz ( ha belefér egy rack dobozba ), vagy egy 6N6P stereo PP-hez.
De azt tudod ugye, hogy az EM84 teljes kivezérléséhez -22V kell!? 4W kimenő teljesítménynél van ennyi a szekunder oldalon?
Nekem van nyákos, a fekete fehér tévékből való bontott, ha érdekel. aza baj, furatot kell csinálni neki a nyákba
nincs annyi a secuderen, de akkor majd felsokszorozom, vagy egy tranyóval felerősítem
De ez még a jövő zenéje, először szóljon az erősítő
Akkor Te nem magnoválra gondolsz ( PL500, Pl509 ), hanem rimlockra! Olyanom is van kettő bakelit, bontott!
Akkor jövő héten megy a KS csővel!
De most már tényleg megyek szerelni
Hapro rossz kimenője most már szakadt is. A 220-tól elhalálozott. Pedig - üzemszerűen - ettől lényegesen nagyobb fesz van rajta.
Nekem is van két sasszira szerelhető foglalat az EBL-hez, igaz nem kerámia de a kedvedért megválok tőle.
...de ha kérdezik nem tőlem kaptad a tranyós rajzot
!
Gondolom elég az ECC egyik triódája az EL84-nek, tehát a másikat felhasználhatád előfoknak az EM84-hez! Vagy a kimenő primerjét használd egy bazi nagy értékű ellenállással leosztva, sok ilyet láttam már gondolom működik.
Bár ahogy elnézem nem is olyan bazi nagy az az ellenállás...
Hát akkor lehet, hogy így lesz , még nem tudom
Csak az a gond, hogy nincs benne ECC
EF86, és EL84
Akkor válaszd a secunder leosztós megoldást, +1 db ellenállás ráfordítással azért nem olyan rossz...
Cseréld ki, ha elég gyors vagy még menet közben is lehet
Na ahogy az lenni szokott, elő is jött az első hiba : ha az összes cső benn van, a fűtőfesz leesik 5,9 Voltra
Kicsit vastagabb derót kellett volna ....
Akkor most mi lesz a megoldás?
Esetleg tudnál + még egy fütőtekercset benyomni a trafódba ? Vagy áttekered a trafót ? Én 6,3V helyett 6,8-7V -ra szoktam a trafót tekerni , ha kicsit több az kisebb baj , mert az csökkenthető ..., de általában nem kell , terhelve pont jó .
Hát a trafót biztos nem tekerem már át, mert bemártottam sellakba, meg amúgy is soronként lakkoztam ...
Egyelőre nem tudom mi lesz a megoldás 6 Volttal fűtve mi bajuk lesz a csöveknek?
Hát pontosan nem lehet megmondani , bajuk nem biztos , hogy lesz , de az aláfűtés is lehet káros , még a hangzás tekintetében is .
Katalógusokban megadják a +- eltérést lehetőségét , de tipus szerint változó . Én inkább kicsivel többel fűtöm mint kevesebbel 6,3-6,5V Egy 8-10V /A -es + trafó beépítése is segíthet , amiről fűtenéd a varázsszemeket , pesze ha van hely.
AMúgy is kell betennem egy trafót ami a késleltető áramkört szolgálja ki, meg azzal gondoltam az előfeszt is ( télleg El84-hez mekkora negatív feszből állítsam elő az előfeszt?? ), így majd akkor az Em84-ek fűtését is meg kell oldani vele ... De csngeőreduktort akartam áttekerni, de akkro az felejtős, a kis 4 wattjával , nem?
Nem is a hellyel van a gond, mert az lenne, hanem a hová? Ahol nem szórja meg a fojtókat, meg az Ef86-ot, vagy a bemeneten lévő alktrészeket, vezetékeket ....
Még az is kevés .
Akkor a végcsöveknek kellene + trafó , fojtót nem fogja zavarni . Multkor én is pont a fűtést méregettem , csak 6,2V lett amit többnek vártam terhelve , nem értettem , de rájöttem az okára , megmértem a 230V-ot és csak 217V -ot adott , később már 228V -al jó lett . Csak azért írtam , hogy Te is ellenőrizd , mert melegben nagy a fogyasztás és leeshet a bejövő feszkó is |
Bejelentkezés
Hirdetés |


. De ez csak az én "írtsunk ki minden rikító kéket a világban" véleményem. Gratula. Mihez is lesz a kis hypersyl?
Nem tudok választani a félfezetős és a csöves között. De én a félvezetősre jobban hajlok hisz az akárhol beszerezhető és nem is annyira költséges. Nem kell kimenővel bíbelődni stb..
! 

Kicsit vastagabb derót kellett volna .... 