Fórum témák
» Több friss téma |
Amit írtál mind egyet lehet érteni. Egy dolgot fűzhetnék hozzá. Ha valami donornak lett kinevezve ott nem érdemes finomkodni. Ott mehet a 100W-os páka is.
Egyszer bontottam gázlánggal is, na az büdös volt. Viszont kétségtelen hogy nagyon gyors is. 1-2 perc melegítés, majd nyáklap odacsap asztalhoz és már potyogtak is az alkatrészek. Hamar abba hagytam ezt a módszert, mert úgy jártam mint Béka mester a sok vödörnyi, doboznyi készletével
A bontott alkatrészeket beépítés előtt beméred valamivel?
Sziasztok!
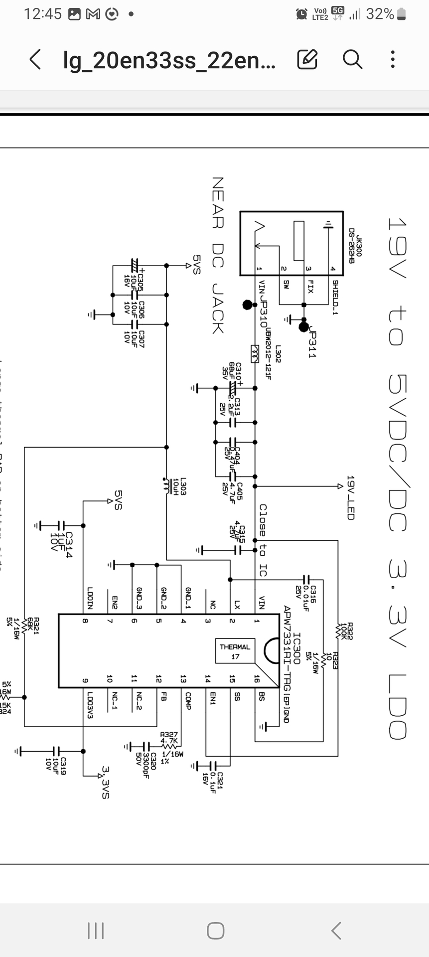
Gondom adódott egy lg 22en33s LED monitorral. Hibajelenség, nem kapcsol be. Külső tápra rámértem terhelve is kiadja a megfelelő feszültséget, de amikor a nyákra rá van dugva akkor semmi fesz, gondolom letilt a táp. A bemenetet mérve full zárlat (gondolom ezért is tilt le a táp), de ami kapcsolást találtam róla abban a bemeneti fesz csak a LED fethez megy meg a táp IC-hez. A táp IC APW7331 után sem az 5V.os sem a 3.3Vos ágban nincs zárlat. Ahogy néztem azért ettől több helyre is mehet a bemeneti feszültség de több rétegű és elég sűrű a nyák így nem tudom visszakövetni. Tud esetleg valaki részletesebb rajzot vagy van valakinek ötlete, hogy merre érdemes méregetni?
Válaszd le a LED világításra menő ágat és úgy vizsgáld meg van-e még zárlat. Ha nincs, ha van legalább tudni fogod milyen irányba kell keresgélned.
Labortáppal engedj néhány ampert a betápon és figyeld mi melegszik.
Mivel nincsen forrasztási tapasztalata nem fogom neki azt mondani, hogy donornak szánt panelből akár tábortűzön is lehet kiforrasztani. A bontás is a gyakorlás egy formája, rengeteg tapasztalatot lehet úgyis szerezni, korábban én is ezt tettem.
Amúgy én is belefutottam olyan esetbe, hogy a mentendő félvezetőket (sokrétegű nyákon kétoldalt beforrasztott és teljesen a nyákra ültetett) a legkíméletesebb módon a 2KW-os B&D festékleégető hőlégfúvóval lehetett kiforrasztatni. 8-ból 8 túlélte.
Nem mérek semmit mert nem tudom hogy mivel is lehetne. Van egy multiméterem de az is alap. Sőt lehet hogy nem is lesz donor hanem veszek egy újat. Főleg hogy mást is akarok rendelni. (ardurino kitt-et. ) Így annyira nem lesz húsba vágó a postadíj.
Ami lemaradt: a megjegyzés után lévő
-ból remélem egyértelmű volt, hogy nem csináltam voodoo babát számodra. (Habár a felmenőim között jó eséllyel előfordultak boszorkányok)Tényleg nincs semmi harag...
Elnézést kérek még egyszer. Mikor kértem kértem rá nem sokra családi problémák alakultak ki. Pontosabban csak a probléma marad. Vállalkozás szüntettem meg teljes mértékben, megközelítőleg 30 megrendelőnek kellett jeleznem hogy nem tudom a megrendelésüket csinálni. De ez már csak a múlt. Kellett egy kis idő mire felépítettem magamat újra. Most tervek vannak heti és havi és éves. Tanulási fázis jött elő. Elektronika javítás(csakis saját részre kikapcsolódás) arduino ismerkedés és programozás. Közben osztott hidrosztatikus sterilizáló gépet tanulom kezelni a munkahelyen. Szeretném a vállalkozást újra indítani de most már nagyban. Ehhez viszont kell nem kevés pénz. (napelem, lézergép, gyertya öntés, na meg fa esztergálás tömbösítése szükséges gépek .)
A hozzászólás módosítva: Okt 6, 2023
Sokan használják ezeket a nem drága, de jól használható teszter
Után is lehet építeni, de mivel készre szerelve is anyagárban van (kb: 5-10e) egyszerűbb venni. Kapható itthon és külföldön is. Létezik olyan is amihez folyamatosan fejlesztett szoftvertámogatás is van. Sok hasznos infót találsz a topic-ban is ahol kérdezhetsz ha elakadsz a használatában. avr teszter Arduino-hoz annyit tennék hozzá hogy érdemes az újabb, gyorsabb, nagyobb tudású STM alapút is rendelni (olcsóbb is mint az AVR alapú).
Mindenkinek nagyon szépen köszönöm a segítséget. A monitor életre kelt. Jelenleg szétszedve de ezen keresztül látok mindent a gépen. Meg kell tanulni kezelni mert távirányító nélkül nehéz de talán megjegyzi hogy pc módra kapcsoljon. Ha nem akkor nem. . A forrasztás 2 hibát elkövettem. Elejtettem a forrasztót. Letört a hegye. Az utolsó 2 kondit igen nehezen ment. Vennem kell egy másik hegyet. A másik hogy nem vettem azt ónszívó harisnyát. A?ihez volt már szerencsém használni, de akkor bohóckodtam vele csak Maszatoltam. . Jó lett volna. De elment. A szagra visszatérve. Fahrenheit 28020 gépem van. Nem profi de teszi a dolgát. Össz kiadás postával együtt 3000Ft. Viszont egy nap alatt ideért. Köszi HEstore.
Biztos is voltam benne: ha jól belelovalod magad, sikerülni fog az.
Az ónszívó harisnya nem okvetlen szükseges ehhez, agy ónszippantó is bőven jó (de kondenzatort cserélni alár anélkül is lehet).
Még fiatal koromban (2000 évek) kevertem a szelet egy forrasztó kislánynak. Ott leselkedtem párszor, néha a forrasztást is néztem hogy csinálja. Jobban érdekelt a szeme és a köpeny alatti részek.
Az a szipka mintha lenne valahol. Egyszer egy ingyen vihetőben kaptam. De ó így kipihenve lenni. Bicebóca és picurka volt a neve. Utalva a méretére és hogy egyszer szögbe lépet.) A hozzászólás módosítva: Okt 7, 2023
Nahát, akkor keresd meg.
Mármint a "szipkát" ... (Picirkát is, de azt nem okvetlen elektonikailag )
Már megkerestem. Még mindig gyönyörű egy teremtés. Újra szerelmes vagyok
Lassan megtanulod hogy mik azok a fogyóeszközök
![]() Érdemes megnézni magát pákát is, mert ha sikerül merőlegesen leejteni, akkor képes eltörni rögzítő pöcköket is, amítől az egész betét ki/be tud mozogni. Vagyis lesz egy újabb fogyóeszköz ![]() Harisnyát érdemes átitatni valami forrasztást segítő anyaggal (nem a picurkáét!), sokkal könnyebb akkor dolgozni vele.
Igen kezdek rájönni rendesen. Szerencsére a betét a helyén maradt nem mocorog semmi. De igyekszem nem elejteni.
Most raktam a kosárba 4 fajta hegyet ami a gépembe kell. Egyre hosszabb a bevásárló lista már
Sziasztok!
A nagyobb áram meghozta az eredményt, kiderült, hogy a bemeneten lévő 4.7µF-os kerámiakondi zárlatos. Miután kiszedtem be is kapcsolt a monitor a saját tápjával A kérdés viszont az, hogy az elérhető helyeken ilyen nincs készleten mit lehetne betenni a helyére? (2.2µF-os talán kapható) Előre is köszi.
Feltöltenél egy fotót arról a "4.7µF-os kerámiakondi"-ról?
Szia!
Ott található a dc csati mellett c405-ös pozícióban. Üdv
SMD kondi méretekhez nem konyítok de talán ezt keresed:
HeStore
Igen ilyesmit kerestem csak jó lett volna nagyobb méretben (mondjuk 1206). Alapból a google csak a Hestore-ban találja meg amrlyik boltot néztem ott nem volt. Végül a Lomex-nél volt 1206-os méretben készleten ott meg is tudtam venni estére be is teszem a helyére
A HeStore többfélét is árul 1206 méretben, a másik fajta volt is raktáron:
HeStore
Sziasztok!
Segítségeteket szeretném kérni egy Dell monitor hiba feltárásában. Mai napon elment az áram a lakásban. Néztem hát a fi relé oldott le. Mondom ennek oka van. Visszanyomtam ok minden. Utána már a lakás elosztóban oldott le a kismegszakító. Na így már közelebb voltam, hogy hol keressem a zárlatos készüléket. Mert az egyik szobai oldott le ahol a kisfiam asztali gépe van amit éppen használt. Visszanyomtam a kis megszakítót de a monitor már nem működött. Válaszokat előre is köszönöm.
Szia!
Ezt jól szétkaptad! Az a 2,5 amperes biztosíték mennyire ép?
Van ott az a ID608-as jelzésű Graetz-híd. Mekkora ellenállást mérsz a bemenetén és a kimenetén? A kimenete ugyanaz, mint a fekvő pufferkondi sarkai.
Kimenetét gondolom kiforrasztva kellene? Mert így össze-vissza ugrál az érték. Bemenet az zárlat.
|
Bejelentkezés
Hirdetés |





) 





