Fórum témák
» Több friss téma |
Fórum » EAGLE NYÁK tervező
Témaindító: csonthulye, idő: Dec 1, 2005
Témakörök:
Eagle leírások a neten:
Eagle alkatrész-könyvtárak: http://www.snapeda.com
és a leírás hozzá.- http://www.piclist.com/images/www/hobby_elec/e_eagle.htm - http://pa-elektronika.hu/hu/cikkek/75-eagle.html
Igen van 45-fokos forgatási lehetőség. Kiválasztod a forgatás menüt, majd a bal felső sarokban megjelenő 90-es értéket átírod bármire 1-360 között.
A hozzászólás módosítva: Júl 29, 2023
Nincs rá lehetőség.
Az alkatrészt kell ugy megszerkeszteni A hozzászólás módosítva: Júl 29, 2023
Köszönöm. Erre számítottam, de gondoltam hátha van egyszerűbb megoldás mint a lerajzolás.
Nem lehet jobb megoldás. a programnak minnősítése miatt meg kell felelni az elvárt kritériumoknak.
Újra megköszönöm, hogy megkerested nekem a kerek 723CH-t de sajnos hibás. Aki rajzolta alulnézetben számolta a lábakat, így csak kifordítva lehet beültetni a panelba. . Kijavítottam, csatolom az "alkotásomat"
Sajnálom, hogy hibás volt, köszi az infót, este megnézem.
Sziasztok!
Kis segítség kellene. Van két schematic meg két brd fájlom. Mindkettőt eaglel csináltam. Össze szeretném őket rakni egy lapra, de nem engedi. Ingyenes eagle-m van. Ameddig eljutottam. Új projekt, a két sch bele tettem, a két brd is benne van, de nem engedi letenni a második brd-t a 10x10es részre. Direkt úgy csináltam, hogy a kettő együtt ne legyen 10x10nél nagyobb. A hozzászólás módosítva: Okt 22, 2023
A free változat 80mm magas és 100mm széles lapot enged tervezni, nem 100x100-ast.
Szia,
Foglalkozott valaki az eagle-hez a freecad megjelenitéssel ?
EAGLE7.2-t használok pendrájvon, a hordozhatóság miatt. Eddig mindig ment különböző gépeken, még céges gép is engedte. Új laptopon Win11-es program ellenőrizni akarná, de se nem futtat ellenőrzést, sem nem indítja el. Hol lehet ezt a funkciót kiiktatni? Bocs, ha Off a téma, de ennek kapcsán futottam bele a problémába.
Nézelődtem, de nem sokra jutottam. Más free programokkal is ezt csinálja.
A legtöbb kártékony programot kereső szoftver tiltja az ismeretlen forrású vagy crackelt dolgokat, de a beállításaiban tilthatók bizonyos mappák (vagy akár egy egész meghajtó) szkennelése is. Persze ennek is megvan a kockázata, amit mérlegelni kell, nehogy becsússzon valami tényleg kártékony dolog.
Defenderben van egy olyan rész a viruskeresönél, hogy vslós idejü védelem.
Ez nem engedi elinditsmi mert virusosnak látja a tört programot. Ezt kapcsold ki mielött elinditod.
Megoldódott. Windows11 Home-S, ki kellett kapcsolni az S-módot.
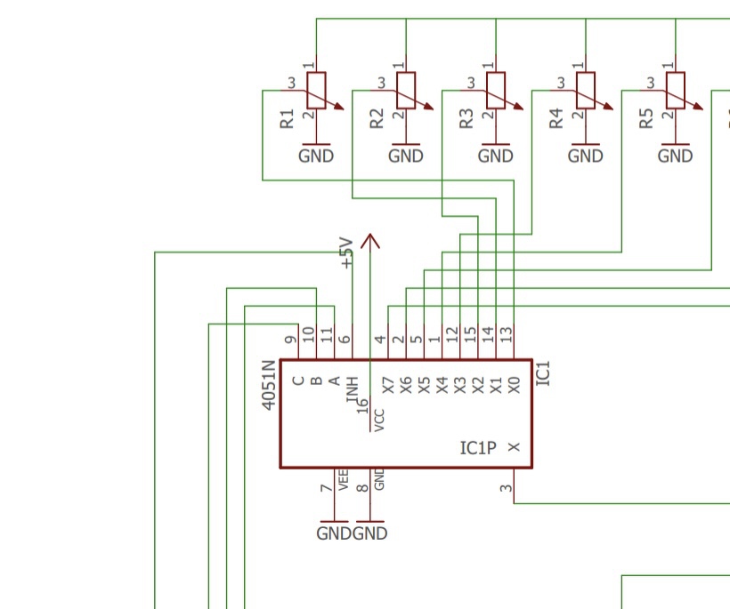
Az uj PCn én is kénytelen voltam a legujabb Eaglet letölteni (V9 ) de valamilyen okbol nem mutatja meg az ICken a közös lábakat (5V GND, EN pl. a 4051-böl vagy 5 láb hiányzik a képröl. Hol lehet ezt bekapcsolni? Kösz
Kösz. Igy már legalább látom a hiányzo 3 lábat, de valahogy nem sikerül jol elhelyezni a képen.
Ha kettöt berakok a az egyik oldalra a harmadik meg a téglalap közepére kerül.
Teljesen mindegy , hová teszed lényeg hogy be legyen kötve , így a BRD nézetre is felkerül .
Rajzjeleket nem kell egymásra tenned, lehet bárhol a lapon.
Kösz, ez elég szerencsétlen, mert nemcsak a táplábakról van szo. De mindegy valahogy majd csak megszokom.
Használd helyette az easy eda-t . Hátha az jobban megtetszik
Milyen lib van neked, hogy 5 láb is rejtve van ?
A régebbi eagleböl (7) importáltam a könyvtárakat. Itt ott morgott, de a többség átment csak a táp lábak hiányoznak, amik invokkal elövettem, de nem olyan szepen vannak mint a régin.
Nekem is igy jelenik meg mint Neked, de a regin a Vee-t kirajzolta. Most már mindegy. Jo hogy tudom majd valahogy elboldogulok. Már volt régein is egy ilyen balhém.
Az a baj, hogy már vagy 4-5 programban vannak szétszorva a rajzaim. Siralmas, és közben kiderült, hogy az uj PC nem ismeri fel a nyomtatot.
Az EDA megnyitja az EAGLE fájlokat ha jól emlékszem
Az eagle nem nyitja meg az eagle fájlokat ?
|
Bejelentkezés
Hirdetés |












