Fórum témák
» Több friss téma |
Fórum » Akkumulátor töltő
Hello! Gyakorlatilag ez a 20mA áram teljesen elegendő a szintentartáshoz. Mert ha az önkisütés mértéke mondjuk 5%/hó, az 72Ah-nál 3,6Ah pótlás jelent. A 20mA töltőáram pedig 20mA*24*30=14,4Ah egy hónap alatt..
Próbáld ki egy 10V-os trafóval és egy 5W-os vagy annál is kisebb soros izzóval. Nyilván a körülményektől is függ a dolog, mert nem mindegy hogy csak órákig lesz rajta vagy nonstop mondjuk heteken keresztül. Ahol mi használtuk (aggregátorokhoz) ott a 21W-os izzó sem volt sok mert nagy volt az önkisülés pláne télen hidegben, a töltés meg a nullához konvergált. Amikor reggel rátettük az akkura akkor elég jól parázslott az izzó, másnap már csak halványan, utána már nem is látszott csak kézzel megfogva éreztük hogy langyos, szóval hogy folyik még némi áram.
De mi nem használtuk állandóan, általában 3 nap után jött 1 hét szünet a csepptöltésben.
Köszönöm szépen,
így már biztosan az általad leközölt kapcsolást állítom össze. A kérdésem még annyi volna ezzel kapcsolatban, hogy a kimeneti feszültséget azt feltöltött akkunál kell beállítani a potencióméterrel? Az R1 az 1-2W legyen és a BD-nek tegyek egy kis hűtőzászlót ha huzamosabb ideig rajtatartom az akkun ezt a kapcsolást?
Azt szerettem volna ha rajtahagyhatom és majd csak akkor veszem le ha megyünk a kocsival.
Nem kell hűtőborda, sem 1-2W-os ellenállás sem. Minden lehet 0,6W-os. A kimenetre teszel egy kondit és beállítod a kívánt feszültséget. Aztán jöhet az akksi.
Összeszedtem az alkatrészeket, holnap összeállítom és beszámolok az eredményről.
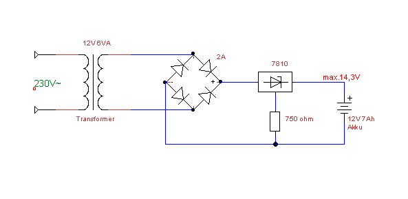
Egy kis 12V trafó + graetz híd + 7812 (to220) + egy ellenállás (méretezve 14V hoz) és semmi más! Csak ennyi kell hozzá. Se kondi se semmi!!!
A hozzászólás módosítva: Dec 14, 2023
Nem tudom, hogy mit csináltam rosszul de a kimeneten csak 3.3V jön ki. A trafós tápegység az 22V-t ad le. A kimenetre nincs hatással a poti állítgatása.
Lehet a TL431-et nem jól kötötted be. Annak középső lábának a GND-re kellene menni, itt meg a dióda felé iparkodik. A Led világít, tehát áram van és folyik arrafelé.
Bakker!
A saját rajzolmányomon rosszul számoztam be a TL-t. Futok még egy kört, mert az alkotó műhely a szomszédságomban van.
.... és kész. Köszönet érte!
Nem biztos hogy jót fog tenni neki ha hosszú ideig egyenárammal töltöd..
és párás poros helyen a trimer poti se a megbízhatóság példaképe. Ezért javasoltam volt egy egyszerűbb és jobb kapcsolást.
Csak kíváncsiságból: tegyél a aksi helyére egy nagyobb kondit és lássuk mennyi voltra tölti ez a töltőd.
![]() Ha megfelel akkor csak a kondit venném ki belőle.
Kár volt Ge Lee rajzához hozzáadni a LED es részt, mert az pont arra szolgál hogy leállítsa a töltést, pedig az volt a követelményed: "csepptöltőt szeretnék csinálni (mert ritkán használjuk)"
Azaz hiába hagyod rajta egy hétig, az első nap a feltöltődés után kikapcsol és utána mintha ott se lenne..
Szia! Köszönöm Neked és Ge Leenek is a tanácsot de ha már egyszer a Gabi"bácsit" kérdeztem .... neki nem tudok nemet mondani attól sokkal jobban tisztelem Őt és sokan lehetünk még itt a fórumon akik hasonlóan vélekednek róla. Szerintem Ti is ismeritek ha nem is személyesen de az írásaiból a munkásságát és nem csak itt a fórmon. Nem akarom tömjénezni de most ezt építettem meg. Nem bonyolult az áramkör de nem is a legegyszerűbb (bár érteném a működését) az elvárásomnak megfelel. Elolvastam róla amit csak lehetett (TL431) erről a feszültségosztóval programozható zénerről, értettem is meg nem is, talán kapisgálom de lényegtelen, az a fő, hogy működik.
Az akku a kocsiban vadonatúj (augusztusi) és nem akarom, hogy az önkisüléséből kelljen feltámasztanom amikor éppen menni szeretnénk vele. Van egy ilyen töltőm (Sk) de ezt mégsem köthetem be állandóra.
Háát nem tudom, hogy mennyi lehet ennek az akkunak az önkisülése de ez a töltőcske nem bírt vele. Nem tudta 12.35V-nál fentebb emelni a kapocsfeszültséget rajta több napon keresztül sem. Előkotortam egy dugasztápot ami 12V/400mA és azzal három nap alatt ment fel 14.8V-ra az akku feszültsége. Lehet, hogy az a kis panel trafó az kevés azzal a 1.5VA-ral? Ha nagyobbat rakok be hasonló kapocsfeszültséggel akkor jó lehet?
Hello! Nem lehet hogy az akksin valami terhelés van? Lehet nagyobb trafót tenni, és a töltőáramot emelni. De akkor a tranyóra hűtőborda kell. De a TL miatt az áramot ebben a kapcsolásban nemigazán lehet emelni, mert túlmelegszik. De ha nagyobb áram kell, akkor meg kell változtatni a kapcsolást. Nem lehet a TL sönt stabilizátor.. Az 1,5VA-es trafó, 100mA-ig elég lenne.
Legkevesebb vérveszteséggel átalakítani így lehet. Ekkor 100mA lesz a töltőáram, és kis zászló esetleg szükség lesz a tranyóra. Ha gerjedne, akkor a TL-hez kell egy 100nF, mint a rajzon. (Két szélső lába közé.) A kis trafó, ezt mg elviseli..
A hozzászólás módosítva: Dec 29, 2023
A 1,5VA biztosan kevés, bár áram és idő kérdése. Ezt a képen (trafó-graetz-izzó) most próbáltam ki, szépen teszi a dolgát ahogy kell, a kép jobb oldalán sötétben látszik hogy épp parázslik az izzó. Egy motor akkujára tettem rá ami 12,3V-on állt, 45mA-rel kezdte tölteni, néhány óra után 12,7V-on van. Ez a trafó 3VA körül lehet de néhány óra után már eléggé meleg. Olyan 13,1-13,2V körül fog majd megállni a feszültség ahogy nézem.
Viszont ha már csepptöltés akkor ez nem jó így sem és úgy sem. A tiéd azért nem lesz jó, mert hosszútávon ha DC feszültséget tartasz az akkun az szulfátosodni fog. Ez amit mutatok pedig azért nem jó, mert a 13,2V (vagy amennyi lesz) már sok, folyamatosan áram fog folyni az akkuba az önkisülése felett is. Egy ilyen megoldás lenne jó mint amit mutatok, azzal a különbséggel, hogy az akkufesz ne menjen 12,9V fölé soha. Ehhez egy olyan trafó kell aminek hozzá lehet férni a szekunderéhez és lehet jusztírozni, vagy kell utána sorba 1-2 alacsonyabb nyitófeszültségű diódát tenni.
Ha valaki nagyon ritkán használja az autóját, pl havonta egyszer, az a két használat között válassza le az akkut. A jó akku nem fog lemerülni, és a következő használat során újra fel fog töltődni ha a használat i idő 20 percnél több.
Ha ennél is ritkábban használja valaki, az havonta egyszer tegye normál töltőre egy órára, valamint az autónak sem fog megártani ha havonta egyszer kicsit meg van mozgatva. Azzal, hogy egy bármilyen csepp..stb töltőn van az akku folyamatosan, többet ártasz neki mint használsz. Mivel én néha két hetet sem használom az autóm, gyakorlatból mondom, hogy indításkor nem hallani a hangján, hogy lemerült lenne a 55Ah akku. Ha az akkut nem meríti semmi, akkor azt nem kell trenirozni.
Az a baj ezzel, hogy a mai kocsikon nem tanácsos levenni az akkusarut. De a regebbiken sem hasznos, ha csak azt nezed, hogy pl a radiót nemcssk "kódolni", hanem újrabeállítani is keel utana.
Az pedig egyaltalan nem igaz, hogy az a "csepptöltés", amit ő szeretne, az káros lenne. Ellenkezőleg, ha igyekszik az ember az akkut azon az értéken tartani, amin menetközben is van (jellemzően 14-14,4V közt szokott lenni) akkor teszi neki a legjobbat. Pontosan úgy tartja azz akkut, mintha 24 órán át járna a motor. Es az az akkunak a legjobb. (Naponta használt autónál nem kell ez). A hozzászólás módosítva: Dec 30, 2023
Csak ha leveszi az aksit akkor utána állíthatja be az összes ablakemelőt, a rádió se szólal meg biztonsági kód nélkül, sőt a kilóméterórák is nullázódhatnap pár hét után.
Szerintem kész kibaszás magaddal. Ez már nem a 70-es évek orosz ladája.
Az az egyetlen baj, hogy (a fényképeden mutattad is) 12V-os a trafó. Az pedig a 1,5VA-t kívánva (kb120mA) már nem fog 12V felé menni, kicsivel kevesebb áramnal kicsit felfelé is fog menni. (És olysnkor is csak a "szinusz" felső részén tud tölteni) Terhelés nélkül sokkal többet íger, valóban.
Csak annyit próbálnék, hogy olyan 15V, vagy afeletti trafót szereznék be. A hozzászólás módosítva: Dec 30, 2023
Elképzeltem amint a havi egyszeri utazásai után leveszi az akkusarut, majd a következő felrakás előtt saru és akku kivezetés tisztogatás, utána jajveszékelés mert az autó mindent elfelejtett, nem működik az ablakemelő, a központizár, talán még szervizbe is kell vinni az autót mert vissza sem tud állítani mindent.
![]() Én a sajátomról (Octavia) tudom, hogy bizony de, főleg így télen, nagyon is meghallani a hangján ha nem töltöttem 3 hétig az akkut, olyannyira, hogy lehet hogy el sem indul, ugyanis van hogy 3 hét után már csak 11,9V van az akkuban, úgy leszívja a sok kütyü ami benne van. Hát épp ezért kell töltögetni. A Zsigulátort azt azért nem kellett, mert ott ha levetted a gyújtást azzal nulla lett a fogyasztás, a mai autóknál viszont ez nagyon nem így van, sőt, úgy vannak tervezve, hogy legalább heti egyszer mész vele. Én van hogy másfél hónapig sem megyek vele... Idézet: Ezt egyszer majd próbáld ki, kíváncsi leszek mit szól majd hozzá az akkud. „Ellenkezőleg, ha igyekszik az ember az akkut azon az értéken tartani, amin menetközben is van (jellemzően 14-14,4V közt szokott lenni) akkor teszi neki a legjobbat. Pontosan úgy tartja azz akkut, mintha 24 órán át járna a motor. Es az az akkunak a legjobb.” Előre szólok, közel sem fog úgy örülni neki mint ahogy azt sejted...
Naponta próbalom, a teherautóm olyan 10-12 órát jár. Miközben 14,4V-on tartja az akkut. Nyugodtan elhiheted, az a legjobb neki. Persze, mivrl naponta hasznalom ezert nem okvehlen szükséges a maradék12-14 órában "szintentartani"
35 eve teherautózom -ezt kicsivel jobban tudom én, ha megengeded ![]() Van itthon "játszos" 35AH-som, néha egy hétig rajta van a 14V-ig korlatozott töltőm. Jol van az akku. Tehát ki is próbáltam ![]() Ezek (tudod) idítóakkuk. De ez meg már masfele vinne, itt most keveset jelent. A hozzászólás módosítva: Dec 30, 2023
Azért ha nem bánod én mégsem leszek oly hiszékeny, mert az összes feltétel teljesülése rövid idő alatt haza kell hogy vágja az akkut, és ez tény. Utoljára a kis polskiban láttam 14V feletti töltést, a mai autók egyike sem megy 13,8V fölé. Elég ha csak fél órát töltöm 14V fölé az akkut és már füllel hallani hogy pezseg, szóval nekem ezt nem fogod tudni megmagyarázni hogy ez jó neki, bárhogy igyekszel.
Nyilván nálad sem megy 12 órát egyfolytában a teherautó, kizártnak tartom, sűrűn van indítgatva, na úgy elképzelhető a magas töltőfeszültség, mert hát a kivett energiát vissza is kell pótolni.
Dehogynem, a mai autók többsege megy 14,4V-on (28,8 nagyobbaknál), sőt, 14,7 is van, azokkal az akkukkal, amit úgy készítettek. Ezek az általánosak.
Tenyleg segítségből, jó szívvel mondom. Ez a foglalkozásom egyik része. Apró, de fontos része. Erre pedig: Idézet: „fél órát töltöm 14V fölé az akkut és már füllel hallani hogy pezseg” kenytelen vagyok közölni: rossz az akkud. (Azt nem feltételezem, hogy rossz a mérésed. Regóta mérsz már) A hozzászólás módosítva: Dec 30, 2023
Nem vagyok autóvillamossági szerelő, de én azt hallottam, hogy nem töltünk akkut úgy, hogy az az autora is csatlakoztatva van. Lehet a rádió nem, de a motorvezélrő és társai nem dijazzák.
De akkor ezek szerint egy "okos" töltővel meg van oldva. ![]() Mit mondhatnék zárásképpen, sok sikert Idézet: Nem szabadna ennyinél pezsegnie, akkucsere van kilátásban. „ha csak fél órát töltöm 14V fölé az akkut és már füllel hallani hogy pezseg” |
Bejelentkezés
Hirdetés |




így már biztosan az általad leközölt kapcsolást állítom össze. A kérdésem még annyi volna ezzel kapcsolatban, hogy a kimeneti feszültséget azt feltöltött akkunál kell beállítani a potencióméterrel? Az R1 az 1-2W legyen és a BD-nek tegyek egy kis hűtőzászlót ha huzamosabb ideig rajtatartom az akkun ezt a kapcsolást?




A saját rajzolmányomon rosszul számoztam be a TL-t. Futok még egy kört, mert az alkotó műhely a szomszédságomban van. 












