Fórum témák
» Több friss téma |
Fórum » Hiraga erősitő
Témaindító: pcmaster90, idő: Máj 27, 2013
Témakörök:
Idézet: „Nem beszélve arról, hogy mit tud kezdeni adott delikvens a kimeneti impedancia megváltozásával.” Szerintem elővette az elemi iskolai fizika tudását és kiszámolta. A képek alapján megküzd vele. Idézet: „Te viszont szerintem megkerülted az általam felvetett problémákat. Miszerint nem ártana, ha a híd két erősítője mondjuk egyforma lenne átviteli tulajdonságra.” Ez szimuláció. Négy egyforma végfok van benne, most is (lényegében) ezt hallgatom és nem hobbi végfoknak szánom. Jenő Úr általánosságban kijelentette, hogy: Idézet: „Két egyforma végerősítő hídba kapcsolása alapvetően a teljesítmény növelése miatt történik, ott szó nincs hangzásminőség javulásról.” Szerintem ne mélyedjünk bele a további részletekbe, mert sose lesz vége.
Kipróbáltam más tranzisztorokat is a kapcsolásban.
Kisjelű tranzisztoroknál a BC547/557 helyett KSA992/KSC1815 Meghajtó tranzisztoroknál a BD139/140 helyett TTA004B/TTC004B. Óriási különbséget nem vettem észre, de úgy hallom, hogy egy kicsit azért több élet van benne . . . szóval ha nagyon kicsivel de úgy érzem jobb lett. Valamint munkapontbeállítás szempontjából is jobban alakultak ezekkel a tranzisztorokkal a dolgok. Annak köszönhetően, hogy a toshiba tranzisztorok - mind a kisjelűek, mind a meghajtók - bétájának a különbsége az NPN és a PNP között lényegesen kisebb, illetve szinte egyformák az NPN-ek illetve a PNP-k, az eredeti ellenállásértékekkel össze lehetett rakni, úgy hogy az R3 és R4-is majdnem egyformák (van olyan ahol teljesen egyforma, van ahol kicsit kisebb az R3, ugyanakkora nyugalmi áramnál). Amit még ki fogok próbálni: - bemeneten a 150pF kerámia helyett Silver Mica - a zener tápszűrésénél a Wima MKT/Yageo elkó helyett Nichicon Polyester/Nichicon Fine Gold elkó - a tápfesz szűrésnél Wima MKT/Yageo elkó helyett Nichicon Polyester/Nichicon Muse elkó - a végtarnyók kollektorellenállása MPC74-es indukciószegényre cserélése - a yageo ellenállások helyett Dale RN60-ak - a jelenlegi zenerek helyett is kipróbálom ezt: Vishay BZT03C13-TAP Utóbbit esetleg használta már valaki? Vélemény? És akkor most jelenleg ez tűnik a végleges kapcsolásnak:
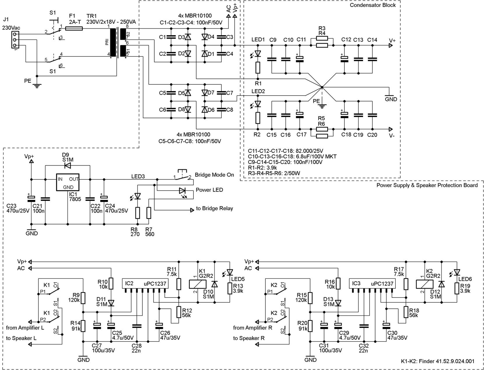
Kicsit a tápegységen is módosítottam.
Kap egy új trafót (toroid), ami két különálló szekunderrel rendelkezik, így két graetz-el lesz megoldva az egyenirányítás, illetve alulgerjesztett, többször impregnált, és árnyékoló menetsorral a primer és szekunder között. A csillagpont kialakítása a PCB-n is úgy lesz, ahogy a kapcsolási rajzon látható. Valamint kap hangszóróvédelmet is uPC1237HA IC-vel. A hozzászólás módosítva: Feb 2, 2024
Ez az árnyékoló tekercs szerintem nagyon szolgálatot tesz akkor, ha minden hálózati zavarjelet kapacitív úton szeretnék csatolni a készülékházba.
Az árnyékoló menetsornál az árnyékoló fólia még jobb. Sajna drágább is
Szia! Logikus és világos az elgondolásod. Csak arra az esetre írok néhány tippet, ha a gyakorlati eredménnyel esetleg elégedetlen lennél.
Az 1/3 Farád töltésébe a 2 A-es lomha biztosítéknak könnyen beletörik a foga. A biztosíték értéke megfelelő, csak lágyan kéne indítanod. A tápszűrő kondenzátor akkor hatásos, ha a tápáram annak lábát nem tudja megkerülni. A pozitív és a negatív ág hibátlan, a test felé a "kantáron lógó" kondik rontják a szűrés hatásfokát. A rajzon ábrázolt módszert inkább csavaros kondi és vastag gyűjtősín esetén alkalmazzuk. NYÁK-on inkább kövessük a tankönyvet!
Igen, drágább. Először én is arra gondoltam, de egy tapasztalt és elismert szakember, aki sok ilyen trafót gyártatott már, azt mondta Ő is már csak menetsort kér, mert elég az is.
A biztosítékkal kapcsolatban igazad lehet, mert a 2A-es kevés is volt indításkor (bár most még a 380VA-es hiperszil trafóval van összerakva), ezért ezt cseréltem 3.15A-re (de normálra, mert abból csak olyat találtam itthon), azzal már indul. Majd ha meglesznek az új trafók akkor kiderül, hogy mekkorára lesz szükség.
A tápszűréssel kapcsolatban érdekes amit írsz, sok "irodalmat" olvastam én is és láttam is sok megoldást, nekem valahogy az jött le, hogy a csillagpontos GND kialakítás jobb . . . Meglátjuk majd, mindenesetre köszönöm a javaslataid. Csavarosak egyébként a pufferkondik, csak én terveztem hozzá PCB-t, hogy kicsit gusztusosabban nézzen ki.
Nem szívesen szólok bele az ügyködésedbe. De a felrakott képed alapján, hiába rajzolta le reloop a lényeget. Sajnos nálad a "szépség" a menő. Az áramutak hitványak, a csillagpont olyan, mint a piactér, mindenféle áramlási lehetőséggel. És azt is kérdésesnek tartom, hogy az erősítő mit fog tudni használni a pufferek képességeiből a fóliacsíkok kapcsán. És ha még erre a tápra két erősítő kerül... Persze Te tudod. Én többet nem erről.
Jó ez teljesen
Még háromszor ennyi áramút van, csak az nem fér rá a rajzra.
Mikor a szimmetrikus tápfeszültséget középen megcsapolt szekunderről állítjuk elő, akkor valóban ezt az elrendezést választjuk. A különválasztott szekunderek és egyenirányító hidak adta előnyök így elveszni látszanak. Megjegyzem a különbség szinte észrevehetetlen a gyakorlatban.
Azért tettem fel az elképzelésemet, mert kíváncsi vagyok a véleményetekre, nem vettem egyáltalán rossz néven amit reloop írt, meg azt sem amit Te. Átgondolom, és meglehet hogy áttervezem arra a verzióra.
Azért mert a dobozát, vagy PCB-ket próbálom "szépre" készíteni, csak mellékes. Célom, hogy egy számomra megfelelő hangú erősítőt építsek.
Én például így szoktam, de ezt nem kell alapul venni mert én mindent másképp csinálok.
Lényeg, hogy a menetsort a védőföldhöz kösd le.
Én meg így, de ezt sem kell feltétlenül követni...
Egyetlen szempont lehet a tápegység puffer kondenzátorainak a bekötésénél - a töltőáramok és az elmenő áramok sohasem lehetnek közös vezetékszakaszon!
Ez érvényes az egy és a kettős tápfeszültségeknél is ![]() TJ.
És már el is készült a földhurok, mivel duál monó.
Lerajzolom, vagy keresek valami rajzot erről.
Valami ilyesmire gondolok, de lehet, hogy nem teljesen egyértelmű a rajz.
Ez azért nem stimmel, mert van egy dióda-ellenállás-kondenzátor tag, ami a védőföld és pufferek közös pontja közé van bekötve.
Ha van benne földhurok-mentesítő, akkor nem szóltam.
De akkor mihez árnyékol az árnyékolótekercs, ha le van választva a védőföldről?
A készülékházhoz. Nem? Vagy a kapacitásra van bízva, hogy levezesse a nagyfrekvenciás zavarjelet? |
Bejelentkezés
Hirdetés |








Még háromszor ennyi áramút van, csak az nem fér rá a rajzra. 










