Fórum témák
» Több friss téma |
Fogsz négy változót és azok értékeit módosítod igény szerint. Akkor küldöd ki az írási parancsot, amikor valamelyik IC-ben változtatni akarsz valamit. Ha egyszerre két számjegy változik, akkor két változót változtatsz meg és azután küldöd ki az írási parancsot.
Sziasztok.
Ha egy if feltétel kapcsos zárójele után ; van, az mit jelent és miért kell oda?
Semmit és nem kell oda, de szerintem bajt sem csinál ha lefordul, bár lehet utána egy ehhez az if hez tartozó else vagy elseif nem működne.
Nem kell oda. A kapcsos zárójel már egyértelműen jelzi a fordítónak, hogy addig tart az összetett utasítás.
Én is így "tanultam", de a Texas-nál így írták a példaprogit és nem tudtam mire vélni.
If-else kettősöket zár le vele úgy nézem a jobb olvashatóság érdekében, gondolom.
A hozzászólás módosítva: Dec 30, 2022
Üdv!
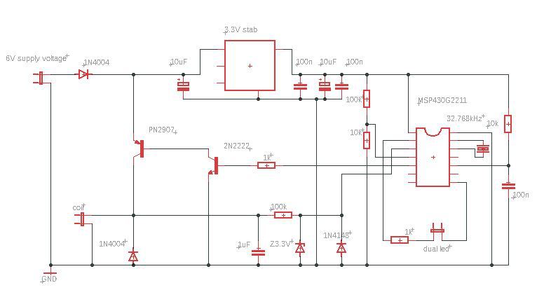
Egy óra vezérlő MSP430G2211 három hét folyamatos másodperc pontos működése "elromlott". Egy óra alatt több mint 15 mp-et siet. A pontosság beállításában "segít" a duó led . Pirosan villog ha lassú az inga és zölden ha gyors menet közben is korrigálja magát akkor a led-ek nem jeleznek csak ha tartós az eltérés. Kvarcot cseréltem de nincs változás. Mi lehet a hiba , sérülhetett a program ? Az elektronikáról itt olvasható a működés.. Bővebben: Link Köszönöm. A hozzászólás módosítva: Márc 16, 2024
az eredeti kapcsolásban BAT43-as dióda szerepel, ami schottky, az 1N4148 pedig normál Si dióda. Valószínűleg nem ez okozza a gondot de az szinte biztos, hogy a visszacsatolásban kell keresni a problémát. 1 µF-os kondenzátor és attól jobbra lévő alkatrészek.
Nem ismerem az MSP mikrovezérlőket de kb. kizárt, hogy a program megváltozzon. Az 1N4148-as dióda több feszültséget enged a kontroller felé. A 100 kΩ-os ellenállás elvileg megakadályozza, hogy nagy baj történjen de nem tudom, mi van az IC tokján belül, hogyan viselkedik egy kicsit magasabb fordított feszültség esetén.
Ez a probléma megoldódott. Én voltam figyelmetlen "perc" kerék kiegyensúlyozatlanság miatt néha 2 mp-et "fordult" egy helyett. Most az áramfelvétellel van dilemmám. Az inga mozgató tekercs 50 ohm vagy 430 ohm (mért tekercs ellenállás ) az áramfelvétel lényegesen nem változik. 1 Ohm-on mérve kb 500 mA? Ez most hogy? A második kép a tekercsen mért feszültség.
Ellenállás mérésnél DC feszültséggel mér a műszer, nem veszi figyelembe a tekercs induktivitását, váltakozó feszültségnél már szerepet játszik az is. Különösen trükkös a dolog négyszög esetén, ott egyszerre több frekvencia is jelen van.
Egyszerűen csak a fogyasztást próbálom megmérni. Az első tekercs 0.12 mm a második 0.08 mm huzalból készült. A második , hogy vehet fel közel 500 mA-t? Digitális és vagy analóg műszerrel esélytelen a pontos mérés szerintem, ezért próbálom megjeleníteni oszcilloszkóppal.
Elnézést, lehet, hogy nem értem a kérdést. Mérted a tekercs áramfelvételét? Arról nem látok oszcilloszkóp képernyőképet. A rákapcsolt feszültségről van ábra, de a tekercs árama nagyon nem így néz ki, leginkább háromszöghöz hasonló alakot kellene látnod. Köss vele sorba egy kis (pl. 0.1 Ω) ellenállást és az azon eső feszültség mutatni fogja a tekercs áramát.
Soros 1 ohm-on mértem a teljes elektronikát - 1-es kép. Így néz ki a tekercsen a feszültség második kép.
A hozzászólás módosítva: Márc 26, 2024
|
Bejelentkezés
Hirdetés |











