Fórum témák
» Több friss téma |
Fórum » Subwoofer szűrő
Szia!
Nem tudom, mert nem nekem kell, nem tudom mije van. Lehet, hogy lesz külön trafó hozzá. A 35V-os szekunderből (végfok táp) nem lehetne csinálni? Nem a Cleopátrába építené bele, csak a végfokot és a trafót használná belőle, de teljesen új valami lesz.
Az egyszeres végfoktápból is kialakítható az előerősítő tápja. Ott azt a módszert kell használni ami a Cleo előerősítő modulján található (osztó a neminvertáló bemenetek referenciafeszültségéhez). Ha ezt kivezeted a rádióból az könnyen brummos lesz a földhurok miatt.
Köszönöm.
Ez egy teljesen új alaplap lesz, nem lesz benne rádió.
Sziasztok! Ha ennél a szűrőnél:szubbasszus-szűrő "volume potit szeretnék bekötni,azt elé vagy utána kössem be? Valamint hány Kohm-os kell bele?
Szia! A kapcsolás problémáiról volt szó korábban, remélem megtalálod.
A hangerőszabályzást azzal éred el, ha az 50k trimmer helyett 50k lineáris potenciométert huzalozol be. A poti csúszkát úgy kösd be hogy jobbra tekerve adja az 50k-t, balra a nulla Ω-ot.
Egyelöre azt sem tisztáztuk honnan és milyen jel kerül a bemenetre. (Lehet, hogy teljesen felesleges ahhoz a poti).
Számítógép kimenet lenne a jel. 1 pár tda7294-et hajtan egy kis műszerdobozba... Az elejére szeretnék tenni egy volume potmétert. Erre mennek rá passzív mélyládák..
Szia. Sajnos még nem találtam meg,de még tovább keresem.. De találtam mást. Lehet ide kellene nekem is a potit bekötni?
A hozzászólás módosítva: Feb 4, 2024
Az ott van a számitogépeden. Minek ahhoz még egy? Neked elsösorban azt kell elintézned, hogy a kimeneti sztereo jelben levö basszus aránya mindig jo legyen, és ezt csakis a gain trimmerrel lehet beállitani, mert a kimeneti jel többi része ( közép és magas tartomány egyenesen megy a másik erösitöre.) annak a szintjét meg a PC hangerejével szabályzod, azaz semmi szükség a SUB szabályozására.
Szoval semmi poti ide nem kell, csak a kimeneti sztereo jelet kell megosztani a SUB meg a másik erösitö bemenetére. A SUB GAIN trimmerén meg csak beállitod a SUB arányát a másik erösitö szintjéhez. Ezt nem kell majd változtatni.
A poti helyét már írtam. Amit bekarikáztál az az erősítést egy tartományban szabályozza, ami egyrészt észszerűtlen, másrész szűk.
A kapcsolás (szegény Pedró nyugodjék békében) hibái a kimeneten vannak. El kell távolítani a testre feleslegesen menő 1k2 ellenállást és a csatoló kondit úgy kell beültetni, hogy a negatív essen a kimenet felé. A hozzászólás módosítva: Feb 4, 2024
Hát elég gáz igy ez a szürö, már megint sikerült olyat találni a neten amivel csak gond van. Ez az internet átka. S ha már a sztereo jelböl veszi ki a basszust, miért nem adja továbba jelet. ( 2 ellenállás meg egy csati kell ehhez).
Egy ilyen vacak bekötése láthatoan sokaknak okoz problémát. Összel egy hasonlo kapcsolásrol ugyanilyen szempontbol majdnem egy honapig vitatkoztak a német emberek. Ha mindjárt ugy csinálta volna meg ez a feltörö titán, hogy a bemeneti sztereo jelet megosztja, azaz mindjárt csinál egy kimenetet a másik erösitöre, akkor itt sem lett volna téma. A hozzászólás módosítva: Feb 4, 2024
Köszönöm!
Szia! Összeraktam a sub szűrőt,de van eggy alkatrész ami a nyákon rajta van,de a kapcsolási rajzon nincs. Valamint nem is kaptam,és az alkatrész listán sincs feltüntetve. Az 1n4148 diódáról van szó.
KIT szubbasszus-szűrő aktív 18dB/okt.
Atkotheted, csak fordított tápfesz csatlakoztatásától ved.
Rendben! Köszönöm!
Bármilyen Si diódát betehetsz oda, ennél kisebb áramút valószínűleg nem találsz, csak nagyobbat. Ha van otthon bontani való paneled, kis dugasztápod, azokban biztosan van. Ha nem tudod véletlenül felcserélni a táp 2 vezetékét, akkor nyugodtan kicserélheted egy átkötésre ahogy írták.
Sziasztok!
Az itt megtekinthető subwoofer szűrőn 50k-s vagy 100k-s potit kell használni? A kapcsoláson 50k van feltüntetve,de a kész panelon 100K-s van.. Valamint az alkatrész listán is 100k-s van.. A hozzászólás módosítva: Máj 19, 2024
Szia! Bár ez lenne az egyetlen gond a kapcsolással. Az alkatrészek harmada teljesen feleslegesen van belerajzolva.
Lerajzoltam a szükséges alkatrészekkel.
A gyakorlatban egy TL074 kell hozzá. A hozzászólás módosítva: Máj 19, 2024
Amit linkeltél, az tényleg olyan átvitelű mint a leírásában szerepel. Ez sajnos messze áll attól amit egy szűrőtől elvárunk.
Példaként mellékelem azt a bevált és elterjedt kapcsolást amit szinte valamennyi autós végfokban használnak. A hozzászólás módosítva: Máj 19, 2024
Köszönöm szépen!
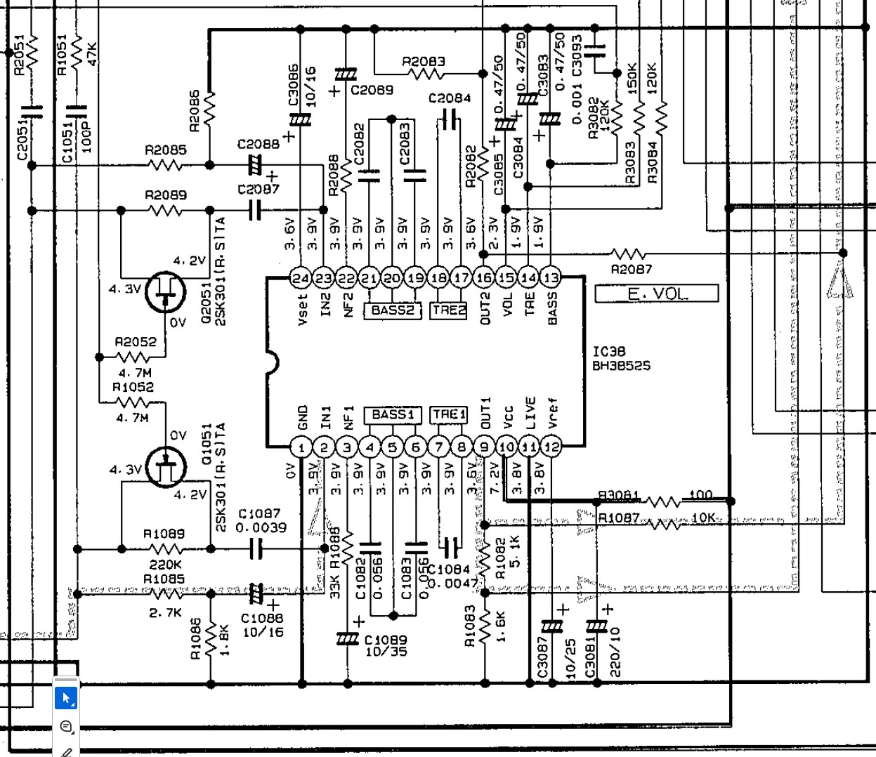
Túl gyenge jelszintSziasztok!Van 2 JVC UX 1500R GR típusú microhifim, ami rendelkezik külön kimenettel "Subwooferhez". A gondom, hogy nagyon gyenge a jel, ami ott kijön. Ha rákötök egy aktív mélyládát szól de nagyon halkan hiába tekerem max-ra a hangerőt. Már több mélyládával próbálkoztam, de mindegyikkel ugyan az van és mindkét hifinél ugyan ez a jelenség. Csatoltam két képet a műszaki doksijából, amelyeken látszik, hogy néz ki ennek a kimenetnek a kapcsolása. Rá tudnátok esetleg nézni, hogy ez így jónak tűnik? IC38 9 illetve 16-os lábától indul ezeket közösíti az R1087 és R2087 (10-10k) ellenállásokkal majd a jel átmegy egy 10µF (C3088) kondin és egy 10k-s (R3086) ellenálláson. Előre is köszönöm! Gyenge jelszintSziasztok!Van 2 JVC UX 1500R GR típusú microhifim, ami rendelkezik külön kimenettel "Subwooferhez". A gondom, hogy nagyon gyenge a jel, ami ott kijön. Ha rákötök egy aktív mélyládát szól de nagyon halkan hiába tekerem max-ra a hangerőt. Már több mélyládával próbálkoztam, de mindegyikkel ugyan az van és mindkét hifinél ugyan ez a jelenség. Csatoltam két képet a műszaki doksijából, amelyeken látszik, hogy néz ki ennek a kimenetnek a kapcsolása. Rá tudnátok esetleg nézni, hogy ez így jónak tűnik? IC38 9 illetve 16-os lábától indul ezeket közösíti az R1087 és R2087 (10-10k) ellenállásokkal majd a jel átmegy egy 10µF (C3088) kondin és egy 10k-s (R3086) ellenálláson. Előre is köszönöm!
Ha kiveszed a mute tranyót akkor is? Vagyis kap a Q3081 vezérlést? Bázis-emitter feszültség itt mennyi? Ha 0,6-0,7V vagy efölött akkor sanszosan vezet és ezért nem jut elég jel a kimenetre.
Szia! Igyekszem megmérni. Még annyi, hogy ugyan így van megoldva a line out és a végfok némítása is és közös a vezérlésük. Azok jól működnek és ha line outra kötök mélyládát úgy rendben szól csak úgy a hifi nem vezérli a hangerőt.
Szia!
Annak a valószínűsége, hogy 2 db egyforma készülék egyszerre ugyanazt a hibát produkálja akkora, ![]() hogy én inkább megkeresném a kezelési útmutatót és megnézném, hogy mit hova kell kapcsolni a készüléken vagy a távirányítón, hogy éledjen a sub kimenet is. Mindig a legegyszerűbb megoldáson érdemes elgondolkodni elsőként... ![]() Üdv.
A legtöbbször a mélyládák érzékenységével van a gond!Zömében V-os nagyságrendű jelet igényelnek a rendes kivezérléshez. Egy 5-20-szoros erősítésű kis vonalerősítő lenne a legjobb megoldás a problémádra.
|
Bejelentkezés
Hirdetés |






















