Fórum témák
» Több friss téma |
Mielőtt kérdezel, a következő két dolgot ellenőrizd!
I. A helyes tápfeszültségek megléte.
II. A kimeneten van-e egyenfeszültség.
Élesztés.
A gyakorlati megvalósítását az alábbi ábra szemlélteti.
A hozzászólás módosítva: Jún 1, 2024
Nos.
Ez így jó lehet? Én szeretek poligont használni, a nagy áramok miatt. Rosszul gondolom/csinálom?
Meg tudja kerülni a tápáram a szűrőkondenzátort? Meg.
Furatra ne bízz nagy áramot! Csak a forrasztási oldalon legyen vezetősáv! Láttam a táphullámossággal kapcsolatos kérdésed a másik témában. Mutattam szimulációt, hogy a kapcsolás a szokásos áramgenerátorokkal kiegészítve 100 Hz-en több mint 70 dB-t csillapít a ripplin. Az ökölszabály szerinti 10000 µF szerintem bőségesen elég lesz. A panelre tervezett 2x2000 µF-re sem lesz szükséged. Mehet a helyükre a 10000 µF/25V-os kondi az egyenirányítóval együtt. Még nem láttam választ az elvárt legnagyobb kimeneti amplitúdóval kapcsolatban. Ha a korábban említett 10 V még érvényben, akkor a 2x12 VAC trafó megfelel. Ilyenből elég nagy a választék Bővebben: Link Néhány gondolat a trafó terhelhetőségéről. Az erősítőbe egy 10 A-es áramkorlátot applikáltunk. Szinuszos jelnél ennek effektív értéke durván 3,5 A. A trafóból tehát maximálisan 2x12x3,5=84 W-ot fogunk kivenni. Erre azért teszünk másfél-kétszeres szorzót, hogy az észszerűség határán belül minél kevésbé változzon a tápfeszültség különböző terheléseken.
Tudtam én, hogy kérdeznem kell
Vezetősáv megkerülés oké, tehát ne használjak ekkora poligont (vagy használjak vezetősávot). És az áramfolyásnak megfelelően huzalozzam a kondikat. Idézet: Ez a lyukgalvánra vonatkozik? Vagy ha alkatrészlábon mennék át a "top"-ról a "bottom" oldalra?„Furatra ne bízz nagy áramot!” Nem jobb, ha több kondi van párhuzamosan? Illetve ha jól értem elég összesen 10000uF? Mondjuk az nem hiba ha több van... A "top" oldali vezetősávval mi a gond? Transzformátort én is néztem már, majdnem pont ugyanezt. A hozzászólás módosítva: Jún 2, 2024
A kérdések még aktuálisak, de egy részét próbáltam önállóan megoldani.
Így jó lesz? A Graetz és a kondik közötti rész szándékos, a borda helye. Próbáltam előre gondolkodni...
Ne rajzolj NYÁK-ot éjszaka! A példával ellentétben a GND-ben létre hoztál egy hurkot.
Használhatsz nagy kiterjedésű vezetősávot, de az áram a legkisebb ellenállás felé fog folyni. Nem látogatja meg a poligon sarkait, az esetleg hőelvezetésre jó. Mit tehetünk, hogy kondenzátor lábára tereljük az áramot? Csatolom.
Üdv.
Erősítő-végfok beállításban kérnék segítséget. Az alany egy EE Systems névre hallgató csoda. Belül megegyezik a T-amp 2400-al. A kapcsolási rajz nagyjából ugyan az. Javítás után működik mindkét oldal, csak be akarom állítani hogy minden okés legyen. A beállító trimerek funkciója érdekelne hogy mi mire való.? És mekkora nyugalmi áram lenne normális eme készüléknek.
Szia! TR6 a nyugalmi áram állító. A 0,22 Ω emitter-ellenállásokon mérve 4-5 mV, de egyiken se essen több 5 mV-nál.
A TR4, TR5 az áramkorlát, hobbi felszereltséggel jobb, ha nem nyúlsz hozzá.
Szia.
Cserélném a trimereket is hogy ne legyen gond kontakt hibára. Komplett fürdetést sikálást kapott a panel mindenestül. Gyanús és rozsdás alkatrészek cserélve. Bonyolult lenne az áramkorlát beállítása.?
Az áramkorlát beállításról már elég régen olvastam, főleg az maradt meg bennem, hogy lehetőleg ne piszkáljam
![]() Szkóp, műterhelés és a beállítási érték ismerete kell hozzá. Még arra emlékszem, hogy az SM kihangsúlyozta, hogy szimmetrikus legyen.
És talán még az is fontos, hogy nem folyamatos, hanem "burst" jellel kellene beállítani.
Szkop, müteher, müszerek vannak. Van egy elméletileg nem piszkált oldal amin birok mérni- összehasonlitani. Csak a karmester hiányzik, aki levezényeli a beavatkozást. Ha lessz idöd meg kedved és összeállitanád a müveletet az megköszönném.
Fejből már nem megy, ha netán rábukkanok az SM-re belinkelem neked. Úgy emlékszem DAP-Palladium volt a készülék. A ±15 V amin a meghajtó tranyó bázis-feszültség korlátozója van a lebegő táp miatt a kimenetről kap utántöltést - az legyen rendben minden kivezérlési szinten. Kondi, dióda, zener, teljesítmény-ellenállások.
Remélem még nincs este
Próbálkozom... A GND csatlakkozó két bal lába nem is biztos, hogy szükséges, ha maradunk az áramfolyás elve mellett. Vagy a poligont oda teszem és utána kötöm össze a két jobb oldali lábbal.
Igen. Dap Palladium P-1200 néven van Elektrotanyán de csak a rajz. Leirást nem találtam.
Mi is volt a kérdés? Meg tudja kerülni a tápáram a szűrő kondenzátor lábát?
Meg bizony. A D2 negatívról a C1, C2, C3 negatívon keresztül már lenne egy szűrt águnk, erre viszont ráküldöd a szűretlent C5, C6, C7 pozitív lábakon keresztül. Ez nem jó. Nézd meg alaposabban ezt az ábrát! Direkt a vezetősávok helyes nyomvonalának szemléltetése érdekében rajzoltam át ezt a vázlatot. Nem égbe kiáltó a különbség, de pont ugyan annyi munka jóra megrajzolni, mint éppen még elmegyre.
Szia
Próbálkozok ezzel az erősítővel, összeraktam az Általad javasolt módon, de a nyugalmi áram beállítással vannak gondjaim. +-25mV-ot ír a kapcsolási rajzon az emittereken mérve. Nagyon érzékeny a poti beállításra, szinte beállíthatatlan, már kicseréltem 10K-ra, illetve el van "billenve", ha a Q110-et állítom -25mV-ra, akkor Q109-en 80mV körül mérek, illetve folyamatosan megy felfele a nyugalmi áram, 1-2 perc után már mindkét érték kb a duplája, mintha nem kompenzálná a hűtőbordára fogatott D101 dióda (utána néztem, ez nem is egy dióda, hanem 4db sorbakötve). Mit kellene módosítanom még, hogy beállítható legyen, és ne másszon el? Mindkét oldalon kimértem az összes ellenállást, félvezetőt, mindkettő ugyanezt produkálja.
Szia! A nyugalmi áram beállításakor a végtranzisztor emitter-feszültségét nem a testhez, hanem a kimenethez képest mérjük. A nyugalmi áram ezen feszültség és az emitter-ellenállás hányadosa, ami esetünkben 50 mA. Ezt az áramerősséget üzemmeleg erősítőn állítjuk be, értsd ez alatt a bekapcsolás után kb. fél óra elteltét.
Az "elbillenés" a kimenet és a test között ±200 mV-ig elfogadható.
Sziasztok!
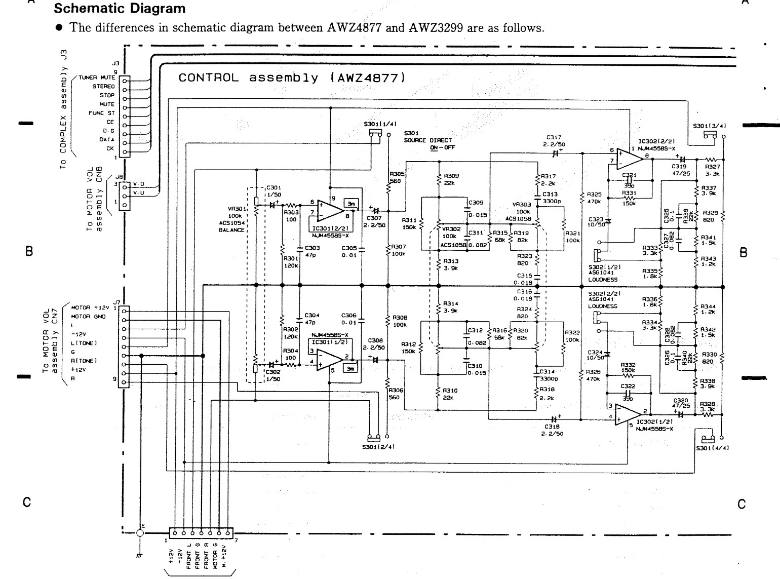
Egy kis segítséget szeretnék kérni. Van egy Pioneer SX-302-es rádiós erősítőm,aminek a hangszín szabályzó része nem működik (Direct gomb OFF) kivéve a balance és a hangerő ezek működnek.Magas, mély,Loudness teljesen hatástalan,Loudness,Direct kapcsoló jó.Tápfeszültséget jók ,műveleti erősítök cserélve 4570-re. Csak multiméterem van,egyenlőre elkezdem méregetni a kondikat,aztán az ellenállásokat. Minden segítséget előre is köszönök!
Szia! Teljes rajz merre található? Ebből a részletből nem derül ki például az R, R(TONE), FRONT R hogyan kapcsolódik a rendszerhez.
Sziasztok!
Ha egy erősítő tápellátását egy trafó biztosítja, ami egy fém dobozban van, és a fém doboz le van földelve, akkor az ugyanabban a házban lévő erősítő potijait (pl hangerő szabályzó attenuátor) kell-e szigetelnem a fém háztól? A poti háza ha testelve van, ez lehet-e kapcsolatban a földeléssel? Köszi
Szia! Az erősítő test és az érintésvédelmi föld összekötése van amikor jó és van van amikor nem. Egyes PA eszközökön például kapcsolható (ground lift).
A fém potenciométert szigetelés nélkül rögzítheted a házhoz, de ne ez legyen az említett két test találkozási pontja.
És akkor nekem most jó, vagy nem jó?
Ez lenne alapból az egyetlen találkozási pont a kettő közt. Létesítsek egy külön pontot föld és test közt?
Szia
Elektrotanyán fent van a teljes Pioneer SX-339 néven,ebben benne van a 302-es is. De én kiválogattam ezeket a részeket. Előre is köszi a segítséget.
Meghallgatod van-e búgás a hangszóróban az egyik, vagy a másik esetben, ez eldönti.
A bemeneti jelcsatlakozónál a legjobb a védőföldelést az erősítő testhez kötni. Feltéve, de meg nem engedve, a jelforrás felől befigyel a fázis valamilyen fatális hiba okán, így tesz a legkevesebb kárt az erősítőben.
Így már tiszta és világos. A Direct OFF S301 kapcsoló 1/4 és 2/4 kontaktusa kapcsolja a balanszot, mint írod ez rendben is lenne.
Ugyan ezen kapcsoló 3/4 és 4/4 része a hangerő poti pálya megcsapolásra köti (kötné) rá a hangszínt. A hangszín, amúgy nagyon helyesen az alacsony hangerő tartományban hatásos. Lehet nem itt végzed a próbát. Az is előfordulhat, hogy a hangszín kimenet nem jut el potira. Ezt szakadásvizsgálóval kimérheted a kapcsoló és a poti között. Ha esetleg a hangerő potenciométer volt már cserélve, közönséges kivitelűre, akkor ott veszett el a szolgáltatás.
Szia
Eredeti a hangerő és minden más is benne. Pár éve volt egy ugyan ilyen erősítőm ott egyértelmű volt a szabályzás. Kis hangerőn fejhallgatóval próbáltam. Végig fogom méregetni. Köszi a segítséget!
Fejhallgató segítségével ellenőrizheted a hangszínszabályzó egység működőképességét. A C319 és/vagy C320 kondi negatív lábára 1k ellenálláson keresztül rákötheted a fülest. Ennyit kibír a műveleti erősítő és valamennyire hallatszani is fog. A kondik helyét bekarikáztam, test a J7 csati 6-os tüske.
Szia
Végighallgattam a jel útját és egészen a hangerő poti bemenő lábáig jó,szabályozható magas,mély, loudness ok. Viszont a kimenetén már olyan mintha Direct-ben szólna és csak a Balance működik. A hangerő potméter végigmértem mindkét végállásban és egy hasonló loudness-es összehasonlítva jó. Jelenleg itt tartok és nem igazán értem. |
Bejelentkezés
Hirdetés |





















