Fórum témák
» Több friss téma |
Fórum » Kapcsolási rajzot keresek
Témaindító: Kallai Csaba, idő: Márc 11, 2006
Témakörök:
Szia
köszönöm szépen a segitséget. Üdv
Hali!
Miért nem használ kis méretű nyomókapcsolót? Szerintem ez a legegyszerűbb - szerintem...
Szia
igen már gondoltam rá köszönöm holnap veszek és kiprobálom hog elfér-e ahová készül. Üdv
Hello!
én ehhez keresnék kapcsolási rajzot. Bővebben: Link ez egy keylogger és az sem baj ha a kapcsolás 20x nagyobb mint a képen lévő mert csak kísérleti eszköz lenne. 20x azért ne, de értitek Üdv
"Lac": ITT, ezeken a linkeken nézz körül!
Amúgy nekem is lenne egy kér(d)ésem. MM5402-es óra IC-hez keresnék kapcsolási rajzot. Az adatlapján sajna nincs. Kereste "sprofan" is ebben a hozzászólásában, ott van adatlap is. Ha valaki tudna kapcsrajzot hozzá, nagyon örülnék neki, nagyon szeretnék egy órát saját kijelzővel
Sziasztok
én szeretnék segítséget kérni egy elektröncsöves erösítőhöz szeretnék PHONO elófokozatot beépjteni és ehhez keresek kapcsolási rajzot. azt tudom hogy az 1987 februári ELEKTORBAN megjelent egy komplett elöerösítő fokozat építéséről szóló cikk csak nem találtam meg.
sziasztok!
mazso1988 annyi gondom lenne még a dahlander motorral kapcsolatba, hogy sajnos a 6 vezetékből a jelölés már csak 3-on látszik. valaki tudna nekem abba segíteni, hogy hogy nyomozzam ki melyik melyik.
Van egy (kicsit holland) rajzom a belső kapcsolásával, ellenállásokat mérve megtalálhatóak az egyes tekercsek.
Szia!
Ez egy EVIG motor mellé adott papirusz.
sziasztok! Keresek ************
Ennek az apróhirdetési rovatban van a helye! (Frankye)
Sziasztok!
Tudnátok nekem linkelni olyan hangszínszabályzót ami 5 sávos?
Sziasztok!
Mégegyszer nagyon kösz mindenkinek a segítséget, remélem így már sikerül.
Sziasztok!
Szereztem egy régi csöves rádiót. Kapcsolási rajzot keresek, hozzá! A neten találtam, hozzá képet, valahogy így néz ki: Bővebben: Link
Közben azóta ezt találtam: Kapcsolás MM5387-hez teljes leírásal ! ( igaz, németül ) Bővebben: LinkMost hanyagolom a dolgot, mivel nics elég led-em csak 200db van de 400 kelene
Ja, a lényeg lemaradt:
Használj inkább S1998 -at ahoz jó a fenti kapcs, nagyon egszerű csak 8 külső alkatrész kell és csak 250Ft az IC.
VT R946F Szimfónia, Link
Kapcsolást is megtalálod.
Nagyon köszönöm
Helló Mindenkinek.
Elromlott a Maxwell 25-501-es kézi műszerem. (valószínűleg a bemenete) Ha lenne valakinek kapcsolási rajza róla, vagy végső esetben egy Bp. vagy környéki szervizt keresek. Köszönettel
Hello!
Csak egy ötlet, mert nem ismerem a műszert. Miből gondolod, hogy a bemenete? Nagyfesz mérés, vagy Ohm vagy A állásban feszültségmérs? - Nézd meg, van-e benne védődióda, hátha zárlatos. - Nézd meg, van-e benne bizti, hátha leoldott. üdv! proli007
Helló Proli007
Ohm mérésben feszt kapott. Egy kis kondi lefüstölt. A mérésmód váltó tárcsát kézzel betudom úgy állítani, hogy, pl. ohm mérésben nem sípol, hogy rövidzár a bemenet, (és mér rendesen) és más üzemmódok is működnek. Tehát a tárcsa nem ér hozzá valamihez a mi a nulla ohm-mos bemenetet produkálja. De hát rajz kéne. Köszönettel
Hello!
Biztos, hogy kondi volt az? Nem valami varisztor? Mert mit keresne a beneneten egy kondi ohm-méréskor üdv! proli007
Helló Proli007
Igen, az egy smd kondi volt C16 pozíciószámmal. Köszönettel
Helló Mindenkinek.
Senki nem tud segíteni? Köszönettel
Sziasztok!
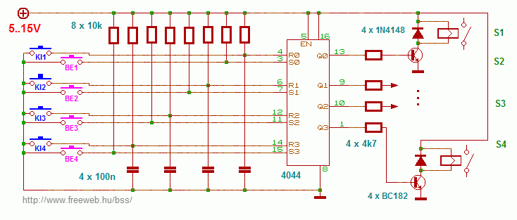
Építeni szeretnék egy nem tudom nevén nevezni mit, de lerajzoltam, egyébként valami be- és kimenet választó félét. A lényege, hogy egy dobozba szeretném beépíteni, nyomógombokkal szeretnék reléket vezérelni, mert relékkel szeretnék kapcsolni. CD1-et vagy CD2-t lehessen kapcsolni Végfok1-re vagy Végfok2-re, és Végfok1 vagy Végfok2 kimenetét lehessen kapcsolni Hangfal1-re vagy Hangfal2-re. Tehát bármelyik CD tud szólni bármelyik végfokon és hangfalon is. Síma nyomógombbal szeretném megoldani a kapcsolást, tehát ha az egyiket megnyomom, akkor kapcsol, és nem olyan kapcsolóval, ha az egyiket lenyomom, akkor a másik kapcsolót mechanikusan kapcsolja le. Gyakorlatilag 6db nyomógomb szerepelne a doboz tetején, és a hátulján meg a csatlakozó erdő (12db banán csatlakozó és 8db RCA) A relés nyomógombos részre szeretnék kapcsolási rajzot. Ha lehet valami egyszerű tranzisztoros kapcsolás érdekelne és nem Pic vagy valami programozható akármi, mert ahhoz abszolút nem értek. u.i.: A rajzon a nyomógombos részeket külön rajzoltam, mert így átláthatóbb, de a valóságban egy dobozba szeretném majd rakni. köszi
Mondjuk most azon gondolkodtam, hogy mivan akkor ha a relék tápját kapcsolom egyszerűen 3 jacksley kapcsolóval, vagy egyszerűen 3 átváltó kapcsolóval?
szerintem semmi. Egyébként időközben találtam két kapcsolást, de az egyikről azt állítják, hogy nem működik rendesen, csak speciális esetekben működött jól, a másiknál meg először ki kell kapcsolni és utánna be lehet kapcsolni egy másik kapcsolóval. A kibe kapcsoló néven szereplőről állítják hogy az csak speciális esetekben működött jól.
szia szerintem ha van elég tranzisztorod, akkor tranzisztoros bistabil áramkörökel megoldhatod+ plusz relék! Én az egyik erösítömnél igy oldotam meg a bemeneti jel választást :yes: tranyos bistabil
Szia!
tetszik a megoldás, sokkal jobban mint a kapcsolóval vagy jacksley vel átkapcsolgatom megoldás, de ide nem olyan kapcsoló kell ami benyomva úgy marad? Olyat szeretnék ami rugós és ha megnyomom-elengedem akkor újra nyitva az áramkör. Ennél a kapcsolásnál nem kell zárva maradni az áramkörnek, elég ha csak a tranzisztor bázisa egyszer feszt kap és már át is billen? |
Bejelentkezés
Hirdetés |






)



