Fórum témák
» Több friss téma |
köszönöm Ódenka.a kapcsolásokat ,nem látható rendesen,tudom orvosolni,vagy letőlteni,látható minőségben.
Hello! Látható az, csak ne a képre, hanem a file névre kattintsál!
Idézet: „úgy gondolom hogy,mivel csak bemenet választás történne” Minden ami félvezetőn megy keresztül torzul. A régi technológiák eleve zajosabbak mint az újak. Mivel az átépítés sima forrasztgatásnál darabolásnál bonyolultabbnak gondolom, ha arra vállalkozol, azzal a tudással már újat építhetsz. Két bemenetig egyszerű, csak a végfok helyére kötöd az erősítődet, de a csatornaváltó részhez hozzáilleszteni a bemenetválasztót már szebb feladat. Ez mellé még a panelt visszarajzolni, honnét kap áramot, mekkorát, merre kerül a hangfrekvencia.... Tanulásnak jó, de leginkább egy jó kínzóeszköz. Ennyi befektetett munkával inkább megjavítanám...( ha nem a tuner része rossz.) Idézet: „továbbá van nekem hibás dán rádióm,aminek volna 8 bemenete,igaz ebből csak 2 vonal bemenet,a többi a hangolt,csatornákat kapcsolja.” Ha a "hangolt csatornákat" kapcsolja, akkor az csupán egy bemenet, ami a tuner résztől jön, és ott a hangolófeszültséget állítja át. Lehet, hogy nem egy, hanem 2 bemenet, ha az egyik az AM, a másik az FM vevőrésztől jön, és a "hangolt csatornák" valójában vételi sávok (pl. 2 db FM és 6 db AM sáv). Így igazából összesen csak 3 vagy 4 bemeneted van. Viszont a jó hír, hogy azok a kapcsolók (feltételezve, hogy az egy isostát-szerű, egymást kiváltó kapcsolósor) kiforrasztva és megfelelően bekötve használhatóak lesznek mindenféle egyéb elektronika nélkül, ahogyan proba már írta. Egy kép vagy típus arról a dán rádióról esetleg segíthet a tanácsok adásában, hogy egyáltalán lehetséges-e, van-e értelme a felhasználásának...
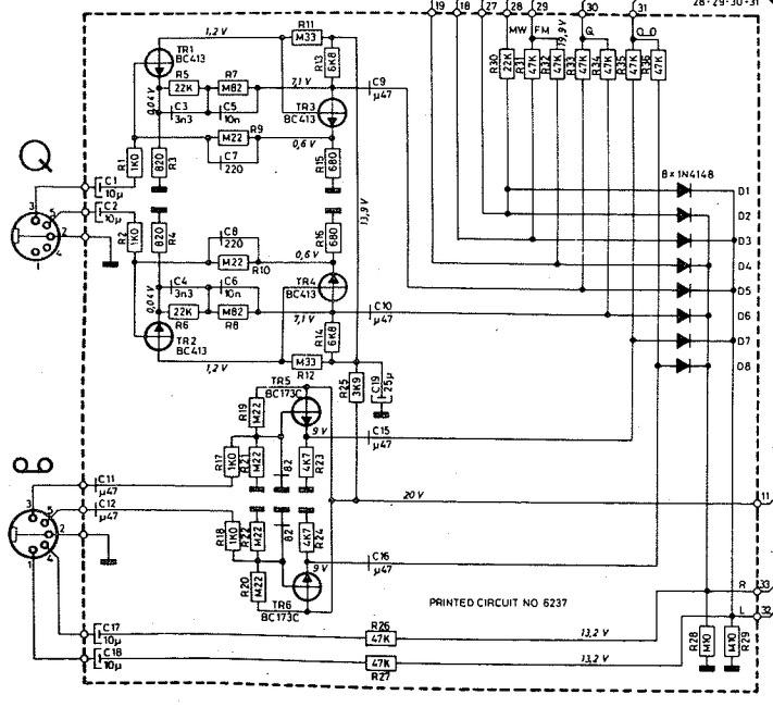
A dán rádió szerintem érntőgombos, mintha SAS ic-k lennének benne.
Bár a rajzot elnézve, a nyomógomb modul külön panel, ehhez tápot építve, jelfogókat illesztve, még akár jó is lehet. A hozzászólás módosítva: Júl 27, 2023
Sőt a bemenetet több példányban megépítve, az eredetihez hasonló módon illesztve, akár 12 bemenet is lehet. ( bár ebből a diódás valamiből nem sok jót nézek ki.)
A "dán rádió" lehet olyan, mint a Dansk, amiben nagy eséllyel SAS IC van, de lehet olyan is, mint a Beomastar, amiben viszont (ránézésre) isostat van. Esetleg olyan stílusú, mint a regi.jpg képen látható - hiszen csöves végfokot akar beleépíteni.
De lehet, hogy lemaradtam az előzményekről és kaktusz2 már megírta korábban, hogy mi a típusa...
hibásként vettem,sajnos bele van barmolva,szerintem a tuner sem a sajátja,ahogy elnéztem a service manuált.a végfokok se jók,a bemenetekek és az előfokot nem néztem még.
nem isostat,sas 560 -570 ic senzoros kapcsolók.12 senzor összesen
A hozzászólás módosítva: Júl 27, 2023
ugy gondolom hogy,1-2 ic bemeneteit a 3 ic bemeneteihez hasonlóan ,kellene kiegészíteni.
és a bemenetekre,mint a 30-31 pontokra ,kapcsolódna az illesztő,fokozat.amibő legalább 7-8 db kellene csinálni.ha rosszúl gondolom,szóljatok.persze ez még felületes
Nézegetve, lehet csak 8 kimenet esélyes, bár nem néztem az adatlapokat, az 570-es gondolom azért kell 560 helyett, hogy egyik kiválasztása a többit tudja törölni. Erre az eredeti bemenetválasztó rész max 4 bemenetig képes. A kimenetekre valószínű kell az ellenállás, és a másik panelen lévő dióda halmaz is, a tranzisztoros fokozat kevés.
szép reggelt.igen a bemeneti panelen ,rajta vannak a diódák is.
Sziasztok!
Nézd meg légyszi reloop, hogy jó-e így. A soros 100R-eket kivettem a műveleti erősítő és a DIN dugaljak közül, ami a felvételhez megy. A 47k-kat is csak a CD-nél tartottam meg. A műveleti erősítő ellenállásértékei jók lesznek? Mert a réginél, egy másik műv. erősítő után volt kötve. Ez most egy külön dobozban lesz, ami a Videoton-ba csatlakozik, mondjuk a Tape-be.
Szia!
Utána kell néznem, egy általános magnó mekkora bemeneti és kimeneti jellel rendelkezhet. A rajzodon van egy hatos leosztás és egy kétszeres erősítés ami valószínűleg pont jó lesz. Kell majd egy csatoló kondenzátor a műveleti erősítő elé, hogy a jelforrások esetleges egyenfeszültségű komponensét leválassza, meg egy alul-áteresztő szűrő ami a Kossuthot és az egyéb RF zavarokat csapdába ejti. Mivel szereted a szép kondikat, meglocsolhatjuk vele a kapcsolást, hogy a bemenetválasztás ne rángassa meg a mély hangszóró membránját. A koppanásmentes váltás másik lehetősége, némítás alkalmazása az átkapcsolás idejére. Ilyesmire tegyek-e javaslatot?
Szia!
Igen, kérnék javaslatot is. ![]() Emlékszem, valami fura tranzisztorral csináltad valakinek, valamikor.
A reléket kapcsoló, vagy mikrovezérlő fogja működtetni?
Azzal nem nagyon lehet támogatni a koppanásgátlót, a Vidi is a fém gomb megérintését detektálta úgy-ahogy.
Esetleg prioritást adhatsz a csatornáknak, hogy két gomb együttes beerőszakolásától is csak egy csatorna szóljon. A magnóknál arra jutottam, hogy a be és a kimeneti szintek legyenek egyformák, a CD-nek adnék egy felező osztást, mert az többnyire magasabb kimeneti jelet szolgáltat. Ahogy időm engedi lerajzolom.
Köszönöm.
Az a fajta koppanásgátlás nem kell, mert külön dobozban lesz és műanyag gombsapka lesz rajta. Akkor ezt félreértettem. Amúgy nem lehetséges két gomb együttes benyomása, mert egymást kiváltó kapcsolósor lesz benne. Azt hittem, hogy a CD-nél elég a 47k a GND felé, merthogy láttam valahol.
Ott tartok, hogy monitoroznám a magnót ami éppen felvesz a lemezjátszóról, de a 100 Ω lefojtja a jelet. Erre is ki kell valamit találnunk.
Köszönöm fáradozásodat.
Te legalább értesz hozzá, én csak rajzolgatok.
Bocsánat, közben rájöttem, hogy ennél a panelnél, nem lesz lemezjátszó bemenet, mert a Pityu9-féle HFM -et fogom használni a 6383-ban. Azt inkább valami Tape4-nek fogom kinevezni.
De másik verziónál lesz lemezjátszó bemenet, RIAA korrektorral.
Cseppet túlgondoltam, magnó felvétel közben nem szokás a bemenetválasztót kapcsolgatni. Nem lesz szükség koppanásgátlóra.
Az U5-nek csak illesztő funkciót szánnék, sem nem erősítene, sem nem csillapítana. Az R53 és R54 egyaránt 47k lenne, a másik csatornában úgyszintén. Ez felére osztja a jelet, a műveleti erősítő pedig megduplázza, tehát a szint változatlan marad. Elkerülhetnénk ezt a cécót, ha egységnyi erősítést állítanánk be, de azt a 4558 nem igazán szereti. A magnóknál a passzív állapotban lezáró 100 Ω, legyen 100k. Így lehet majd monitorozni és azért inaktív állapotban elvezeti az esetleges sztatikus feltöltődést. A tuchel aljzatok 1 és 4 lábait nem kötném össze egymással, akármi is megjelenhet rajtuk. Minden ágba 1k beiktatását javaslom (12 db ellenállásnak számolom). Egyenfeszültségre a DAT bemenetnél számítok, ahová telefont, MP3 lejátszót, számítógépet tudok elképzelni. Ott könnyen befigyel 1,65-2,5 V. A 3-as és az 5-ös csatlakozási pontokról jövő ágakba egy-egy 2 µF körüli kondit iktatnék be és óvatosságból az R9, R10-et megemelném 330 Ω-ra. A CD-nél a 47k helyére 22k/22k osztót javaslok, mert annak a jele legalább a duplája a többi forrásénak.
Rendben, köszönöm.
Átrajzolom, aztán megmutatom. Nem ragaszkodom a 4558-hoz, de régebben azt ajánlottad.
A 4558 egy nagyon bevált alkatrész, megérdemli, hogy kiszolgáljuk.
Remélem érhetően írtam le a módosításokat, lakásfelújítás közepén járok, sajnos nem jut idő rajzolásra.
Persze, érthető.
Én meg este 8-ig dolgozom. Jó felújítást! Köszi mindent.
Akkor, ha jól értelmeztem, így néz ki.
Majd lesz kérdésem a huzalozással kapcsolatban. |
Bejelentkezés
Hirdetés |











