Fórum témák
» Több friss téma |
- Ez a felület kizárólag, az elektronikában kezdők kérdéseinek van fenntartva és nem elfelejtve, hogy hobbielektronika a fórumunk!
- Ami tehát azt jelenti, hogy a nagymama bevásárlását nem itt beszéljük meg, ill. ez nem üzenőfal! - Kerülendő az olyan kérdés, amit egy másik meglévő (több mint 17000 van), témában kellene kitárgyalni! - És végül büntetés terhe mellett kerülendő az MSN és egyéb szleng, a magyar helyesírás mellőzése, beleértve a mondateleji nagybetűket is!
Egyik amit írtam az SPS-1820D még 220ezer áron is van jelenleg. Ez már komolyabb lenne, de kb. 150mV zaj. Ebből arra következtetek, minden kapcsitáp ennyire zajos.
Az általad leírt zajszint benne van az adatlapban. Amikor jobb minőségűt írtam, nem feltétlen drágábbra gondoltam.
Teszteket, adatlapokat kell nézni és az igényeknek megfelelően kell választani.
Oké amit írsz, de nekem furcsa, hogy egyáltalán gyártanak ekkora zajjal tápegységeket.
Kifelé is zavar mindent, ezektől a szomszéd helyiségben sem lehet szkópozni, mert csak a zaja van a szkópon.
Értem én ezt, de azt hiszem nem ment át a kérdés lényege.
Eltekintve attól, hogy alit linkeltem, bármilyen más boltban meg lehet vásárolni "ezeket". Jellemzően van a noname kategória X Ft-ért, a "márkás" kategória X*10 Ft-ért, meg X*100 Ft-ért is. És természetesen mindegyik "ugyan az" a méret, tehát nem úgy van, hogy a 32V-os vagy 72V-os típus átütési távolsága változna, hanem egyenlő mindegyik. Nekem a józan ész azt diktálná, hogy a nagyobb feszültségű ha kiolvad, ott a két pólus közt nagyobb távolságot szakít meg, de ez nem így van. Tehát akkor mégis mitől lesz az egyik csak 32V-os, a másik meg akár 72V-os is?
Az angol tudásom nem sok minden, fordítóval olvasva sem vagyok teljesen megvilágosodva a feszültségtűrést illetően. Amit előbb Bakmannak írtam, akár neked is címezhettem volna.
Viszont találtam itt két tesztelős videót (meg biztos van még 666 másik is), ami túláram teszt. Első videó... Második videó... Az elsőben három márkát összehasonlítva a noname valóban repül 100A-nál. A "jobb fajták" meg túlterhelhetők valameddig, és a V betűs (manapság felhypolt csillagászati árú kategória), 240%-os túlterhelésnél távozik. Ez szerintem így bukta. A másik BS márka gondolom szintén nem az olcsóbb fajták közé tartozik, 170% túlterhelésnél szakad. Ha csak azt nézem, hogy ezek biza 100A-es példányok, szerintem ez is bukta. A legnagyobb bajom az, hogy nincs információnk, hogy ezek gyors vagy lomha biztosítékok e. ![]() De ha feltételezem, hogy a két utolsó lomha típus, a 170% is már inkább több mint amennyi lehetne, de a 240%-os túlterhelés szinte biztos, hogy tűréshatáron kívül van, vagy rosszul gondolom? A második videóban csak egy fajta van tesztelve, de ott is a második felében túlterheléses, ami számomra szintén elég érdekes, főleg az utolsó kb 10 perc. És ott sem vagyok meggyőződve róla, hogy ennyi túláramot valóban ki kellene e bírni egy 100A névleges terhelhetőségű darabnak. A hozzászólás módosítva: Szept 7, 2024
Én ezzel a 9V dugasztáppal jártam rosszul. Ahhoz nem is tudtam használni, amihez eredetileg vettem, mert valósággal "visított" az eszközöm hangkimenete tőle! Rápróbáltam egy Sokol zsebrádióra is, az vételileg teljesen lesüketült tőle és csak "visított".
Ez lassan katasztrófa, ami kisugárzással működhetnek akármik. Villanybicó töltő, laptopom egyik töltője -másik nem, tehát így is lehetne tervezni- amiktől nincs rádiózás, más elektronikáknak is bezavar, szkópon zajsáv.
Létezik előírás/szabvány kisugárzott, és vezetett zavarszintekre 30 MHz -ig, ezeket elvileg teljesíteni kellene a forgalomba hozatali eljárás folyamán. Ettől még közvetlen közelről zavart okozhatnak, de kb 10 m távolságtól már nem nagyon
Ha pedig egy hangfrekvenciás erősítőben zavart okoz, akkor ott baj van az erősítővel is. A hozzászólás módosítva: Szept 7, 2024
Mi a legkisebb általatok ismert teljesítményű fűtő betét? Nem panaszkodom a fa mennyiségére de van két nagyobb radiátorom és a tervek szerint kapna egy-egy betétet és azzal fűteném a házat keringetés nélkül. Van ugyan ellenállás huzalom de majd később kísérletezek vele ha lesz hozzá anyagom. Megspórolnám a macerát a hurcolkodás miatt.
Erről a Vargáné féle PC tápok jutnak eszembe. Volt szerencsém pár darabhoz.
A nyákon szépen felszitázva az alkatrészek kontúrjai, de az induktív elemek helyett átkötések, a kondenzátorok meg kihagyva. Ezek a zavarvédelmi komponensek lettek volna. Gondolom a forgalomba hozatali engedélyhez beadott darabokban ezek még megvoltak. Aztán amikor megvolt az engedély, ment a fax Kínába, hogy mehet a takarékos kialakítás gyártása.
Milyen radiátor? A szokványosakba villanybetétet rakva, extra veszteség. Ha olajradiátor, akkor annak van szabvány betétje és szabályzója. Mindegy, mekkora a betét, annyit fűt/fogyaszt, amire állítod.
Voltunk már ott, a helyszín és a feladat ismert.
![]() Egy kályha van, annak a hatósugarát kellene kiterjeszteni több helyiségre, klasszikus gravitációs keringetésű ún. "etázs" fűtésként, elektromos rásegítéssel, ha kifogy a tüzelő, vagy nincsen otthon éppen senki aki rakna a tűzre.
Vannak ilyesmik akár 300W-osak is, valamikor nézegettem, de letettem róla.
De itt (is) van: fűtőbetétek Jó drágák, de ez alapján tudsz azért máshol is keresni.
Idézet: @pucuka ‒ Esetemben amit bezavart az a dugasztáp az egy házilag épített cucc, ami mikrofon bemenetet tesz hangszórón hallhatóvá, tehát elég érzékeny a tápfesz minőségére.„Ha pedig egy hangfrekvenciás erősítőben zavart okoz, akkor ott baj van az erősítővel is.” @nagym6 ‒ Nálam még nem olyan vészes a helyzet, az említett dugasztápom zajong, ezt leszámítva még a szivargyújtó-aljzatos 12V adapter és az univerzális dugasztápok is csendben vannak (elvileg).
Nem véletlen írtam, hogy baj van az erősítővel is.
A sugárzásos zavarok elégtelen árnyékolás miatt keletkezhetnek, vagy földhurok miatt. Egy mikrofon - hangszóró erősítőnek igen nagyot kell erősíteni, a legkisebb árnyékolási, és földhurok probléma is jelentős zavarokhoz vezet. A vezetett sugárzás (tápzaj) a könnyebbik eset, megoldás a fokozatonkénti szélessávú tápszűrés. A kimeneti fokozatnál nem olyan nagy probléma a kapcsolóüzemű táp 100 mV körüli zaja a viszonylag nagy kimeneti feszültség miatt, és a fokozatnak jelentős a visszahatási csillapítása is. Persze ezt is haza lehet vágni némi észre nem vett földhurok miatt.
Soha nem voltam jó teljesítményről forintra számításból de valami ilyesminek kellene kijönni.
Bár eleggé konyhanyelven, de valóban így kell kiszámolni -ha tényleg 50ft egy kWh ára. (Nem tudom pontosan, nejem a tudója. De akörül van, bizonyos fogyasztasi határ alatt)
Most épp megnéztem anyámét. -4,94ft -6,8ft -16,6ft Ez összesen -28,64ft Ezt beszorozva 150-el 4251ft Van még 120,5ft elosztói díj, 4372ft összesen, ÁFA-stól 5552 5552/150=Valami 37ft. De fejben én is 50ft-al számolnék, meg ha átmegy az ember egy határon, akkor a határon felüli sokkal drágább. Márpedig fűtéssel át lehet azt ugrani.
Sziasztok!
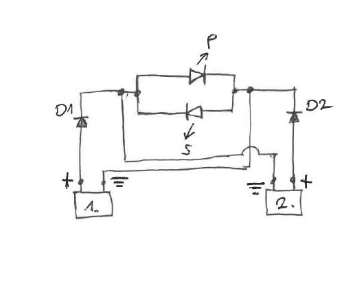
Inverz LED bekötésében szeretnék segítséget kérni. Lehet, hogy bagatell dolog: Ugyebár ez egy duo led, aminek 2 kivezetése van, valójában két ellentétesen kapcsolt led egy közös tokban. Hogy tudom megoldani, hogy, amikor az egyik tápról adok neki feszt, az ne a másik táp testjével záródjon?
Mi lenne, ha esetleg a testre is tennél diódát?
Oly nagy probléma nem lehet, ha mind két táp negatív pontja a testen van. Vagy "átversz minket".
Köszönöm!
Nem nagyon tudok ellenállást betenni, mert 2-2,2V körül van a tápfesz. Elvileg testen van mindkettő, mert ugyanazon akkupakkról vannak táplálva. Nincs átverés, csak feleslegesnek találtam leírni a teljes környezetet.: A led pár egyike az akku feszmérőjéhez csatlakozik. ő jelzi, ha 12V alatt van a fesz. A másik fele a töltőáramkör egy pontjára csatlakozik, ami jelzi, ha a tápegység feszültség alatt van és megkezdte az akku töltését. A hozzászólás módosítva: Szept 9, 2024
Most akkor róka-béka vagy béka-róka? Mert 2,2V-ról beszélsz, meg 12V-ról. Ha kicsi a fesz különbség akkor áramgenerátor kell az ellenállás helyett. De 2,2V-ból 2,2V-ra áramokorlátozni elég necces. Maximum valami StepUp..
Amúgy ha mindenféle jelzés van, az mindenféle áramkört/logikát jelent. Akkor minek ez az izé?
A töltöttségjelző 10-17V-ról működik, de a led kimeneteire kb 2,2V-ot ad ki.
Gyakorlatilag egy lm3914-re hasonlító valami. A töltőáramkör egy step down-ról kapja a feszt és 16,8V körüli fesszel tölti a cellákat. Viszont vannak rajta SMD ledek. Ebből akarom az egyiket (a töltésjelzőt) kivezetni az előlapra duo ledként, aminek a másik párja az előbb említett töltésjelzőről jön. Egyszerre vagy az egyik, vagy a másik világít csak. Tudom, hogy bonyolítás és 2 leddel pofon egyszerű lenne, de így szeretném megcsinálni. A hozzászólás módosítva: Szept 9, 2024
A Led-re áramot adnak ki, nem 2,2V-ot. Maximum 2,2V lesz rajta amikor világít és Te abból kapcsolnád a saját Led-et. De ha van "segédtáp" (más tápfesz) akkor arról lehet érzékelni hogy világít-e az SMD vagy sem. Persze ahhoz illik ismerni, a rajzát a cuccnak, vagy méregetni, hol/mikor milyen feszültség van a Led-ek lábán. Ha már mindenáron a gátfutás a kedvenced..
Elnézést. 2,2V-ot mérek a 2 pont között, amire a led csatlakozik majd.
![]() Eredetileg a tápra (amin van töltés visszajelző) szerettem volna tenni egy 7805-öt +egy előtét ellenállást, így, amikor fesz alatt van, a led is világít, de kezdett az elgondolás egy alkatrésztemetőre hasonlítani.
Miért nem használsz egy optikai vezető üvegszálat? Gondolom, csak látni szeretnéd az előlapon a Két Led-et.
Nekem is ez volt az első gondolatom, amikor megláttam a kérdést, illetve hogy egy ledhez hasonló opálos gombot világítana meg a két külön led.
Igen, ez lenne a lényeg. A két modul viszonylag messze van egymástól, pláne az előlaptól és szeretném egy leddel kijelezni a két üzemállapotot úgymond.
Üvegszál még nem jutott eszembe. Igazából, ha egy kis darab plexibe bevezetném mindkettőt, ami kilátszik az előlapon akkor van egy "duo ledem".
Mi lenne, ha antiparallel helyett olyan kétszínű LED-et használnál, aminek csak az egyik kivezetése van közösítve?
A hozzászólás módosítva: Szept 9, 2024
Lehetne, de egyrészt ez van itthon. Másrészt meg nem találtam olyat, ami piros/sárga. Lehet, h a végén túlteszem magam ezen a "nagy traumán" és veszek egy közös GND-s duo ledet.
A hozzászólás módosítva: Szept 9, 2024
|
Bejelentkezés
Hirdetés |














