Fórum témák
» Több friss téma |
Fórum » Akkumulátor töltő
1. Keress egy villanyszerelőt!
2. Keress 2 villanyszerelőt! 3. Keress 3 villanyszerelőt! Valamelyik majdcsak megoldja.
Hagyd, nem éri meg vele foglalkoznod, egyrész ha müködik (majd egyszer) akkor kapsz egy “buta” töltőt, ami nem figyel semmit, neked kell kikapcsolnod, ha vége a töltésnek. Másrészt addig elég sokat kell vele foglalkozni, mert ez így ránézésre is leégeti magát, rosszabb esetben a házat is.
Manapság már pár ezer Ft-ért vannak töltők, amik figyelik az akksit, leállnak ha le kell és még szulfátmentesítést is csinálnak közben. Mondjuk akkor jön jól az egyszerű töltő, ha nagyon le van merülve az akksi, akkor azzal még el lehet kezdeni a töltést, de minden másban jobbak az újak. Talán el tudod adni ezt valakinek, aki ért hozzá (nem úgy, mint aki csinálta) és máris olcsóbb lett a bolti.
Az előlapot nem látni! (Hianyzik a bizti?) Van vagy 100 féle belőle...
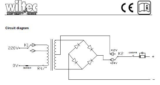
Hello! Ha már itt tartunk. A minap javítottam egy ilyen töltőt, hátha a rajza hasznos valakinek..
Egyébként a hibája a trimmer volt, mert a rögzítő lakk befolyt a leszedőbe és nem érintkezett biztosan. De nem a csúszka és a szénpálya között, hanem a másik oldalán a körforgó és álló alátét között.
Szia!
Én minden esetre köszönöm a rajzot. Egyik haverom hozott a minap egy, a fenti képeken látható, vagyis azokhoz hasonlító töltőt,hogy lehet-e belőle valamilyen normális készüléket csinálni. Abban is közép megcsapolásos trafó van,egy graetz híddal és műszerrel kiegészítve. Akkor ha elkészítem ezt az elektronikát és beépítem, akkor lesz egy okosabb töltője. Rajzolok hozzá panelt és össze rakom. Két kérdésem lenne: -hogy állítom be a töltési végfeszültséget? ( gondolom labortáp az aksi helyére és a potmétert addig tekerem míg a kívánt feszültséget eléri? ) -azt a söntel ellátott áram mérőt, ami az eredeti töltőben volt,beépíthetem még az áram körbe?
Hello! Pontosan..
- Nem kell 230V-ot ráadni, az akksi helyére a labortápot tenni és a sárga/zöld Led-en látod a működését. Aztán mehet az akksira. - Nyugodtan beteheted a sönt-öt az ampermérővel. Az áramot ez a fokozat nem szabályozza, csak ki-be kapcsolja a töltést. Az áram korlátozása a belsőellenállások "biztosítják".
Köszönöm. Akkor neki állok nyákot rajzolni
Accu-Mat1 mod3.2Sziasztok!Végre el határoztam magam, hogy megépitsem az Accu-Mat1 mod3.2 -es változatú akkumulátor töltőt. Még 2020 ban vásároltam meg Alkotó fórumtárstól a nyomtatott áramköröket amiket csak ajánlani tudok mindenkinek mert nagyon profin vannak kivitelezve!. Sajnos csak most jutottam odáig hogy fel forraszam a panelekre az alkatrészeket... Minden alkatrészem meg van hozzá, kezdve a doboztól szinte az összes alkatrészig, kivéve ezt a GPA1607-es TO220-as tokozású diódát. A kérdésem az lenne hozzátok hogy ezt a diódát helyettesithetem a DSI30-16A diódával?, ez a dióda egy kicsit áramerősségben és feszültségben nagyobb mint a GPA1607, a többi paraméterei pedig hasonlóak. Fel teszem a rajzot is hogy melyik változatról lenne szó. Fehasználói kérésre a mellékletek törölve. A hozzászólás módosítva: Okt 8, 2024
Moderátor által szerkesztve
Semmi nem indokolja 18V-ra az 1000V-os diódát, szóval bármilyen diódát betehetsz oda ami bírja az áramot, feszültségben a 100-200V-os is bőven elég, olyat keress aminek kisebb nyitófeszültsége van hogy kisebb legyen a disszipáció rajta.
Szia!
Köszönöm a válaszod, sajnos ettől kisebb nyitó feszültségű diódát nem lelek, valószinüleg akkor marad ez a tipus DSI30-16A
Nem nyitófeszültség, hanem Vr, tehát záróirányú letörési feszültség. Kisebb Vr-el kisebb a Vf is.
A hozzászólás módosítva: Okt 6, 2024
Szia kadarist!
A táblázatokban hol lelhető fel ez a Vr?, Vf et látok de Vr-t nem. Mutasd meg kérlek.
Vrrm a keresendő rövidítés.
Köszönöm!
Szia!
Ezzel meg az a baj hogy egy duál dióda egy tokozásban, nekem egy dióda kell legyen egy tokozásban.
Nagyon telhetetlen vagy.
Ilyent is bőven találsz. A TO220-as diódák legnagyobb része gyors dióda, ami ilyen akkutöltőbe felesleges. Jobban járnál fémházas csavarozható diódákkal, mint pl. a BYX42. BYX42-20012 A-es bőven elég ebbe a töltőbe. Alkotó biztos a stílusosabb elhelyezés, kinézet miatt választotta ezt a típust. (vagy éppen ebből volt több a fiókban. )
Hát szeretném ha jól nézne ki ha már bele fogok
, amúgy lehet hogy van is ilyen diódáim otthon ami fém házas, meg kell keressem őket, tán van valahol kettő darab.
Jól gondoltam hogy van kettő darabom otthon, ugyanis ITT ebből a félre sikeredett projektből meg maradt kettő, csak ezek 100V-osak BYX42/100T-tipusúak.
Na látod. Ugyanarra a hűtőbordákra fel tudod fogatni, mint amire a TO220-as szánták, csak kicsit bővebb menet kell bele.
No meg két szál drót.
Nah jó lesz akkor, probléma meg oldva, köszönöm a segitséget!
Szerintem az első diódaválasztásod jobb megoldás lenne (TO220).
Ez a "hagyományos" tokozás nem fér el az adott konstrukcióban.
Szia Alkotó!
Ha nem válik be a TO220-as tokozású dióda akkor kénytelen leszek majd akkor ki vezetni huzalokkal a diódákat. Mondjuk szerintem az a kis különbség a diódák adatlapjai között nem akkora nagy eltérés.
Be fog válni. A diódával szemben nincs semmi extrém elvárás, elég ha bírja az áramot.
Yaso 13815 akkumulátor töltő hibaSziasztok,Van egy ilyen kis fenntartó akkumulátor töltőm. A működését egy kapcsolási rajzzal együtt a Prohardver fórumban is leírják. Idáig rendben működött, kb. 1 éve nem volt használva. Azt vettem észre, hogy akkumulátorra csatlakoztatva most csak a zöld led világít rajta, nem vált át pirosra, nem tölt. Ha nincs semmire rácsatlakozva, akkor 13,8V van a kimeneten. Ha akkut vagy egy 12V 15W izzót kapcsolok a kimenetre, akkor a feszültség egyből leesik olyan 1V-ra. Utána ha leveszem a terhelést, akkor a feszültség rögtön 6,9V lesz a kimeneten. Így üresen járatva egy ideig ez a feszültség van rajta stabilan, aztán változó idő elteltével (5-10 perc) fokozatosan felmegy újra 13,8V -ra. Aztán ha ilyenkor újra terhelést próbálok ráadni, akkor kezdődik elölről a folyamat. Egy TL431, egy LM358, és egy D882 van benne. Ezek közül valamelyik okozhatja a hibát? (a tranzisztorra azt írják a PH-n, hogy csak védelem a fordított polaritásra)
Hello! Így alkatrész értékek nélkül, elég nehéz megmondani mi van. De lehet hogy ennek kutya baja. Akksi nélkül elég értelmetlen ezt próbálni. De lehet hogy az akksid "nem jó". Túl kicsi a feszültsége, vagy fel van töltve, mind két esetben le fog tiltani.
Mivel az OPA referenciáját a tápból nyeri, az biztos hogy nem jó, hogy ráteszel egy izzót terhelésnek, amitől összefossa magát a táp és csak lassan épül fel a feszültség. De ez egy nem üzemszerű állapot, mikor az OPA is abból táplálkozna. Amúgy nem csak fordított polaritásra kapcsol le a tranyó, hanem alacsony akku feszültségre is. Hogy az mennyi, nem lehet tudni az ellenállásértékek hiányába. Szóval lehetez rossz is, de a 13,8V az nem egészen ezt mutatja. Ha meg az akksi belsőellenállása nagy, akkor meg lehet egyből felemelkedik a feszültsége és lecsökken az áram és lekapcsol a töltés. Szóval egy olyan készüléket, ami az akksi feszültségének meglétét is figyeli, nem lehet szikroszkóppal vizsgálni! A hozzászólás módosítva: Okt 7, 2024
Nem feltöltött akksit kapcsoltam rá, és túlmerülve sem volt, amit rátettem.
~12,4V volt a feszültsége, forgatott még, de már nem indult be vele a motor. Ilyenkor ha rátettem a kis töltőt, akkor pirosra váltott a led, szép lassan ment a töltés, és amikor elérte a 14,4V-ot, akkor átváltott "csepptöltésre", és 13,8V feszültséget tartotta. Most nem kezd el tölteni, hanem azt csinálja, amit leírtam. Így biztos vagyok benne, hogy valami baja van. Csak mivel nem értek hozzá, ezért próbáltam itt segítséget kérni. Azért köszönöm.
Akkor rá kell rajzolni az alkatrészek értékét a kapcsolási rajzra és az szerint méregetni.
Próbálni úgy lehet, hogy egy tápra ráteszel egy izzót, aminek több az árama mint amit ez a töltő tud és lehet tekergetni a tápot 12..15V között. És persze méregetni. Esetleg megméred a tranyót, nem döglött-e.
Kiforrasztottam a tranzisztort, ezeket az értékeket mértem rajta dióda állásban:
(+) csúcs bázis - (-) csúcs emitter 0,94V (+) csúcs bázis - (-) csúcs kollektor 0,65V (+) csúcs emitter - (-) csúcs bázis 1,42V (+) csúcs kollektor - (-) csúcs bázis 1,28V emitter - kollektor mindkét irányban 0,39V A netes leírások alapján jól gondolom, hogy ez totál halott? Találtam a bontott alkatrészek között egy ilyen típusút, ami megmérve jó értékeket mutat. De annak nem p a vége, hanem y. Azt be lehet tenni helyette? Az adatlapok szerint a fő adataik ugyanazok (D882p D882y), de azért vannak különböző értékek is. Nem tudom azok mennyire számítanak ebben a kapcsolásban. Pl.: hfe, Vce, Vbe... |
Bejelentkezés
Hirdetés |








, amúgy lehet hogy van is ilyen diódáim otthon ami fém házas, meg kell keressem őket, tán van valahol kettő darab. 







