Fórum témák
» Több friss téma |
Mielőtt kérdezel, a következő két dolgot ellenőrizd!
I. A helyes tápfeszültségek megléte.
II. A kimeneten van-e egyenfeszültség.
Élesztés.
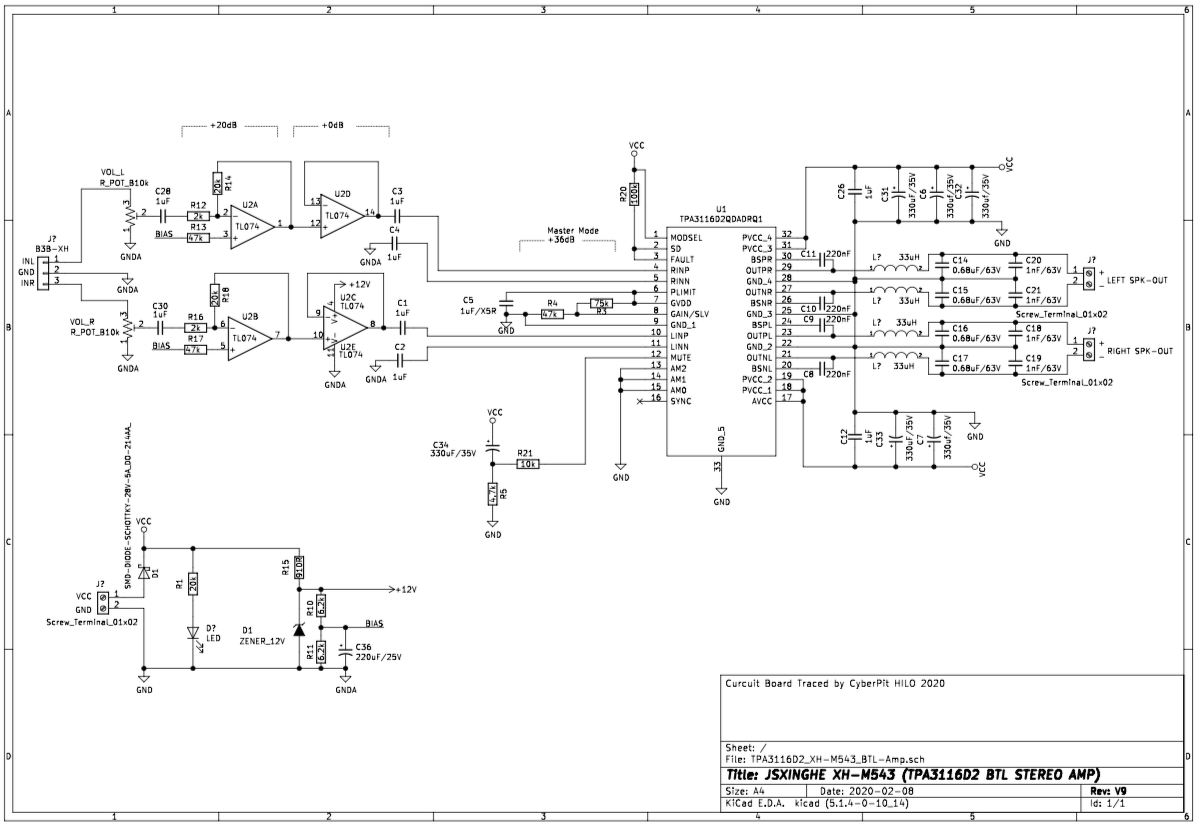
TPA3116D2 sztereo erősítő modul, magas alapzajSziasztok!Vettem egy ilyen végfokot, bitang erős, nem melegszik, tetszik a hangja, de van egy de; nyugalmi állapotban elég magas alapzaj van a kijáraton, sima fehérzaj. Ha bulizni kellene a kertbe, nem lenne baj, de számítógépnél ülve használom és elég zavaró. Lehet ezzel valamit csinálni, vagy ez ennél nem bug hanem, feature? Nem brumm, sima fehérzaj, aksiról is próbáltam, ugyanez, tehát nem táp gond
Mondjuk, így ahogy nézem a rajzot, élből C1-C4 1µF helyett 4db 100n kerámia van ott nekem a valóságban, az jó úgy?
Talán konstrukciós hiba (nyákterv), vagy az alkalmazott opamp zaját hallod, esetleg a TPA3116 hamisítvány, vagy nem az van benne. Az eredeti TPA3116 zaja olyan kicsi, hogy osztó nélkül rákapcsolt fülesen se nagyon hallani. A nem-invertálónak bekötött opmapok feleslegesek, csak rontanak a hangon, lehet, hogy már azok kiiktatása is segítene valamennyit... C1 és C3 átkötése a 10/12 lábra. A kerámia csatolókondi kapacitása frekvenciafüggő, érzékeny a mechanikai feszültségre és a hőmérséklet változásra is - ezért el tudja rontani a hangképet. Csak akkor fogadható esetleges kompromisszumként, ha a kondival együtt kapott alsó határfrekvencia drasztikusan alacsonyabb mint amit a lánc képes átvinni. Tehát pl. a bemenetnél, a 2k bemenő impedancia esetén, az 1µF biztosan kevés, és ronda torzítást vihet be.
A hozzászólás módosítva: Nov 12, 2024
Megnéztem kicsit jobban. A panelen 33µH tekercsek vannak és 0,68µF + 1µF . A TPA3116 adatlapja szerint Bővebben: Link 10µH az ajánlott hozzá. Szinte biztos, hogy azon a panelen nem TPA3116 van. A múltkorában valaki le is szedte egy hasonlóról a hűtőbordát, és nemcsak az IC lábkiosztása nem stimmelt, hanem kevesebb lába is volt mint a TPA3116-nak.
A 100nF-os kerámia csatolókondi is valószínűleg kevés, de a zaj nem emiatt van, hanem bármitől lehet, hiszen nem tudjuk, hogy valójában mi is van a panelen... Sajnos lehetetlen beazonosítani, hogy mit vesz az ember - csak utólag tudod meg, mindenesetre ha gyanúsan olcsó az nem véletlen, de a drágában sem lehet megbízni. Ha magyar kereskedőtől veszed, akkor esetleg vállal rá garit jó esetben (meg kell kérdezni, hogy pl. visszaveszi-e, ha nem az van rajta aminek árulja), ill kaphatsz (kérhetsz) valós termékfotót ami segíthet. Távolkeleti rendelésnél meg olyan, mint a lottó...
A távolkeleti lottóval nagyjából egyet értek, de ha egyértelműen nem olyan tok vagy sorozatszám van rajta amilyet rendeltél, akkor azért ott is lehet reklamálni.
Éppen ezért kötelező minden csomagot videokamera előtt bontani és ellenőrizni, hogy legalább a látható információk adatok egyeznek e a rendelt termékkel. Ha nem, akkor megy a disput, és a videó bizonyítékként csatolva. Ilyenkor általában vagy elkezdenek alkudozni és kínálhatnak árengedményt, vagy felajánlanak újraküldést. Saját döntés, melyiket fogadod el. Pár száz 1-2 ezer forintig akár teljes visszatérítés is belefér. Ha az eladóval nem jutottok dűlőre, az ali a videó alapján úgyis a javadra dönt, és +1 hét és máris kapod a teljes visszatérítést kérdezés nélkül. Ui.: Személyes véleményem, hogy újraküldést semmi esetben sem szabad elfogadni, mert az már tényleg lottó kategória, másrészt mi garantálja, hogy az újraküldött áru valóban megfelelő lesz e? Egy x% -os árleszállításnak meg pár nap után nyoma van, miszerint visszajön az összeg. A hozzászólás módosítva: Nov 13, 2024
Nem tudom jeleztem e már, de valami YT videóban láttam hamis ilyen modult. A vivő 100kHz volt a TPA3116 vivője 400kHz körüli.
Lehet hogy a HESTORE is azért szüntette meg a kínálatában, mert rájöttek, hogy a ragasztott hűtőborda alatt sumák utánzat lapul?
( Legalább is az adott linken már csak egy "kifutott" paraméter látszik ) Viszont magát a TPA3116D2 IC-t legalább külön is lehet kapni. A hozzászólás módosítva: Nov 13, 2024
Nem szüntette meg,nekem a 2.1 es verzió volt sima toroidról meg egytápról,soha nem volt zajos. Némelyik dugasztáppal elmegy, de a tápra érzékeny tud lenni pláne a kapcsolótápokra..Tpa3116D2
Amit belinkeltél, 99%-hogy az sem TPA3116, ugyanis pl. látszik mindkét (jelenlegi) fotón a tekercsek felirata, ami szerint 33µH van rajta. Nekem van pár "eredeti kínai"
TPA3116 erősítő panelem, azokon 10uH (volt) gyárilag, és gyakorlatilag érzéketlen a tápra, bármiről megy, és gyakorlatilag zajtalan. Anno ezekre építettem némító áramkört Bővebben: Link, meg kaptak közös módusú kiegészítő tekercset. A hozzászólás módosítva: Nov 13, 2024
10 évig használtam a 2.1 es verziót,eladtam és megbántam mindent is kibírt.Aztán ma beleszaladtam az aliexpresszen 926Ft a 2.1 verzió,na az mindent kibírt 4 ohm +-28V táppal 2 darab zopláda 40 es öntvénykosaras szórókkal..+Magasok.. Már nincs a 926 ftosból csak 1400 ft ért van azt hiszem
Ennyiért a hülyének is megéri nem még nekem. amúgy az a fajta amit linkeltem már szedtem le róla a bordát és eredetinek tűnő IC volt alatta... LM1036 hangszín és TDA7250 erősítő illesztési probléma.Sziasztok!Adott a mellékelt kapcsolás. Röviden: az erősítőn van két bemenet, az egyik bemenet hangszínszabályzón keresztül, a másik direktben (egy poti után) az erősítőre kapcsolható. A két bemenet között választó kapcsolóval (izostat) lehet átkapcsolni. A probléma az egésszel az, hogy minden átkapcsoláskor akkorát pukkan a hangszóró, hogy a végfok kimenetén rövid időre lekapcsol a hangszóróvédelem. (Tulajdonképpen mikor a hangszínszabályzót rákapcsolom az erősítő kimenetére, meg akkor is, amikor lekapcsolom róla.) Kérdésem, hogy mi lehet az oka és mit lehet ellene tenni. Köszönöm! A hozzászólás módosítva: Nov 14, 2024
Gyári készülékekben (pl. Videoton) némító áramkör lép ilyenkor működésbe, az átkapcsolás idejéig rövidre kéne zárnod a végfok bemenetét. De sima jel átkapcsolása nem lehetne probléma mert csak egy kisebb pattanásként kéne hogy jelentkezzen, gondolom az a baj, hogy ott DC szintek is vannak.
Szia!
Hangszin kimeneten levo C29,C30 kondival parhuzsmosan koss 100k ellenallast
Hangszin beiktatasakor, C23 C22 elkok a vegfok bemeneten keresztul toltodnek ez okozza a koppanast.
Kondik toltvetartasa megoldja 2db 100k ellenallas bekotesevel, nem kell bonyolultabb megoldas.
Köszönöm a tanácsot ki fogom próbálni, bekötök két ellenállást a 22pF kondikkal párhuzamosan.
A hangszín rákapcsolásakor keletkező durranást mondjuk úgy, hogy értem, de a leválasztásakor is ugyan úgy durran. Ez is ebből adódik?
Nekem is a Videoton megoldása ugrott be elsőre, de a gond az, hogy a kapcsológomb műanyag és nehezen tudnám kivitelezni.
Kedves Skori és mindenki aki igyekezett segíteni!
Először is bocsánat a kései válaszért, de a két gyerek, két kutya, két macska, két munkahely és egy gyönyörű feleség mellett kevés időm jut a hobbira. C28-C3 és C30-C1 mentek a kukába, átkötöttem őket 4.7µF nem polarizált elóval (ez volt itthon), így kikerülve az opmapot, ahogy Skori javasolta. Olyan csönd lett, mint télen a Balatonparton este Nagyon köszönöm a segítséget!
Köszönöm a tippet, tökéletes lett!
Mindenféle kapcsolási "nesz" nélkül lehet bemenetet választani. üdv: metabo123 A hozzászólás módosítva: Nov 16, 2024
Szivesen, ezt a VT kisse megbonyolitva kuszobolte ki.
Nem a konkret hibat orvosolta, a tunetet kezelte felesleges alkatreszek beepitesevel. Denon végtranzisztor hibaSziasztok csinálgatok egy Denon pma520 erősitőt aminek az egyik oldalt kiment a végtanzisztor pnp fele. 2sa1491,kicseréltem bd 249-250c párra, máshoz nem kellett nyúlni,a meghajtás jó,igaz rengeteg repedt forrasztást találtam. Izzón keresztül indítom,mérem az egyenfeszt 0,nézem a nyugalmit,beállitom az emmiteren 5mv-ra,igy minden ok.Teszek rá zenét,lassan tekerem fel a hangerőt szépen szól,minden érték tökéletes, kicsit feljebb tekerem,de csak éppen hogy és pukk,a pnp végtranzisztor eldurrant,a bd249.Úgy hogy az izzónak csak felvillani volt ideje.Maga az erősitő 2x51vDc ről megy a bd-k pedig 115volt.Most tettem a helyére 2sa1943 tranzisztort és azóta megy normálisan,igaz tettem a B-C közé egy 2.2pf kerámia kondit,és azóta hiba nélkül megy izzó nélkül.Lehet hogy a BD tranzisztorok mégsem azt tudják amit kellene?
BD249 és BD250 tranzisztorból egy ideig hiány volt (van), és mostanában ahol (elvileg) kapható, ott szinte kivétel nélkül hamisítványt árulnak, ami nem tudja a rá megadott paramétereket. Nem véletlenül látunk néha olyan hirdetést, ahol ilyet keres valaki, de régi MEV vagy Texas gyártmányt, akár bontottat is, mert az legalább jó és megbízható.
Anno használtam én is MEV gyártmányú BD-ket, és saját tapasztalatom szerint is tényleg jók voltak.
A BD-k adatlap szerint is 100V-osak, a régiek bírtak többet is, de a maiakra én nem mernék +/-51V-t kötni. És a régieknél is előfordult az, hogy elég volt ha csak egy rövid időre lépett ki a SOA-ból és máris zárlatba ment. Ezzel együtt javítottam olyan Quad405-öt amiben a 100V-os tápra 60V-os 2N3055-ök voltak berakva és éveken át működött.
A legelső QUD405-be, amit még iskolás koromban építettem, kaptam valakitől (ha jól emlékszem) 2SC521 tranzisztorokat, szép piros Toshiba felirattal. Sokáig használtam ezzel az erősítőt, míg egyszer hozzájutottam egy tranzisztor katalógushoz, amiből kiderült, hogy 50V / 5A határadatai vannak... Furcsa is volt, hogy nagy hangerőn, a tranzisztor TO3 tokjából is szól halkan a magas. Aztán persze gyorsan lecseréltem alkalmasabb típusra...
Szia!
Én is hallottam a magas hangokat szólni TO3 tokokból. Nem biztos hagy a katalógusadatok túllépése az oka, inkább mágneses vagy statikus erők omozhatták. De az említett 2SC521 az nagyon szívós jószágnak bizonyult. Egyet ki is bontottam, hát egy fél processzor méretű lapka volt benne.
Sajnos nem kapni már a bele való végtranzisztor párost,2SA1491-Sc3855 De prímán működik a 2SC1943-al.Nagyon nagyon sok a repedt forrasztás,gyanitom ez lökte halálba az eredeti tranzisztort. Amit észre vettem átforrasztottam Most jó. Közben eszembe jutott hogy van egy dobozra való MEV típusú Bd tranzisztorom a pincébe,de ez az erősitő már igy marad.
sziréna erősítő Presston 7512Sziasztok!Régi szirénaerősítős kérdéssel jönnék, a kapcsolását csatoltam. A sziréna panel rész működését szeretném megérteni, melyik rész állítja elő a 2db hangot (high-low) és melyik rész váltogatja. A K2-es kapcsolót nem benyomva adja a né-nó hangot, ha pedig benyomom, akkor egy "ugató" változó le-fel frekire vált. Szeretném lassítani a váltás sebességét, azért a kérdés ![]() A hangok ilyenek: https://www.youtube.com/watch?v=pfc9CL1KwT0 Köszönöm szépen a segítséget.
Szerintem a jobb oldali rész csinálja, különös tekintettel a C12 kodenzátorra, meg a C9.
Szerintem a komplementer astabil multivibrátor az alapja, amire egy példa BSS tollából.
Végül átkötöttem a-osztályba a meghajtókat. Nagyon úgy tűnik, hogy ez egy csapásra leszámolt a kimenet gerjedésével. Nem tudom, hogy alapjában véve miért nem így jött ki a korai modell...
dampong faktorSziasztok hogyan lehetne elméletben vagy gyakorlatban is akár javitani a Damping factoron?Példaként az ST.150.végfok lenne.Azt értem mit jelent, de azt nem tudom hogy utólagosan lehetne e javitani rajta.Köszönöm a segitséget tájékoztatást e témában. |
Bejelentkezés
Hirdetés |








Ennyiért a hülyének is megéri nem még nekem. amúgy az a fajta amit linkeltem már szedtem le róla a bordát és eredetinek tűnő IC volt alatta... 






