Fórum témák

» Több friss téma
Fórum » Transzformátor készítés, méretezés
Ha kérdésed van, az alábbiak segítenek a hatékony választ megadni: Mag típusa: M, EI, UU/LL esetleg I-kből összerakott, tekercselt, toroid. Lehetőség szerint képpel. Méretek: magkeresztmetszet a*b (amit a tekercs körbeölel) ablakméret, lánc és toroidnál, belső-külső méretek. Primer-szekunder feszültség(ek), teljesítmény igény.
Lapozás: OK   379 / 396
(#) exabit válasza Alkotó hozzászólására (») Nov 19, 2024 /
 
Szerintem nem hibás a felirat. Az 5 amper az reális, ha megnézed a csatolt doksi 6-ik oldalát, akkor láthatod hogy az ilyen kettős bemenetűeknél a kimenő/bemenő feszültség arányától függ a maximális kimenő áram. Az 5A a 110V bemenő 260V kimenőre érvényes, ha 110 bemenő mellett csak 120V-ot veszel ki akkor lehet 10A is. A teljesítmény pedig 2kVA nem pedig 2kW.
A hozzászólás módosítva: Nov 19, 2024
(#) Ódenka válasza Alkotó hozzászólására (») Nov 19, 2024 /
 
A rajzodon én nem látom a 110Vos indulást, csak a 0-tól. A gépre meg nem az van írva, hanem 110V-tól indul. Mechanikusan mindig ugyanakkora utat jár be a leszedő rész...
Hogy miért nem 370V-ot írnak rá? Mert ott nem garantált az 5A-s terhelhetőség.
A kép alapján van egy másik skála, ahol már mechanikusan behatárolt lehet a levehető feszültség. Felül a 0-260V-os skála látható, de ott alul is van egy.
Nem tudjuk, milyen tekercselés, átkötés lehetséges, az én teóriám szerint működik mindkét tartomány és a terhelhetőség is megvan.
Valamint a rajzomon ugyanolyan takarékos a kapcsolás, attól még, hogy a tekercs - a fix - nincs "letapogatva." Azt is észre kell venni, hogy a 2 "0" nem lehet mindkét állapotban ugyanaz.
A hozzászólás módosítva: Nov 19, 2024
(#) Ódenka válasza Ódenka hozzászólására (») Nov 19, 2024 /
 
A Kolléga által közölt irodalomban van 2-ős táplálású szabályozható rajz.
Amint látható, mindkét esetben a szabályozás nullától indul.
(#) exabit válasza Ódenka hozzászólására (») Nov 19, 2024 /
 
Pontosan. Azért ilyen a felirat, mert ha 110V-ról lefelé akarsz menni akkor nem feszültségkétszerező üzemmódban érdemes bekötni hanem simán. A sima módban a 220V-ból is tud 260V-at csinálni, és a 110V-ból is 130-at. De 110V-ból 230-at már csak a feszültségkétszerező módban. Ezért ilyen a felirat amilyen.
(#) Alkotó válasza Ódenka hozzászólására (») Nov 19, 2024 /
 
Igen, igazad van. Az én rajzom nem a fotón lévő trafót igyekszik modellezni, hanem azt mutatja én hogyan oldanám meg.
(#) Alkotó válasza exabit hozzászólására (») Nov 19, 2024 /
 
Ott akadok el, ha akármilyen okból csökken az áram, akkor hogyan marad meg a teljesítmény? Sehol nem írtam W-ot, következetesen VA-re hivatkozok.
(#) tothbela válasza exabit hozzászólására (») Nov 20, 2024 / 2
 
Ez az a toroid amiről szó van, itt látható az egész skála. Összeveve a pdf állománnyal semmi rejtett dolog nincs ebben a trafóban. A teljes tekercs 260V-os, és 110 valamint 220V-os pontokon van egy-egy megcsapolás. Ezek, valamint a kezdőpont a bemenetek. Ha normál primer-szekunder tekercses transzformátorként tekintünk erre a toroidra, akkor jobban látható az áramok eloszlása.
Elméletileg ha a tekercselő huzalra 5A maximális áramot engedünk meg, akkor 220V bemenetnél (most maradjunk a 220V-nál a skála miatt) ha 110V állásban terheljük a kimenetet, akkor az két irányból kapja az áramot. 5A-t kap a 220-110V-os tekercs szakaszon keresztül, ami egyben a primer gerjesztő áram is, valamint 5A-t kap a 0-110V-os tekercs szakaszról, ami egyben a szekunder tekercs is. Az áramokat felrajzolva a primer oldalon a 0-110V-os szakaszon nem folyik áram, vagyis azt a tekercs szakaszt elhagyhatjuk. 110V kimenetnél a 10A terhelés nem sérti a tekercselő huzal 5A megengedett terhelhetőségét.

Ha a 110V-os megcsapolásnál tápláljuk a trafót és 220V-ot vesszünk ki belőle, akkor mivel a kimenet a 110V-os szakasz felett van, annak terhelése teljes mértékben egyetlen szál tekercselő huzalon folyik át, nem lehet nagyobb mint 5A.
Így kijön a matek.
A pdf rámutat még valamire. Bár az én egyszerű matekom szerint 220V bemenetnél csak akkor vehető ki 10A, ha pontosan 110V a kimeneti feszültség, ugyanis ilyenkor egyezik meg a 0-110, és a 110-220V-os szakasz terhelése, ezért nem sérül az 5A-es szabály.
Ha például 165V kimenő feszültséget állítunk be, akkor a 0-165V-os szakasz felől a kimeneti 10A-hez kevesebb mint 5A fog folyni (most nem számolom ki mekkora), ezért a 165-220V-os szakasz 5A-től nagyobb árammal fog terhelődni. Itt jön képbe a pdf, ami megmutatja a kimenet feszültség esését, egyben a kimeneti ellenállás értékét a leszedő kefe különböző állásában. Tehát 165V kimeneti feszültség esetén kisebb a kimeneti ellenállás mint 110V kimenő esetén, így a trafó melegedése is kisebb lesz, azaz az 5A maximumot egy rövid szakaszon túl lehet lépni.

Talán kicsit zavarosan fogalmaztam, de a lényeg benne van.
(#) Ódenka válasza tothbela hozzászólására (») Nov 20, 2024 /
 
Én hálás lennék egy skiccért. Hogyan lesz a 220-ból 260 és hogyan indul a szabályozás 130-tól 260-ig, 110 Voltról.
(#) exabit válasza tothbela hozzászólására (») Nov 20, 2024 /
 
Én az előző két hozzászólásomban csak arra a felvetésre akartam reflektálni hogy honnan jön az 5A, és miért 130-260V szerepel a feszkétszerező mód mellett és miért nem 0-260. Tehát az a része az biztosan jó a feliratnak, de ezt legalább te is megerősítetted szóval ez most már tuti. Hogy a 2kVA, 2kW dolgot miért írtam hozzá azt nem tudom, bocs Alkotó. Illetve a két terhelhetőség érték továbbra sem teljesen világos: 5A/2kVA. Én azt érzem hogy ez a feliratrészlet sem hibás, és hogy valahogy azzal függ össze hogy constant current meg constant impedance terhelhetőséget is megadnak ezeknél trafóknál. (Lásd csatolt kép, amit a csatolt fájlból vágtam ki abban a csatolt fájlban gyakorlatilag minden benne van amit az állítható toroidokról tudni kell). Valószínű még az 50/60Hz dolog is bezavarhat, mert 110V az jellemzően 60Hz, persze ez sem magyaráz meg önmagában mindent.
A hozzászólás módosítva: Nov 20, 2024
(#) Ódenka válasza Alkotó hozzászólására (») Nov 20, 2024 /
 
Én ott lettem naivhibás, hogy komolyan vettem a trafó feliratait. Meglepett a bekenjük sárral oszt jóvan felirat. A fenti pdf-ben meg szó nincs a megcsapolásos módiról, de el tudjuk képzelni, a konkrét ügyet nem igazán magyarázza. A kétszeres feszültség, feleáram nem állít senkit falhoz, de most már könnyebben veszem az ilyen specifikációkat. Nagyjából annyi, nincs itt semmi látnivaló, lehet továbbmenni...
Mindenkinek köszönöm a segítségét.
(#) tothbela válasza Ódenka hozzászólására (») Nov 20, 2024 /
 
Mindent le fogok rajzolni ahogy időm engedi.
Első rajzon azt mutatom be, hogyan lehet kivenni 10A áramot 5A-es huzallal tekert trafóból.
Az első képen egy hagyományos trafót rajzoltam, aminek 3 tekercse van. A primer 2x110V, a szekunder 110V. Mind a három tekercs 5A-es, és szoros mágneses csatolásban vannak. Piros nyíllal jelöltem a gerjesztő, kékkel az indukált áramot. Ha az L3 jelű szekunder tekercset párhuzamosan kapcsoljuk az L2 primer féltekercs kapcsaival, akkor látható, hogy az L2 tekercsen az áramok kiegyenlítődnek, azaz nem folyik rajta semmi. Minden nyíl 5A-t jelent, a dupla nyíl 2X5=10A.
Látható, hogy az L2-t el is távolíthatjuk, nem történik változás. Ez látható a második képen. A harmadik képen csak a rajz elrendezése változott, de így jobban látszik az autotrafó jelleg.

A témában említett trafón a 110V bemenő esetén 130-260V között 5A azt jelenti, hogy ha 110V-os megcsapoláson keresztül megtápláljuk 110V-al, akkor a 10A csak 110V kimenetig használható, tovább tekerve a csúszkát, 130-260V-ig csak 5A.
A hozzászólás módosítva: Nov 20, 2024
(#) Ódenka válasza tothbela hozzászólására (») Nov 20, 2024 /
 
Még mindig nem értem a bemenő 220Vból(110) hogyan lesz 0-260V egy szimmetrikusnak (feltételezem) megcsapolásos trafónál. Az áramok nem voltak kérdésesek számomra.
A hozzászólás módosítva: Nov 20, 2024
(#) tothbela válasza Ódenka hozzászólására (») Nov 20, 2024 / 1
 
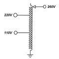
Egyetlen egy réteg huzal van feltekerve, nincs semmi egyéb. A teljes tekercs 260V-ra van tekerve. Van rajta egy kezdet, egy megcsapolás 110V-nál, egy másik megcsapolás 220V-nál. A 260V-os vég gyakran nincs is kivezetve, csak a kefével lehet hozzáférni a lecsiszolt szigetelés helyén.
(#) lazsi válasza Ódenka hozzászólására (») Nov 20, 2024 / 1
 
Autotranszformátor:
Van egy 260 menetes tekercs.
A 220. menetnél van egy leágazás.
Ha a 0-220 menet közé kapcsolsz 220V-ot, akkor a 0-260 menet között 260V-ot kapsz.
A változtatható toroid esetben minden egyes menet elérhető, és a tekerőgomb helyzetétől függ, hogy a kimenetre melyik (hányadik) menet kapcsolódik, vagyis, hogy mekkora lesz a kimenőfeszültség. (Kb. olyan, mintha minden egyes menetnél ki lenne vezetve a megcsapolás, de nincs rajta annyi csatlakozó, hanem csak egy.)
Ha a 0-220 menet közé kapcsolsz 220V-ot, és a tekerőt a 220. menethez forgatod, akkor a kimeneten is 220V-ot kapsz.

TóthBéla közben szintén írt. Amiről én írtam, az nála a jobb oldali kép...
A hozzászólás módosítva: Nov 20, 2024
(#) Ódenka válasza lazsi hozzászólására (») Nov 20, 2024 /
 
No, ezen akadtam fel. Ha 1:1 220V-os lenne a tekercselés és a csúszókefe ezt a tartományt tudja átfogni, majd bolond lenne 260-at leadni, nem?
Ha meg egyik végét meghosszabbítom a tekercselésnek és a 220-as betáp előtte kell legyen, mert a +40Vnyi tekercselésen így jöhet létre a 260Volt. Aztán ezt hogyan szimmetrizálják, ha kell? Ezt a szőrszálat hasogatom, elnézést...
(#) Ódenka válasza tothbela hozzászólására (») Nov 20, 2024 /
 
Aha, itt kenik a sarat. Megintettek régen némi műszaki hozzáállási slendriánságomért, most egyszer szeretnék konkrét feliratot számon kérni és tessék...
Nekem, ha azt írják ki, hogy be 220 és ki 260, akkor tessék azt komolyan venni, vagy idegállapotba jövök... Így lehet, meghosszabbítom a szekundernek használt tekercsrészt, a betáp előtte van. Ezt eddig is tudtam, nem tudtam, hogy a kutya nagyvonalúan hol van elásva.
Hol a szimmetria?
Hogy én mennyit rajzolgattam reggel, hogy az a rész is igaz legyen, hogy van egy mód, a 110Vos betáp, amikor 130-260 jön le? Nem nullától.
A hozzászólás módosítva: Nov 20, 2024
(#) lazsi válasza Ódenka hozzászólására (») Nov 20, 2024 /
 
AUTOTRANSZFORMÁTOR!
Itt nincs olyan, hogy 1:1 mert az 2 db tekercset feltételez, itt meg csak 1 van.
Itt nincs olyan, hogy primer-szekunder.
Van 1 db tekercs, ami egy gyűrű alakú magra van feltekerve. Mivel egyetlen gyűrűről van szó, így az indukció egyenletes benne.
Mit értesz azalatt, hogy "szimmetrizálják" ?

Nézd meg TóthBéla előbbi levelének a 3. (jobb oldali) képét!
(A példa és az egyszerűség kedvéért tegyük fel, 1 menet <=> 1 V )
- Van 260 menet összesen
- Van egy kivezetés a 110. menetnél
- Van egy kivezetés a 220. menetnél
- Van egy csúszóérintkező, aminek az elforgatásával bármelyik menetet (a 260 db közül) el lehet érni

- Ha a 110 menetre rákapcsolsz 110V-ot, akkor a 220. kivezetésnél 220V-ot kapsz.
- Ha a 220 menetre rákapcsolsz 220V-ot, akkor a 110. menetnél 110V-ot kapsz.
- Az elforgatható kivezetésnél pedig pedig akkorát, ahány menetet használsz, vagyis egyik végkitérésben (0 menet) 0V-ot, a másik végkitérésben (260 menet) 260V-ot.
(Természetesen ha a 110 menetre kapcsolsz 220V-ot, akkor hamar leég a trafó, de addig a 220. menetnél 440V-ot kapsz. Ha a 220 menetre kapcsolsz 110V-ot, akkor a 110. menetnél 55V-ot kapsz, de terhelés esetén csökkenni fog, mert a vas alul lesz méretezve.)


Engem csak az zavar, hogy 110V bemenet esetén a kimenet miért 130-260V közötti??? Ezt csak úgy tudnám értelmesen megmagyarázni, ha 110V bemenet esetén 0-130V között ki lehet venni belőle 10 A-t, 130-260V között pedig csak 5A-t.
Miért?
Ha a kialakítás olyan, hogy alapvetően 10A-t bír el a tekercselés (megengedett melegedéssel, vagyis tartósan meghibásodás nélkül), akkor:
- 220V * 10 A => megvan a 2.2kVA.
- 110V * 10 A => csak 1.1kVA adhatunk be
- - 0-110 (130) V kimenő között azt ki is vehetjük, tehát lehet akár 10 A
- - 110-220 (130-260) V kimenő között 1.1kVA / 220V = 5 A-t vehetünk ki.
Vagyis, ha 110V-os betáplálás mellett 220V-on szeretnénk kapni 10A-t, akkor a 110V-ból 20A-t venne fel, ami duplája a megengedett maximumnak.
Ennek így lenne értelme, csak akkor felirat rossz...
A hozzászólás módosítva: Nov 20, 2024
(#) Gafly válasza lazsi hozzászólására (») Nov 20, 2024 /
 
Kicsit vitatkozom, mert attól autótrafó valami szerintem, hogy közös vasmagon van, és össze vannak kötve a tekercsek.
Az más (teljesen jelentéktelen első körben) kérdés, hogy mozgatható-e a leágazás.

Amúgy sokat lehet matekozni vele, ha nem középállásban van éppen.

Autotrafo.jpg
    
(#) Ódenka válasza lazsi hozzászólására (») Nov 20, 2024 /
 
Meg ne haragudj, semmi újat nem mondtál.
Tehát, ha a tekercselés közepén van egy leágazás, akkor mi van az 1:1 ugyanaz a tekercs, annyira azért nem vagyok 1 ügyű. Azzal csakis 220/220 állítható elő. Az a túlnyúló tekercsvég, ami a + 40Vot tartalmazza, az hogyan oldja meg ezek után, hogy a tekercs közepe? A tekercs közepe a 220V-os közép, 2x110V.
Hogyan jön létre a 110V-260V-ig 110V-os bemenettel?
Ezekre nem kaptam választ.
Biztosan tudod, ezt kérném, mert tényleg nem tudom, de ez az én hibám. A kérdésem ott van.
Az áramokat hagyjuk, egyrészt túltárgyaltuk és magamtól is tudtam.
110V be és hogyan jön létre a 110V-tól 260Vig a szabályozás? Köszönöm a türelmedet.
Tehát a kimeneten alapból 110V, feltekerem és ugyanazon a kimeneten 260-ig jutunk...
Az alapeset meg egyáltalán nem kérdéses, talán az első skiccemen is ott van.
Tehát még egyszer, hogyan jöhet létre ez a két állapot?
(#) Ódenka válasza Gafly hozzászólására (») Nov 20, 2024 /
 
Én ezt reggel rajzoltam és azt hittem feltaláltam a spanyolviaszt. De nem tudom, hogyan kell kialakítani ezt a két állapotot, A rajz se jó, csak mutatom, törpölök, puszta kíváncsiság, soha nem fogok szabályozható toroidot tekerni, meg amúgy is van 2-ő.

Ui: Leegyszerűsítem a dolgot:
Van egy dobozom, tetszőleges darabszámú bemenettel
Egyetlen kimenetem van, ezen 0-260V
Vagy
110V-260V jön ki.
Hány éves a kapitány?
A hozzászólás módosítva: Nov 20, 2024
(#) exabit válasza lazsi hozzászólására (») Nov 20, 2024 /
 
110V bemenőnél is le tudsz menni nulla voltig. De ha lefelé akarsz transzformálni akkor nem feszkétszerző módban célszerű bekötni hanem normál módon. Ezért van a feliraton 130-260V, holott valójában akkor is le tudsz menni ugyanúgy 0V-ig.
(#) Ódenka válasza exabit hozzászólására (») Nov 20, 2024 /
 
Bocsánat, hogy megszólítalak, nekem a feliratokból nem jön az le, hogy le tudok menni nulláig. Mert például nem akarok. Amit odaírtak, lehet, vagy nem lehet?
Idézet:
„Ezért van a feliraton 130-260V, holott valójában akkor is le tudsz menni ugyanúgy 0V-ig.”
(#) Ódenka válasza Ódenka hozzászólására (») Nov 20, 2024 /
 
Kicsit adjusztáltam a rajzot.
N1-N3 10A-re méretezett huzal.
N2 5A-re méretezett huzalból.
A hozzászólás módosítva: Nov 20, 2024

modt copy.jpg
    
(#) Ódenka válasza Ódenka hozzászólására (») Nov 21, 2024 /
 
Néhány dolog az általam kiötlött, talán valósággal is így meglevő készülékhez.
Alapesetben nincs problémánk, a berendezést olyan igénnyel, lehetőséggel szerezték be, van 220V és ezt szeretnék szabályozhatóvá tenni.
1 # 220V-ból 0-260V 10A ehhez 2.6kVA-es berendezés szükséges - pipa. A gyártó 2kVA-ig ajánlja a lehetőség kihasználását...

2 # A másik eset, csak 110V áll rendelkezésre, de szükség van nagyobb feszültségre, bizonyos mértékű szabályozhatósággal.

Ehhez a fenti berendezést olyan lehetőséggel látták el, hogy 110V-ból 130V-260V között szabályozhatóként használható, 5A-es terhelhetőséggel.

A kivehető teljesítmény itt kisebb, feltételezek bizonyos megfontolásokat.
Az N2 tekercsnek az N1-el megegyező voltonkénti menetszámmal, 110V bemenő feszültséget használva 130V-ot hozzon létre.
Ezt a tekercset először a vasra fel kell tekerni, fizikailag utána egyrészt szigetelni, másrészt olyan felülettel ellátni, amin a szabályozható rész letapogatható az állító csúszkával.
Ebből kifolyólag ennek a tekercsnek és az állítható részhez kedvezőtlenebb a csatolása és a hűtése is.
Ennél az üzemmódnál is az N1 valódi autotrafóként működik, az N2-N3 - utóbbi a szabályozható részen, 10A-t kell tudni szolgáltatni. A valódi szekunderként működő N2 viszont a paraméterekben megadott 5A-el terhelhetőnek van kiképezve. (N3 is valódi szekunder)

Fenti leírás a saját elképzelésem, megengedve, hogy más és jobb megvalósítás történt, valamint a tévedés jogát is fenntartva...
A műszaki közönség az áramviszonyokat kellő alapossággal áttekintheti, értelmezheti, én megköszönöm mindenki gondolat ébresztő segítségét.
(#) lazsi válasza Gafly hozzászólására (») Nov 21, 2024 /
 
Nem vitatkozol, mert én is kb. ezt írtam, csak leegyszerűsítettem, hátha Ódenka jobban megérti...
Viszont a konkrét kiinduló kérdésnél egy változtatható kimenőfeszültségű autotrafóról van szó, ezért annak megfelelően válaszoltam.
(#) Gafly válasza Ódenka hozzászólására (») Nov 21, 2024 /
 
Igazságod van, engem már azzal is boldoggá lehetne tenni, hogy ha látnék képet a meglévő készüléknek nem csak a képes feléről.
Csatlakozók, kapcsolók, ilyesmi.
Az aztán végképp, ha lenne legalább ellenállás mérési eredmény a pontok között, tekerő változatos állásában. Mondjuk nem könnyű kis ellenállást mérni...
(#) Ódenka válasza Gafly hozzászólására (») Nov 21, 2024 /
 
Én azért várom a nálam nyilván értőbbek megoldását is. A hegyre több út is vezethet.
Csak nyugodtan, tessék.
(#) Ódenka válasza lazsi hozzászólására (») Nov 21, 2024 /
 
Már megbocsáss, nem volt mit megértenem és a megoldáshoz egy mm-rt se vittek az információid, de köszönöm.
(#) Ódenka válasza Gafly hozzászólására (») Nov 21, 2024 /
 
Leírom, az én elgondolásom alapján a következő lehet a kapocstábláján:

Uin 220V (110V) (önkényesen I-II számot írok)
Uout1: Q1-Q3 0-260V 10A /220V
Uout2: Q2-Q3 130-260V 5A /110V

De, amíg nem látunk egy táblát, addig csak elképzeljük, mi van a Schhrödinger macskájával.
Én valószínűsítettem.
A hozzászólás módosítva: Nov 21, 2024
(#) Gafly válasza Ódenka hozzászólására (») Nov 21, 2024 / 1
 
Idézet:
„A hegyre több út is vezethet.”

Tapasztalatból mondom, hogy ez nem a teljes igazság.
Annó voltunk Görögbe', felemtünk a Lükabettoszra.
Gyalog természetesen.
Volt nálunk térkép, de mondom minek.
Mindig arra kel fordulni a kereszteződésnél, amelyik felfelé vezet.
Fel is értünk, ahogyan kell.
Visszafelé ugyanez volt, nem kell térkép.
Mindig arra kell fordulni a kereszteződéseknél, amelyik lefelé vezet.
Nagy okosan le is értünk a hegy másik oldalára.
Volt anyázás, és sok talpalás.
Következő: »»   379 / 396
Bejelentkezés

Belépés

Hirdetés
XDT.hu
Az oldalon sütiket használunk a helyes működéshez. Bővebb információt az adatvédelmi szabályzatban olvashatsz. Megértettem