Fórum témák
» Több friss téma |
Fórum » Csöves erősítő készítése
Ne feledd betartani a fórum viselkedési szabályait, és a topik megmaradásának feltételeit. [link]
A téma átmenetileg fagyasztva lett, hozzászólni nem tudsz!
Gratulálok nagyon jól néz ki.
Vissza kerestem a fórumon és találtam egy általad készített SEP erősítőt amit leírásod szerint egyik ismerősödnek készítettél. Az is szépre sikeredett. Az előző SEP erősítőd adta az ötletet hogy meg kellene próbálkoznom egy hasonló készítésével. Le rajzoltam két változatot valószínűleg az első képen szereplő lenne működő képes a második képen szereplőt gondolat kísérletnek szántam erről is érdekelne a véleményed. Kíváncsi lennék a véleményedre mivel neked van benne tapasztalatod.
Így csináld! Az a -30-40v potival szabályozható legyen és kondival szűrve. Az 1 ohmos katódellenálláson pedig minden mV egy mA-t jelent. Így könnyen be lehet lőni a nyugalmi áramot.
Csak biztos akartam benne lenni hogy figyeltek
Na jó bevallom elnéztem. Gondolom valahogy így. Bár ezen még finomítani kell hogy pontossan be lehessen állítani
Köszi az infót!
Egyszer majd érdekelne, hogy készűl az a fotózás, ha még nem volt róla szó. SM105A hány Wattos?/nem találtam adatlapot leírást/ Egy vagy mind a két oldalt látja el? Ennyi kérdés!Birod még?
Már pár oldallal előrébb is így tettem fel neked csak az előfok ott SRPP de a vége ugyanez.
Köszi a segítséget!
Próbaképpen azért meghalgatom így is-úgy is. Szeretek kisérletezgetni. Ha 1ohmon beállítom a munkapontot, utánna kivegyem az elenállást vagy nincs jelentősége? Ma lett kész a kimenőm 90wattos vasra.Remélem megfelel majd a csőnek.
Igen megtaláltam 278541 számú hozzászólás.
Csak ott van a gyorsító rácson még 250V. Így jó lenne?
Köszönöm .
Kicsit izmosabb meghajtás kellene 2db. GU50 korrekt meghajtására , katódból jobb lenne ha a minőség is fontos . A 2 cső munkapontját inkább fiksz előfesszel állítanám be csövenként , hogy az asszimtriájuk csökkenthető legyen , közös katódellenállással semmi estre sem.
Csak úgy kiváncsiságból...
Miért jobb a minusz fesz? A 220ohm katódellenállás sokkal egyszerűbb...
Mostanában leírtam a felírat készítését , viszonylag részletesen , csak nem tudom hogy milyen címen is futott az oldal ..., de megkeresem .
Nem SM105B , SM102B ha így keresed lesz infó . 200V/A vas , nagy ablakmérettel és mind 2 oldalt táplálja .
Ezt nagyon köszönöm!
Mert most tervezem megrendelni hozzá.
ÜDV! Nincs valakinek elfekvőben két APX anódsapkája, meg két szerelhető magnovál foglalata? Cerebere, akármire
Mondjad mi kell, megnézem van-e Köszi!Üdv : Kócos (ugyanitt érdekel 0,1, vagy 0,15 huzal, cserébe tudok adni 1,2-est, vagy 0,35-öst, újat, vagy 0.6-ost bontottat, de jót )
Kaptam csöveket
Ha valakit érdekel, akkor ECH81 , 84 (Köbzoli?), PCL82, 84 van egy pár darabElkészült a hálótrafó, és a tápnyák is
Remélem nem zavaró a sok kérdés ha igen szólj és nem zaklatlak.
Olyan kérdésekre is választ kapok itt a fórumon amit szak könyvekből nem tudhatok meg. Átrajzoltam ismételten a kapcsolást. Vetnél rá egy pillantást?
Foglalatot nem kaptál véletlenül?
Azt vennék tőled. Mivel a hétvégéim erősen be vannak táblázva csak hét közben tudok vásárolni. Ha lenne valami jó címed ahol tudnék GU50 és 6H8C foglalatokat vásárolni az is érdekelne.
Nem zavar , ezért van a fórum , ha tudok szívesen válaszolok .
Ez már jobb , így korrigálható a végcsövek közötti különbség ... A problémát abban látom , hogy ez a meghajtás már nem fogja szeretni a 2db. 220K rácslevezető ellenállás terhelését , a 2db GU50 már jelentősen terheli a meghajtás kimenetét , megnő a torzítás és nem tudja megfelelően kivezérelni a 2db . csövet . Ezért javasoltam fentebb a katódbóli meghajtást és külön csat. kondit tennék a végcsöveknek ... Én a GU50 PSE- t akkor ezzel csináltam :
Sajnos csak a börzét tudom, de én sem igen tudok oda eljutni. 6N8sz-hez tudok Neked adni bakelit foglalatot, ha érdekel (használt)
Köszönöm alaposan átnéztem az általad felrakott rajzokat.
Ez azért nem az egyszerű kategória. GU50-el valami egyszerűbbel kezdeném és csak utána mernék belefogni egy ilyen kategóriájú erősítőbe. Abban bíztam hogy elfogadható mértékkel ki tudom hajtani egyszerűbb módon a két végcsövet. De látom reménytelen!
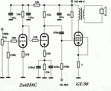
Be rakok egy rajzot ebben csak egy GU50 van.
Remélem ez meg építhető. Össze foglaltam az általatok javasolt változtatásokat. Ha lenne valami komoly hiba kérlek jelezzétek. Ezt szeretném megépíteni az első komolyabb teljesítményű erősítőm lenne eddig csak PCL86-os csővel építettem.
nem , ez eggyel nagyobb (SM74), még Mate78-tól kaptam (köszi) . Az a trafó 6N6P-ket lesz hivatott energiával elátni
Lehet valamivel egyszerűbben is , a lényeg , hogy a meghajtás kimenete kellően terhelhető legyen , a fesz . erőstő + katódkövető ....
Köszönöm ha nem sikerül vásárolnom mindenképpen megkereslek.
|
Bejelentkezés
Hirdetés |







Mondjad mi kell, megnézem van-e 










