Fórum témák
» Több friss téma |
Fórum » LED-es index
Témaindító: Einstein21, idő: Márc 29, 2006
Témakörök:
Köszönöm. Nem azt írtad, hogy katód a hármas lábon? az álltalad rajzolt áramkörnél az anód van a hármas kimeneten. Amit most rajzoltál úgy van helyesen igaz? tehát az anód van a 3-ason
Idézet: „Kellene tenni egy diódát a kimenetre sorba a leddel+ egy olyat ami a forditott polaritás ellen véd szintén a kimenetre,katód a hármas lábon.” Ezt irtam,lehet hogy félreérthető volt, a + jel helyett meg-et kellett volna irnom. Egyébként akkor még nem tudtam,hogy a ledeket tranzisztorral hajtod.
Hát ezt nem hiszem el....
Teljesen külön tápról járatom az indexet, és akkor is villog össze-vissza, mihelyst beindítom a motort. Ennek a motornak nagyon nagy EMI szórása lehet... Pedig azt jittem, hogy megoldom a táp problémát akksival, ami teljesen föggetlen a motortól, megoldódik az én problémám is. De nem így lett. A következőt fogom tenni: Először is full árnyékolt kábellel kötöm be a ledeket elől, hátul. Árnyékolt dobozba teszem az áramkört. Az akksi testet összekötöm a motor testel. Veszek árnyékolt, zavarszűrős gyertyapipát. Ha ez nem jön be, nem lesz index a motoron....
Köszönöm a gyors reakciót, Kedves Zoltán. Tudnál egy rajzot küldeni erről? Ha tekercset kihagyom, az nagy gond? Ugyanis már megvan a nyák, és a nyákfilm megsérült.
De mondjuk ezen nem múlik, új nyákot tervezek. Hangolható tekercset írtál. Igaz? Azt hová kellene hangolni? Pontosabban addig tekergetni a ferritmagot, míg megszűnik az interferencia álltal okozott zavar. Jól gondolom? Namost az áramkör két egymástól teljesen független 555-ös astabil kapcsolás. Hol az egyik, hol a másik kap tápfeszt és villogtatja za indexet. Erre azért volt szükség, mert ha akksiról járatom (a motor elektromos rendszerétől függetlenül) akkor ne legyen folyamatosan rákötve az akksira. Csak akkor "terhel" akksira, ha megy az index, egyébként nincs áram alatt egyik astabil sem.
Oké. Köszönöm előre is a segítséget. (Mán a rívás határán vagyok.) Valami elérhatőséget tudnál adni? Hogy esetleg élő szóban is tudjunk konzultálni.
email: veketto@gmail.com Üdv.
Köbzoli!
Nem tudom, hogy azt az infót leírtam-e, hogy a motortól teljesen függelenül, akksiról megy az index. Tehát még tölteni is külső forrásról töltöm.
Igen. 6V-os a rendszer. Teljesen függetlenítettem, mert 1,2Ah-ás akksi került bele. (nincs több hely) És talán kevesebb zavar kerül az áramkörhöz. No de átterveztem. itt a rajz. Így gondoltad?
Felrakok pár rajzot Ledes (elektronikus index) ügyben.
Mostanság énis ezen gondolkodok és megosztom ezeket a rajzokat. Én nem vagyok az 555 híve.... Nagyon praktikusnak tünik ez a villógó ledes megoldás... majd írjatok véleményeket. Én valószinű hogy a feteset fogom megcsinálni mert elöször nem ledes lesz hanem hagyományos izzós...
No és ez a megoldás? A külső - motor álltal generált elektromágneses zavarokra talán kevésbé érzékeny. Termézetesen ez is fémdobozban. (NYÁK-ból készített doboz) Doboz ház testtel összekötve.
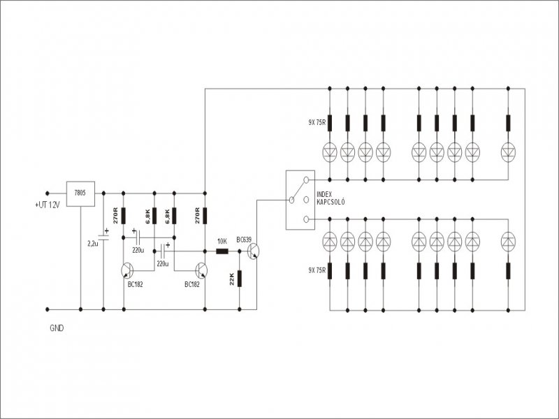
No megvan a végleges megoldás. A 22K ellenállás nélkül. A 2,2u kondi helyett 47u van betéve, és az astabilban a 220u helyett 100u van. Így működik a motor elektromos rendszeréről is, teljesen zavarmentesen. (Végre...) Volt némi tanulópénz és rengeteg kísérlet, miután sikerült megtalálni a végleges megoldást.
Azonban némi tovább fejlessztés vált szükségessé. A beépített 11cd ledek helyett LUXEON STAR ledeket kellene beépíteni, mert nehezen látaszik verőfényes napsütés esetén. A luxeonból viszont csak egyet-egyet tehetek oldalanként, mivel ha 350mA-t vesz fel a led darabja, akkor az 2 led esetén 700mA. +20mA a visszajelző led, +kb 20-30mA az áramkör. Összesen tehát 750-800mA. A 7805 meg max 1A-rel terhelhető. A BC639-es tranyóval nincs gond, mivel 1A terhelhetőségű, tehát elbírná a ledek áramát. elmélet: Adott 5V. A BC639-es tranyón esik 1,5V, marad 3,5V. Ehhez kell méretezni a ledeket. A luxeon led nyitófeszültsége 3,42V, tehát 3,5V-3,42V=0,08V. 0,08/0,350=0,228R. Majdhogynem előtét nélkül, direktben is ráköthető közvetlenül a tranyó kollektorára. Számítás szerint tehát 0,22R ellenállás kellene, de a max fesz a lednek 4V körűli, tehát ezt az értéket nem lépem túl. Ki mit szól ehhez?
A motor 6V-os rendszeréről üzemel. Tehát 12V elfelejtve.
szerencsére. Sikerült megoldani, hogy a motor elektromos rendszeréről működjön az index
Idézet: „Számítás szerint tehát 0,22R ellenállás kellene, de a max fesz a lednek 4V körűli, tehát ezt az értéket nem lépem túl” Fordítva gondolkodsz. Nem a 4V-ot nem lépheted túl, hanem a 350mA-t. Lehet, hogy már 3,8V-nál is folyik a 350mA. A BC639-en sem esik 1,5V, inkább 0,4-0,5V az adatlapok szerint (ez a gyakorlatban még alacsonyabb szokott lenni). Hogy a 7805 csak 1A-t bir? Tegyél kettőt párhuzamosan.
Igen. Bár azt elfelejtettem írni, hogy a luxeon led 700mA-rel is terhelhető. Arra gondoltam, hogy egyet teszek bele, mert többet a tranyó se, meg a 7805 se nagyon bírna. Igaz, cserélgethetném az lkatrészeket, de most úgy érzem, hogy nincs hozzá lelki erőm. Már hogy végre működik az index. Véleményetek szerint ez jó lenne? Már úgy értem 1-1 db oldalanként, déli napsütés mellett.
Luxeon star I A második, ami körsugárzó. Tipus: LXHL-FW1C
Ja, igen. Ezek a luxeonok hajthatók sima ellenálláson keresztül?
Zoli!
No. Átterveztem a ledpanelt. Egy 30mm körátmérőjű panelon 8 db led helyezkedik el kör alakban, előtétekkel együtt. Néztem a lomex oldalát, én nem igazán igazodok el... ![]() Ja, és kösz a tippeket!
Igen. Maradt a teanyós. Most vagyok msn-en. Nem jösz fel?
Hello!
Ha valakinek működő, megbízható index kapcsolásra, nyáktervre és beültetési rajzra van szüksége kattintson az alábbi szövegre:
Néhány alkatrész módosítás az indexhez:
220u - helyett - 100u BD 241 bázis ellenállás - 10K - helyett 4,7K BC 182 - helyett BC 107 LED előtét REBEL SQ-1 esetén 1,3R (500mA) LED előtét LXK2-PW14-V00 esetén 0,33R (700mA) Köszi.
A index az eletronikikus?a elakadás jelző az meg a gyári?
eletronikus-on ha lehet lasícs egy kicsit szerintem
Sziasztok!
Végső elkeseredésemben fordulok hozzátok. Vettem szuperjó ledeket az indexbe izzók helyett, de persze nem villognak. Sajnos sehol sem találtam készen megvásárolható elektronikus index relét, ezért megkérlek titeket hogy aki képes ilyet készíteni vegye fel velem a kapcsolatot, kifizetem az alkatrészeket és persze a munkáját is. Előre is köszönöm: medium84@freemail.hu
Sziasztok!
Lenne egy problémám remélem tudtok segíteni nekem! a motoromra (aprilia af1 sintesi) valami ilyesmit szeretnék: Bővebben: Link kezdő vagyok! bármilyen segítség jól jönne mi kéne hozzá mit hová kössek! Válaszotok előre is köszi! Üdv: Borys
Sziasztok nézegettem itt a kapcsolásokat az e indexhez de ezekkel az a bajom hogy két vezetéket kell húzni a ledekhez nem a vezetéken akarok spórolni hanem az esztétika a lényeg. Szóval valami olyan kapcsolásra lenne szükségem ami olyan 2A tud meg szaggatni és a testet a vázról kapná a led. Küszi üdv
Üdv!
Nekem van egy Babetta 210-esem, és csináltam hozzá ledes lámpát, ennek a fényét mivel lehet szaggatni? (az indexet)
Szia!
Nézd meg ezt a hozzászólást. (#270448) Ez van nekem is, kiválóan működik. Ha már megvannak a lámpák, akkor azt nem kell megépíteni. Akkor elég csak a BD241 kollektoráig megcsinálni az áramkört. A NYÁK is csak addig van tervezve. Szerintem jó lenne számodra. Üdv!
Valami egyszerűbb nincs, mert én nagyjából ott tartok hogy tudom mi az hogy soros- és párhuzamos kapcsolás és tudok forrasztani és megcsináltam a ledes lámpát a motorra, már csak valami szaggató kéne indexhez, valami egyszerűbb nincsen? mondjuk valami kisüléses??
Van egy kerékpáros indexlámpám (ledes) 3v-os, ha a ledeket kicserélném, és 12v-al üzemeltetném, akkor abba mitkéne kicserélni, hogy működjön?
Az általam felrajzolt index kapcsolásnál nem hiszem, hogy van egyszerűbb megoldás. Az egy szerűségéből adódóan elég megbízható ahhoz, hogy közúti forgalomba is merem ajánlani.
A kerékpáros indexlámpában a soros áramkorlátozó ellenállást kell 12V-ra méretezni. A ledeken eső feszültséget vehetjük átlag 1,5V-nak, 20mA-es árammal számolva. Ekkor az ellenállás értéke: 525R, 520R. |
Bejelentkezés
Hirdetés |










szerencsére. Sikerült megoldani, hogy a motor elektromos rendszeréről működjön az index 






