Fórum témák
» Több friss téma |
Mármint fizikailag, mérve? Erre gondolsz? Esetleg típushiba? Annyi még, hogy a jobb csatorna zöld ledje jelez, ha zárlat van, a baloldalon ez nincs.
A hozzászólás módosítva: Feb 10, 2025
emg 18146 tápHello!A kérdésem az lenne, hogy a fent említett tápon hogyan állítok áramkorlátot? Rövidre zárom a kimenetet egy mérőzsinórral (megfelelő keresztmetszetű 16A terhelhetőségűvel, pl.ilyennel ) , majd a potméter segítségével beállítom az értéket. Vagy szintén mérőzsinórt használok, de nem zárom rövidre, hanem a kimeneten egy ismert ellenállással terhelem, beállítom a feszültséget a terhelés teljesítményét is figyelembe véve, majd állítom a potméterrel az áramkorlátot. Hallottam mindkét verziót, Hameg tápokon a rövidzáras módszer is működött, de azt javasolták, hogy ez nem minden tápon alkalmazható. Mivel nincsen kapcsolási rajzom, így a 2. módszert válasszam? Vagy az első is megfelelő? köszönöm,
Hello!
Bár egy labortápnak el kell viselnie a rövidzárat, de mégsem célszerű követni ezt a módszert. Mert ha még sem működne az áramkorlát, akkor több a kár, mint a haszon. Tehát ilyen "parasztos módszert" csak akkor érdemes használni, ha már meggyőződtünk arról, hogy az áramkorlát már stabilan működik. Tehát a "próbaterhelés alkalmazása" még is célszerűbb. Mivel a táp maximális árama 2,5A, egy 12V/35W-os spot izzó, már bőven megfelel a célnak. De akár egy gépjármű fényszóró is. Valami mindig akad otthon ezekből. Beállításnál, pedig célszerű a feszültségszabályzót letekerni, a terhelést rátenni, majd a feszültség emelésével, figyelni az áram értékét. Mikor az áramkorlát működésbe lép, a feszültség nem nő tovább, hiába emelnéd. Mikor pedig beállítottad a számodra kellő áramértéket, a terhelést levéve a feszültséget a kívánt értékre szabályozhatod. Mivel ez egy soros áteresztő típusú tápegység, legnagyobb hőterhelése akkor van a végfokozatnak, mikor a kimeneten minél kisebb feszültség mellett, minél nagyobb kimeneti áram van beállítva. Ha ilyen üzemállapot igényeid vannak, akkor érdemes ellenőrizni a hűtőborda melegedését és egybevetni a végtranyó melegedésével. Mert nem ma készült a táp, esetleg a végtranyó nem érintkezik már termikusan jól a bordához és túlmelegedhet. A szilikon hővezető kiszáradhat, a tranzisztor szigetelése elporladhat, a műanyag szigetelő alátétek elrepedhetnek/elolvadhattak idővel. Ha ezek rendben vannak, akkor lehet megbízhatóan használni a tápot. A műszerzsinórral egyébként sem célszerű rövidrezárogatni egy tápot, mert a kimeneti kondiban tárolt energiától szikra képződhet, mely tönkreteszi a mérőzsinór csatlakozó felületkezelését. (A mellékelt 1mm2-es vezeték, csak elviekben viseli el az 16A áramot, tartós terhelésnél füstölne.)
Szia!
Köszönöm a segítségedet. Nagyjából én is ezen az állásponton vagyok, de gondoltam inkább kérdezek, nehogy kárt csináljak. Amúgy ez a direkt rövidzáras megoldás nekem soha sem testszett, amikor valaki így állított áramkorlátot. Jó hogy mondod, az áteresztőtranyót vizsgálni kell, hogy a szigetelőlapka nincs-e kiolvadva/kiporladva a borda és a tranyó tokozása közt. Gondolom ekkor még nem használtak szilikon lapkákat szigetelésre, lehet cserélem is a régi szigetelést a még nagyobb áramú üzemeltetés előtt. Erről a tápról van esély kapcsrajzot találni?
Anno rendre csillámlemez szigetelést használtunk és "háztájiban", textilbakelitből esztergáltuk a szigetelő alátéteket-gyűrűket. Az azért "örök élet plusz egy nap". Akkor még "Mária üvegnek" hívták.
Később megjelentek a vacakabbnál vacakabb fröccsöntött szigetelők, rengeteg hibát okozva. Bár valahol olvastam, hogy meglepő módon a csillám kristály szerkezetében, valahol a 12, rácson van egy vízmolekula és ha azt elveszti, elporlad. De megjegyzem egyáltalán nem értek hozzá, csak meglepett. Nekem mondjuk a szilikonban sincsen bizodalmam. Mai napig jobban szeretem a - bár nehezen kezelhető - csillámot. Hőátadásban és szigetelésben is jobb. De a kettő század milliméter légrésnél, bármi jobb hővezetésű. Valaha volt egy internet-es oldal, ahol szinte az összes magyar gyártmányú eszköz megtalálható volt. De mondjuk a tápegység gyártás változatosságát szinte lehetetlen követni. Anno meg a precíz gépkönyvet laza mozdulattal elhajították, ami később elkallódott. Hol van már az a világ, mikor a készülék hátlapjára belülről ráragasztották a kapcsolási rajzot. Mondjuk akkor a hiánygazdálkodás miatt nem 3 évben, hanem 30 évben gondolkodtak.
A csillámot azt nem ismerem, de hallottam róla. A textilbakelit az pedig hőre és nyomásra keményedő térhálósodó műanyag. Valóban örök életűek voltak... Most a szilikon lapka szerintem ami a legjobb erre, így arra cserélem. Igen, a gépkönyv kezelés az dettó, mint a gépészet esetén, csak megerősíteni tudom. Az elektrotanyán van rajz egy EMG 18144-ről, az nem tudom mennyire egyezik meg ezzel. De ha még is valakinél meglenne a kapcsolási rajz küldje el,
köszönöm. A hozzászólás módosítva: Márc 11, 2025
Üdv!
A RET árulta ezt a tápot kérdezd meg náluk, vane rajzuk hozzá, hátha segíteni tudnak. PS-305D labortápSziasztok !Van egy 3 éves PS-305D labortápom és állásban elmúlott róla feszültségállítási opció. Amper továbbra is van, állítható. Az elektrotanyán volt hozzá kapcsirajz de nem azok a cuccok vannak benne. Ötlet valakinek ? A hozzászólás módosítva: Aug 19, 2025
Üdv!
Nézd meg a szekunder kapcsoló reléket. Huzamosabb nagy áramú használat alatt meglágyul a relé és beáll. Legalábbis a Metrix nevű változatnak ez volt a típushibája a cégnél lévő mind a háromnak. Autós kockarelét drótoztam be a helyükre, az bírja. Arra nem emlékszem hány voltos a behúzója de olyanból van 12V-os is, 24Vos is.
Még egy.
Az elvi működés a 2002 RTÉK labortáp készítése cikkben van. Az alapján tapasztalattal javíthatóak az analóg tápok.
Mondom típushiba. Ne nyúlj máshoz, a relék nem bírják a hosszú ideig tartó nagy áramú használatot. Autó kocka reléje a megoldás. már nem emlékszem 12, vagy 24 Vos behúzójú kell hozzá. A kis fekete relét sokáig kerestem, anno akkoriban nem, illetve nehezen lehetett beszerezni Magyarországon.
Áramkorlát javításSziasztok!Van nekem egy Zhaoxin labortápom, amiben még 2017 körül tönkrement az áramkorlát (mindkét oldalon). Többszöri nekifutásra sem tudta - természetesen mások segítségével - megjavítani, mert "zöld" vagyok hozzá. Lenne valaki, aki elvállalná a javítást. A legfőbb kritérium, hogy aránylag gyors munka kéne, mert napi használatban van. Aki úgy érzi, hogy tud segíteni, kérem privátban jelezze, ne offoljuk a topikot! Köszönöm előre is! Szép napot nektek!
Szia!
Köszönöm! Az a baj, már méricskéltünk távjavítás címszó alatt egy órát, de nem találtunk eltéréseket.
Ennek az alsó IC-nek (U2B) a kivezetéseit kellene mérni, alap esetben. Majd egy 12 V 20 W izzó a kimenetre, a 12 V-os feszre beállítva, és az áramkorlátot levenni a legkisebbre és akkor mérni újra a lábakon a feszültséget.
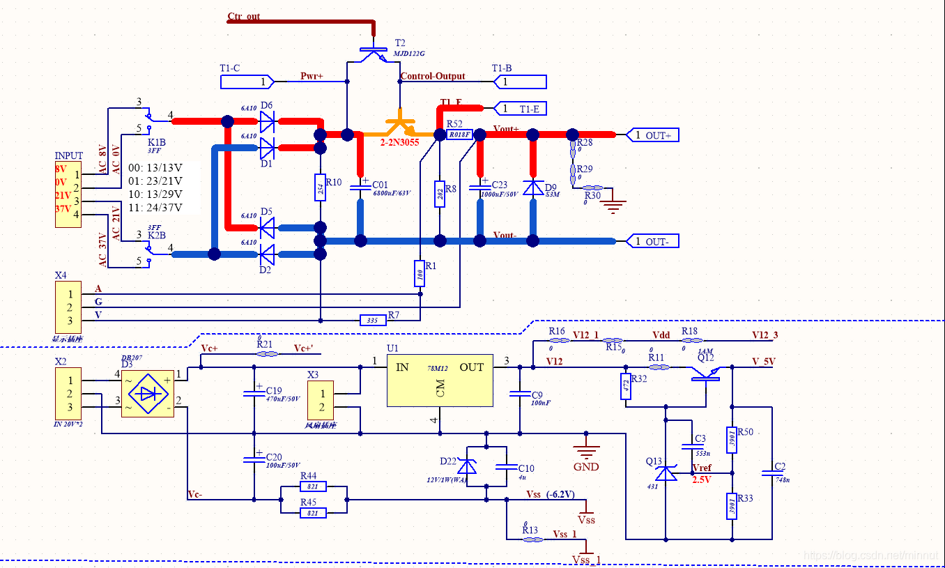
A második képnek csatolom a nagyáramú részt. Üdv. M.
Üdv!
A kis kockarelék nincsenek beégve? A mi Metrixeinknek (3db) ugyanaz volt a baja. Hosszútávú használatkor meglágyul a háza és a morse akár középállásban marad. Ilyenkor a legfurcsább hibákat produkálja.
Megoldódott!
Köszönöm mindkettőtöknek a választ! Mindkét előlapi áramkorlát-poti döglött volt. Ilyet én még nem is láttam.Az egyiknek a két szélén tudtam 10k mérni, de a közepe nem mutatott semmit, a másiknál már a két szélén sem volt mérhető semmi... Innen is köszönet niedzila és kokozo sporiknak! |
Bejelentkezés
Hirdetés |








