Fórum témák
» Több friss téma |
Fórum » Csöves erősítő készítése
Ne feledd betartani a fórum viselkedési szabályait, és a topik megmaradásának feltételeit. [link]
A téma átmenetileg fagyasztva lett, hozzászólni nem tudsz!
OK, lefotózom, ha minden igaz, a törött majd valamikor megy Müszinek. Amúgy stere PP-t akartam vele, de így monoblokk lesz, kettő, vagy nem tom még, majd szerzek egy másikat. Szerencse a szerencsétlenségben, hogy legalább nem volt drága
CD-nél én sem használok hangszínszabályozót ( meg amúgy sincs
), de az Onkyo erősítőmben volt, és régi kazettás magnofelvételeknél azért bele kellett néha nyúlni a hangszínbe.Meg éjszakai zenehallgatásnál jó volt pl, hogy le lehetett venni a mélyet, most már nem lehet ( szidnak is miatta )
Keress vissza! Ecopityu Csöves multja 1-2-re, meg a gyorstalpalóra, abbam minden okosságot az alapokról megtudsz!
Egyébként az ellenütemű a Push Pull /PP/, húzó toló rendszerű csőelrendezés, amikor az egyik cső a pozitív irányú feszültségváltozásokért, a másik a negatív irányú feszültségváltozásokért felelős. Ezért kell egyformának lenniük!
Te Pityu! Ez a két képkimenő összeborítása ez tényleg működik? Mert a 6N6P-t 10k-ra kell illeszteni 200 volt anódfesznél, és ez meg ha jól számolom 10k/8Ohm, ha a secundereket párhuzamosan kötöm
Köszi, csak van egy kis gond
Amikor megnyitom jelszót kér.
Az Anzai SRPP-re kerestem a neten ezt találtam hosszas keresés után. Ez ami a panelon van?
Itt is van 1 + nyák.. :
Bővebben: Link
Még egy kérdésem lenne. A kapcsolási rajzon amit mellékeltem, a kondenzátoroknak nincs megadva érték
Azok milyenek legyenek? És azok az írások a "vonalokon" mit jelentenek?
> kapcsolási rajzon amit mellékeltem,
Meg ha lenne is ilyen csoved, akkor se epitsd meg mert elvi hibas, nem lesz jo... > a kondenzátoroknak nincs megadva érték Azok milyenek legyenek? A csatolokondik 10..20 nF, alacsony szivargasu, nagy feszultsegu. A katod hidegito kondi 50...1000 µF elko 16V elko. > És azok az írások a "vonalokon" mit jelentenek? Miliamper es volt
Van neki ilyen csöve, és sztem nem hibás a rajz ...
Az első pentóda vezérlőrácsa hová van kötve , mert nem látom a rajzról ?
egyesítve van a trioda rácsával, így egyből kapja a bemenő jelet, a második meg a trioda anódjáról kapja a 180 fokkal eltolt jelet.
Kimenőhöz melyik pénztárgép szalag a jobb szigeteléshez? Van ilyen thermo, hőpapír alapú meg normál papír. A thermo vékonyabbnak tűnik.
Nos,ebben abszolút igazad van.nem biztos,h a résztekercsek elrendezése,-az ön,és szórt kapacitások szempontjából,-ebben a felállásban lesz optimális,sőt...(ezt nem is állítottam
)az is tény,h az áttétel változtatására sincs később lehetőség ebben az esetben.(pedig néha jól jönne).amit leírtam,csak EGY megoldás a tekercs realizálására,s lehetnek más,akár üdvözítőbb módszerek is.bár én szinte az összes kimenőmet így tekertem,mert e megoldás viszonylag egyszerű.az viszont tény,h az így elkészített trafó NAGYSÁGRENDEKKEL jobb(és műszakilag precízebb),a FF-tévékből,s innen-onnan kimentett,10-15Wos magra realizált,max.2 hangszórótekercset tartalmazó,kimenőtrafónak látszó tárgyaktól...ámbátor azt ki-ki maga dönti el,milyen szinten akar erősítőt építeni :yes: a résztekercsek összekötésének is vannak trükkjei a minimális kapacitásra való törekvés érdekében,azt pl hallottam,h SE-nél csigavonalban haladva sorosítanak(nem tudom jobban megfogalmazni...).de ennek sztem már csak profi színvonalon van jelentősége.
A kívánatos megoldás az egy darab vaslemezből sajtolt árnyékolóserleg (lenne!),dehát ilyet beszerezni...méretre...manapság
reménytelen.
Nézem , de most sem látom , talán kicsi a monitorom , vagy rosszul látok ...
Elhiszem , hogy így van , de akkor mi van a szimmetriával ? Nagyon béna és rossz kapcsolás !
Amit én használtam az nem fényes és 1 példányos , másikat nem ismerem .
A mérete miatt jól hasznosítható , több csévéhez pontosan egyező méretek kaphatóak . Csak soronkénti szigetelésre javaslom , fehér jól látható a menetek illleszkedése , ezért könnyebb rá tekerni , a rétegek közötti szigetelésre is szoktam +ban 1 sort rátenni , említett okok miatt .
Nincs vita közöttünk , csak ha kísérletezgetünk akkor van jelentősége annak amit említettem .
Ha tutira megyünk , akkor precízebb és műszakilag is szebb a Te megoldásod . Kíváncsi lennék , hogy szoktál -e méricskélni beépítés előtt az elkészült kimenőn. ?
"Globálisan"az együtem mindenképpen jobb hangminőséget ad,PP-nél a fázisfordító,lett-légyen az bármilyen precíz is,-mindenképpen belemalackodik a hangzásba egy kicsit(vagy nagyon)
ennek az az auditív hatása,h az SE erősítők középsávja nagyon tiszta és természetes.sokkal jobban hagyja érvényesülni a hangszerhangot,s kevébé érezhető az,h "a gép zenél".ezzel szemben a PP mindig forszírozottabb,ködösebb(vagyis gépiesebb)muzsikát szolgáltat.nagyon sok embernél az SE-végfok azért bukik el,mert a szolgáltatott néhány W-nyi kimenőtelj.reménytelenül kevés a mai modern(???)hangsugárzók túlnyomó többségéhez... amikor egy szimfonikus nagyzenekar belehúz egy fortisszimóba,s 60hangszer szól egyszerre teli torokból...ott max.játékszer lehet egy 3W-os csöves erősítő.szerintem.a mennyiség és a minőség között kell megtalálni az okos kompromisszumot.mindenkinek magának.
IGEN,ez pontosan az.(ez a rajz van meg nekem is).akkor tehát nem kell kézzel rajzolnom
Nekem is van 1 példányos is. Holnap nekilátok az egyik kimenőnek. Egyelőre kézzel, ha nagyon csúnya vagy kivitelezhetetlen akkor barkácsolok gépet majd hozzá.
A tekercseket úgy akarom összekötni, hogy a primer oldalon az 1-3 -itt a középleágazás- majd 2-4 tekercseket sorban. Szekunder oldalon pedig 1-3 párhuzamosan, 2-4 párhuzamosan, és ezek sorban, köztük pedig középen lesz a leágazás így, ahogy javasoltad fele menetszámokkal 1,18 huzalból. Az UL-hez ha jól megy majd a dolog, akkor egy réteg 500 menet lesz 4 sorban. A leágazás a 3. sor végén kb 375 menetnél lesz ami 37,5%.
Eddig csak egy trafómat mértem,mert a korrekt mérés körülményes,s házilag a pontossága is kérdőjeles.igaz,ez valószínű a legjobb,amit valaha csináltam.a BEAG-APX vasaira tekertem,16rétegű,ill bocs,18,mert külön vcs-tekercs is van rajta.fő baj az.h nincs jelgenerátorom,csak mérő-cd,azon viszont 20-tól 20k-ig van csak mérőjel.(afelett a cd is "levág").a mérést úgy végeztem,h egy elég jó kenwood tranyós erősítőre adtam a mérő-cd jelét,mely erősítő átvitelét előtte leellenőriztem(zsinóregyenes
).a szekundert direktbe megtápláltam a végfokkal(és fohászkodtam,h kibírja,mivel kölcsönkészülék volt.túlélte).a primert pedig leterheltem néhány Kohm-os ellenállással,így tehát közelítőleg a valós helyzetet szimuláltam,csak visszafelé.a műterhelésen analóg műszerrel mértem feszültséget.az eredmény engem is meglepett.a trafón át ugyanazt mértem,amit a végfokról!sőt ha nagyon szigorú vagyok a sávszélekhez képest középen enyhe horpadás mutatkozott vagyis loudnesses jellegű volt az átvitel de hozzá kell tennem h a műszer csak hajszálnyi eltéréseket jelzett ebből azt a következtetést vontam h a trafók frekiátvitele miatt nem igazán kell aggódni
Üdv!
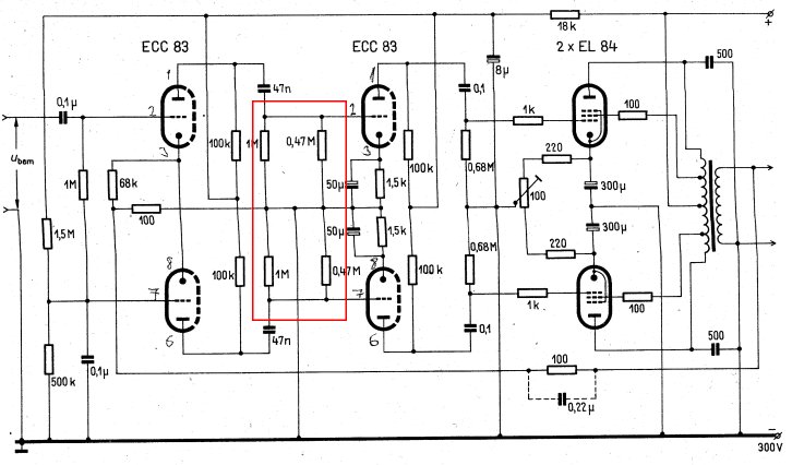
Segíthetnétek, mert kezdek becsavarodni... Mos építettem meg az első PP erősítőmet a mellékelt rajz alapján (Magyari: Rádiótechnikai zsebkönyv 492-493 oldal) de valahogy nem az igazi. A csövek egyenáramú stabilizált 6.3V-os tápról vannak fűtve, az anódtáp is kapott elkós - fojtótekercses szűrést 2x330µF pufferekkel. A kimenő egy régi bolgár rádió EL84-es végfokának kimenője, gyárilag is ultralineárnak tekerve, eredeti állapotban. A bemeneti 100n csatolókondira egy 50k potméter csúszkája van kötve, a poti egyik vége a testen, a másik pedig egy iPod-ban mint jelforrásban végződik, csatolókondi nélkül. (Természetesen az iPod teste össze van kötve az erősítő testével.) Ha kikötöm a visszacsatolást, akkor aránylag normálisan szól, de zajos (nem brumm, hanem "súgás"), gyakorlatilag mindent összeszed. (villanykapcsoló kattanása, mobiltelefon, az asztali neonom zaja stb) Viszont ilyenkor nem gerjed, szkóppal mérve sem, és a zaj nem nő a hangerő feltekerésével sem, vagyis a zaj akkor is hallatszik ha teljesen „le van halkítva”. Ha bekötöm a rajz szerinti ellencsatolást, akkor 50kHz körül gerjed. Ha megfordítóm a kimenőtrafó szekunderének a bekötését, akkor még jobban... A rajzon bejelöltem egy részletet, aminek a lényegét nem egészen értem. Miért kellett párhuzamosan kötni a két ellenállást? Ha van ötletetek, hogy mi lehet a gond azt nagyon megköszönném.
Hát ami igaz, az igaz! De nem hiszem, hogy audiofil célra találták ki!
(egyébként én is alig vettem észre a belső fehér "összekötést" a rácsok között ) Ez még a PCL-eknél is "kompaktabb", szerintem kommerszebb célokat hivathatott szolgálni. Tényleg hülye megoldás, ennél szerintem az is jobb lett, volna, ha maguk a pentódák egyben a fázisfordítók is (El84-gyel már láttam ), csak akkor már minimum dekál fej kellene, vagy mégtöbb láb..
Talán "szakmai ártalom", de én azért az oszcilloszkópon is nézegetnék! Igaz a végső "ítéletet" úgyis a fülünk mondja ki! Ez meg tök szubjektív dolog,(mekkora közhely már ez
) pl az általam épített 6 wattos gitárkombó torzított hangja nekem nagyon tetszik, de sok embernek nem nyerte meg a tetszését.....Fordítva is igaz, az EL84 SE-m sok mindenkinek bejött, nekem viszont nem tetszik, nagyon "elől" van a középtartomány. Mérni sajnos én sem tudok, mert a generátorom még mindig félkész állapotban van (talán szeptemberre elkészül )
Ez szerintem konstrukciós hiba. Az 1 Megaohm az első fokozatot terhelő ellenállás, a 0,47 megaohm a következő fokozat rácslevezető ellenállása. Ez általában egy és uyganazon alkatrész szokott lenni, szerintem az 1 mega elhagyható!
Gerjedés : Fém sasszira építetted? Ha igen, akkor van rajta földelés? Ha nincs, feltétlenül kösd rá a hálózati földet, és a fémvázat kösd ösze a tápelkók negatív pontjával, akár galvanikusan, akár egy néhány száz nanos kondin keresztül ( 630 ~ 1000 V ) Zaj: Szintén adódhat földeletlen sassziból, árnyékolatlanságból, de javaslom a tápelkók hidegítését, 100-1700 nano (500 V -> ) fóliakondikkal rossz minőségű csatoló kondik is okozhatnak szerintem "sssss" zajt, és a bemeneti potit, én megnövelném legalább 100, de inkább 220-500 kilosra Nos, én ennyit tudtam javasolni, majd a nálam tapasztaltabbak kiegészítenek, vagy kijavítanak
Generátorral és szkóppal mérem a kimenőt , mint a rajzon látható ....9K Raa és 8 ohm terhelésre méretezett trafó mérése .
Végig mérhető a frekimenet , de 10KHz négyszöggel való mérés bőven elegendő , jól látható rajta a frekimenet , ha a vízszintes tengelyen megfordítva szemléljük ... Túllövés és hullámosság , tetőesés az a frekimenetben is jól látható , ha elemezzük.. Mivel gyorsan elvégezhető ez a teszt , ezért közben kipróbálhatjuk a kivezetések bekötésének változtatását is , így megtalálható az ideálisabb összekötést . Igaz így nem teljesítmény sávszélességet kapunk , de az eddig mért kimenőim bekötve is hasonló eredményt produkáltak , mint ezzel a módszerrel mérve. |
Bejelentkezés
Hirdetés |


), de az Onkyo erősítőmben volt, és régi kazettás magnofelvételeknél azért bele kellett néha nyúlni a hangszínbe.
Amikor megnyitom jelszót kér. 
Azok milyenek legyenek? És azok az írások a "vonalokon" mit jelentenek? 
)az is tény,h az áttétel változtatására sincs később lehetőség ebben az esetben.(pedig néha jól jönne).amit leírtam,csak EGY megoldás a tekercs realizálására,s lehetnek más,akár üdvözítőbb módszerek is.bár én szinte az összes kimenőmet így tekertem,mert e megoldás viszonylag egyszerű.az viszont tény,h az így elkészített trafó NAGYSÁGRENDEKKEL jobb(és műszakilag precízebb),a FF-tévékből,s innen-onnan kimentett,10-15Wos magra realizált,max.2 hangszórótekercset tartalmazó,kimenőtrafónak látszó tárgyaktól...ámbátor azt ki-ki maga dönti el,milyen szinten akar erősítőt építeni :yes: a résztekercsek összekötésének is vannak trükkjei a minimális kapacitásra való törekvés érdekében,azt pl hallottam,h SE-nél csigavonalban haladva sorosítanak(nem tudom jobban megfogalmazni...).de ennek sztem már csak profi színvonalon van jelentősége.



