Fórum témák
» Több friss téma |
Szia igen jól ismert ez fekete dobozban is és a leg újabb piros tetejű fekete aljú dobozban arról is tudok mutatni szintén képet.
Szia nem reklámozni akarom de keress rá Puls... néven háromféle külsővel van ugyan úgy tűz és életveszélyes a kókány trafó miatt.
Szia!
Ismerem ezt a fajta trafót. Jó pár villanypásztorba tettem már és idáig csak 1-el volt gond. Annak is a szekundere szakadt meg. A többi jól müködik. Ezekből is van többféle áttételű, nem mindegy melyikre mekkora feszültséget küldenek. Persze én az egész elektronikát leválasztó trafón keresztül járatom. De mostanában már csak Makrai trafót veszek.
Ez a Makrai féle vill.p. trafó nem olyan rég van a piacon. Vagy nem jól tudom? Ehhez állítólag nem szükséges leválasztó.?
A hozzászólás módosítva: Júl 4, 2025
Hát hogy mióta létezik, nem tudom. Én biztos ami biztos alapon ehhez is használok leválasztó trafót. Viszont azt nem tudom, hogy a nagyfesz trafó elé kell-e fojtó? A másikhoz kellett, azt kaptam a trafóhoz.
Igen úgy oké de itt simán hálózatra van kötve és nem ez az első ilyen hibával.A másik gondom vele hogy van ráírva jul érték a dobozra viszont a trafón semmi jelölés akkor mi alapján tudja a gyártó bekalibrálni a kimeneti teljesítmény? Esetleg úgy hogy 90 ből kivonjuk a pénteket? Aztán kijön a 6J? Én is tudok hasonlókat tekercselni de semmi pontos adatot nem tudnék hozzá adni.
A fórum területén mindennemű üzleti tevékenység szigorúan tilos! Erre kizárólag az Apróhirdetés részleg használható.
sencee P40 villanypásztorba kondikSziasztok!Hoztak egy villanypásztort, hogy gyenge. A rajta lévő led is jelzi, glimmlámpás mérővel kb 2kV mérhető. 10kV-ot kéne tudni neki. Kibontva a kondik, amiket rásüt a trafóra kapacitásvesztettek. ( 10µF - fél uF, másik 10µF - 150nF, a 4µF - 1nF) Csatoltam képeket. Hol kaphatnék ilyen kondikat? A nyákon adott a méret. Vagy helyettesítsem más fajtával? Mi bírná tartósan? Üdv! Tomi
2,2 uF, 275 V AC
Gondolom, elsősorban Szlovéniában, hiszen ott gyártották. De talán máshol is akad. A fenti 275 V-os nem megy hamarabb tönkre 230 V-os táplálásnál, mint a 310 V-os. Mert azt ugye nem írtad, miről működik a szerkezet. ![]() No meg a "Fence" kerítést jelent. A hozzászólás módosítva: Júl 14, 2025
Szia ott oldalt van hely neki tegyél bele sima motor üzemi kondit van amelyikben eredetileg úgy van
erbe: az AC kondi még csak oké, de a többi 700 és 900V DC. Kellhet e ekkora? Lehet ideiglenesen teszek rá mást és rámérek. 230V-ról megy, de trafó nincs az elején,csak kondik,diódák. Tegnap nem volt időm jobban átnézni,de akkor max.320V körül lehet rajtuk. A két 10µF és a 4µF párhuzamosan van. Egy 24µF körüli jó lehet helyette.
Swedhart: az gyári kondi benne? Nem cserélhette már valaki?
Igen az a gyári állapot ami a fotón van én szedtem szét.
700V DC és 900V DC párhuzamosan. Tehát a 900 V-os "éppen az volt kéznél"
. 275 V AC kondi az 775 V DC. Régebben, ha helyettesíteni kellett, a 400 V DC kondit nem volt célszerű rátenni a 220 V-ra. A 630 V-os már mehetett, mert elérte a szinusz csúcsfeszültségének kétszeresét.Rossz esetben, ha nem kap semmi mást, ebből a 2,2 µF 275 V AC kondiból berak 3 db-ot az AC oldalra, azzal elvben már működhetne a szerkezet. Hiszen jóval több, mint a meglévők összes értéke. Persze, hamarabb fog tönkremenni vagy alacsony értékre süllyedni.
Vissza kellene követni a kondik előtti részt. Gyanítom, hogy egyszerű feszültségkétszerező van előtte, hogy nagyobb feszültségről induljon a kisütés. Ha viszont valóban párhuzamosan van mindhárom, akkor nem kell ekkora feszültségű kondi. A panelről nem lehet lekövetni az egyik DC kondi pontos bekötését. Az lehet a kétszerező.
De még az is lehet, hogy a 2,2 µF AC kondi a kétszerező első kondija. Helyesbítés: Idézet: „berak 3 db-ot az AC oldalra,” ...beraksz 3 db-ot a DC oldalra, A hozzászólás módosítva: Júl 15, 2025
Sziasztok erbe és Swedhart!
Csak most volt kis időm foglalkozni vele. Lerajzoltam a kondik töltését és lefotóztam a nyákot hátulról is. Na a szóban forgó 3 db kondi párhuzamos, így 24µF-ot tesz ki, ha hibátlanok. A 2,2µF 310V AC X2-es kondi a kimenettel párhuzamos( trafó primer) A 24µF-ot egy tirisztor ( xxx10-800G) süti rá a kimenetre egy fojtón át ( L1) Lerajzoltam kondik tápját. Csatoltam a képet. Ez nem feszültségkétszerező szerintem, csak egy 1,5µF X2-n( ez mérve hibátlan ), diódán keresztül egyenirányít. Így ha jól gondolom max. 340V lehet rajtuk. Akkor pótolhatom 450V-os villanymotorra való üzemi kondival( több darabból, hogy beférjen és ami kiadja a kb 24µF-ot) ?
Szia!
Valóban. Ezt nem tudtam. Akkor a 450V AC-s motor üzemi kondi is necces....nem?
Sajnos nem tudom melyik mit bír ki, még azt sem írják rá igazából egyértelműen, hogy Ac-re vagy Dc-re vonatkozik a feszültség..
Én ezt nem fogom tudni megmondani, de a fiúknak, - akik itt ezzel foglalkoznak - biztos van benne tapasztalatuk.
Köszi!
Félek rövid lenne az élettartama. Bár az eredetik kondik is csak kb 4-5 évet mennek. Igaz folyamatosan egész évben. Bár már nem most csökkenhetett le ennyire a kapacitásuk, gondolom folyamatosan csökkent.
A 450 V AC-s kondi kibírja a 640 V DC-t. Ha találsz akkorát, ami elfér valamelyik zugban.
A kapcsolásod a legegyszerűbb feszültségkétszerező. Bár a másik se túl bonyolult, de ahhoz két kondenzátor kell, viszont lehet alacsonyabb feszültségű.
Szia!
Módosítani nem akarok a kapcsoláson. Egy 450V AC 20µF éppen belefér. Kipróbáljuk azzal. Egyik kollégámé. Ha mégsem jó legfeljebb visszahozza...
Nem írtam, hogy módosítsál a kapcsoláson. Csupán azt szerettem volna bizonyítani, hogy a tiedben van feszültségkétszerezés.
Pontosan lerajzoltad az első (Greinacher) kapcsolást. Korábban nem is említetted az 1,5 µF-os kondit és a panelen sem szerepeltetted a többiek mellett.
Szia! Nem említettem, mert kivettem, mérve hibátlan és visszatettem. A képen most bekarikáztam, hogy, melyik az a két diódával. Eddig nem tudtam, hogy az a kapcsolás feszültségkétszerező. De hála nektek mindig tanulok vmit.
![]() Ma tettem bele egy motorindító kondit. 20µF 450V. ( másik képen) Épp belefért. Működik, de nem tudom elég erős-e? Mérni nem tudom. Van benne alul szikraköz, de azt nem üti át. Kb. kétszer fél centi a légrés. ( jól olvasom a neten, hogy ahhoz kb. 21kV kellene?) Ha egyiket rövidre zárom, akkor a maradékon csattog. A kondin nem mertem feszültséget mérni, hogy hány voltra töltődik fel, mert nincs kéznél a leválasztó trafóm( költözés miatt még sok cuccom kartondobozokban pihen).
Szerintem, ha ezt valaki ki tudja számolni, azt kedve szerint fogom kényeztetni.
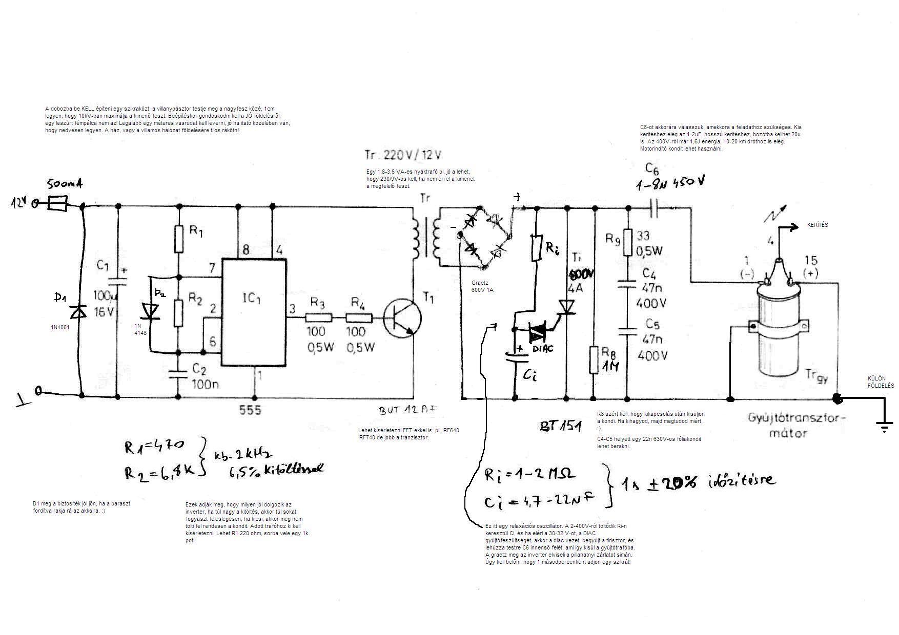
Egy trafónak közel sem ez a normális üzemeltetési módja, a meghajtásnál vannak különféle kapacitások, induktivitások, akár fojtótekercs, akár a nyák rajzolata, a trafónak menetszáma, tekercselési sémája, vasmag paraméterei, huzalvastagsága, a kimenetén lévő terhelés is változik, mondjuk mérésnél, ha jól emlékszem 500 ohm van megadva, de az kb. mindegy is. Szóval ezek a változók mind befolyásolják a kimenő energiát, és a jó részét nem fogjuk megismerni, mindegy is lenne, mert az emelt szintű középiskolás matek nem lenne elég hozzá. ![]() Lehetne úgy, hogy egy megfelelő terhelésen egy tárolós szkóppal mérni, elmenteni a jelalakot, abból meglenne az impulzus alatt folyó áram, csak ki kell elemezni és számolni a lefutási idő alatti átlagteljesítményből. Nos, engem még sose érdekelt ilyen szinten, ha terméket fejlesztenék, megcsinálnám. Bss pásztor kérdésSziasztok.Megépítettem a bss oldalán lévő villanypásztor 2 kapcsolást. Láttam már itt is volt szó róla. 50ma vesz fel ami szerintem nagyon jó . Működik is, viszont egy nagy lada gyujtotrafóval. A doboz amit vettem, kiderült kisebb jóval, nem fér bele! Egy robogó gyújtástrafó hozza a kívántat tőle, vagy vegyek nagyobb dobozt amibe bele fér...?
Hali!
Szerintem vegyél nagyobb dobozt. Párat megépítettem már, csak LADA trafót rakok.
Egyelőre ma sikerült szerezni egy ilyet. Ha szemmel hasonló lesz a szikra mint a láda trafóval akkor marad. Ha sem nagyobb dobozt veszek ahogy javaslod!
|
Bejelentkezés
Hirdetés |




















