Fórum témák
» Több friss téma |
Fórum » Vízszintjelző építése
Témaindító: csikosgabi, idő: Jún 8, 2006
Témakörök:
sziasztok.Azt szeretném megkérdezni hogy hogy tudnám megoldani hogy egy kerti"nagy"tartályba lévő víz becsülhető legyen.Jelezne egy áramkör hogyha tele félig vagy üresen van a tartály és hogyha majdnem tele akkor valami hangjelzés legyen!!Tudtok ilyen áramkört??????
Köszi előre is
A tartályba kell egy olyan elektróda (célszerűen lecsupaszított végű vezeték), amelyik az alsó mérési pontig leér, majd kell 2, 3, vagy több olyan, amely a mérési pontokig ér el.
A víz vezetőképességét kihasználva a mérési pontok között az ellenállás vagy elhanyagolható (a mérőpont víz alatt van), azaz "rövidzár" van, vagy gyakorlatilag "végtelen" nagy, azaz "szakadás" áll fenn. Ez alapján az elv alapján építhető olyan jelzőberendezés, amely a szakadásra vagy a rövidzárra kapcsol be, kívánság szerint. Ha addig más nem tesz fel ilyen kapcsolást, akkor este otthonról felteszek ilyet Neked.
Mint például ez??????
Most találtam
Pontosan!
Mivel ez DC-ről megy nem áll fent annak a veszélye hogy valamely elektródán kicsapódnak az ásványi anyagok??
De. Ezt biztosan mod6om, mert én is +próbáltam vagy 20 éve... Még a laposelemből kihúzott szénrúd is elfogyott 1 hónap alatt. Csak váltakozóáramú táplálás jöhet szóba.
A másik amit próbáltam, az lineárisan csökkenő frekvenciát adott (a növekvő vízszintre) egy 555 volt az oszci kb 150kHz-en, a szenzor(kondenzátor) pedig 10-es rézcsőben koaxiálisan (plexi távtartókkal) elhelyezett szigetelt tömör rézdrót, aminek a végét is leszigeteltem. Ez elég pontosan működött. Ezenkívül használ6od a Motorola (Freescale) piezoelektromos nyomáscelláját úgy mint a mosógépekben: a tartály aljára beforrasztasz (hegesztesz) 1 kis csőcsonkot, arra mipolán csövet húzol és felviszed a tetejére, ott csatlakozik rá a szenzorcsonkra (így csak a levegőt sűríti a növekvő vízszint és nem kerül be a szenzorba).
Nekem volt ilyen szintjelzőm, Ford Focus ablakmosó tartályában használják. Nagyon egyszerű, van egy úszó, ami egy tengelyen el tud fordulni, van benne egy kis mágnes, és amikor vízbe kerül, akkor könnyebb lévén emelkedik az ütközőig, ahol felizgat egy Reed-relét, és kész. Teljesen el van szigetelve, tehát semmiféle fém nem lóg a vízbe, elektromos áram sem kerül a vízbe. Én vízforgatásra használtam egy terráriumban, ami úgy működött, hogy rákötöttem egy kis 12V-os szivattyúra, (Ford Focus ablakmosó szivattyúja...
), az feltöltött egy tartályt, amiből viszont kevesebb tudott kifolyni, mint amit a szívattyú belenyomott, tehát szakaszosan kellett üzemelnie, hogy ne csapjon ki a víz...
Egy megoldás az is, ha a tartály oldalára hagyományos átlátszó csöves (üveg, pvc cső ...) vízszintjelzőt teszel ebbe egy hungarocel golyót teszel, mely tetejére egy kis csapágygolyót. A vízszint változásával mozog a csapágygolyód is amely helyzetét egy vagy több közelítésérzékelővel figyelheteted (ez bármely elektroniai boltban észen beszerezhető).
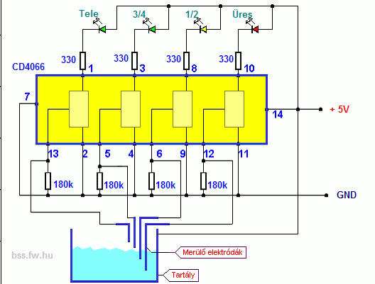
vagy egy egyszerű műveletierősítős megoldás mellékelve... Légy szíves, legközelebb jpg-ben tedd fel a képet, ne bmp-ben. Ez még kicsi kép volt, de a nagyobban sok tárhelyet esznek! Köszi! Moderator Idézet: „Még a laposelemből kihúzott szénrúd is elfogyott 1 hónap alatt.” Igen. A vizbontásból keletkező tiszta (ionos) oxigén igen agresszív agyag...:hamm: Idézet: „Csak váltakozóáramú táplálás jöhet szóba.” Az elektródok meghajtására. Nagyon egyszerűen és viszonlag olcsón lehet ÚSZÓKAPCSOLÓ-kkal ezt az szintérzékelést megoldani. Az inteligenciát meg rá lehet bizni relékre, vagy logikai kapukra, esetleg PIC-re is...
Avagy: hogyan lesz a Ford Focusból haltartály
Bocs, ezt nem bírtam kihagyni!
Ja igen! És ha ezt a vízszintjelzőt használom (mellékelve) akkor azok az elektrodák amik a tartályba mennek bármilyen vas, vagy fém rudak is lehetnek? És hogy tudnék olyat - erre a kapcsolásra - ami, ha majdnem tele a tartály, akkor hangjelzést adjon?
Thank you!!!!
akkor ezt nyugottan építhetem????működni fog?????
végén csupasz kéteres kábel, két tranyó darlington kapcsolásban, végére led.
ennyi és két éve üzemel Benzinszintjelzőnek tudtok valamit?
Megépíteni nyugodtan megépítheted, a működéssel nem lesz gond, viszont az elektródák fogyni fognak, mint a telihold. Az a baj, hogy egyenáramú a rendszer, s mint ilyen, az elektródákat szépen lassan el fogja bontani. De amíg ez be nem következik, addig jól fog működni.
Ami a másik kérdésedet illeti: A legegyszerűbb egy optocsatoló (a LED úgyis be van már terveve a körbe), vagy a LED helyén egy jelfogó beépítése, és egy különálló áramkörrel megoldott hangjelző szerintem. (Itt nem kell bonyás dologra gondolni, egy hálózati trafó meg egy csengő pl. jó lehet, de ezt Te tudod megmondani!)
Benzinszint-méréshez én A Jani #27277 hsz-ában említett kapcsit gondolom jónak!
sárga réz jó lessz az elektrodáknak???
és ez kb.meddig fog tökéletesen működni és ha kész az áramkör akkor mivel üzemeltessem gondolom valami táppal de milyennel tudsz valami ilyet küldeni?????
Köszi
Figyu! Én is csak végigolvastam, amit a többiek írtak. Nem én mondtam, hogy egyenárammal teliholdast játszanak az elektródák, de teljesen igazuk van azoknak, akik ezt írták. (Kémiaóra!) Olvasd el figyelmesen, miket írtak!
És ha nem így csinálnád meg hanem mondjuk csinálnál úszókapcsolókat amiket bizonyos távokra kikötsz a falhoz...én kinder tojásból csináltam úszó kapcsolót....nagyon jó kis dobozok azok
Kössz mindenkinek a segítséget!!!!!!!!!!!!!
Sziasztok!
Elektromos vízszintjelzőt szeretnék barkácsolni, hogy meg tudjam mérni a vízszintváltozást a kútban üzem közben. Ha kérhetném, legyetek szívesek úgy válaszolni, hogy egy teljesen laikus is megértse, mert az elektronikához nem értek semmit.
Ez az előző oldalon írt módszer előző oldalon is irtak .
MADARÁSZ LÁSZLÓ: "digitális cmos kapcsolásgyűjtemény"-ben van egy pár egyszerű
szolyadékszint és fagyjelző kapcsolás!
Én is szeretném a tapasztalataimat megosztani veletek, mert pár éve nekem is működik egy vízszintjelző. Azóta leéget róla egy motor, a másikat kétszer ellepte a víz, de a szintjelző még nem tévedett. Az is igaz, hogy a tartályra van szerelve, nem a kútra. A kútra is kellene szereljek valamilyen szintérzékelőt, mert 7-8 m a szintkülömbség, nem biztos, hogy a harmadik alámerülést is túléli a pompa motorja. A szintjelző egy WC úszó, érintkező, relé, a motor áramkörét nyitja-zárja. Nem elektronikus, ez bánt, mert én is csodálom az elektronikát. Most elbizonytalanítottatok, mert mi van, ha az az elektóda fogy el, amelyik a motort kapcsolja ki. A tartály a padláson van.
Szia!
Ha jó a konstrukció akkor az elektródák nem vagy csak nagyon kis mértékben fogynak... Tökéletes megoldás nincs. Az adott probléma megoldására a lehető leg jobbat kell választani... PL Az úszó-mágnes + reedrelé páros is elég jó és egyszerű! Akár szintjelzés is megvalósítható velük kellőszámú reedrelé alkalmazásával... Idézet: „... mi van, ha az az elektóda fogy el, amelyik a motort kapcsolja ki. A tartály a padláson van.” Egy jólméretezett túlfolyó kellő védelmet adhat a túltöltés ellen. Vagy egy másik értékelő alkalmazásával egy biztonsági szint is meghatározható, ahol a vezérlés és a motorok teljesen ki lesznek kapcsolva. Idézet: „A szintjelző egy WC úszó, érintkező, relé, a motor áramkörét nyitja-zárja.” Igen. :yes: Az egyszerűbb sokszor jobb. Gondolom a relét törpefeszültségről üzemelteted!?
Amióta olvastam a hozzászólásod, nem megy ki a fejemből a dolog. Rám hatványozottan érvényes Mörfi törvényei. A túlfolyó jó ötlet, ha az ember otthon van. Ha nincs otthon, a pompa a kútból kihúzza a z összes vizet és üresen, víz nélkül működik, míg tönkremegy. Egy változó vízszintű kútban, mint az enyém, bizony jól jön egy elektronikus szintjelző, ami a motor áramkörét megszakítja. A tartályra, szerintem az úszós megoldás is jó, ha a tartály felépítése megengedi. Egy jól megépített elektronikus szintérzékelő esetében (még nem próbáltam) ahol kb. egy 100 kohmos ellenálláson keresztül vezet a huzal az elektródhoz, ott az elektród fogyása (szerintem) a minimálistól is kevesebb. Amikor üzembe állítom az elektronikus szintérzékelőmet, azonnal megírom.
Sziasztok,
Szerintetek mennyire állná meg a helyét egy olyan vízszint érzékelő, mint alább részletezek. Vagy egyéb ötlet? -Kis tartályról lenne szó.(kb. 80x200x30mm)- Feladat: A tartályban a vízszint tartása. Azaz mágneskapcsoló szabályozása. Amit kitaláltam -fontos az olcsóság-, hogy egy nyák lapon párhuzamos vezető csíkok, (ónozottan, a vízkövesedés miatt), ami egy reed relét húz meg, ha víz összezárja... Ebből kettő, logikai kapcsolással... Szóval a kérdés arra irányul, hogy ez az érzékelő működhet így?
Nekem is van tartály a padláson, már néhány éve, ezért van bátorságom a véleményem megírásához. A tartály, amiről írtál kb. fél literes, arra elég, hogy az érzékelők beleférjenek, de a vízpompát rövid időn belül tönkre teszi. A tartályból, ha pár köbcenti viz fogy, a pompa teljes kapacitásával indul, és le is áll, és ismét indul, és leáll. Addig azt csinálja, amíg te a kezed mosod. Az energiaszámlád az egekbe emelkedik, mert a motor az indulásnál a normális fogyasztásának a többszörösét igényli. A reléd is a másodpercenkénti ki-be kapcsolástól leég.
Tanácsom: -legalább 3 liter után kapcsoljon be a pompa, és nem elébb; -úszót használj.
Szia! Két nagyon egyszerű ( és viszonylag olcsó, ) Folyadékszintjelzőt tudok ajánlani.Bővebben: Link ( A legjobb szerintem az 5.36 rajz. :yes: ) Kis módosításokkal szerintem nem csak jelzésre hanem relé vezérlére is alkalmassá tehetők...
LM1830 FluidDetector
FIGURE 2. Application Using External Reference Resistor. Még a 9-es láb és a massza közé 10mikros kondit tehetsz. Ez a nyerő! |
Bejelentkezés
Hirdetés |





), az feltöltött egy tartályt, amiből viszont kevesebb tudott kifolyni, mint amit a szívattyú belenyomott, tehát szakaszosan kellett üzemelnie, hogy ne csapjon ki a víz... 


