Fórum témák
» Több friss téma |
Fórum » Csöves erősítő készítése
Ne feledd betartani a fórum viselkedési szabályait, és a topik megmaradásának feltételeit. [link]
A téma átmenetileg fagyasztva lett, hozzászólni nem tudsz!
Na készítettem valami műhelyrajz szerűséget. Remélem jól csináltam, ha nem javítsatok
Szerintem hibátlan (bár én sosem használok 0,23-as-nál vékonyabb drótot, kölönféle okokból kifolyólag, pl. elszakítanám).
Megtekerhetem 0.23-assal?
Elég kezdő vagyok a trfótekerés terén ezért van ennyi kérdésem Amúgy örülök hogy tetszik
Én erre gondoltam. A középső az full tekercs az az egyik primer. A két szélső meg a másik. Ez jó?
És meik adja a jobb minőséget mert én itt most arra hajtok nagyon
De az én megoldásom is működőképes? Amúgy csinálhatom vad tekercseléssel vagy muszáj menet menet mellé És ha megyek huzalt venni 0,23-ból kb hány m-t vegyek?
Szerintem a tiéd nem jó mert ha megnézed pl. az A2 tekercsnek mindíg a vasmaghoz közeli rész esik tehát az A2 tekercs rövidebb huzalból lesz mint az A1-es tehát nem lesz egyforma az ellenállása. Én azt tanácsolom csináld ahogy rajzoltam. 0,2-es huzal már jó lesz hozzá. Számold ki hogy közepes tekercs átmérőnél milyen hosszú egy menet és azt szorozd be a menetszámmal így kb. megkapod mennyi huzal kell. Sajnos menet-menet mellé kell tekerni mert csak akkor fog elférni a csévén a huzal. Tudom ez időigényes de ha már kimenőt tekersz csináld jól.
Aha
mindent értek köszi a sok segítséget
Szerintem nem kell ennyire az egyenáramú ellenállásra kihegyezni a trafót, én korgs2 megoldását jobbnak tartom, de az összekötést igazából meghallgatással lehet eldönteni. A közepén is mindkét tekercset ki kell vezetni, akkor bármilyen variáció kipróbálható.
Én amúgy így kötném össze:
Ha mono lesz az erősítő, tekerheted vadtekercseléssel is (10 cm2 vason szerintem elfér). Ha sztereo erősítőt csinálsz, akármeddig tart is próbáld egyformára tekerni a két trafót (ez csak menet menet mellé tekeréssel fog sikerülni), mert kűlönben nem lesz jó a hangkép (és az roppant bosszantó tud lenni).
Legjobb, ha megszívod magad, és szépen menet menet mellé tekercselsz, nem fogod megbánni. :yes:
Mono gitárerősítő lesz belőle. Én is valahogy úgy gondoltm hogy minden kivezetést kivezetek külön forrpontra és majd próbálgatni fogom
Ha kész leszek majd megosztom veletek a tapsztalataimat. Amúgy már rászántam magam a menet menetmellé tekerésre mert ha már egyszer elkeztem szeretném a lehető legjobbra megcsinálni
Ha leírod a csövességbeni jártasságod,
és, hogy mennyit is szánnál rá, és, hogy esetleg milyen alkatrészek állnak a rendelkezésedre, és, hogy milyen minőségben szeretnél erősítőt építeni, zenekari, avagy HighEnd, Na és az sem mindegy, hogy mono, vagy sztereó. Akkor szívesen elkalauzolunk a neked megfelelőhöz...
Meg nem epitettem csoves erositot soha. De mar elolvastam az elektroncso.hu-n az osszes informaciot rolla. A megepitessel nem lesz gond mert a munkam is az hogy minden nap alaplapokat javitok
-alaktersz az all rendelkezesre amit megveszek. -minosegre azt gondoltam hogy ha csinalok valamit akkor legyen A-kat Highend-Es persze stereo. -Es raszanni ugy gondolkuodjukn a 30-50ezer forintos alkatresz koltsegben.
Hm. Milyen jó Neked,hogy ennyit rá tudsz szánni....
Hát, lássunk neki. Ezért azt még tisztázni kéne, mi a leginkább hallgatott műfaj, szükség van-e "kakaóra", stb... Pityuval a PP-t ajánlanánk, 6P45Sz-el (vagy GU50-el), feltéve, hogy popot hallgatsz, és azért az se baj, ha nem kell minduntalan a hangerő gombot LEFELÉ csavargatnod, mert az elsőre jónak tűnő hangerő a fortékon csúnya túlvezérlésben ér véget, ahogy a PCL, és társai, 1-2 W-os kis csodák esetében.
Akkor - szerintem - a 6P45Sz lenne talán a legjobb választás. Véleményem szerint igen jó hangú cső, és pentódaként, vagy UL-bn is lesz benne elég teljesítmény. (Középhangoknál akár a 80W is) Nem árt hozzá jó méretes hálózati táp, és kimenők. Rajzokat találsz itt, raktunk fel egypárat. Nem is régen foglalkoztunk is vele.
Köbzoli....,köszi a képeket.Látom,volt választék rendesen...
A következőre elvileg én is megyek....
éertem koszi.
neked nincs meg veletlen a kap rajz es leiras hozza? megmondom az igazat 524oladalt atnezni az a halalom lenne
Ja és még valami : szükség van soronkénti szigetelésra vagy csak a pr és a sec határára tegyek trafószgetelőt?
huha az tobb is volt mint amibol ki tudnam szurni a lenyeget. vegigneztem voltak erdekes kepek.
de pl: http://www.hobbielektronika.hu/forum/files/be/be7928dda2201246d3662...49.jpg o mit tud?
koszi akkor mosmar ezt is tudom.
Ha a megbeszelt kritiriumoknak megfelelo erositonek a kapcsolasi rajzat meg egy alkatresz listat tudsz nekem adni megkoszonom. es rengeteg sörel jonnek neked
A Zoli nem szereti a sört!
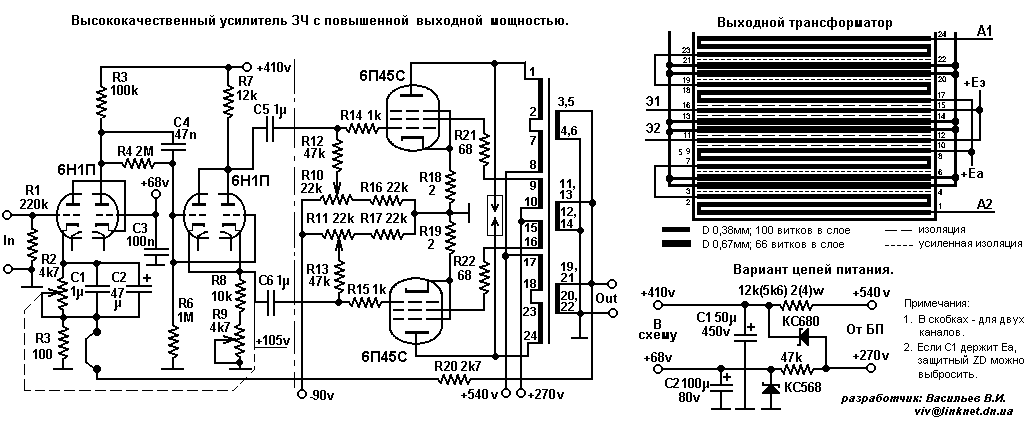
Itt egy jó kis rajz, amin minden látszik.Szerk. Természetesen lehetünk kreatívak, sok mindent másképp is lehet megoldani, gondolok itt a tápellátásra.
ok ertettem.
kilove ez a kapcs rajz teccik. epitette mar meg valaki itten? es milyen lett? es teljesitmeny?
Ehhez nagyon hasonlót építettem már. A 40W-os huzalellenállás megolvasztotta a műanyag tartót, amire raktam. Azóta is rajta van a ráolvadt műanyag.
Ez volt eddig a csúcs, amit hallottam.
A Zoli meg ezt a kapcsolást imádja
, és hallotta is. Nekem azért nem tetszik annyira, mert a hálózatija meg komplikáltabb.
ez jó kis cuccnak tünik! sok sikert hozzá!
Hali!
Van két régi /fekete/TUNGSRAM neon folytóm. 40W ír. Tudom ezt használni valahogy GU50SE-ben? Ha nem esetleg valami másban, mondjuk PP-ben vagy kis PCL-hez?
Zoli sajnos javítanom kell , ez nem füles erősítő .
Csöves RIAA .
huha
ha mar kettot csinaltal. mi a velemenyed rolla? hogy szol? milyen hangja van? milyen hangfalakat hajt meg? Es W-ban mennyi?
nézd át a köv. oldalt:
http://europa.spaceports.com/~fishbake/ot1/ot.htm Kisseb vaskeresztmetszettel van, de ha a te vasadra tekercselsz nagyobb lessz a mélyátvitel. |
Bejelentkezés
Hirdetés |



Elég kezdő vagyok a trfótekerés terén ezért van ennyi kérdésem

De az én megoldásom is működőképes? Amúgy csinálhatom vad tekercseléssel vagy muszáj menet menet mellé 
Highend

