Fórum témák

» Több friss téma
Fórum » Védőföldelés kialakítása - problémák

A védőföldelés a Te és embertársaid életét védi! Gondold meg mit teszel!

Lapozás: OK   5 / 28
(#) kissadam hozzászólása Szept 20, 2008 /
 
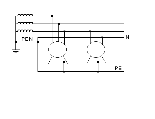
A közös nulla és a védővezető TN renszerű érintésvédelemmel ellátott berendezéseknél fordul elő, ez a PEN vezető.
PE-földelés(védő vezető)
N-nulla
Ha a PEN vezető el lett választva védőföld és nulla vezetőkké, akkor azt már nem szabad többé közösíteni! 2,5 mm2 vagy annál kisebb keresztmetszetű vezető esetében mindenféleképp szét kell választani!
A TN rendszernek vannak egyéb szabványban leírt feltételei is, ennek mindenki nézzen utánna!

A tekercsek a transzformátor szekunder tekercsei, földelt csillagponttal.
(#) KTobi válasza oldman hozzászólására (») Szept 20, 2008 /
 
"Felújításnál, javításnál találtam 2x0,5 (postásszürke) telefonvezetéket, és 240 Ωos TV szalagkábelt is simán a falba gipszelve sodrott kötésekkel és sok egyebet amin áramot vezettek és mindíg arra hivatkoztak hogy ez 100 évig jó volt. Szerencséjükre!"

Apám egy helyen látta, amint a fűnyírót az régi lapos antennakábelről táplálják. Ez egyáltalán nem arra van előlátva, szigetelése ~0, nem is ekkora fezsültségre van kitalálva. Ennél már tényleg csak az a rosszabb, amit az előbb írtam, és ez nem túl régi házaknál van, hogy a sárga-zöld vezetékben húzzák a fázist. És azért, mert így volt szabályos (életveszélyes, de akik a szabályokat írják, nem mindig értenek hozzá)
(#) csiperke válasza djusee hozzászólására (») Szept 20, 2008 /
 
A helyi ,úgynevezett szúróföld csak a betonkeverőknél lehetséges illetve kötelező, a PE -védővezető megléte mellett. A fél méteres fémpálca sohasem viszi a földelőellenállást 4ohm alá illetve közelébe.
(#) csiperke válasza csiperke hozzászólására (») Szept 20, 2008 /
 
De egyébként láttam már acélpáncélcső (bergman cső)külsejére kötve nullát és a belső papírjában kopasz dróton elvitt fázist !!!
(#) Lacivill válasza csiperke hozzászólására (») Szept 21, 2008 /
 
Az nem semmi, és a toldókarmantyúknál, mit csinált a Mekk Elek, hogy folytonos legyen a nulla?
(#) Feri válasza proli007 hozzászólására (») Szept 21, 2008 /
 
Egy korszerűen kiépített érintésvédelemnek nem a legfőbb eleme a földelés, hanem a nullázás. Ezért is nevezik ezeket nullázott (nullázással egyesített földeléses renszer)-nek. Ugyanis egy mai építésű családi háznál nem ritka a 25A-os főbiztosíték "kismegszakító"
25A-nál a földelési ellenállás 2ohm alatt kell hogy legyen,(R=U/I 50V/25A=2ohm) ezt az értéket már nagyon költséges módszerrel lehet előállítani. a jól kivitelezett nullázott hálózat ellenállása 1-2 tized ohm. A nullázott rendszernek három fajtája van.
1; TN-S itt a nulla és a PE vezeték a hálózat teljes hosszában szét van választva. (ezt alkalmazzuk a családi házaknál)
2; TN-C itt a nulla és a PE vezeték a hálózat teljes hosszában azonos. (ezt az elosztói hálózatoknál alkalmazzák)
3; TN-C-S itt a hálózat egy részében közös a nulla és a PE ( de ha egyszer szétválasztottuk újra egyesíteni szigorúan tilos).
Természetesen egy szakszerűen kialakított földelésre minden esetben szükséges van, még akkor is ha a mai követelményeknek nem tud teljes mértékben megfelelni. A földelés csak egy esetleges nullaszakadás esetén lép müködésbe. Ezért szorgalmazzuk a FI relék beépítését, mert azok egy "gyengébb" minőségű földelés érték esetén is megfelelő védelmet nyújtanak a testzárlatos készülékek védelmére.
(#) elektrorudi hozzászólása Szept 21, 2008 /
 
Január-től változik a szabvány. A tervezésnél nagyobb szabadságot ad, de a Fi relézést kötelezővé teszi olyan helyeken is, ahol eddig nem kellett. Mi a családi házak esetében a következőket tesszük :
- a lakásban csoport Fi reléket alkalmazunk. Külön vesszük a kapcsolt és a 24h áramköröket, ezen belül a világítási és dugalj áramköröket. Ez eddig minimum 4db csoport Fi relét jelent. Nagyobb teljesítmény esetén, vagy külön kérésre, ezen felül bizonyos áramkörökből külön csoportot képezünk, vagy saját Fi relét kap (pl. PC).
- mindig külön Fi relét kap a kazán és a hűtőszekrény 1-1 db.
- a gépészeti áramköröket nem Fi relézzük (szauna, úszómedence, gőzkabin, garázskapu, riasztó, vészvilágítás, stb.). Ezek már gyárilag Fi relézett vezérléssel, vagy megfelelő leválasztással érkeznek, ezért nem kell nekünk gondoskodni róla.
Szintén nem Fi relézzük a talajjal közvetlenül érintkező berendezéseket : járdafűtés, csatorna fűtés, vízátemelő gépészet).
Minden munkát ÉV jegyzőkönyvvel adunk át!
Régi lakások "feljavítása" (amit nem mi szereltünk korábban) a következő képen történik :
- az összes vezeték kihúz, új vezeték behúz.
Ha az újat nem sikerül behúzni a régi csőbe, akkor marad a vésés.
Ha csak a gyanúja is felmerül, hogy a nagyon régi csövezés (fémköpenyes) megsértheti az új vezetéket behúzás közben, akkor automatikusan csőcsere...
(#) Feri007 válasza Feri hozzászólására (») Szept 21, 2008 /
 
Annyit még hozzátennék, hogy a FI-relé a közvetlen fázisérintéses áramütés estén is nyújt egy bizonyos, és elég jelentős védelmet. (Gyerek szeggel játszik a konnektorban, amatőr matat a szigeteletlen, hálózati feszültségen lévő drótok között.)
Érdekes módon, ez NEM témája az érintésvédelemnek,
ugyanis az az üzemszerüen feszültség alatt NEM lévő fémrészek védelmével foglalkozik. Tehát bár a FI-relé önálló érintésvédelemre nem is alkalmazható, potenciális áramütések jelentős részénél az életedet, családtagjaid életét mentheti meg. Sem a nullázás, sem a védőföldelés nem véd ilyen esetben.

Sokszor érzem azt, hogy érintésvédelem fontossága túl van hangsúlyozva. Ezalatt azt értem, hogy a készülékgyártó ill. a villamos tervező-kivitelező a saját felelősségét a megfelelő érintésvédelemmel jól lefeldi. (Ez nem baj, persze.) Ám az áramütések jelentős része felelőtlenségből, hülyeségből, tudatlanségból fakad. Amiért csak TE magad lehetsz felelős. A FI-relé megvédHET saját hülyeséged következményétől. Ezért is, amikor egy lakásba beköltözünk, legyen az első egy FI relé beszerzése, felszerelése.
(Jut eszembe, a garázsunkban nincs, pedig ott is szoktam bütykölni.... )
(#) KTobi válasza Feri007 hozzászólására (») Szept 21, 2008 /
 
Felénk az van, hogy a főbiztosíték után tesznek be egy FIrelét, így az minden berendezést magába foglal. Nem tudom, hogy van Magyarországon, de én még úgy tanultam, hogy ipari berendezéseket (motorok) nem védünk autómata biztosítóval, hanem csak és kizárólag olvadó biztosítóval, mert az autómata képes beragadni, még az olvadó kiolvad és szidod a szenteket, de nem égett le a motorod (ami úgye nem olcsó dolog). Bár horvátban láttam, hogy csak az autómata biztosítékokat rakják a házakba, és nem is lehet hozzáférni a főbiztosítékhoz, mérőórához, hanem csak a lakásodban levő már szétágazó biztosítókhoz. Állítólag volt olyan, aki az olvadó biztosító aljába kézzel belenyúlt. Itt a baj, ma már nem kell megtanulni, hogy kell biztosító betétet cserélni, mivel autómata van, és csak vissza kell kapcsolni, de bármi apró baj van, rögtön szakszervíz.

Ezt csak azért említem, mivel ha valakinek csak autómata biztosítók vannak a házba, akkor az nem árt, ha beiktat egy olvadót a hosszabítójában, ami rakja a készülékeket, ami javít, és feszültség alatt mér. Mivel csak egyszer ragadjon be az autómata, Te megégtél. Ugyanígy a FIrelét is kellene tesztelni havonta ha jól emlékszem, mert ám az is képes tönkremenni, beragadni.
(#) Feri válasza KTobi hozzászólására (») Szept 21, 2008 /
 
E jól kialakított "szelektív" védelemmel mindent meg lehet oldani. A kismegszakítók rendelkeznek külön zárlat és külön túlterhelés védelemmel. Ezért ezek nagyobb és precízebb védelem kialakítását teszik lehetővé mint az olvadóbetétek. Persze csak akkor, ha az adott helyen a megfelelőt építik be. Léteznek már 10kA feletti típusok is, amelyek jelentős zárlati áramokat képesek megszakítani és nem égnek be. Egy a lényeg a megfelelő helyre az oda megfelelő védelmet kell beépíteni.
(#) djusee válasza csiperke hozzászólására (») Szept 21, 2008 /
 
Idézet:
„A helyi ,úgynevezett szúróföld csak a betonkeverőknél lehetséges illetve kötelező, a PE -védővezető megléte mellett. A fél méteres fémpálca sohasem viszi a földelőellenállást 4ohm alá illetve közelébe.”

Én ezt értem, és igaz is amit irtál,de nem is azt irtam hogy az ugy szabványos ahogy a mamámnál volt,de még az is jobb mint a semmi,szerintem.Egyébként itt vajdaságban nem tudom hogy pont mik a szabályok ezen a téren.
(#) csiperke válasza Lacivill hozzászólására (») Szept 21, 2008 /
 
Nem tudom mit tett vele ,lehet hogy bandázsolta kívülről
(#) csiperke válasza djusee hozzászólására (») Szept 21, 2008 /
 
Náunk a földelőszondák 2 és 3 méteres hosszban kaphatóak ,és 8-10 mm-es bajuszuk van.
(#) 20sz Jófiú válasza figura hozzászólására (») Szept 21, 2008 /
 
Helló!

Huzalozd át a szobában a konnektorokat külön kábelcsatornában! Kábelcsatornából több méret is létezik, válassz olyat amelyikben elfér a három vezeték ami fogyasztástól (melegedés) függően lehet ketősszigetelésű is. (Elektronikai laborokban láttam már olyat, hogy a falon körben a padlótól kb. 40cm-re pirosra festett laposvas képezett valamilyen földelőhálózatot, csak azt nem értem, hogyha hiba folytán nincs leföldelve akár fázis is lehet benne. Szerintetek?).

Pisti
(#) Feri válasza 20sz Jófiú hozzászólására (») Szept 21, 2008 /
 
A pirosra laposvas az nem Pe vezettő, hanem EPH az egy teljesen más tészta.
(#) Imi65 válasza 20sz Jófiú hozzászólására (») Szept 21, 2008 /
 
Ezek nem magánházba való földelési rendszerek. Erőművekben, transzformátorállomásokban földelőhálót alkalmaznak ( a szabadtéren is), hogy a terület minden pontját azonos potenciálra hozzák. Az épületeken belül az általad említett földelőhálózat van kiépítve, amely számos helyen összeköttetésben áll a földelőhálóval. Ezek több kA zárlati áram levezetésére is alkalmasak, leszakadásuk kizárt.
(#) 20sz Jófiú válasza Imi65 hozzászólására (») Szept 21, 2008 /
 
Mostmár világos!

Köszönöm a választ!
(#) Feri válasza 20sz Jófiú hozzászólására (») Szept 22, 2008 /
 
Az EPH rendszer nem tévesztendő össze az érintésvédelmi vetékkel.
Az PE érintésvédelmi vezetékek, villamos készülékek üzemszerüen feszültség alatt nem álló részeinek védelmére szolgál.
Ezt szigetelten az áramköri vezetőkkel megegyezően kell szerelni.
Az EPH vezeték "nagykiterjedésű" fémtárgyak közös potenciálon tartására szolgáll.
Ezt lehet szabadon, de jól azonosítva szerelni.
Ez egy leegyszerűsített fogalmazás.
(#) elektrocad válasza Imi65 hozzászólására (») Szept 22, 2008 /
 
Ferinek és Imi65nek higgyetek.
(#) bandras válasza gulyi88 hozzászólására (») Szept 23, 2008 /
 
Használj behúzóspirált. Amíg megy, tolod, utána akkusfúróval forgatod (meg kell figyelni a külső szálak tekerési irányát, mert lehet jobbos is meg balos is). Nekem eddig mindenhová bement.
(#) jbagyi hozzászólása Okt 5, 2008 /
 
Detektoros rádiómhoz használhatom e a konnektor védőföldelését? Ha nem mit csináljak az I. emeleten?
(#) AMD válasza jbagyi hozzászólására (») Okt 5, 2008 /
 
Igen, használhatod.
(#) patexati válasza jbagyi hozzászólására (») Okt 5, 2008 /
 
Nem lesz jó mert tele van zavarjellel!
(#) AMD válasza patexati hozzászólására (») Okt 5, 2008 /
 
Akkor mit csináljon az I. emeleten?
(#) patexati válasza AMD hozzászólására (») Okt 5, 2008 /
 
Villámhárító??
(#) AMD válasza patexati hozzászólására (») Okt 5, 2008 /
 
Jó ötlet. Vihar elött érdemes leválasztani róla a rádiót külömben:
(#) patexati válasza AMD hozzászólására (») Okt 5, 2008 /
 
Ja
(#) gg630504 válasza jbagyi hozzászólására (») Okt 5, 2008 /
 
Csinálj dipólantennát, annak nem kell földelés.
Illetve keress az antennával ellentétes irányban távfűtést, vízvezetéket, lépcsőkorlátot.
(#) csiperke válasza gg630504 hozzászólására (») Okt 6, 2008 /
 
Dipólantennát detektoros rádióhoz ?
Értesz te valamit hozzá?
Nekem az első detektoros egy vékony rézdrótról ment amit a negyedik emeletről kidobtam a nyárfára és a földelés a radiátor volt.
Szépen szólt !
(#) figura válasza zoly15 hozzászólására (») Nov 4, 2008 /
 
Sziasztok........

köszönöm a segítséget, sajnos a régi szaki be lehetett állva amikor a csöveket rakta, mert olyan derékszögeket rakott bele hogy pitagorasz megirigyelte volna!!!

Így maradt a döntés hogy ujrahúzzuk az egész házat.....

pénzbe került de asszem' az értéke is nőtt így valamelyest, meg a kisgyerekek miatt a biztonságérzet is Hatalmasat!!!!!

azért köszi mindenkinek. látom ezen a fórumon jófej emberek, csapat dolgozik együtt!!!!

Amugy kátom kissé elkanyarodott a téma, de ettől szép a fórumozás.......
Következő: »»   5 / 28
Bejelentkezés

Belépés

Hirdetés
XDT.hu
Az oldalon sütiket használunk a helyes működéshez. Bővebb információt az adatvédelmi szabályzatban olvashatsz. Megértettem