Fórum témák
» Több friss téma |
Fórum » Kapcsolóüzemű feszültség szabályozó kismotorhoz
Témaindító: KeserűCukor, idő: Ápr 9, 2006
a két tekercs 120 fokkal van eltolva egymáshoz képest az alaplapon...
szóval szerintem teljességgel kizárt hogy azonos fázisban dolgozzanak... van valami másik megoldás a szabájzásra?
Szerintem meg nem kizárt mivel tudomásom szerint 6db mágnes gerjeszt. Na persze ezellen lehet a tekercskivezetéscserével védekezni,de egy szkópábra rögtön egyértelművé tenné a fázisviszonyokat. Yz-ken van hasonló megoldás ott is két tekercs dolgozik,egymástól 120 fokban eltolva de ott az egyik menetirány forditott. Mindenképp kapcsolóüzemű szabályzást kell alkalmazni a veszteségek kis értéken való tartása végett.
Üdv!
Szerintem A Simson tekercsei kicsik a 60 W-os halogénhez, meg még az akkut is tölteni. Főleg alapjáraton. De miért nem jó a gyári 35/35W-os halogén? Világít annyira, mint a régi 40/45-ös autókban lévő, sőt! És épp csak alapjáraton csökken kicsit a fénye, nem mint a régi 6V-os Simsonoké, persze ha jó rajta a gyári szabályzó. A másik tekercs meg az akksit tölti, arról megy az index, a duda. Azt hiszem a féklámpa direktben a tekercsről. Szerintem ne nyúlj hozzá. Nem fog annyit tölteni, lemerül az akksi.
Üdv...
A helyzet a következő ezzel a motorral.... ez egy 12 voltos, normál gyújtásos járgány... ebben egyedül a Gratez híd ami megvan (semmi szabályzó, elektronika, folytás, index villogtató) gyárilag asszem a világítás tekercs viszi a fényszórót (35W/35W) és a hátsó világítást (5W) a Töltő tekercs tölti az akkut, kiszolgálja az indexet (2x21W), és a féklámpát( 21W) A Problámák: Az Index Elektronika "elfüstölt, mert nem volt benne az akksi, ami szinten tartsa a Feszültséget(de jó bele egy mezei autós villogtató is...ezzel nincs is gond) A féklámpa hasonlóképpen jár minden alkalommal mert az is besokal! nem tudom kell e a töltőtekercs és az akku közé valami folytás vagy szabájzó, mert a kapcsolási rajz nem jelöl semmit! Az elsö fényszóró pedig alapjáraton egész jó, de egy 2KM-es út után meghal a tompított, majd a Refi is aztán jön a hátsó 5W-os fordulaton terhelés mellett cirka 17-18 volt kószál.... 1 hét alatt 3 garnitúrát cseréltem... ezt már nem kifizetődő! igazából nem feltétlenül ragaszkodnék a korábbi hozzászólásomban leírt 60/55W-hoz...beérném egy hosszú élettartamú 35/35-össel is! de ahhoz konstans feszültség kellene..... ebben a felállásban mi lenne a véleményed... a 2 tekercs el tudná látni ezt a feladatot? persze ha a fázisokat össze tudom hozni! köszi..
Hali!
Már többen is próbálkoztak akksiról hajtani a fényszórót a Simsonban, de nem sikerült senkinek sem. Legalábbis "hagyományos" gyújtással nem. VAPE gyújtással már talán 2000-2500 RPM-en is van 12V. Csak hát 40eFt-t kiadni egy ilyen rendszerért... Nekem is 60/55W-os H4 van a Simsonban, de én 2db, párhuzamosan kötött, testfüggetlen tekercsről működtetem, amik házilag lettek megtekerve 1mm átmérőjű rézhuzalból (mex: nem csináltam meg a világításhoz a szabályzót, amit még régen beszéltünk, mert közvetlen tekercsről hajtva az izzókat sem szalad meg a fesz, bár ha elöl kiég, akkor hátul is ki fog, de majd teszek ellene, ha ilyen bekövetkezik). Sajna nem állandó a fényerő, mivel alapjáraton csak 4-5V-ot kap, szóval ott csak éppen pislákol, viszont úgy 3000 RPM-től már nagyon jól lehet vele látni. Esetleg úgy lehet megoldani, hogy kisebb teljesítményű (35/35W HS1) izzót használsz, annak mégis kissebb az áramfelvétele, de tudná talán pótolni 2 tekercs. Szóval nehéz ügy ez a Simson vs. akkus világítás. De azért sok sikert! Ha sikerül valamit összehozni, kész vagyok a motor elektromos rendszerének átalakítására.
"2db, párhuzamosan kötött, testfüggetlen tekercsről működtetem, amik házilag lettek megtekerve 1mm átmérőjű rézhuzalból". Csak kérdezném:a tekercskivezetéseket hogyan közösitetted? Kezdet a kezdettel,vagy vég a másik kezdetével? Az első esetben a két tekercs azonos fázisú, a második esetben ellentkező. Hasznos infó lenne a világitástunningolók számára. Nem tudom milyen erősségű mágnesek vannak a forgórészben,lehet hogy ez korlátoz. Ahogy számolgattam alapesetben 0.07V/menet körüli feszültséggel lehet számolni alapjárat környéki fordulatnál,ez alapján kellene a tekercseket elkésziteni. Ami biztosan elég:280 menet,feltéve ha ráfér a magra. Ha kétutas lesz a töltés akkor elég 0.85,0.9 mm huzal is. Sok sikert!
Igen, ez tényleg kimaradt. Először úgy próbáltam, hogy kezdet a kezdettel, vég a véggel, de kioltották egymás hatását. Ezért az egyik kezdetét a másik végéhez, másik kezdetét az egyik végéhez kötöttem.
Arra is figyelni kellett, hogy melyik tekercsek helyére rakom ezt a kettőt, mivel úgy vannak elosztva a Simson alaplapján a tekercsek, hogy 2db van egy fázisban (ide rakram a házi tekercseket), a 3. pedig külön. (Azt már nem tudom, hogy gyárilag melyik tekercsek lehettek azonos fázisban a gyújtó-, töltő-, világítótekercsek közül.) Menetszám: Úgy voltam vele, hogy legyen tele a vasmag, aztán ha kell, akkor szabályozva lesz (de nem kellett). Nem tudom már a pontos menetszámot, de itt látható (azóta már tiszta a blokk ), hogy 23 menet van egy sorban, és talán 9 sor lehet rajta. Mind a 3 tekercs azonos, ebből, mint említettem 2 világít, 1 pedig tölt (CDI gyújtásom van, amit sajna még megszakító vezérel).Valószínűleg lehetne ettől erősebb is az elektromos rendszer, ha nagyobb keresztmetszetű tekercsek lennének benne, ill a lendkerékre is ráférne egy delejezés. Ekkor már biztosan kellene szabályozni. Illetve még azt is elfelejtettem reggel, hogy ha mindenképpen akksiról szeretne világítani nagyelek, akkor jobban tenné, ha 35W-os izzót használna (annak is van elég nagy fénye akksiról), és két tekerccsel tölene. Így még megmarad a gyújtótekercs is, és talán lesz annyi töltés, hogy pótolni tudja az alacsony fordulaton jelentkező veszteséget. Még annyit, hogy szerintem az 5Ah-s akksi kevés lesz. Lehet, hogy azt gyorsabb tölteni, de egy nagyobb kapacitásút mégse terhelné annyira a fényszóró. Ha ebben az utóbbi dologban tévednék, javítsatok ki!
az a legfőbb problámá a gyári rendszerrel, hogy a 35 W-os fényszóró kiég, a 45-ös meg olyan fényerőt biztosít mint egy mécses!
Hali!
Régeben már épitetem a forumból egy feszabályzót ami jól műkődőt de most egy Yamaha DT-hez kellene feszabálzó mert a korábi feszabályzó erre nem jó! A DT-nek a generátoráró 2 vezeték jőn fel +test! Nincsa valami rajzotok ilyen tipusu feszabályzóhoz? előre is kösz
Szasztok! van egy haveromnak egy vfr400 as hondálya. az vele a probléma hogy lámpa nélkül van 14-14,5voltos töltés amint kapcsolok lámpát leesik a fesz kb12,5 és 13 közé. 3fázisu csillagba kötött dinamólya van és terhelés nélkül kb 50 voltot mértem mind három fázis között terhelés alatt két fázis között 11voltot a harmadik meg mindketőhöz képest 8 voltot. ezeket kb 5000res fordulaton a tekercsek ellenálása kb 0,8 ohm mindegyik mindegyikhez képest. szerintetek ez feszszab vagy tekercs lehet? ja nem eredeti a fesszeb. És érdekelne valami kapcsrajz amivel ki tudom probálni hogy tekercs vagy feszszab a rossz de ien 3 fázisu feszszab kapcs rajzot nem találtam. előre is köszi a válaszokat!!!
Szevasz. Lehet tekercshibára is gyanakodni,de lehet szabályzóprobléma is,pláne,hogy nem eredeti. Első körben a három fázisra köss 1-1 24V-os21W-os izzót,majd alapjáratközeli fordulaton mérj feszültséget fázisok között. Ha az eltérés kicsi akkor valószinű rendben van a generátorrész. Egyes generátorokon viszont nem egyforma menetszámú a három fázis. Ennek szabályozástechnikai oka van,az egyik fázis álltalában 1 szegmenssel kevesebb. Például most tekertem egy Quadot itt is ez volt a helyzet:2x6 és 1x5 tekercs volt kialakitva. Az egy megmaradó szegmensre is tekercs került,de teljesen más célt szolgált. A szabályzót csak zárlatra,vagy szakadásra tudod ellenőrizni annak megbontása nélkül.
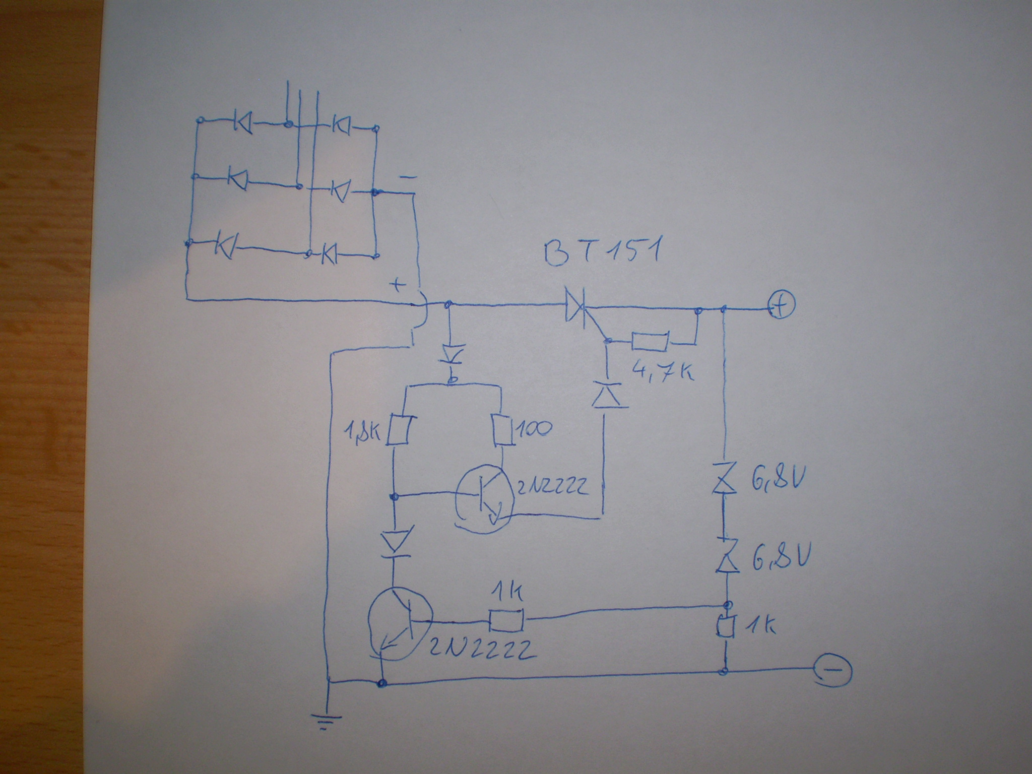
Köszönöm a gyors választ! holnap ki fogom ezt probálni. arra gondoltam hogy fogok eggy etz dióda hidat rá kötöm a 3 fázist és utánna berakok egy feszszabot arra gondoltam amiben a 2db 2n2222van meg a bt151 vagy megépítsem ezt: Bővebben: Link Szerinted meik jobb ötlet? vagy esetleg más kapcsrajz?
A linkelt rajz biztosan nem fog működni,hibás. A három fázis szabályzásához három tirisztor dukál alapesetben,a diódahid elé kötve.
Akkor ez Bővebben: Link ?
Erre irtam,hogy működésképtelen.
Gondolkodj,próbáld megérteni a működését,illetve amiért nem működhet,ne a kész rajzot várd rögtön.
Miután a linket javitottad,tekintsd az előző hsz-t semmisnek. A javitott rajz már működhet csak a vezérlést kell összehozni.
és ennek nem lehet valahogy zénrrel megoldani a fesz beálítást? vagy fázisonként megcsinálni az előző kapcsrajz vezérlő részét?
Az első rajznak pontosan a vezérlőrésze nem jó,de helyesen kialakitva akár alkalmas is lehet. Gondolkodj,és rajzold le. Ha nem jó segitek (segitünk). Értsd meg :a működés tisztázása nélkül nem kellene továbblépni (ugyanis alapismeretekről van szó).
Rajzold le...
Ezen a rajzon a tirisztor mint áteresztőelem szerepel. Üresjárásban,világitás nélkül a generátortekercsek 100V fölötti feszt is leadnak,villámgyorsan tönkretéve a tranzisztorokat. Ide más tipusú szabályzás kell,olyan amely semmilyen körülmények közt nem engedi a feszültséget a beállitott érték fölé. Ezt végzi az előző blokkvázlaton a három tirisztor (söntszabályzás). Ha valamelyik begyújt akkor az a fáziság testre kerül-legerjed. Na ezeknek a vezérléséhez kell applikálnod a rajzodat.
ú ez nekem meghaladja már a képeségeimet. azt értem hogy ha átlépi a zénerrel beálított feszt akkor le testeli a tekercset de hogy a zéner hogy vezérli a tirisztort ez magas ha jól tudom a zénernek a feszültségét átlépi fesz akkor megy rövidzárba ha ez így van akkor gondolom hogy a tiriisztor gate és anod ja közé kel tenni valami ellenálatok kiséretében. akkor mindhárom fázishoz kell külön tirisztor igaz?
ha nagy hülyeséget írtam ne röhögj. csak sima vill szerelő vagyok. jövőre akarok nekiállni a villamos mérnökinek szóval ezeket csak saját magamtol tanulom hobbibol, meg mert érdekel.
Semmikép nem nevetlek ki. A lényege az lett volna,hogy lépésről lépésre haladva alkalmazva az eddig az egész topicban többszöt leirt ismereteket te magad alkosd meg a kapcsolást. Majd legközelebb,de addigis küldök egy rajzot.
Sziasztok!
Látom régen nem járt itt senki, de hátha erre téved valaki aki segíthet nekem. Van egy kapcsolóüzemű dugasztápom ami 12V / 500mA es. Nomármost a kimeneti feszt le szeretném csökkenteni 3,7 - 4,2 V ra. Egy shuntregulátoros szabályzás van benne aminek a működését abszolút nem értem. Akármit állítok a szabályzón (referencia...stb) a fesz változik, de egy bizonyos értéket elérve lebegni kezd, azaz instabillá válik a kimeneti feszültség. Tudja valaki hogyan működik ez, vagy hogyan tudnám lejjebb könyörögni a kimeneti feszültséget? A szabályzó elem tipusa tipusa SE431 shunt regulator Előre is köszönöm
Szia !
Tegyél rá egy síma szeleptranzisztoros szabályozót !
Minek fűtene el egy csomót? Gondolom nem véletlenül alkalmazta a kapcsitápot.
Más. Ne az email címedet add meg, hanem inkább készíts kapcsrajzot. Az látványosabb és mellékesen spam védett is...
Sziasztok. A fórumot olvasgatva fellángolt
bennem a remény sugara, hogy meglesz a +oldás a barátom hatalmas problémájára. Adott egy honda xelvis 250-es motor. Az utángyártott fesszabályzó elszált, és ahogy lenni szokott a tirisztor típusok levannak súrolva . Minden elismerésem az ehhez értőké, de én a gépészmérnöki végzettségemmel nem megyek sokra a témában, ezért is kavarodtam erre a fórumra. A kérésem kitalálható... kellene egy 12V 3~ fesszabályzó kapcsolási rajza, ami kipróbált és működőképes . (móricka rajz is jó a hozzá tartozó értékekkel lehetőleg). Számomra a megépítés addna annyi kalandot, amivel én maximálisan megelégednék, persze a sikeren kívűl. Tudom, hogy ez így könnyű, de ez az elektronika nem az én "világom", :no: Minden tanácsot szívesen fogadok. Előre is köszönöm
heló
nagyon jó ez a bt151 es rajz! én olyan rajzot keresnek ahol a legkisebb hővé alakulás!tehát minél kisebb hőfelületel legyen megoldva! vagy ha 2db dt151 et kötnék párhuzamosan az müködő dolog lenne?vagy melyik megoldásal lene kisebb diszipáció? |
Bejelentkezés
Hirdetés |




), hogy 23 menet van egy sorban, és talán 9 sor lehet rajta. Mind a 3 tekercs azonos, ebből, mint említettem 2 világít, 1 pedig tölt (CDI gyújtásom van, amit sajna még megszakító vezérel).

bennem a remény sugara, hogy meglesz a +oldás a barátom hatalmas problémájára. Adott egy honda xelvis 250-es motor. Az utángyártott fesszabályzó elszált, és ahogy lenni szokott a tirisztor típusok levannak súrolva
. Minden elismerésem az ehhez értőké, de én a gépészmérnöki végzettségemmel nem megyek sokra a témában, ezért is kavarodtam erre a fórumra. A kérésem kitalálható... kellene egy 12V 3~ fesszabályzó kapcsolási rajza, ami kipróbált és működőképes





