Fórum témák
» Több friss téma |
Az ötlet lényegében a címből kiderül, de röviden :
a bringa első kerekagyban egy beépített dinamó van ( erről már bizton sokan hallottatok). Ennek a segítségével szeretném a telefonom tölteni, mert sokat túrázok és a telefonnal navigálok). Az agydinamó 6V-ot és 3W teljesítményt nyújt a gyártó szerint, de ez függ a sebességtől is ( gondolom én ez valami átlag féleség). A Telónak 4.9 V és 450mA bemeneti értékek kellenek, amit tudtommal nem stabilan, de kb hasonló értékekkel teljesít a dinamó. A kérdés h miképp lehetne megoldani h tölteni tudjam így a telefonom, úgy h az a telónak is tetszen.
Szia!
Az ötlet jó, de minek a dióda? Ha egyenirányítás a cél, akkor szerintem szükségtelen, mert a hagyományos (kommutátoros) dinamó egyenáramot állít elő, vagy ez más fajta generátor lenne? Üdv.
Csak ezzel az a gond, hogy a 7805-ösnek minimum 3V-os feszültségtöbblet kell. :yes: Szóval így simán 6V-ról nem fog menni. Egy zénerrel és egy tranzisztorral viszont meg lehet csinálni.
Üdv Urakok !
Megmértem egy ilyen agydinamót, terheletlenül, kb 1 ford/sec esetén ~12V mérhető. DE ~ 100-150 mA terhelés mellet már beáll a feszültség 6-6,2 V ra és fordulattól föggetlenül közel stabilan tartja. rövidzárási árama ( pancserkodtam ) több mint 5 A !! ( akkora bizti volt a műszerben)A frekvenciát nem tudom meghatározni, de váltakozó delejt termel ...
Sejtettem, hogy nem egyenáramú dinamó, hanem váltóáramú generátor. Agygenerátor
Valami ilyesmi lesz jó: regn.gif
Huhh...
Először is köszönöm nektek a gyors reagálást. Amit köbzoli írt azt értettem is és meg is tudtam volna valósítani , így hát persze hogy így nem jó Ez az utóbbi kapcsolási rajz amit gg630504 linkelt, meg már meghaladja a képességeim. Esetleg valami egyszerűbb megoldást vagy ennek kicsit bővebb kifejtését kérhetném? Mivel még nincs meg az agydinamó így aksis megoldás is szóba jöhet, vagy a kettő kombinálása. Dinamóról köztes aksi és arról a teló. Üdv
Bocsi, amikor előző hsz-t írtam még nem láttam a tied.
Szia!
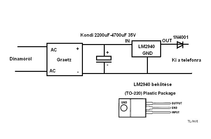
Olvasgattam amiket írtak. Szerintem egyenirányítsd a dinamót és adj neki elég nagy kondot is (2200µF-4700uF) ez azért kell ha menetközben csökkenne a fordulatszám (vvel a fesz is) akkor még tudjon egy kis ideig tölteni és ne hullámozzon anyira! A7805 helyett én inkább LM2940-et használnék (ez 1V os feszkülömbséggel is üzemel) A dióda pedig szerintem azért kell hogy ha megáll a töltés ne tudja leszívni az akkut de nem hiszem hogy a telefon kiadná bagából :yes: üdv!
Na akkor valami egyszerűbb:
1. feszültségkétszerző. feszketszerez.JPG Ha jól saccolom, 16 volt egyenáram is lehet a kimenetén. A terhelhetőségére nincs tippem. C1, C2-nek 1000 mikrofarad 50 volt-ost tennék be. 2. utána 7805 vagy hasonló stabilizátor. Megjegyzem, az agygenerátor földje nem azonos a fogyasztó negatív pólusával.
Csináltam neked egy rajzot :yes:
Szia!
Akkor köszönöm a kisegítést de attól hogy a kondit túlméreteztem szerintem a többi jó! Akkor 1000µF elég is lenne nem?
Kinek hogyan tetszik
Nekem a graetz tetszett
Csak a "gazdinak" is tetsszen
Köszönöm mindenkinek a segítséget.
Jövőhéten belefogok a megépítésébe, és megírom tapasztalataimat. Végül azért adtam köbzolinak a pontot mert elsőként írt olyan megoldást, amit más is hasonlóan járható útnak tartott (apróbb változtatásokkal). Nem csalódtam a csapatban!
Egy ilyen litium aksinak nemárt a szaggatott töltés?
Mert gondolom nemfog állandóan akkora sebességgel tekerni hogy az aksi töltődjön folyamatosan töltődjön.
Szerintem Gratezzel jobb, mert akkor mind a két huplit kihasználja. Az 1 utas egyenirányítás az pocsékolás. Söt... én kapásból germánium diódákból építenék gratez hidat, így minden csepp naftát ki lehet használni.
Idézet: „Söt... én kapásból germánium diódákból építenék gratez hidat, így minden csepp naftát ki lehet használni.” Schottky diódát egyszerűbb szerezni
Üdv mindenkinek. Talán még hatásos lesz az írásom, így pár hónap távlatából. Az agydinamó nem is dinamó, hanem váltakozóáramú generátor, hagyományosan a dinamó igazándiból egyenáramú generátor. Szóval a dióda az egyenirányításhoz kell. Yoe
Sziasztok Balázs vagyok.
Olyan kérdésem lene:van a biciklimen 3 db ledes lámpa amit öszekötöttem hogy egyszere lehesen bekapcsolni őket. tehát összesen 6 db ceruza elem (most még) mert akarok venni újratölthető elemeket bele. Dinamoval menyire lehetne lasítani és hogyan a lemerülést előre is köszi mindenkinek. Még kezdő vagyok sajna ,minden tanács jőhet köszi
Lehet, hogy teljesen meg is lehetne akadályozni a lemerülést. A dinamók kb. 6V 0,5A-t tudnak. Ez már elég szép teljesítmény ledek meghajtásához, szerintem fedezi a lámpák össz áramfelvételét. De a legjobb lenne lemérni a ledek áramát, az alapján többet lehet mondani.
Köszi hogy Írtál. és tudnál hozzá kapcsolási rajzott hogy hogy kéne az elemekre kötni a dinamot hogy ne legyen az egészből 1 nagy puff .
köszönöm még egyszer.
Sziasztok!
Az alap ötlet az volt, hogy megálláskor az agydinamóval szerelt bicikli hátsó lámpája még egy rövid ideig világítson (pl.: ha piros lámpánál, vagy sorompónál állunk meg). Ehhez a mellékelt kapcsolást készítettem el, amiben c3 nagy kapacitású kondenzátort használtam fel c3 = 5,5V 1F a dinamó (AC) kapocs feszültsége úgy hogy közben az első izzó működik 9V (ac). A gondom az, hogy túl sokáig tart a kondenzátort olyan mértékig töltenem, hogy az még kb 20mp-ig működtesse a 2x sorba, majd ||-osan kapcsolt ledeket. Azt gondolom, hogy mivel menet közben a ledeken esik valamennyi feszültség így a kondi sosem tölt fel 5V-ra. A kérdésem pedig az lenne, hogy feltételezve, hogy a ledeken 2,5V (a led nyitó feszültsége) esik, megemelhetem-e a 7805-ös stab ic talppontját mondjuk egy kis értékű (1-2V os ) zenerrel? Természetesen előfordulhat, hogy sok mindent nem úgy látok, ahogy kellene, és az is, hogy valamit nem vettem számításba, ezért minden építő kritikát, véleményt és segítséget nagy köszönettel fogadok. Üdv, B.Cs
Hogy egy kondenzátor (az nem akkumlátor!) mikorra töltődik fel, azt a generátor belső ellenállása, (ami elég kicsi) és a kondenzátor kapacitása által alkotott RC tag időállandója határozza meg. Mivel a generátornak a diódahíddal együtt is kicsi az ellenállása, a kondenzátor feltöltődése igen hamar meg fog történni. A kisütésnél pedig a terhelés által alkotott időállandó alatt fog kisülni. A stab áramkörnek ilyen formában semmi értelme sincs, csak ha áramgenerátort építenél belőle, de az is prímán helyettesíthető egy, max két ellenállással.
Köszönöm a választ!
E szerint, te hogyan alakítanád át a kapcsolást. A fesz szabályzó azért került bele, mert az egyenirányított feszültség gyakran elérte a 12-15 volt-ot is. Gondolom az ellenállást úgy kellene megválasztanom, hogy azon megfelelő feszültség essen ezekben az esetekben is... Megkérhetnélek, hogy egy kicsi skiccel kisegíts? Előre is köszönöm...
Ollózd be valamelyik 7805 adatlapjáról az áramgenerátoros megoldást úgy, hogy az áram a két két sorbakötött LED összes árama legyen.
Közben ezt az oldalt találtam:
http://wiki.ham.hu/index.php/%C3%81ramgener%C3%A1tor Ezzel R szemléletesen számítható... (ha jól gondolom)
Feltételezve, hogy a ledek 30 mA-t vesznek fel áganként (ezt már csak holnap tudom megmérni pontosan), azaz összesen 60 mA-t így a megadott képlettel számolva:
I=(Uref/R)+Iadj, ahol I=60mA, Uref=5V, R=? és az adatlapból Iadj=50uA, az ellánállás értékére R=83 ohm adódik. Ennek megfelelően átterveztem a kapcsolást áramgenerátoros elgondolás szerint. Pucuka, azt szeretném kérni, hogy esetleg ellenőriznéd a számítást, és a mellékelt kapcsolást? Köszönöm a segítséget...
Bocs, hogy beleszólok, de a mellékelt kapcsolásban több hibát is találtam. Az első és legfontosabb, hogy a graetz rosszul van bekötve. 1.) A dinamót az egyenáramú kimenetre kötötted, ezért a diódák az egyik félperiódusban rövidre zárják a dinamót, a másikban nem vezetnek. Ez az állapot csak addig áll fenn, amíg a diódák zárlatosak nem lesznek. 2.) Fentiekből következik, hogy az áramkör további része a graetz váltóáramú oldaláról nem szolgáltat feszültséget, ezért tök mindegy, hogy mit kötsz utána. 3.) Ha a graetz jól volna bekötve, az áramkör működhet, de sem LED-eket (sem a diódákat) nem ajánlatos egymással párhuzamosan kapcsolni. Ha a bemeneti feszültség a 4 db-hoz elég, akkor kapcsold őket sorba. Ha nem elég, akkor használj 2 db nagyobb teljesítményű, (nagyobb áramú) LED-et. Ha mindenképpen 4 db kell, akkor ellenállásokkal oszd meg az áramot a két ág között.
Üdv!
Topik címénél maradva: A mobil töltéséhez bizonyos feszültség és ahhoz tartozó áram is szükséges tudtommal, tehát a töltés akkor valósulhat meg, ha a feszültség és az áram is adott, amihez vagy egy bizonyos sebesség tartozik vagy egy energiatároló van beiktatva az áramkörbe. Mivel dinamóról van szó a feszültségértéke erősen változó ezért egyenirányítva önmagában semmiképp nem jó, egy áramgenerátor sem jó megoldás szerintem, mert a feszültségszint túl magas lehet ilyenkor a telefonnak. Továbbá ellene figyelni a stabilizátor illetve félvezetők védelmére is a túlfeszültséggel szemben. Én azt javasolnám, hogy, ha a dinamó képes például középfordulaton (nappal világítás használata nélkül) 12V egyenáram szolgáltatására, akkor egy 12V-os akkumulátort kellene tölteni áramkorlátozó ellenálláson keresztül és a töltőelektronikát ezzel táplálni, így kiküszöbölhető a túlfeszültség ingadozása és egyéb célra is alkalmas lehet az akkumulátor, akár a világítás is mehet róla 5V-ról. (Az én kerékpáromon így volt megoldva igaz nem telefontöltésre, hanem világítás, futófény, kürt és riasztási célokra.) Üdv: Frici
Ahogy papu41 írta, a diódahidat fordítva rajzoltad. a dinamóról jövő vezetékeket a diódahíd anód - katód közös pontjaira kell kötni, a közös katód lesz a pozítív, közös anód a negatív. De. Ne felejtsd el, hogy a dinamó egyik ága a test, az alváz. Mivel olyan nagy áram fogyasztás nincs, elegendő lehet egy egyutas egyenirányítás is, (hamár úgyis diódákból rakod össze), viszont nem ártana egy puffer kondenzátor is, legalább 25 V -os. És akkor elég egy vezetéket húzni.
Egy normál LED max árama 20 mA -nél nemigen szokott több lenni, és nem is szükséges a max áramot átkergetni rajta, attól nem nagyon lesz fényesebb. De nézd meg a felhasznált LED -ek (de legalább hasonlók) adatlapját. A két párhuzamos ág áramát ellenállással lehet, kell megosztani, nem kell túl nagy érték, mert amúgy is konstans áram jön. A számítás meg ott az adatlapon, csak ki tudod számolni. |
Bejelentkezés
Hirdetés |




) több mint 5 A !! ( akkora bizti volt a műszerben)






