Fórum témák
» Több friss téma |
Fórum » Csöves erősítő készítése
Ne feledd betartani a fórum viselkedési szabályait, és a topik megmaradásának feltételeit. [link]
A téma átmenetileg fagyasztva lett, hozzászólni nem tudsz!
Én 300mA-t számoltam az ECC-nek.Akkor ez esetben 1,1A-t kéne bírnia,vagy veszek a lomexben egy 200ft-os 6v-os trafót,és arra mehet a...
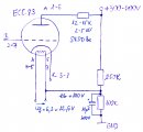
Na ez egy igazán egyszerű kapcsolás, rajz és a működő modell. Orion TV kimenőhöz okoztam, a hangja messze jobb, mint PCL 86-al. Igazi higgadt triódás hangja van (tetróda létére). 1,5 W-ot tud, rendes mélyekkel (a csipet trafó ellenére).
Hali
Találtam itthon pár csövet többek között PCL 85, PCL 86 és még PL504 még van egy pár de azokból nem nagyon lehet erősítőt építeni nah mindegy. Azt szeretné kérdezni h PCL 85-86ból valamelyikből lehetne valami kis csöves erősítőt építeni? Kiszeretném próbálni hogy milyen is. Sorkimenőt azt tekernem kell? Mert a tv-ből ahonnan bontottam ott volt sorkimenő hozzá azt használhatom? Csak szerintem az nem légrésesen van lemezelve de majd holnap előtúrom azt is.
Amúgy azt elfelejtettem mondani hogy életembe nem építettem még csöves erősítőt.
Nah megyek visszalapozok.
Bővebben: Link Már megtaláltam, de ehhez milyen sorkimenő kell?
Jaaah igen... hihi ×D Nah de ott is volt valami kimenő a hangszóróhoz és az nekem meg van. Ha azt megkeresem átalakítom nem lenne jó? 1800-2000 picit soknak tűnik hátha azon körübelül ennyi van.
Szia!
Ezt a sorkimenőt felejtsd el, mertaz a TV soreltérítéséért felelős, egyben a képcső anódfeszkóját szolgáltatja, amiről beszélsz az egy ferritmagos , 15625Hz-en működő kapcsüzemű trafó... Ami viszont jó neked, az a "képkimenő" trafó a képeltérítés, azaz a függőleges eltérítés, ez 50Hz-es, erre lemezelt vasmagú kimenőtrafókat alakalmaztak a csöves Tv-kben, és általában a PCL85 hajtotta őket egy inkább cápafog, mint fűrész jellel... Ez a trafó alsó határfrekvenciailag innentől kezdve minimum 50Hz-es, a felső pedig csak a kivitelén múlik /osztott tekercselés...stb/. A PL504 pedig az általad emlegetett soreltérítésért volt felelős 15625hz-en kapcsolóüzemben. Az legalább biztos, hogy ez a cső tudja a 15KHz-es sávszélességet...
Nekem meg már szólt az új erősítőm, mikor menetzárlatos lett a hálózati trafóm
Én sem tudom
Talán selejt drót ....
Nem abból volt! zsír új drótokat használtam. A primer már adott volt, én xsak a secundereket tekertem, soronként szigeteltem ,és lakkoztam sellakkal. Nitrolakk állítólag kikezdi a zománcot. Na ha ez nem is igaz, a polisztirol csévetestnek "adott" volna
Ezek szerint tényleg túlélte a Magyar Postát?
Köszönöm, előző életemben valami pók lehettem, mert nagyon háló mániás vagyok!
Igen, a fűtőszál pozitív feszültségre emelését nem írtam, de természetesen így gondoltam, Szintúgy kell megcsinálni, mint pl egy SRPP meghajtófokozatnál, ott kb +100V ra szokták felemelni egy 250/100K-s osztóval a kb 320V os tápfesznél.
Azért köszönöm a hozzászólást, és a tanácsot ![]() Hamarosan (a hétvégén)elkészül a GU-50 es projektem, aztán teszek fel róla képet, aztán kíváncsi leszek a véleményekre ![]()
Szia Gábor, le tudnád nelem rajzolni hogy is néz ez a potenciál felemelés ki pontosan?
természetesen
Mindjárt felteszem a képet.ui: Köbzolinak köszönöm a PL509-es SE kapcsrajzot
Na vazze !
Péknek olvastam Hülye LCD kijelző
Köszönöm a rajzot, de mi van akkor ha én váltóról fűtöm?
Még annyit, hogy ez nemcsak ECC83-mal működik, csak éppen azt írtam oda, mert nekem az van a meghajtó SRPP fokozatban.
természetesen bármilyen cső fűtőfeszültségét fel lehet emelni vele
Persze, sejtem, a váltó - egyen harc engedélyezett?
Ezt a megoldást egyenáramú fűtésnél szokták alkalmazni.
Ha neked most váltóról megy, akkor egyenirányítani kell, De akkor számolni kell azzal a kb 1,2 V nyitóirányú feszültségeséssel (Graetz hídnál). Ez úgy oldható meg, hogy egyenirányítás után teszel rá egy kis puffert kb 100µF 16V és aztán egy 7812 v 7806-tal stabilizálod a feszt. Attól függ mekkora fűtőfeszt iényel a cső amit használsz. Amúgy 6V vagy 12V is elég fűtésnek, nem fog jobban szólni, mintha megkapná a 6,3V-ot v a 12,6 V ot és még a fűtőszál élettartama is nő, de ha mindenképp 6,3V-ot v 12,6 V-ot akarsz neki adni, akkor a 7806 v 7812 3 as lábát (GND) egy 0,3 V-os germánium vagy 0,6 V-os szilícium diódával felemeled a GND pontról. Röviden ennyi. Amúgy az egyenáramú fűtéssel sem fog rosszabbul szólni, mint váltóval (max ha vájtfülű vagy, vagy minden alkatrészed audiofil minőségű)![]()
Köszönöm Gábor, ezzel a részével (egyenirányítás-tabilizálás) tisztában vagyok csak azt hittem megúszhatom valahogy. Asszem 7805 + germánium dióda lesz belőle mert ezek vannak.
Köszi mégegyszer.
Sziasztok
Láttam néhány nagyon szép erősítőt tőletek. Érdekelne hogy a réz felületeket mivel polírozzátok, és milyen védő lakk bevonat vált be. Lehet hogy nem új ötlet de vásároltam nagyméretű nyák lemezt és ezt szeretném polírozni és lakkozni. Az is érdekelne hogy mikor érdemes kivágni a cső foglalatok helyét polírozás előtt vagy után. Gondot okoz még a forgó gombok beszerzése készítése is. Előre is köszönöm az okítást.
Sajnos az ilyen cikkek arra jók, hogy felizgassák az embert, de azt, hogy mitől döglik a légy azt soha nem írják le. A vége az, hogy több hét kínlódás után cucc a sarokba vágva, a szerző anyukája pedig egyfojtában csuklik. Az élesztés menete, szükséges munkaponti paraméterek nincsenek megadva. Mi az vasmagnál, hogy 20*25 mm2 ? Mert, ha 5 cm2, akkor baj van. Mert akárhogy számoltam, 100Hz-fölött lehet belőle kiszedni kb 10W-ot. 1150 menet oldalanként szintén gyanús, mert még a legjobb mag is telítésbe megy.
Most ott tartok, hogy a bal hüvelykujjam csapágyas a tekerés miatt. A primer oldalon belemegy 48ma cscs 460V cscs mellett, Viszont a szekunder oldalon akármit csinálok nem jön ki több 5W-nál. Inull = Imax/2= 24mA. Segédrácsáram 2mA. 5 Cm2 toroidmag, 8cm-es középátmérő, 2x1550me. 100Hz-es fa-t határoztam meg a vasmag kis keresztmetszete miatt. így 100 hz-en XL 5,2 Kohm féloldalanként. Bozó szerint az áttétel gyök alatt trafóhatásfok*2Ra/Zhangszóró. Ez 8ohmra kb 34,2. Eszerint a szekundermenetszámom 2X1550/34,2= 91me. Namost a primeren van 460Vcscs, ennyi szekundermeneten ekkor max 460Vcscs/34.2=13.45 Vcscs lesz. Holott 10W/8-ra 25,3 Vcscs kellene ! Ha úgy számolom, hogy meglegyen a 25,3Vcscs, akkor ehhez 3100/(460/25,3)=170 menet kellene. Ekkor az áttétel 18,18. A primer oldal a hangszórót ekkor 18,18*18,18*8 = 2644 ohm- nak látja. Pedig 10,4K-nak kellene (2XRa). Hol van a gondolatmenetemben a hiba ?
Oké, de akkor is kell bele az a 10mikros kondi a 100K-val párhuzamosan ha váltóról fűtöm?
Tudomásul vettem, köszönöm :yes:
Nah sztem megtaláltam a kimenőt. Nem tom hanyas drótból de van rajta jó sok meg vastagbból kevesebb és egy irányba van lemezelve csak az utolsó kettő van fordítva van légrés is. Akkor ez jó lesz? Valahol láttam hogy kell az a fűtőfeszültség az a 6,3v az ehhez is kell nem? Meg még a tápnak kell trafót tekernem de azt mennyire kell pufferelni? Vagy annyi elég ami a rajzon van? Sok hülye kérdés, megnyugtatlak hogy még lesz.
Tudtommal az ilyen poziti potencialra emelest a bugascsokkentes eseteben alkalmazzak
aban az esetben amikor a bugast az izzoszal emiszioja okozza. Ilyen esetben az izzoszalat a katodhoz kepest kb. 20 - 25 V pozitiv feszultsegre kapcsoljuk. Ezzel lazarjuk az izzoszal emissziojat (a katod emmital !). Minden esetre erdekes, hogy megoldodik egy nem odavalo cso problemaja egyszeruen pozitiv potancial emelessel. Egy kicsit bovebben, vagy egy linket ahol targyalja. Az alabbit nem neked irtam !! Raakadtam itt hirtelen a bugascsokkentesre. A beszurt kepen lathato egy par megoldas amelyel a bugast lehet nagymertekben megszuntetni. Kép: Hivatkozás Itt megjegyeznem: bugofeszultseg juthat az erositobe az izzoszal a szalkatod kozotti kapacitason at, abban az esetben ha a bifilaris izzoszal nem tokeletesen szimmetrikus (gyari hiba). Meg bugast okozhat az izzoszal es a katod kozott levo nem tokeletes szigeteles, vagy ha az izzoszal emmital. A ket elso eset altal okozott bugast az izzoszal kivezeteseire kapcsolt bugasgatlo potenciometerrel (vagy ket ellenallast kotunk_lasd az abrat) kompenzalhatjuk. A bugasgatlo potenciometert mindig az elso eloerosito cso futes kivezeteseire kotjuk mert a bugas itt okoz ledgtobb bajt. Hifi erositok esetebe celszeru az eso csovet kulon izzotekercsrol izzitani, es kulon bugasgatlo potenciometerrel bealitani az elso emeleten a bugasminimumot !! A harmadik esetet, az izzoszal emissziojat az izzoszal pozitiv feszultsegre emelesevel lehet kompenzalni. Egy reg elfelejtett bugascsokkentes technika ( titkos) amelyet a pentodaknal alkalmaznak: Kép: Hivatkozás Azbran lathato kapcsolassal igen jo kompenzaciot erhetunk el. Eloszor a P1 potenciometerrel szabalyozzuk minimumra,a maradek bugast a P2 potenciometerrel szuntetjuk meg. Tobbszori ismetelgetessel a bugas nyomat is eltuntethetjuk. Egyel feljebb folytatodik. Nemm vette be egyszerre. |
Bejelentkezés
Hirdetés |


Én 300mA-t számoltam az ECC-nek.


Talán selejt drót ....

Köszi mégegyszer. 